CALCULUL STRUCTURII CONFORM NORMATIVULUI DE CALCUL AL STRUCTURILOR DIN ZIDARIE,INDICATIV P2-85
1. GENERALITATI:
Cladirea este o
structura cu pereti portanti din zidarie mixta, stapli, stalpisori si
centuri.Calculul structurii se fac 111e42b e conform
la actiuni orizontale
(seismice).
In baza dimensiunilor si alcatuirii elementelor portante si a fortelor gravitationale maxime sau minime probabile, se stabileste capacitatea de rezistenta la incarcari orizontale a fiecarui perete structural, respectiv montant, exprimata sub forma marimii fortei taietoare capabile la nivelul respectiv, considerandu-se valoarea cea mai mica determinata pentru una din urmatoarele solicitari :
- compresiunea excentrica cu excentricitate in planul peretilor, tinandu-se seama dupa caz de influenta favorabila a legaturilor orizontale (buiandrugi);
- forfecarea rostului orizontal;
- eforturile principale de intindere in sectiuni inclinate.
Suma capacitatilor de rezistenta minime, ale tuturor diafragmelor componente ale structurii, pentru fiecare directie principala, corectata cu un coeficient al conditiilor de lucru, se compara cu forta orizontala totala la nivelul respectiv, tinandu-se seama si de efectul torsiunii, printr-un coeficient al incarcarii.
2 IPOTEZE DE CALCUL:
Planseele au o rigiditate suficienta pentru a putea redistribui incarcarile, dupa ce un element sau mai multe elemente au atins valoarea capacitatii de rezistenta, lucrand in continuare in domeniul plastic.
Prin redistribuirea incarcarilor pot fi antrenate elementele care mai au rezerve de rezistenta.
Efectele neconcordantei dintre comportarea efectiva si ipotezele facuta asupra redistribuirii incarcarilor, se corecteaza printr-un coeficient al conditiilor de lucru.
Pentru calculul la torsiune a structurii si pentru verificarea fundatiilor, se accepta ipoteza distribuirii solicitarilor orizontale in functie de capacitatea de rezistenta a elementelor.
Se considera
ca elementele din beton armat inglobate in zidarie conlucreaza cu aceasta,
afectandu-se rezistenta zidariei cu un coeficient al conditiilor de lucru
, prin care se tine seama de diferenta de rigiditate a
meterialelor.
La peretii cu goluri de usi si ferestre se ia in calcul efectul favorabil al buiandrugilor.Punctul de anulare a momentului in buiandrug, datorita actiunii orizontale, se considera la mijlocul deschiderii buiandrugului.
3 RELATIA DE BAZA:
; in care :
-
, sarcina orizontala de nivel, la nivelul k;
-
, forta taietoare capabila minima a diafragmei
la nivelul
;
-
, coeficientul incarcarii prin care se tine seama de efectul
torsiunii;
-
, coeficientul conditiilor de lucru, functie de tipul
planseului;
-
, numarul nivelurilor cladirii;
-
, numarul total al diafragmelor pe directia de calcul.
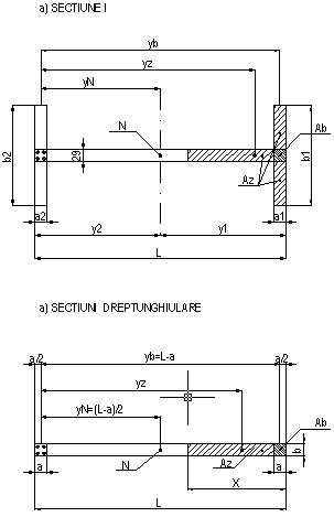
3.1 Capacitatea de rezistenta la compresiune excentrica:

Relatia de
baza :
; in care :
-
, rezistenta de calcul la compresiune a betonului;
-
, momentul static al ariei comprimate de beton in raport cu
centrul de greutate al armaturilor intinse;
-
, momentul static al ariei comprimate de zidarie in raport cu
centrul de greutate al armaturilor intinse;
-
, distanta de la centrul de greutate al armaturilor intinse
la axul care trece prin punctul de aplicatie al fortei gravitationale N.
3.2 Capacitatea de rezistenta la forfecarea rostului orozontal:
Relatia de
baza :
; in care :
-
, suma sectiunilor barelor verticale din toti stalpisorii
peretelui considerat;
-
, sectiunile barelor din stalpisorul de pe partea intinsa;
-
, rezistenta de calcula armaturii.
Obs.Relatia
se aplica numai in cazul solicitarii de compresiune excentrica cu excentriciate
mare, cand se considera ca rezistenta de forfecare a zidariei
este depasita, datorita eforturilor de intindere in sectiune,
care apar la ambele capete ale peretelui, ca urmare a solicitarilor seismice
alternante.
3.3 Capacitatea de rezistenta la eforturi principale de intindere:
Relatia de
baza :
; in care :
-
, rezistenta de calcul a zidariei la eforturi principale de
intindere, obtinuta prin inmultirea valorilor din STAS 10109/1-82 tabelul 6, in
cazul calculului la incarcari seismice, cu coeficientul conditiilor de lucru
suplimentar m=1.2;
-
, coeficient in functie de excentricitatea relativa
,
;
-
, aria inimii, in cazul sectiunilor I,T si L;
-
, coeficient prin care se tine seama de distribuirea eforturilor
de alunecare, raportat la aria inimii, conform relatiei : ![]()
-
, efort unitar de compresiune :
.
●PROGRAMUL DE CALCUL AUTOMAT C.S.Z ., FURNIZEAZA URMATOARELE REZULATE:
|