VERIFICAREA STALPILOR
Pentru o mai usoara intelegere a calculelor din acest capitol -conduse conform "Eurocodului 4" (privind sectiunile mixte otel-beton), vom reda mai jos notatile folosite de catre acesta:
I. Caractere romane majuscule:
A Actiune accidentala; arie
C Valoare fixa; coeficient
F Actiune; forta
G Actiune permanenta; modulul de elasticitate transversala
I Moment de inertie la incovoiere
K Coeficient de rigiditate
L Lungime; deschidere
M Moment (in general); moment incovoietor
M
Valoare de calcul a
momentului incovoietor rezistent
M
Valoare de calcul a
momentului incovoietor solicitant
P
Rezistenta la
forfecare a unui conector
Q Actiune variabila
R Rezistenta
V Forta taietoare; forta de forfecare
X Valoare a unei proprietati a unui material
II. Caractere grecesti majuscule:
D Diferenta a . (precede simbolul)
III. Caractere romane minuscule:
a Distanta; date geometrice
b Latime
c Distanta; parte in consola; acoperirea cu beton
d Diametru; inaltime; adancime
f Rezistenta (a unui material)
f
Rezistenta caracteristica
la compresiune a betonului
f
Limita de
elasticitate caracteristica a armaturilor
f
Valoare
specificata a rezistentei ultime la intindere a materialului unui gujon, a unui
bulon, etc
f
Valoare
caracteristica sau nominala a limitei de elasticitate la intindere a otelului
de constructii
f
Valoare
caracteristica sau nominala a limitei de elasticitate la intindere a unei table
profilate de otel
h Inaltime
i Raza de giratie
k Coeficient; factor
l (sau "l" sau "L")=Lungime; deschidere; lungime de flambaj
m Coeficient propriu dalelor mixte
n Coeficient de echivalenta
r Raza
s Spatiu; distanta
t Grosime; timp
v Effort de forfecare pe unitatea de lungime
w Deschidere a fisurii

IV. Caractere grecesti minuscule:
a Unghi; raport; coeficient de dilatare termica liniara; factor
b Unghi; raport; coeficient
g Coeficient partial de securitate (intotdeauna insotit de un indice;
De ex., "F", "G", "Q", "A", "M", "Ma", "a", "ap", "c", "s", "v", "Rd")
d Raport de contributie al otelului; sageata
e Deformatie; coeficient
h Coeficient
q Unghi; panta
l
Zveltete ("
" in cazul zveltetii reduse)
m Coeficient de frecare; raport al momentelor
n Coeficientul lui Poisson
r Masa volumica; procent de armare
s Tensiune normala
t Tensiune tangentiala
j ( sau "f", in cazul anumitor figuri)=Diametrul unei armaturi
c Coeficient de reducere (flambaj)
y Factor definind valorile reprezentative ale actiunilor variabile; raport al tensiunilor
y
V. Indici:
A Accidental
a Otel de constructii
b Flambaj; voalare; bulon; grinda; inferior
c Compresiune; beton; sectiune transversala mixta
cr (sau "crit")=Critica
cs Retragere a betonului
d De calcul
dst Destabilizant
eff Eficace; participant
e Eficace; participant (cu un indice complementar)
el Elastic
f Talpa; total; frontal
G Actiune permanenta
h Consolidat
i Indice (inlocuind o cifra)
inf Inferior; jos
k Caracteristica
l (sau "l")=Longitudinal
LT Rasturnare
M Material
m Tinand cont de momentul incovoietor; mediu
max Maximal
nom Nominal
p (adaugat eventual la "a")=Tabla profilata de otel
pl Plastic
Q Actiune variabila
R Rezistenta
r Redus
s Otel de armare
stb Stabilizator
sup
t Tensiune; de intindere; transversal; sus
ten Intindere
u Ultima
v Vertical
w Inima
x Axa longitudinala a elementului
y Axa puternica a sectiunii transversale; limita de curgere plastica
z Axa slaba a sectiunii transversale
0,1,2.Valori particulare
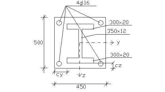
5.1. STALP MARGINAL 45x45cm (nivel VIII - X)
Sunt solicitati la compresiune excentrica oblica.
Materiale: Beton clasa C20/25 (Bc 20)
Armatura rigida - table sudate: OL52.2K
Armatura elastica -bara profilata : S 355 (PC 52)
Caracteristici geometrice ale sectiunii compuse:
-pentru sectiunea de beton:

-pentru sectiunea de armatura rigida:

-pentru sectiunea de armatura elastica:

- Stalpul are sectiunea de otel complet inglobata in beton.
- Stalpul apartine unui cadru rigid.
- Verificarea se poate face dupa metoda simplificata din EC -4 (4.8.3)deoarece sectiunea este dublu simetrica si este constanta pe
toata lungimea stilpului.

A. Ipoteza I de incarcare

Verificarea conform metodei simplificate presupune indeplinirea urmatoarelor conditii :
Coeficientul de participare al armaturii rigide
trebuie sa fie cuprins
intre 0,2 si 0,9
![]()
![]()


Zveltetea relativa
trebuie sa fie <
0,8

Deoarece L=2800 mm,

Ca urmare, nu este necesar un calcul de ordinul
.
3) Acoperirea cu beton trebuie sa se incadreze intre limitele :

Aria sectiunii armaturilor longitudinale nu trebuie sa depaseasca 4%
din sectiunea de beton.

Aria sectiunii armaturilor longitudinale elastice trebuie sa fie cel
putin 0,3% din sectiunea de beton.

A.1. Verificarea stabilitatii locale a armaturii rigide
Aceasta nu este
necesara daca ![]()

A.2. Verificarea la compresiune centrica
Vom verifica daca se respecta inegalitatea:

A.3. Verificarea la compresiune excentrica :
Aceasta verificare presupune respectarea inegalitatilor



Pentru directia y-y
- Modulul plastic al armaturii rigide :
![]()
- Modulul plastic al armaturi flexibile :
![]()
-Modulul plastic al sectiunii de beton :
![]()
-Stabilirea axei neutre in inima :



![]()


Verificare :
![]()

B. Ipotezele II si III de incarcare

In acest caz, modificarile sunt :



5.2. STALP INTERIOR 45X45cm (nivel VIII - X)
A. Ipoteza I de incarcare



![]()
B. Ipotezele II si III de incarcare


![]()

5.3. STALP MARGINAL 45x50cm (nivel V - VII)
-Este solicitat la compresiune excentrica oblica:

A. Ipoteza I de incarcare

Caracteristici L=2,8m
Beton clasa C20/25 (Bc 20)
Armatura rigida - table sudate: OL52.2K
Armatura elastica -bara profilata : S 355 (PC 52)
Caracteristici geometrice
-pentru sectiunea de beton

-pentru sectiune de armatura rigida

-pentru sectiunea de armatura elastica

- Stalpul are sectiune de otel complet inglobat in beton
- Stalpul apertine unui cadru rigid
- Verificarea se poate face dupa metoda simplificata din EC-4 (4.8.3) deoarece sectiunea este dublu simetrica si este constanta pe toata lungimea stilpului.
Verificarea conform metodei simplificate presupune indeplinirea urmatoarelor conditii :
Coeficientul de participare al
armaturii rigide
trebuie sa fie cuprins
intre 0,2 si 0,9.
![]()
![]()


Zveltetea relativa
trebuie sa fie <
0,8

L=2800 mm

Ca urmare, nu este necesar un calcul de ordinul
.
3) Acoperirea cu beton trebuie sa se incadreze intre limitele :

4)Aria sectiunii armaturilor longitudinale nu trebuie sa depaseasca 4% din sectiunea de beton.

5)Aria sectiunii armaturilor longitudinale elastice trebuie sa fie cel putin 0,3% din sectiunea de beton.

A.1. Verificarea stabilitatii locale a armaturii rigide
Aceasta nu este necesara daca ![]()

A.2. Verificarea la compresiune centrica
Aceasta verificare este indeplinita daca se respecta inegalitatea :

A. 3. Verificarea la compresiune excentrica
Aceasta verificare presupune respectarea inegalitatilor:


Pentru directia y-y
- Modulul plastic al armaturii rigide :
![]()
- Modulul plastic al armaturi flexibile :

-Modulul plastic al sectiunii de beton :
![]()
Stabilitatea axei neutre in inima :



![]()


Verificare
![]()

B. Ipoteza a II-a de incarcare

In acest caz, modificarile sunt :


5.4. STALP INTERIOR 45x50cm (nivel V- VII)
A. Ipoteza I de incarcare

A.1. Verificarea la compresiune centrica:



A. 2. Verificarea la
compresiune excentrica
B. Ipoteza a II- a de incarcare


B. Ipoteza a III - a de incarcare

5.5. STALP MARGINAL 45x55cm (P, ET, I - IV)

A. Ipoteza I de incarcare

Caracteristici: Armatura rigida - table sudate: OL52.2K
Armatura elastica -bara profilata : PC 52
Caracteristici geometrice:
-pentru sectiune de beton

-pentru sectiune de armatura rigida

-pentru sectiunea de armatura elastica

Verificarea conform metodei simplificate presupune indeplinirea urmatoarelor conditii :
1).
Coeficientul de participare al armaturii
rigide
trebuie sa fie cuprins
intre 0,2 si 0,9
![]()
![]()


2). Zveltetea
relativa
trebuie sa fie <
0,8

L=3800 mm

Ca urmare, nu este necesar
un calcul de ordinul ![]()
3) Acoperirea cu beton trebuie sa se incadreze intre limitele :

4)Aria sectiunii armaturilor longitudinale nu trebuie sa depaseasca 4% din sectiunea de beton.

5)Aria sectiunii armaturilor longitudinale elastice trebuie sa fie cel putin 0,3% din sectiunea de beton.

A.1. Verificarea stabilitatii locale a armaturii rigide
Aceasta nu este necesara
daca ![]()

A.2. Verificarea la compresiune centrica
Aceasta verificare este indeplinita daca se respecta inegalitatea :

A.3. Verificarea la compresiune excentrica
Aceasta verificare presupune respectarea inegalitatilor



Pentru directia y-y
- Modulul plastic al armaturii rigide :
![]()
- Modulul plastic al armaturi flexibile :

-Modulul plastic al sectiunii de beton :
![]()
Stabilitatea axei neutre in inima :




Verificare :
![]()

B. Ipoteza a II - a de incarcare

In acest caz, modificarile sunt :


5.6. STALP INTERIOR 45x55cm (P, ET, I - IV)
A. Ipoteza I de incarcare

A.1. Verificarea la compresiune centrica:


A.2. Verificarea la
compresiune excentrica

B. Ipoteza Ia I - a de incarcare

In acest caz, modificarile sunt :



ARMAREA SECTIUNII TRANSVERSALE A STALPILOR

|