Tematica practica de topografie inginereasca
1. Metode de trasare in plan a constructiilor
a) Metoda coordonatelor polare
b) Metoda coordonatelor rectangulare
2. Realizarea de retele de trasare
3. Trasarea axelor constructiilor civile si industriale
4. Transmiteri si verificari ale verticalei
5. Determinarea inaltimii constructiilor
6. Calcularea volumelor de terasamente
PROIECT DE PRACTICA
1.Metode de trasare in plan a constructiilor
Axele si punctele caracteristice ale constructiilor se traseaza pe teren prin diferite metode.
Alegerea metodei de trasare se face in functie de urmatorii factori:
conditiile de masurare
gradul de accidentare al terenului
obstacole ce impiedica vizele (masurarea peste ape, in subteran)
natura obiectului de trasat (dimensiune si forma in plan)
precizia ceruta la trasare
modul de realizare al retelei de trasare
aparatura avuta la dispozitie
In functie de aceste conditii, se poate utiliza una dintre metodele urmatoare: metoda coordonatelor polare, metoda coordonatelor rectangulare, metoda intersectiei unghiulare inainte, metoda intersectiei inapoi, metoda intersectiei liniare, metoda drumuirii poligonometrice.
Metoda coordonatelor polare
Metoda se recomanda in situatiile cand lucrarile se executa in zone in care sunt posibile atat masuratorile unghiulare cat si cele liniare, iar baza de trasare este alcatuita dintr-o drumuire poligonometrica sau retea topografica de constructii.
Trasarea pe teren a punctului C se face prin aplicarea, din punctul A al retelei de trasare, a unghiului orizontal din proiect β (unghi polar), fata de latura retelei (directie de referinta) si a distantei D din proiect (raza vectoare)(fig. 1).

Figura 1- Metoda coordonatelor polare
Valoarea elementelor topografice ce urmeaza a fi trasate (β,D) se determina in faza de pregatire topografica cu relatiile generale:
tgθAC=ΔYAC/ ΔXAC;
tgθAB=ΔY AB/ ΔX AB;
β= θ AC-θAB;

unde : ΔXAC=XC-XA ; ΔYAC=YC-YA.
ΔXAB=XB-XA ; ΔYAC=YC-YA.
Coordonatele A si B sunt cunoscute (puncte ale retelei de trasare) iar coordonatele punctului C sunt indicate in proiect.
Trasarea punctului C se efectueaza astfel:
-se stationeaza cu teodolitul in punctul A si fata de directia de referinta AB se traseaza unghiul β (procedeul de trasare, stabilit in faza de proiectare topografo-inginereasca, se alege in concordanta cu precizia ceruta de trasare).
-pe directia astfel obtinuta se va aplica distanta D, la capatul ei se va materializa punctul de trasat.
Controlul trasarii se poate efectua astfel:

Figura 2 - Controlul trasarii
- prin trasarea punctului constructiei si din alt punct al retelei de sprijin (de exemplu trasarea punctului C din punctele retelei de sprijin A si B (fig. 2);
- trasarea punctului C prin alta metoda de trasare;
- compararea distantelor si unghiurilor dintre punctele trasate, obtinute prin masurarea pe teren cu cele indicate in proiect.
Precizia metodei
Daca nu se tine seama de influenta erorii punctelor retelei de trasare si a erorii de fixare din figura se obtine:
In care Δc - abaterea pozitiei punctului C provocata de abaterea de trasare a distantei ΔD si de abaterea de trasare a unghiului polar Δβ;

Figura 3 - Principiul calculului preciziei
Δl - abaterea longitudinala (poate fi asimilata cu abaterea de trasare a distantei ΔD);
Δt - abaterea transversala reprezentand echivalentul liniar al abaterii de trasare a unghiului polar Δβ;
Tinand seama de cele de mai sus, relatia de mai sus poate fi scrisa si sub forma:
Trecand la abateri standard si tinand seama si de erorile de pozitie a punctelor de spijin si cea de fixare, vom avea:
In care:
σs - abaterea standard de pozitie a punctelor de sprijin;
σD - abaterea standard de trasare a distantei;
σβ - abaterea standard de trasare a unghiului orizontal;
σf - abaterea standard de fixare a punctului trasat.
Pentru abaterile standard componente vom avea:

Daca se lucreaza cu coeficienti care diferentiaza intre ele erorile, marimea fiecarei abateri standard care afecteaza precizia trasarii se poate calcula cu una din relatiile :


Valorile coeficientilor k au fost stabilite pe cale experimentala astfel:
k1=1, k2=1.4, k3=2.0, k4=0.2
La trasarea prin aceasta metoda trebuie sa se tina seama de faptul ca eroarea de trasare creste odata cu marirea distantei de la punctul de sprijin la punctul de trasat si de faptul ca latura de referinta trebuie sa fie mai lunga decat cea de trasat.
2) Realizarea de retele de trasare
Pentru a putea realiza trasarea pe teren a punctelor, liniilor sau suprafetelor proiectelor de constructii este necesar ca elementele de trasat sa poata fi raportate la puncte si directii pe teren.
Elementele topografice se determina de pe planul de trasare.
Acesta trebuie sa contina proiectul precum si indicatii asupre preciziilor care trebuie asigurate la trasare.
Alegerea punctelor de statie din care se va efectua trasarea (puncte de sprijin) se va face in asa fel incat sa:
existe posibilitatea utilizarii lor in masuratorile topografice ulterioare;
sa fie asigurate vizibilitatea intre puncte si accesabilitatea acestora;
marcarea lor se face in asa fel incat masuratoarea sa aiba o pozitie stabila pe o perioada de timp cat mai indelungata.
In cazul lucrarilor mari, este necesar sa se intocmeasca descrieri topografice ale punctelor, care trebuie sa contina:
coordonatele X, Y, H;
informatii privind pozitia pe teren;
informatii asupra vizibilitatilor;
Daca trasarea se efectueaza din puncte de sprijin existente, acestora trebuie sa li se verifice stabilitatea prin masuratori de unghiuri si distante (care sunt elemente de control).
In cazul trasarii constructiilor izolate, punctele de sprijin pot fi reprezentate de puncte de contur sau limite de teren fata de care constructia trebuie sa se afle la distante impuse de proiect.
Obiectivele de constructii vaste si complexe nu pot fi trasate din puncte de sprijin izolate.
Pentru trasare sunt necesare mai multe puncte de sprijin care marcheaza obiectivul, reprezentand retele care pot avea forme diferite in plan si in inaltime.
Aceste retele poarta denumirea de retele de trasare.
Retele de trasare planimetrice
Punctele acestor retele trebuie pozitionate in asa fel incat sa permita:
aplicarea pe teren a axelor principale si secundare si a punctelor caracteristice prin una din metodele de trasare;
restabilirea periodica a axelor si punctelor caracteristice in procesul de trasare;
utilizarea intr-o masura cat mai mare pentru observatii privind deplasarile si deformatiile constructiilor.
In situatiile in care cerintele de precizie nu sunt foarte ridicate (exemplu: stalpii liniilor de inalta tensiune) trasarea se poate efectua din puncte ale retelei geodezice de stat sau din puncte rezultate prin indesirea acesteia.
In cazul constructiilor industriale si civile complexe, precizia asigurata de punctele retelei geodezice de stat nu mai este suficienta.
In aceste cazuri se determina puncte de spijin noi incluse intr-o retea de trasare locala fara constrangeri la reteaua geodezica de stat (pot fi incadrate ulterior).
Precizia punctelor acestor retele este dependenta numai de masuratori si de modul de marcare al punctelor (stabilirea acestora este influentata de conditiile geologice).
Deoarece aceste retele sunt realizate ca retele libere , nu le sunt transmise eventualele"tensiuni"din reteaua geodezica de stat.
Cerinte de precizie:
Trebuie sa se aiba in vedere ca in retea sa se realizeze o astfel de precizie incat influenta erorilor punctelor retelei asupra trasarii sa fie neglijabil de mica.
Trebuie sa se tina cont si de aspectul economic al trasarii. In functie de abaterea standard relativa de masurare a distantelor, pot fi deosebite pentru retele urmatoarele clase de precizie:
|
σs/s |
Domenii principale de utilizare |
|
Cazuri speciale in constructiile industriale si urmarirea deplasarilor orizontale ale constructiilor si terenurilor |
|
|
Constructii civile complexe |
|
|
Cail de comunicatie(drumuri), diguri |
σs/s-abaterea standard relativa de masurare a distantelor;
Cerintele de precizie pentru masurarea a directiilor poate fi stabilita cu relatia:
abaterea standard de masurare a directiilor orizontale; ρcc = factorul de transformare in radiani;
ρcc = 636620cc.
Pentru cea mai ridicata cerinta de precizie (1:25.000 = 4*10-5) vom avea σdir = 18cc, precizie care se poate realiza prin utilizarea masuratorilor unghiulare, a unui teodolit de precizie.
Principii de realizare a retelelor de trasare:
Pornind de la cerintele de precizie, precum si de la cerintele economice, se va alege varianta optima (forma retelei, procedeul de masurare).
In concordanta cu scopul urmarit, trebuie avuta in vedere si alegerea unor locuri, pe cat posibil, sigure pentru marcarea retelei.
In cazul retelelor planimetrice realizate prin metode clasice este necesar ca traseul liniilor de vizare, pentru evitarea refractiei laterale, sa treaca la distante mai mari de 1m de cladiri, stalpi.
La instalatiile liniare, trebuie luata o distanta de siguranta mai mare sau cel putin egala cu 3 m.
Originea si axele principale ale sistemului de axe se stabilesc in asa fel incat in retea sa existe doar coordonate pozitive.
Trebuie avuta in vedere si posibilitatea unei eventuale extinderi a retelei.
Problema esentiala a calitatii lucrarilor de trasare si de urmarire a deplasarilor este asigurarea unei precizii ridicate a pozitiei reciproce a punctelor retelei de trasare sau a celei de urmarire a deplasarilor.
Ca urmare, acest tip de retele se vor prelucra de preferinta, ca retele libere.
Principalele modalitati de realizare a retelelor planimetrice pentru trasare sunt:
a)Retele de triangulatie locale - microtriangulatie
Acestea se utilizeaza la trasarea constructiilor ingineresti speciale si comlplicate precum:galerii(tuneluri), metrou, poduri,baraje, turnuri de televiziune, radio si centrale nucleare.
Acest tip de retele este in present cel mai des folosit pentru masuratori de urmarire a deplasarilor a constructiilor si tunelurilor;ele pot fi concepute sub forma unor lanturi de triunghiuri, de patrulatere cu ambele diagonale vizate, sau sisteme locale centrale simple sau multiple,lungimea laturilor fiind cuprinsa intre 0.3 si 2 km.

Figura 1 -Retele de microtriagulatie

Figura 2 - Retele de microtriagulatie

Figura 3 - Retele de microtriagulatie
b) Retele de microtrilateratie
Se folosesc la realizarea constructiilor speciale(de exemplu constructii de tipul acceleratoarelor de particule sau a cladirilor inalte), la determinarea deplasarilor orizontale ale punctelor de pe suprafata terenurilor predispose la alunecare sau ale unor puncte dispuse pe suprafete de beton armat, care fac obiectul urmaririi deplasarilor.
Retelele de microtriangulatie se proiecteaza sub forma: de patrulatere, sisteme centrale, sisteme inelare;in acest caz se masoara toate laturile si diagonalele retelei.


Figura 4 - Retele de microtrilateratie
c) Retele liniar - unghiulare
In aceasta categorie intra retelele de orice forma in care s-au masurat:toate laturile si toate unghiurile sau o parte din laturi si o parte din unghiuri.
Aceste retele pot diferi de forma ideala, fara ca rigiditatea lor sa fie afectata(la triangulatie si trilateratie, rigiditatea depinde in mare masura de configuratia retelei).
d) Retele poligonometrice
Sub forma de drumuiri, aceste retele pot fi utilizate avantajos, avand in vedere extinderea lor liniara, in special la construirea drumurilor, a sistemelor de irigatii si desecari, precum si la amenajarea cursurilor de apa.
In localitati, tipul de retea indicat este reteaua sub forma de poligoane.
Pentru aplicarea pe teren a proiectelor de ansambluri de constructii civile sau industriale este recomandabil sa se utilizeze ca baza de trasare reteaua topografica de constructii.
Aceasta este o retea compacta in care punctele de sprijin sunt asezate in colturile unor patrate sau dreptunghiuri (figura 5).

Figura 5 - Retea topografica de constructii
Orientarea retelei se face dupa directia axei principale a unei constructii determinate sau dupa directia unei cai de comunicatie, astfel ca laturile retelei sa fie paralele cu axele principale ale majoritatii constructiilor ansamblului.
Punctele retelei sunt determinate printr-un sistem rectangular de axe la care directiile axelor sunt riguros paralele cu axele constructiilor.
Reteaua topografica de constructii este realizata ca o retea unghiulara in care se masoara toate unghiurile si toate laturile.
Prelucrarea masuratorilor se poate face in mod eficient prin metoda poligoanelor, tratand reteaua ca pe o retea neconstransa.
Utilizarea acestui tip de retea este avantajoasa deoarece permite trasarea axelor si punctelor caracteristice ale constructiilor prin metoda coordonatelor rectangulare, la care calculul elementelor de trasare este deosebit de usor.
3)Trasarea axelor constructiilor civile si industriale
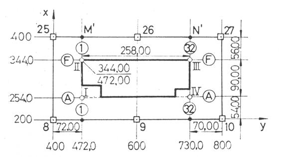
Pentru cladirile si constructiile mari, cu forma complexa, se incepe cu trasarea axelor principale, iar pentru cele simple se traseaza axele de baza care dau direct conturul obiectelor(figura 1).

Figura 1 -Schema de trasare a axelor principale
Axele se concretizeaza prin punctele de intersectie intre ele, care sunt considerate puncte caracteristice principale ale obiectivelor de construit, si care, in urma pregatiri topografice au coordonate plane in sistemul de referinta al retelei de constructii.
Punctele axelor
principale (I, II,
De exemplu, cu teodolitul instalat in statie in punctul 8 se aliniaza pentru a se aplica pe latura 8-9 a retelei de constructie distanta = 7,20 m.
In punctul gasit M se muta teodolitul cu care se traseaza unghiul drept (90°).
In lungul directiei obtinute M-M´ se aplica distanta 5,40 m, gasindu-se pe teren pozitia punctului I (A/1).
Din punctul I se traseaza distanta de 9 m intre axele cladirii A-A si F-F, obtinandu-se astfel cel de-al doilea punct II (F/1) al axei principale I-II.
In mod analog, de la punctul retelei
de constructie 10 se traseaza punctele IV (A/32) si
Distanta cea mai mare se aplica in lungul laturii retelei, iar distanta cea mai mica, pe directia perpendiculara pe latura retelei.
Pentru controlul lucrarilor de trasare se leaga punctele II si
La constructiile mici (blocuri, cladiri etc.) se masoara laturile sau diagonalele, iar rezultatele obtinute se compara cu valorile corespunzatoare din proiect.
Erorile masuratorilor se admit in medie pana la 1: 4.000.1: 5.000 (unghiurile fiind trasate cu teodolitul de 1 minut in cele doua pozitii ale cercului vertical, iar distantele prin tahimetria optica de precizie), masurarea directa fiind dificila in conditii de santier.
Se admite asemenea precizie deoarece la trasarea axelor principale se determina numai pozitia generala a constructiei pe teren si orientarea ei fata de constructiile vecine.
Dupa fixarea punctelor I, II,
La abateri mai mari se va corecta pozitia punctului.
Perpendicularitatea reciproca a axelor principale este una din cerintele de baza la trasarea acestora, deoarece devierile acestor axe conduc mai departe la devierea tuturor celorlalte axe ale constructiei.
Schemele de trasare contin toate elementele necesare trasarii fiecxarei constructii(unghiuri orizontale, distante, pante, cote), elementele pentru trasarea planimetrica obtinandu-se din coordonatele punctelor retelei de constructie si ale punctelor principale ale constructiilor.
Dupa trasarea axelor principale ale constructiei urmeaza:
- proiectarea si construirea imprejmuirii de trasare;
- trasarea axelor principale si a celorlalte axe ale constructiei pe imprejmuire;
- marcarea definitiva a axelor.
4) Transmiteri si verificari ale verticalei
Procedeul prin plonjarea lunetei teodolitului (procedeul "proiectarii oblice")
In acest procedeu se foloseste ca plan vertical de proiectie chiar planul de colimatie (de plonjare) al lunetei teodolitului, instalat pe prelungirea unei laturi a figurii de baza a retelei spatiale de trasare.
Pentru utilizarea acestui procedeu, directiile laturilor figurii de baza, ale caror capete trebuie proiectate pe verticala la orizonturile de montaj, se vor transpune si fixa in afara limitelor constructiei cel putin cate doua puncte de aliniament de fiecare parte 1', 1" si 2" (figura 1), pentru aliniamentul 1-2.
Semnul cel mai apropiat 1' al aliniamentului poate fi fixat direct pe soclul constructiei, iar semnul cel mai depatrat poate fi marcat la o distanta egala cu de minimum 1,5 ori inaltimea constructiei.
La montarea pe verticala a elementelor de constructie sau la transpunerea in inaltime (la orizontul de montaj) a punctului figurii de baza (figura 1), teodolitul se instaleaza deasupra punctului 1".

Figura 1 - Transmiterea pe verticala a axelor constructiilor la nivelul de montaj al constructiei prin procedeul plonjarii lunetei teodolitului
Prin vizarea spre semnul 1'de colimatie al lunetei teodolitului va coincide cu planul vertical de proiectare.
Apoi prin plonjarea lunetei se determina si fixeaza urma acestui plan la orizontul respectiv de montaj prin suprapunerea unei tinte de vizare mobile cu firul reticular vertical al teodolitului.
Pentru eliminarea erorii de colimatie, vizarea se executa de doua ori (in cele doua pozitii ale cercului vertical), luindu-se media.
Urma planului de colimatie in cele doua pozitii ale cercului vertical al teodolitului se fixeaza cu un briceag pe o suprafata special pregatita a betonului (curatita si vopsita).
Eroarea de fixare in acest caz este de 0,2 0,3 mm. Pozitia pe orizontul de montaj se fixeaza mai precis cu ajutorul unor echere speciale cu marci mobile pe doua directii reciproc perpendiculare.
Verificarea verticalitatii constructiei se face invers, adica se proiecteaza in cele doua pozitii ale lunetei 1' si 1" (figura 2) punctul superior la partea

Figura 2 - Verificarea verticalitatii constructiei
inferioara (fundatia) a constructiei.
Abaterea punctului gasit (1°) fata de pozitia din proiect a axei verticale 1-1 caracterizeaza marimea liniara Δl a inclinarii elementului de constructie. In marime unghiulara inclinarea γ este:

unde :
h este inaltimea orizontului de montaj,
iar ρ =206265′′ (sau 636620cc).
Precizia procedeului
Cauzele principale de erori ale procedeului sunt:
inclinarea axei de rotatie O-O a lunetei provocata de neverticalitatea axei principale V-V a teodolitului, numita si eroarea de orizontalizare sau nivelare mn;
erorile de vizare cu luneta teodolitului mv;
erorile datorita instalarii teodolitului in aliniament mΔl;
erorile datorita conditiilor exterioare mCE.
Eroarea medie totala de proiectare a verticalei mprv prin acest procedeu este egala cu:

eroarea de nivelare mn (orizontalizare) datorita inclinarii axei verticale;

eroarea de proiectare a vericalei mv provocata de eroarea de
vizare cu luneta;
eroarea medie de proiectare a verticalei provocata de precizia instalarii teodolitului in planul vertical mΔl
eroarea de proiectare a verticalei provocata de erorile conditiilor exterioare mCE.
Eroarea medie patratica la transpunerea pe verticala a coordonatelor punctelor figurii de baza mprv a retelei spatiale de sprijin pentru montarea prefabricatelor constructiilor inalte se determina cu formula:
- eroarea de centrare a teodolitului mc;
- eroarea de vizare spre punctul din aliniament si spre marca (tinta) mobila de vizare mv;
- eroarea de fixare a punctului pe verticala mf;
- eroarea de fixare a marcii mobile mfm;
- eroarea de inclinare a planului de vizare (de colimatie) al lunetei teodolitului mn.
5. Determinarea inaltimii constructiilor
a) Determinarea inaltimii unei constructii accesibile
H=h1-(-h2)=s(tg α1-tg α2);
Cota varfului C al constructiei:
HC= HA+i+s*tg α1;
in care -HA este cota punctului de statie A;
-i este inaltimea instrumentului in punctul A;
Daca se cunoaste cota HB a punctului B, atunci avem:
HC= HB+s*(tg α1-tg α2);
Abaterea standard de determinare a inaltimii h este:
σh2= σs2*(tg α1-tg α2)+s2/ρ*( σα12/cos α14 σα22/cos α24);
Atunci cand se accepta ca: σα1= σα2 va rezulta:
σh2=s2*( σs/s)2*(tg α1-tg α2)+ σα2/ ρ2*(1/cos α14+cos α24);

b) Determinarea inaltimii unei constructii inaccesibile
a. Cota varfului C al constructiei:
HC= HA+i+sA*tg αA;
HC= HB+i+sB*tg αB;
Distantele sA si sB se cunosc si vom aplica teorema sinusurilor in ΔABC, rezultand:
sA=(b*sinβB)/(sin(βA+βB));
sB=( b*sinβA)/(sin(βA+βB));
Cota punctului C la baza constructiei:
HC°= HA+δhAC°= HA+ δhAB+ δhBC°;
in care - δhAC° si δhBC° se determina prin nivelment geometric;
Inaltimea constructiei va fi:
h=HC+ HC°.

6. Calcularea volumelor de terasamente
Metode de calculare a volumelor
1. Metoda patratelor
Patratele se traseaza pe planul cu curbele de nivel existente si cele proiectate (laturile patratelor se aleg de 5, 10, 20 m).
Reteaua de patrate poate coincide ca directie cu reteaua topografica de constructii (pe care o indeseste) sau poate fi paralela, in orase, cu linia fatadelor sau cu axele strazilor.
Pentru colturile patratelor se determina:
cotele proiectate (cote rosii HR) prin interpolarea curbelor de nivel proiectate
cotele terenului initial (cote negre HN) prin interpolarea curbelor de nivel ale terenului din zona proiectului; cotele terenului in fiecare colt se poate obtine si direct pe teren prin nivelment geometric al suprafetelor.
Diferenta acestor cote ne permite sa calculam cota de executie (cota de lucru).
Aceste elemente se inscriu pe cartograma (diagrama) terasamentelor.
![]()


Atunci cand in colturile patratelor exista atat cote de executie pozitive cat si cote de executie negative pe cartograma se traseaza linia de cota de executie zero. Pozitiile punctelor, pe laturile patratelor, prin care aceasta trece se pot stabili grafic sau analitic (fig. 1).
Calcularea volumelor de terasamente se efectueaza separat pentru sapatura si umplutura, pe fiecare patrat in parte.
.Cotele de executie ale celor 4 colturi ale patratului au acelasi semn.
Metoda prismelor patrate
![]()
![]()
![]()
Metoda prismelor triunghiulare
Consideram ca baza nu mai este un patrat ci doua triunghiuri

![]()
![]()
4 3
V1
V2
2
Fig. 2
V2 = (l2 / 2) * (( h1+h2 + h3 ) / 3 )
V1 = l2 /6 * ( h1 + h3 + h4 ) ; V2 = l2 /6 * ( h1 + h2 + h3 )
2 .Cotele de lucru din 3 colturi ale patratului au un semn, cel de-al patrulea colt avand cota de executie de semn diferit
Metoda prismelor patrate

![]()
![]()
x A
4 Vu 3
y
B VS
1 2
Fig. 3
VU = [(x * y) / 2] * h0'
VS = [ l2 - ( x * y ) * 1/2 ] * h 0''
h0' = h4 / 3 ; h0'' = ( h1 + h2 + h3 ) * 5
h0' si h0'' = cote de executie medie

![]()
![]()

![]()
2 F3 3
![]()

F1 F1 B
![]()
F4
1 A 4
Fig. 4
VS = V1 + V2 + V3 ; VU = V4
V1 = F1 * [( h1 + h2) / 3] ; V2 = F2 * ( h2 / 3)
V3 = F3 * [( h2 + h3) / 3]
3 . Cotele de lucru din doua colturi ale patratului au un semn, iar celelalte cote de lucru ale celorlalte doua colturi au semn diferit.
Metoda prismelor patrate
A
![]()
![]()
![]()
2 x 3
VU
VS
![]()
y
1 B 2
Fig. 5
Vu = [( x + y ) / 2 * l ] * h0'
Vs =[ [( l - x ) + ( l - y ) / 2 ] * l ] * h0 ''
h0' = ( h1 + h2 ) / 4 ; h0'' = ( h3 + h4 ) / 4
Metoda prismelor triunghiulare


![]()
![]()
![]()
2 A 3
V1 V3
VU VS
V2 V4
1 4
B
Fig. 6
Vu = V1 + V2 ; Vs = V3 + V4
V1 = F1 * ( h1 + h2 ) / 3
V2 = F2 * h1 / 3
V3 = F3 * h3 / 3
V4 = F4 * ( h3 + h4 ) / 3
Trasarea platformei orizontale si a planului inclinat
In sistematizarea verticala se intalnesc frecvent solicitari de amenajari de platforme orizontale (in cvartale, piete, terenuri sportive, etc.) si de planuri inclinate, amenajarea terenului dupa o anumita panta proiectata asigurand scurgerea apelor din precipitatii.
Trasarea unei platforme orizontale (fig. 7) se poate realiza fie pentrua o cota impusa prin proiect, fie la cota medie a terenului, cand se obtine egalizarea volumelor de terasamente.

Fig.7 Trasarea unei platforme orizontale
Procedeul de trasare se bazeaza pe metoda patratelor mici (laturi de 10..50 m, in functie de relief si precizia ceruta) practicata la nivelmentul suprafetelor, in urma caruia se obtin cotele colturilor patratelor, care pe teren sunt materializate cu tarusi, favorizand viitoarea trasare a platformei. Pentru lucrarile care solicita o precizie mai mica, cotele colturilor de patrate se pot obtine de pe planul de situatie (pe care s-a trasat caroiajul ce acopera platforma), prin interpolari intre curbele de nivel, caroiajul urmand a fi transpus pe teren.
Se calculeaza altitudinea medie pentru fiecare patrat al caroiajului (fig. 1):
Se calculeaza cota medie a tuturor patratelor (n=numarul total de patrate) din cotele medii ale fiecarui patrat :
Trasarea platformei la cota medie H0 (sau la cota proiectata Hpr) se poate face prin nivelment geometric sau folosind cotele de executie.
Trasarea platformei orizontale prin nivelment geometric se reduce la trasarea pe teren a unei cote proiectate, in acest caz toate colturile patratelor avand aceeasi cota H0 (Hpr).
Trasarea unui plan inclinat, de panta (p%) proiectata. Pe teren, suprafata destinata realizarii planului inclinat se acopera cu o retea de patrate avand laturi orientate pe
directia pantei proiectate (fig. 8); colturile patratelor se materializeaza cu tarusi de lemn.

Fig. 8 Trasarea unui plan inclinat
Trasarea planului inclinat se reduce la aplicarea unuia dintre procedeele cunoscute:
trasarea unei linii de panta data;
trasarea unor cote proiectate prin nivelment geometric.
In cazul abordarii procedeului de trasare a unei linii de panta p% cu teodolitul este evident ca trasarea va avea loc in lungul randurilor (R) 1, (R) 2.(R) 5, teodolitul instalandu-se succesiv in punctele coloanei de baza (in exemplu (C) I), puncte care au fost, in prealabil, aduse la cota dorita (proiectata sau convenabila). Dupa ce punctele randurilor au fost aduse pe liniile de panta proiectata (materializate cu tarusi din lemn), cum latura caroiajului poate avea dimensiuni intre 10-50 m, terenul dintre tarusi va fi nivelat la panta dorita cu ajutorul teurilor.
Daca se abordeaza procedeul trasarii planului inclinat prin nivelment geometric (in cazul pantelor mici), se va proceda astfel:
se aduc toate punctele coloanei de baza la cota dorita; sa admitem aceeasi coloana (C) I, cota H(C)I transmitandu-se de la un reper de nivelment (sau, daca nu necesita o cota obligata, punctele se aduc la nivelul uneia dintre ele si primesc o cota arbitrara);
se calculeaza cotele punctelor celorlalte coloane, in functie de panta impusa si de latura caroiajului:
Observatie: semnul (-) pentru trasarea planului in jos si (+) pentru trasarea in sus.
se instaleaza nivelul in centrul suprafetei planului (statia St) si se executa citirea b (la firul nivelor) pe mira asezata pe reperul de nivelment RN, utilizat la nivelarea punctelor coloanei (C) I (sau pe unul din punctele coloanei de baza, cand au o cota arbitrara);
se calculeaza altitudinea planului de vizare (HV) si citirile proiectate pentru cotele calculate: HV = HRN + b

Pentru trasarea cotelor calculate cu ajutorul citirilor proiectate se bat tarusi in punctele fiecarei coloane astfel ca pe mira pusa pe ei sa se citeasca citirea calculata ce corespunde coloanei respective.
Daca suprafata este mare si o singura statie nu este suficienta pentru trasarea tuturor punctelor, se vor trasa o parte din coloane dintr-o statie, iar celelalte dintr-o alta statie de nivelment, cota pentru calculul altitudinii noului plan de vizare luandu-se fie de la RN, daca se poate,fie de la un punct anterior trasat. Terenul intre tarusi se niveleaza cu ajutorul teurilor.
Calcularea terasamentelor
Dupa cum am mai aratat, cand se executa lucrari de terasamente se cauta, daca este posibil, ca volumul sapaturii sa acopere necesarul (volumul) umpluturii; deci, in ideea compensarii sapaturii cu umplutura se calculeaza terasamentele in raport cu cota medie H0 a terenului (platformei) de nivelat.
Calculul terasamentelor prin metoda caroiajului (fig. 9).

Fig. 9 Calculul terasamentelor-metoda caroiajului
a-platforma cu 3 tipuri de puncte (v, m, I); b-volumul prismei I; c-platforma cu 4 tipuri de puncte
In calculul terasamentelor pentru lucrarile de constructii, volumul de baza este cel al prismei (Vp), delimitata de suprafata bazei de jos (patratul, planurile verticale ridicate pe laturile bazei si suprafata terenului,care inchide prisma in partea de sus); inaltimea medie a prismei se considera media aritmetica a cotelor colturilor caroului; deci volumele prismelor din exemplul abordat in fig. 3, va fi:
![]()
unde S reprezinta suprafata patratului, iar H11, H12, . . . H43, H44 sunt cotele colturilor caroiajului.
Volumul pentru intreaga platforma, de la planul de referinta pana la suprafata topografica este dat de suma volumelor prismelor; daca se urmareste fig. 3 si se analizeaza relatiile ce dau Vp, se constata ca punctele de varf (colt) ale platformei participa cu cotele in calcule o singura data (H11, H14, H41, H44), cele de margine de doua ori (H12, H13, H24, H34, H43, H42, H31, H21), iar cele de interior de patru ori (H22, H23, H32, H33). Relatia pentru volumul total se poate scrie:
sau:
si respectiv
reprezinta sumele cotelor punctelor de varf,
respectiv de margine si interior.
Cota medie a suprafetei terenului de nivelat va fi:
,
unde n = numarul patratelor caroiajului.
Daca platforma are o forma de tipul celei din fig. 3c, atunci apare si tipul punctului de frangere (F) iar relatia de calcul a cotei medii devine:

Cota
medie poate fi calculata si ca medie ponderata, in care ponderile (greutatea,
importanta in calcul) sunt participatiile cotelor in calculul general: p =
0.25-o data; p=0.50-de doua ori; p=0.75-de trei ori si p=1-de patru ori.
Relatia de calcul este: 
sau descrisa dupa modul de participare a punctelor in calcule:
unde ponderile pentru HV p = 1, HM p = 2, HF p = 3 si HI p = 4;
V, M, F si I = numarul de puncte din categoriile de participare.
Se calculeaza cotele de lucru hij pentru toate punctele caroiajului: hij = Hij - H0, unde Hij este notatia generala pentru cotele tuturor punctelor, din toate categoriile de participare (V, M, F, I).
Cotele de lucru cu semnul (+) indica cu cat trebuie inaltat terenul in punctele respective (umplutura), iar cele cu semnul (-), cat trebuie sapat ca sa se ajunga la cota medie H0 calculata; cu aceste cote de lucru se calculeaza volumele de terasamente:
Vs = S å(hij) (-) Û volumul de sapatura;
Vu = S å(hij) (+) Û volumul de umplutura;
Daca s-a lucrat cu cota medie ponderata(H0(p)), atunci volumele de sapaturi se calculeaza cu relatiile: Vs = S å(hij pij) (-)
Vu = S å(hij pij) (+) , unde pij reprezinta ponderea categoriei de participare in calcule a punctului respectiv.
Precizia de calcul a lucrarilor de terasamente este data de grosimea stratului (D) de pamant care va fi in plus, sau va lipsi, pentru ca nivelarea sa se faca la cota medie calculata:
, unde St
reprezinta suprafata totala a platformei (parcelei) de nivelat.
|