PROIECTAREA FORMEI CONSTRUCTIVE A ARBORILOR
Se calculeaza diametrele t 22222n131w ronsoanelor principale de pe arbori din momentele echivalente,cu relatia:

![]()
![]()
![]()
![]()
![]()
![]()
![]()
![]()

![]()
![]()
![]()
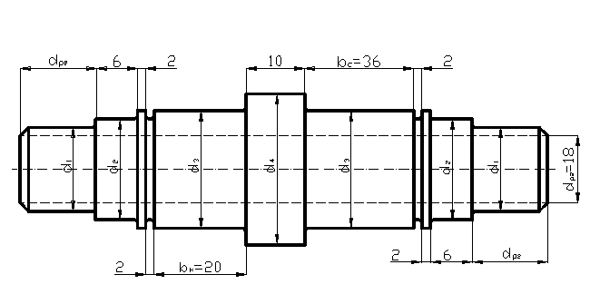
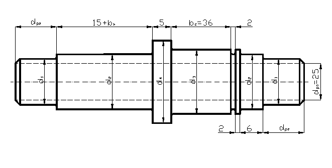
(cota de rulment)
![]()
![]()
(cota de rulment)
![]()
![]()

Pe capatul arborelui se executa o gaura filetata M6 pentru fixarea axiala a rotii de curea.

(cota de rulment)
![]()
![]()
![]()
![]()

(cota de rulment)
![]()
![]()
![]()
![]()
|