1. DATE INITIALE
Sa se proiecteze o ferma metalica cu deschiderea de L=14m si traveea t=8m.
Se cunosc incarcarile
si incarcarea din
zapada
.

DETERMINAREA INCARCARILOR
![]()

determinarea reactiunilor in reazemele stalpilor
|
Bara |
|
|
|
l (cm) |
Nodul 0
![]()
;
; ![]()

Sectiunea I-I se scriu ecuatiile de
echilibru pe directia OY si echilibrul momentelor in raport cu punctul 3 
![]()
![]()
![]()
![]()
Sectiunea II-II: 
![]()
![]()
Nodul 5 :
Sectiunea III - III:
![]()
![]()
Sectiunea IV - IV:
![]()
![]()
Se intocmeste tabelul ce cuprinde eforturile stabilite in barele fermei precum si lungimile de flambaj ale barelor.
|
Bara |
Efortul (daN ) |
Lungimea la flmbaj |
||
|
+ |
- |
lfx (cm) |
lfy (cm) |
|
|
| ||||
DIMENSIONAREA BARELOR PENTRU FERMA DE 14 M
Se alege forma sectiunii barelor ca in figura si se poate observa ca s-a optat pentru elemente apropiate cu distanta intre ele de tg=12 m datorita faptului ca eforturile in bare se situeaza in jurul valorilor 410-600 kN.
In etapa de dimensionare se va incepe cu barele intinse si apoi se continua cu barele comprimate.
BARE INTINSE
Talpa inferioara - intrucat dupa cum se observa in tabelul de eforturi pentru talpa inferioara avem patru eforturi, se alege efortul cel mai mare si se dimensioneaza bara la acest efort maxim.
Nmax = N4-7
= 55537,77 daN Anec =
=1.0 barele se prind de gusee cu sudura. Anec =
= 26,44 cm2
Se alege o bara cu sectiunea formata din doua corniere cu aripi egale 2L 80 x 80 x 10
Aef =
2 x 15,10 = 30,20 cm 2>26,44 cm2. Trebuie verificata
conditia ef =
.
ef =
Aceasta
sectiune 2L80x80x10 (talpa inferioara)
indeplineste atat conditia de rezistenta cat si pe cea de flambaj.
Bara 0-2 : N0-2 = 35660 daN
Anec
=
= 16,98 cm2
Se alege o bara cu sectiunea formata din doua corniere cu aripi egale 2L70x70x7
Aef = 2 x 9,40 = 18,80
cm 2>16,98 cm2. Trebuie verificata conditia ef =
ef =
=1896,80daN/cm2
Bara 3-4 : N3-4 = 7478,81 daN
Anec
=
= 3,56 cm2
Se alege o bara cu sectiunea formata din doua corniere cu aripi egale 2L 50 x 50 x 5, profil minim ales.
3.2. BARE COMPRIMATE
Talpa superioara va avea aceiasi sectiune pe toata lungimea si se va dimensiona la efortul maxim: N max = N6-8 = -56113,85 daN lfx =lfy =151 cm.
coeficientii de profil sunt Kx = 4,6 ; Ky = 1,9 coeficienti de profil in
functie de profilele alese - corniere cu aripi egale.
;
![]()
x = 151
=62,65 Rezulta x = 0,721
y = 151
=40,26 Rezulta x
Se alege min= min ( x y)
= 32,001055
cm2
Se alege o bara cu sectiunea formata din 2L 100x 100 x 10 Aef = 2 x 19,2 = 38,40 cm 2
ix =3,04 cm conform
sectiunii alese din tabele λ x =
= 49,67
φef =0,755
Bara 2 - 3 N2-3 = 29837,14 daN lfx = 146,5 cm ; lfy =183,1 cm
coeficientii de profil sunt : Kx = 4,6;Ky = 1,9 pentru tg=12 mm
Rezulta x = 0,618 ;
![]()
Rezulta x
Se alege min= min ( x y)
= 22,99cm2
Se alege o bara cu sectiunea formata din 2L 80x 80 x 8
Aef = 2 x 12,30
= 24,60 cm 2 ; ix
=2,43 cm λ x
=
= 60,28
φef =0,663
Bara 4 - 6 N4-6 = 593,18 daN lfx = 161,44 cm ; lfy =201,8 cm, datorita faptului ca efortul este foarte mic, si din dimensionare ar rezulta o bara cu sectiune mica, se alege o sectiune formata din 2L 50x 50 x 5 din conditia de profil minim ales.
Bara 6 - 7 N6-7 = -5637,84 daN lfx = 161,44 cm ; lfy =201,8 cm efortul este mic deci se va alege profilul dimensionat anterior 2L 50x 50 x 5.
3.3. MONTANTII
Bara 1 - 2 N1-2 = 4686 daN; lfx = 72 cm ; lfy =90 cm
; x =72
=103,37 Rezulta x
; y =90
=83,04 Rezulta x
Se alege min= min ( x y)
= 4,16
cm2
Se alege o bara cu sectiunea formata din 2L 50x 50 x 5
Aef = 2 x 4,80
= 9,60 cm 2 ; ix
=1,51 cm ; λ x =
= 47,68
φef =0,771
ef =
=633,10 daN/cm2 < R=2100 daN/cm2
Bara 5 - 4 N5-4 = -4686 daN; lfx = 96 cm ; lfy =120 cm
; x =96
=137,83 Rezulta x
; y =120
=110,73 Rezulta x
Se alege min= min ( x y)
= 5,11 cm2
Se alege o bara cu sectiunea formata din 2L 50x 50 x 5
Aef = 2 x 4,80
= 9,60 cm 2 ; ix
=1,51 cm ; λ x =
= 63,57
φef =0,638
ef =
=765,08 daN/cm2 < R=2100 daN/cm2
Intrucat montantul 8-7 are o incarcare de N8-7 = -3124 daN (valoarea incarcarii fiind mai mica decat a montantilor dimensionati anterior) se vor adopta dimensiunile montantilor anterior dimensionati (1-2 si 5-4), astfel sectiunea acestora va fi alcatuita din 2L 50x 50 x 5.
Avand dimensiunile barelor si sectiunea acestora, se trece la centralizarea datelor intr-un tabel ca cel de mai jos.
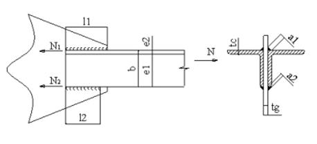
4. PRINDEREA BARELOR LA NODURI
Se stabilesc urmatoarele conditii in ceea ce priveste prinderea barelor la noduri.
N1 = N
;N2 = N![]()
=
=
;
=
=![]()
![]()
Conditiile ce trebuie indeplinite sunt a1 ≤ 0,85tc daca tc <tg
a1 ≤ 0,7tg daca tc > tg
a2 ≤ 0,7min (tc , tg)
l1 ≥ 40mm l2 ≥ 40mm
l1 ≥ 15a1 l2 ≥ 15a2
l1 ≤ 60a1 l2 ≤ 60a2
unde: - l1 si l2 lungimea cordoanelor de sudura
a1 si a2 inaltimea cordoanelor de sudura
a ) Bara 0 - 2 N0-2 =35660 daN 2L70x70x7
b = 7 cm; e1 = 1,97 cm; e2 =7-1,97=5,03 cm; Rf s = 1500 daN/cm2;
tg = 12cm
a2 ≤ 0,7 x tmin (tc;tg)
a2
0,7x7 = 4,9 Se alege a2 = 5 mm
=14,23 cm; l1
= 14,23+2 x 0,6 = 15,43 cm
=6,69 cm; l2
= 6,69+2 x 0,5 = 7,7 cm
b ) Bara 2 - 3 N2-3 =29837,14 daN 2L80x80x8
b = 8 cm; e1 = 2,26 cm; e2 =8-2,26=5,74 cm; Rf s = 1500 daN/cm2;
tg = 12 cm
a2 ≤ 0,7 x tmin (tc;tg)
a2
0,7x8 = 5,6 Se alege a2 = 5,0 mm
=10,19 cm; l1
= 10,19+2 x 0,7 = 11,60 cm
=5,61 cm; l2
= 5,61+2 x 0,5 = 6,61 cm
Se alege l2 = 75 mm (l2 ≥ 15a2)
c ) Bara 3 - 4 N3-4 =7478,81 daN 2L50x50x5
b = 5 cm; e1 = 1, 4 cm; e2 =5-1, 4=3,6 cm; Rf s = 1500 daN/cm2;
tg = 12 cm
a2 ≤ 0,7 x tmin (tc;tg)
a2
0,7x5 = 3,5 Se alege a2 = 4 mm
=4,48 cm; l1
= 4,48+2 x 0,4 = 5,28 cm
Se alege l1 = 60 mm (l1 ≥ 15a1)
=1,74 cm; l2
= 1,74+2 x 0,4 = 2,54 cm
Se alege l2 = 60 mm (l2 ≥ 15a2)
d ) Bara 4 - 6 N4-6 =593,18 daN 2L50x50x5
b = 5 cm; e1 = 1,4 cm; e2 =5-1,4=3,6 cm; Rf s = 1500 daN/cm2;
tg = 12cm
a2 ≤ 0,7 x tmin (tc;tg)
a2
0,7x5 = 3,5 Se alege a2 = 4 mm
Se alege l1 = 60 mm din conditia (l1 ≥ 15a1)
Se alege l2 = 60 mm din conditia (l2 ≥ 15a2)
e ) Bara 6 - 7 N6-7 =5637,84 daN 2L50x50x5
b = 5 cm; e1 = 1,4 cm; e2 =5-1,4=3,6 cm; Rf s = 1500 daN/cm2;
tg = 12cm
a2 ≤ 0,7 x tmin (tc;tg)
a2
0,7x5 = 3,5 Se alege a2 = 4,0 mm
Se alege l1=60 mm .
Se alege l2 = 60 mm.
|