MATERIALE
FEROMAGNETICE
Scopul lucrarii:
Scopul acestei lucrari de laborator este determinarea dependentei permeabilitatii complexe relative magnetice a materialelor feromagnetice in functie de frecventa, precum si evidentierea curbei de histerezis care caracterizeaza aceste materiale.
1. Dependenta de frecventa a permeabilitatii magnetice relative complexe:
Se va realiza montajul din figura in care:
B este bobina (cu sau fara miez) a carei inductanta L si rezistenta de pierderi de tip serie r trebuie masurate;
G - generator sinusoidal (amplitudinea acestuia se fixeaza la U = 3 V);
VE - voltmetru electronic (instrument de nul);
R2 si C2 sunt o rezistenta si un condensator reglabile (cutii decadice de rezistoare, respectiv de condensatoare);
R1 = R3 = 1 KW sunt rezistente fixe;
Tr1:1 este un transformator de separare galvanica intre masa generatorului G si a voltmetrului electronic VE.

Puntea Maxwell-Wien pentru determinarea dependentei de frecventa a permeabilitatii magnetice relative complexe.
Principiul de determinare a inductantei L si rezistentei de pierderi r ale bobinei B se bazeaza pe particularitatile acestei punti. Se observa in figura ca puntea Maxwell-Wien se alimenteaza pe o diagonala cu un semnal sinus 414d31e oidal de frecventa reglabila, iar pe cealalta diagonala se masoara diferenta de tensiune. Daca este indeplinita conditia de acord a puntii:
Z1·Z3 = Z2·Z4 (16)
unde Z1 si Z3, respectiv Z2 si Z4 sunt impedantele de pe laturile opuse ale puntii, atunci tensiunea masurata de voltmetrul electronic VE este nula, indiferent de valoarea amplitudinii semnalului sinusoidal al generatorului G. Tinand cont de acestea masuratorile se vor efectua in felul urmator:
se acordeaza puntea prin modificarea valorilor rezistentei R2 si a capacitatii C2 (cutii decadice);
in momentul cand acordul a fost realizat, valorile L si r pot fi calculate din conditia de acord a puntii Maxwell-Wien, rezultand:

Se vor mai folosi relatiile:
, Qm
= m m'' , Qmef(f) = m'ef / m''ef
Se dispune de 3 infasurari : bobina fara miez L0 (N=300 spire) si bobinele L1 si L2, identice din punct de vedere geometric si avand acelasi numar de spire ca si L0, realizate pe miezuri din tole E+I din tabla de siliciu. Diferenta intre L1 si L2 rezida in modul de asamblare a miezului: pentru bobina L1 miezul este realizat din tole intretesute (fara intrefier), iar pentru bobina L2 din tole asamblate neintretesut, cu intrefier.
Se conecteaza, pe rand, bobina L1, respectiv L2 in locul bobinei B din figura. Se fixeaza frecventa la valorile specificate in Tabelul 1 si se face acordul puntii pentru ca indicatia voltmetrului electronic VE sa fie minima.
In urma masuratorilor si a calculelor se obtine urmatorul tabel:
Tabelul 1
|
f [KHz] | ||||||||||||
|
Masuratori |
Bobina fara intrefier L1 |
C21 [mF] | ||||||||||
|
R21 [W | ||||||||||||
|
Bobina cu intrefier L2 |
C21 [mF] | |||||||||||
|
R21 [W | ||||||||||||
|
Calcule |
Bobina fara intrefier L1 |
L1 [mH] | ||||||||||
|
r1 [W | ||||||||||||
|
|
| |||||||||||
|
| ||||||||||||
|
Bobina cu intrefier L2 |
L2 [mH] | |||||||||||
|
r2 [W | ||||||||||||
|
| ||||||||||||
|
| ||||||||||||
|
Q | ||||||||||||
|
Qef | ||||||||||||
Valorile lui L0 si r0 au fost luate din Tabelul 2:
|
Bobina fara miez L0 |
f [Hz] |
|
L0 [mH] | ||
|
r0 [W |
Se va observa slaba dependenta a valorilor L0 si ro de frecventa de masura in domeniul frecventelor joase.
Se vor reprezenta grafic dependentele m'(f), m''(f) si Qm(f), respectiv m'ef(f), m''ef(f) si Qmef(f).
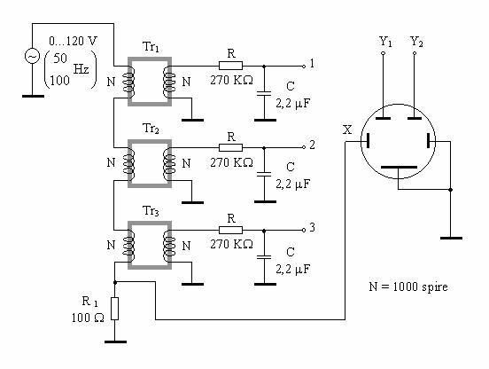
2. Caracterizarea materialelor feromagnetice in regim de semnal mare
Principiul de masura a fost prezentat in sectiunea I.B. Cu ajutorul schemei din figura se vor vizualiza pe osciloscop curbele de histerezis dinamic pentru un material feromagnetic (circuit magnetic inchis) Tr1 si pentru un material ferimagnetic in doua variante: Tr2 ( circuit magnetic inchis) si Tr3 (circuit magnetic cu intrefier). Infasurarile celor 3 transformatoare sunt identice ca geometrie si numar de spire (N = 1000 spire).

Montaj pentru vizualizarea caracteristicii de histerezis pentru diferite miezuri magnetice si pentru determinarea dependentei m = f(H).
In urma masuratorilor si calculelor se completeaza tabelul:
|
Nr. div./oriz. |
| ||||||
|
H [A/m] | |||||||
|
f=50 |
Tr1 |
Nr. div./vert. | |||||
|
Hz |
B1 [T] | ||||||
|
Tr2 |
Nr. div./vert. | ||||||
|
B2 [T] | |||||||
|
f=100 |
Tr1 |
Nr. div./vert. | |||||
|
Hz |
B1 [T] | ||||||
|
Tr2 |
Nr. div./vert. | ||||||
|
B2 [T] |
Pentru efectuarea calculelor s-au folosit urmatoarele:
N=1000 ; le = 190 mm ; Ae= 190 mm2
Ax = 1V/div ; Ay = 0,1 V/div.
H = kx·nr.div oriz. ; B = ky·nr.div vert.

Tinand
cont ca
,
obtinem:
|
f=50 Hz |
m1 | |||||
|
m2 |
* | |||||
|
f=100 Hz |
m1 | |||||
|
m2 |
Se vor trasa graficele m = f(H). Se va observa cum permeabilitatea magnetica creste de la o valoare initiala mi, atinge o valoare maxima mmax, apoi scade catre o valoare msat
|