BALEIAJUL PE VERTICALĂ
Un TV Sport are tubul cinescop cu diagonala 31cm si unghiul de deflexie 110o. Energia necesara deflexiei pe verticala este Wmv=4,96mJ. Bobina de deflexie pe verticala are Rv=16W, Lv=30mH, iar timpul de întoarcere pe verticala este Tiv=1ms. Sa se calculeze: puterea reactiva Qv necesara deflexiei, puterea aparenta Sv si puterea activa Pv (stiind ca f=50Hz). Sa se calculeze curentul vârf la vârf Ivv si tensiunea inversa maxima pe tranzistoarele din baleiajul pe verticala. Dintele de fierastrau nu are corectie în forma de S. La calculul valorii efective a curentului în functie de valoarea de vârf se neglijeaza timpul de întoarcere pe verticala (Tiv).
![]()
![]()
![]()

![]()
![]()
![]()
![]()
![]()
![]()
Pentru semnal sinusoidal
se stie ca:
. Pentru semnal triunghiular:
![]()
![]()

![]()
I
+IM
0 Td/2 Td t
Ivv
-I M
![]()
![]()
Se calculeaza valoarea efectiva a
curentului cu formula:
În cazul unui curent în dinte de
fierastrau, acesta se poate exprima pe cursa directa sub forma:
, daca este crescator. 
Se calculeaza întâi de sub integrala, dupa ce s-a scos afara IM:

![]()
Daca se considera
![]()
![]()


V
Distribuitor TV
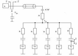
Sa se proiecteze un distribuitor TV pentru cinci televizoare cu impedanta Z=75Ω.

Z=R+
; R=Z![]()
; a=
=
=
=
; a(dB)=20log
;
Avem urmatoarele situatii:
n=2
R=25
a=0.5 a(dB)=20log0.5=-6dB
n=3
R=37.5
a=0.33 a(dB)=20log0.33=-9.54dB
n=4
R=45
a=0.25 a(dB)=20log0.25=-12dB
n=5
R=50
a=0.2 a(dB)=20log0.0.2=-13.98dB
Distribuitoarele din comert nu au separare în c.c. cu condensatoare pe firul cald sau separare galvanica (cu condensatoare si pe masa); de aceea s-a modificat schema, adaugând în serie condensatoare de 2,2.10nF la minim 400V c.a. (condensatoare ceramice), tipic 2KV.
Înainte de a se folosi un distribuitor se poate monta un amplificator care sa compenseze atenuarea distribuitorului. Uzual atenuarea se masoara în dB.
|