Gestionarea energiei īn cladiri
Īn conceptia moderna cladirile īncep sa fie privite ca organisme dinamice, care pentru a corespunde nevoilor societatii se pot usor adapta si restructura - cu cele mai mici cheltuieli posibile, conform dorintei prop 818b14i rietarului, administratorului sau locatarilor -, nu sunt energofage si nu polueaza mediul īnconjurator.
Solutiile tehnice care au ca scop sporirea eficientei energetice īn cladiri sunt destinate constructiei propriu-zise - respectiv anvelopei si termoizolatiilor aferente - precum si instalatiilor cu care aceasta este dotata.
A gestiona buna functionare a componentelor cladirii (constructia, instalatiile si serviciile) īnseamna, nu īn ultimul rānd, a gestiona consumurile energetice.
7.1. Comanda si controlul instalatiilor din cladiri pentru asigurarea eficientei utilizarii energiei
Comanda si controlul instalatiilor cladirii sunt esentiale pentru a obtine nivelurile dorite de serviciu, confort si siguranta, īntr-un mod cāt mai eficient din punct de vedere energetic.
Comenzile bune pot sa:
mareasca gradul de confort al ocupantilor;
previna ca sistemele sa fie pornite atunci cānd nu este nevoie;
actioneze instalatiile pe pornit la momentul potrivit, pentru a se obtine confort pe durata ocuparii si pe oprit la momentul potrivit, pentru a se reduce consumul energetic;
asigure ca serviciile oferite sunt la nivelul cerut, cum ar fi de exemplu temperatura īncaperii, nivelul de iluminat;
minimizeze cerintele de īntretinere si reparatii prin prevenirea utilizarii excesive a serviciilor.
Stabilirea unei strategii clare privind comanda si controlul sistemelor cladirii constituie o premiza importanta pentru obtinerea eficientei energetice,
Cu cāt o cladire este mai complexa, cu atāt este mai dificil de condus si administrat.
Este nevoie, asadar, de o strategie cu obiective bine definite, care sa nu intre īn conflict īntre ele si care sa furnizeze un echilibru īntre energie si confort.
Iata cāteva obiective strategice:
Evitarea comenzilor conflictuale; de exemplu: interactiunea nedorita dintre sistemele de furnizare a caldurii si frigului, efectul de comanda īntr-o zona a cladirii sa nu afecteze o alta zona etc.
Īmpartirea īn zone a cladirii si a serviciilor, determinata de: orientarea fatadelor cladirii fata de punctele cardinale, regimul de functionare al īncaperilor, gradul de ocupare etc.
Acuratetea comenzii; stabilirea cu discernamānt a parametrilor controlati si a plajei de variatie admisa a acestora.
Prioritatea comenzilor automate de anticipare fata de cele manuale, post-factum.
Integrarea comenzilor si controlului īntr-un sistem unitar computerizat de management si administrare a cladirii.
Telegestiunea si managementul energetic al cladirii. Building Management System (BMS)
Telegestiunea este un sistem tehnologic modern care asigura prin mijloace informatizate si automatizate servicii de control, comanda si gestionare pentru o cladire sau un ansamblu de cladiri, [2].
Telegestiunea realizeaza atāt siguranta īn functionare si optimizarea functiunilor tehnice cāt si asigurarea serviciilor administrative si financiare conexe.
Īn sfera activitatii de telegestiune se cuprind:
teleconducerea, īntelegānd prin aceasta: comanda, reglarea, programarea;
telecontrolul: masurarea, contorizarea, repartitia;
telesupravegherea: semnalizarea, alarmarea.
Principalele categorii de functii ale telegestiunii managementului energetic al unei cladiri sunt:
functii operative, de masurare, achizitie, monitorizare si reglare a parametrilor de stare (temperatura, umiditate, debite de agenti termici etc.), comanda organelor de actionare si semnalizarea si analiza operativa a avariilor;
functii semioperative, de optimizare, autodiagnoza si programare "on-line" a sistemului prin evaluarea rezultatelor si determinarea randamentelor energetice (pe componente si pe ansamblu);
functii neoperative, de documentare, evidenta si arhivare a parametrilor de functionare si a evenimentelor din istoricul cladirii si instalatiilor aferente.
Aplicarea telegestiunii la ansamblul cladirii īn vederea stabilirii unei strategii de functionare proprii, de conducere, control si gestiune care sa raspunda obiectivelor multiple ale exploatarii constructiei si instalatiilor se materializeaza īn conceptul "Building Management System" - BMS.
Subsistemele care pot fi integrate īn cadrul BMS [3] sunt urmatoarele:
microclimat, confort, fluide, energie;
echipamente si utilaje specifice;
sisteme de securitate privind siguranta cladirii, bunurilor si persoanelor;
gestiunea administrativa - control acces, orare de functionare, plati curente.
O "cladire inteligenta" fara un sistem BMS este de neconceput, [5].
Sistemul BMS trebuie:
sa fie modular, astfel īncāt sa raspunda necesitatilor de extindere a serviciilor oferite de cladire utilizatorilor si sa fie usor adaptabila evolutiei tehnologice;
sa utilizeze o "arhitectura deschisa" permitānd integrarea informationala prin utilizarea mai multor protocoale de informatii;
sa prezinte o structura ierarhizata, dar sa adopte o "arhitectura distribuita", īn care volumul de date este repartizat pe unitati locale, acestea asigurānd īn zona lor "geografica" controlul si optimizarea proceselor.
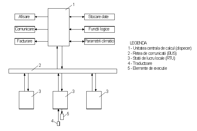
Īn fig.7.1. se prezinta schema de principiu a unui sistem de telegestiune la nivelul cladirii tip BMS, [2], [4].
Particularitatile schemei sunt urmatoarele:
unitatea centrala de calcul, 1, poseda sistemele logice necesare asigurarii tuturor functiilor de conducere a sistemului;
statiile de lucru locale, 3, sunt echipamente electronice inteligente care asigura conducerea proceselor si utilajelor din anumite zone ale sistemului cum ar fi: cazanele de īncalzire si echipamentul centralei termice, centralele de ventilare-climatizare, reteaua de conducte si armaturi, comanda si controlul iluminatului, supraveghere-securitate etc.; statiile de lucru locale au autonomie, dar independenta lor este limitata de "dispecer", sistemul fiind ierarhizat.
7.3. Contorizarea consumului de energie termica
Generalizarea contorizarii energiei termice la consumatori este o conditie obligatorie pentru stabilirea unor relatii corecte si echitabile īntre furnizorul de energie termica si utilizator.
Pe buna dreptate, consumatorul de energie termica spune: "consum cāt vreau si platesc cāt consum". Dar, atāt timp cāt nu sunt montate contoare iar caldura se plateste "la pausal", acest lucru este irealizabil.
Contoarele sunt mijloace de masurare care asigura integrarea, pentru un interval de timp de referinta, a unei marimi fizice masurate, [5].

Figura 7.1. Schema de principiu a sistemului de telegestiune BMS
Contoarele de energie termica, denumite uzual "contoare de caldura" sunt aparate care integreaza puterea termica instantanee masurata.
Contorul de energie termica este constituit dintr-un contor al debitului de agent termic, din doua traductoare de temperatura (uzual termorezistente, una amplasata pe conducta de tur alta pe conducta de retur fata de consumatorul de energie termica) si un bloc de calcul (integrator).
Contorul de debit si cele doua traductoare de temperatura transmit semnalele electrice de iesire, ce sunt proportionale cu marimile masurate, blocului de calcul.
Blocul de calcul are memorat algoritmul de calcul a energiei termice, E, īn functie de valorile marimilor masurate.
Īn fig.7.2. se prezinta schema structurala a unui contor de energie termica la care contorul de debit (debitmetrul) este montat pe conducta de tur.
Pentru contorizarea apei calde menajere este necesar sa se utilizeze tot contoare de energie termica. Īn acest caz, contorul de debit (debitmetrul) montat pe conducta de apa calda stabileste debitul de apa consumat (care se va plati ca apa rece); pe baza acestuia, blocul electronic de calcul va determina energia termica consumata pentru īncalzirea apei, folosind si semnalele transmise de termorezistentele montate, una pe conducta de apa calda, īn amonte de debitmetru si alta pe conducta de apa rece.

Figura 7.2. Schema structurala de montaj a unui contor de energie termica
Referitor la contorizarea energiei termice din instalatiile de īncalzire reglementarile tehnice, [7], [8] prevad urmatoarele:
La centralele termice se contorizeaza, obligatoriu, caldura furnizata separat pe categorii de consumatori (īncalzire, apa calda menajera, apa tehnologica, ventilare); la aceeasi categorie de consumatori contorizarea se va face pe ramurile de distributie de la sursa termica.
La punctele termice se contorizeaza, obligatoriu, energia termica primita de la sursa (agentul primar) si energia termica furnizata separat diferitelor categorii de consumatori (īncalzire, apa calda menajera etc.).
La instalatiile interioare de īncalzire este obligatorie contorizarea la nivel de imobil, pentru cladirile de locuit existente si la nivel de apartament, pentru cladirile nou proiectate; de asemenea, este obligatorie contorizarea separata a consumurilor de caldura aferente spatiilor cu alta destinatie decāt locuirea din cladirile de locuit colective (magazine, birouri etc.).
Este obligatoriu ca echipamentul de contorizare sa fie omologat de catre Biroul Romān de Metrologie Legala (BRML).
7.3.1. Probleme specifice ale contorizarii energiei termice la blocurile de
locuit
Se prezinta īn continuarea unele modalitati de rezolvare pentru introducerea contorizarii energiei termice la blocurile de locuit. Solutiile tehnice adoptate sunt īn conformitate cu prevederile din reglementarile tehnice īn vigoare, 9, 10, [11], [12], [13].
7.3.2. Contorizarea energiei termice la nivel de imobil
Contorizarea energiei termice la nivel de imobil se poate face pentru īntreaga cladire sau pe parti de cladire (de exemplu scara de bloc), daca exista racorduri separate pentru acestea.
Posiblitati de montare a contoarelor:
īn subsolul cladirii;
īn camine exterioare, special amenajate;
īn nise, special amenajate la parterul cladirii, īn spatiul de utilizare comun
a) Montare īn subsol
Trebuie respectate si realizate urmatoarele conditii:
sa se permita accesul usor si īn siguranta la aparatura de masura;
sa se asigure integritatea si securitatea sistemului de masurare;
sa se asigure conditii de microclimat compatibile cu aparatura (temperatura, umiditate, iluminat, ventilare);
sa se respecte la montaj indicatiile producatorului privind lungimile tronsoanelor, amonte-aval si cotele de montaj.
b) Montare īn camine
Aceasta modalitate de montaj se adopta atunci cānd nu este posibila montarea contoarelor īn subsolul blocului.
Caminele se amplaseaza īn vecinatatea blocului, la distanta de 2 ... 5 m, de preferinta īn spatiul verde.
Īn acelasi camin se monteaza contorul de energie termica pentru īncalzire si cel pentru apa calda de consum. Se vor respecta detaliile constructive pentru camin si pentru montajul de instalatii indicate īn "Solutii si detalii de montaj pentru contoare de apa rece, apa calda si energie termica - SC 001-96".
c) Montare īn nisa
Aceasta modalitate de montaj se adopta atunci cānd:
cladirea nu are subsol tehnic;
cladirea are subsol tehnic, dar acestea nu īndeplineste conditiile tehnice necesare pentru montarea aparaturii;
exista spatii la parterul blocului, īn zona de folosinta comuna.
Nisele pentru protejarea contoarelor sunt din tabla, prevazute cu:
usi pentru acces, protejate contra efractiei si a accesului persoanelor autorizate;
suporti pentru sustinerea conductelor;
racord de energie electrica.
Contoarele de energie termica pentru īncalzire si cele pentru apa calda menajera montate īn oricare din solutiile prezentate anterior pot fi "citite" īn urmatoarele modalitati:
direct, prin vizualizare pe ecranul de afisare;
prin colectarea datelor de catre un operator de teren, īn cazul contoarelor prevazute cu priza inductiva;
prin transmiterea datelor, care sunt citite automat, pe o retea de comunicatii MBUS, catre statia dispecer a furnizorului de energie termica.
Avantajul acestei din urma modalitati este ca poate fi integrata īn cadrul unui sistem de telegestiune si monitorizare a parametrilor sistemului de alimentare cu caldura a consumatorilor urbani, [4].
Prin intermediul comunicatiei MBUS, de la contoarele de energie termica pentru īncalzire sunt preluate urmatoarele marimi:
valorile instantanee ale temperaturilor tur-retur;
valorile cumulate ale debitului de agent termic si ale energiei termice;
orele de functionare;
starea senzorilor de temperatura;
starea acumulatoarelor de energie electrica;
codurile de eroare.
7.3.3. Contorizarea energiei termice la nivel de apartament
La cladirile de locuit colective, contorizarea energiei termice pentru īncalzire la nivel de apartament se poate face īn cazul īn care fiecare instalatie de īncalzire din apartamente are racord separat la conductele de alimentare.
Acest lucru se poate realiza prin adoptarea unor scheme de individualizare a īncalzirii colective (vezi cap.6.2.5.), cu ocazia reparatiilor capitale la cladirile existente, prin care sa se prevada coloane principale de distributie pe casa scarii si instalatii de īncalzire cu distributie orizontala īn apartamente.
Contorul de energie termica pentru īncalzire al apartamentului se monteaza īntr-o nisa īn afara apartamentului, pe palier; īn aceeasi nisa se poate monta si contorul pentru apa calda menajera, [10].
Pentru instalatiile de īncalzire existente, la care coloanele de īncalzire tur-retur trec prin apartamente, singura modalitate de a evidentia consumurile de energie termica la nivel de apartament o constituie montarea pe radiatoare a unor aparate denumite "repartitoare pentru consumul de caldura" sau pe scurt "repartitoare".
Īn acest fel, exista posibilitatea de a se defalca consumul de energie termica īnregistrat la contorul de imobil, pe consumurile individuale ale apartamentelor si consumul pentru partile comune.
Pentru ca functionarea repartitoarelor sa fie eficienta este obligatoriu ca radiatoarele sa fie echipate cu robinete cu termostat, cu ajutorul carora utilizatorul sa poata stabili nivelul dorit de īncalzire al īncaperii (temperatura interioara), [11].
Dintre tipurile de repartitoare utilizate se recomanda repartitorul functionānd cu energie electrica ("repartitorul electronic").
Acesta determina aportul de energie al corpului de īncalzire, prin integrare īn timp, stabilind proportionalitatea acestuia cu temperaturile corpului de īncalzire.
Repartitorul se fixeaza direct pe corpul de īncalzire , [12], si se compune din:
corp (carcasa);
senzori de temperatura;
ecran de afisaj; sursa de alimentare electrica (baterii);
sigiliu.
Prin citirea periodica (lunar, de 2 ori pe sezonul de īncalzire, etc.) a indicatiilor repartitoarelor de caldura, īn corelare cu indicatiile contorului de imobil, se pot stabili consumurile de energie termica aferente fiecarui apartament si se pot defalca costurile aferente, din factura de energie termica a imobilului, [13], [14].
Bibliografie
Energy efficiency in buildings. CIBSE Guide, London, 1998
Iosif Sārbu, Francisc Kalmar. Optimizarea energetica a cladirilor. MATRIX ROM, Bucuresti, 2002.
Luminita Dumitrescu, Stefan Cristescu. Gestionarea consumurilor energetice īn cladiri-sisteme de mangement energetic īn cladiri. Conferinta SAVE: Conservarea energiei īn cladiri din Europa de Est. Bucuresti, 1997.
Constantin Ionescu, Sorin Larionescu. Automatizarea instalatiilor - comenzi automate, MATRIX ROM, Bucuresti, 2002.
Paul Pencioiu, Dan Teodoreanu, Nicolae Ionescu. Solutii de management integrat si de crestere a eficientei energetice a cladirilor. Locuinta ICPE Agigea, 2003.
Horia Mihai Motit. Contoare. ARTECNO, Bucuresti, 1997.
I 13-02. Normativ pentru proiectarea si executarea instalatiilor de īncalzire centrala. Buletinul Constructiilor nr.14-15/2003.
NP 058-02. Normativ privind proiectarea si executarea sistemelor centralizate de alimentare cu energie termica. ARTECNO, Colectia normative si reglementari īn constructii - instalatii, nr.15, Bucuresti, 2003.
SC 001-96. Solutii si detalii de montaj pentru contoare de apa rece, apa calda si energie termica. Brosura IPCT, Bucuresti, 1996.
SC 002-98. Solutii cadru de contorizare a consumurilor de apa, gaze naturale si energie termica aferente instalatiilor din blocuri de locuinte. Brosura IPCT, Bucuresti, 1998.
SC 006-01. Solutii cadru pentru reabilitarea si modernizarea instalatiilor de īncalzire din cladiri de locuit. ARTECNO, Colectia normative si reglementari īn constructii - instalatii, nr.22 Bucuresti, 2004.
ST 046-2001. Specificatie tehnica privind montarea si utilizarea repartitoarelor pentru consumurile de caldura ale corpurilor de īncalzire. Buletinul Constructiilor nr.3/2002.
GT 029-2001. Ghid pentru defalcarea consumurilor de caldura pentru īncalzirea si prepararea apei calde de consum la cladiri de locuit colective. Buletinul Constructiilor nr.3/2002.
Florin Iordache, Bogdan Caracaleanu. Repartizarea consumului de caldura si tarifarea īn cadrul cladirilor colective de locuit. Revista Instalatorul nr.4, 5/200.
|