În desenele complexe, pot exista grupuri de obiecte care se repeta fie la aceeasi scara si în aceeasi pozitie, fie la scari diferite, sau în pozitii translatate, ori rotite. Crearea repetitiva a acestor grupuri de obiecte este incomoda, chiar si prin comenzile de editare de tipul COPY, MIRROR, ARRAY, ROTATE, SCALE, etc.
Pentru a facilita manipularea unitara a unui grup de obiecte, AutoCAD permite definirea blocurilor. Un bloc este un obiect complex care include o colectie de alte obiecte din desen, simple sau complexe, formând împreuna un singur obiect. Utilizarea blocurilor este comoda si mareste viteza de desenare.
AutoCAD cunoaste doua tipuri de blocuri: cele definite optional de utilizator ("User defined blocks"), recognoscibile dupa nume, si cele anonime ("Unnamed blocks"), create de program la cotare, hasurare, folosire 242f58c a unor imagini PostScript.
Comenzile BLOCK,
si BMAKE definesc blocuri-utilizator. Comenzile sunt
accesibile prin tastare, sau din meniul pull-down "Draw",
linia "Block", optiunea "Make.". Pe bara de
unelte "Draw" sunt reprezentate prin butonul
.
Ca raspuns la aceste comenzi, programul deschide o caseta de dialog,
intitulata "Block Definition" (fig. 9.1), care
solicita numele acordat blocului, un punct de referinta al
acestuia, în raport cu care va fi ulterior manipulat, si apoi obiectele
incluse în bloc (fig. 9.2 a,b). Componentele blocului pot sa
dispara ca obiecte de sine statatoare din desen, sau nu. Blocul
astfel definit se salveaza odata cu desenul si se
regaseste oricând în lista de blocuri-utilizator din desen.
Rubrica "Name" a casetei de definire a blocurilor permite înscrierea numelui atribuit blocului. Lista derulanta a rubricii reda denumirile tuturor blocurilor definite anterior. Numele unui bloc poate sa contina max. 255 de caractere. Pot fi utilizate spatii. Numele nu trebuie sa coincida cu un cuvânt rezervat al AutoCAD.

Figura 9.1 Caseta de dialog "Block Definition"

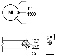
Figura 9.2 Exemple de blocuri-utilizator: a) sectiune într-un
inel O; b) simbol pentru un motor asincron trifazat
Grupul de optiuni "Base point" este destinat specificarii punctului de referinta al blocului, fie prin înscrierea coordonatelor în caseta, fie prin indicarea grafica a acestuia, dupa apasarea butonului Pick point.
Grupul de optiuni "Objects" este destinat alegerii din desen a obiectelor ce urmeaza sa compuna blocul. Obiectele originale indicate la crearea blocului pot fi pastrate în desen ca atare, prin optiunea Retain, pot fi convertite într-o instantiere (inserare) a blocului respectiv, prin optiunea Convert to block, sau pot fi eliminate din desen dupa crearea blocului, prin optiunea Delete.
Grupul de optiuni "Preview
icon" permite generarea unei imagini de tip icon pentru blocul definit,
care poate fi utila în aplicatia interna "
Rubrica "Insert units" stabileste unitatile liniare la care este considerat blocul de catre aplicatia "AutoCAD Design Center".
Rubrica "Description" permite mentionarea unei scurte descrieri în cuvinte a blocului, astfel ca un viitor utilizator sa îi perceapa rapid destinatia. Nu este obligatorie descrierea blocului, dar este recomandata.
Un bloc creat de utilizator poate sa includa alte astfel de blocuri, cu conditia de a nu se autoinclude (de exemplu, la o redefinire a blocului "b", acesta sa nu contina chiar o inserare a sa).
Pentu a modifica definitia unui bloc-utilizator, din caseta "Block Definition" se deschide lista numelor de blocuri existente în desen si se reformuleaza optiunile. În final, AutoCAD avertizeaza asupra existentei unei definitii anterioare a blocului în cauza.
Un bloc-utilizator poate fi salvat si ca desen independent, deci ca fisier "*.dwg", cu ajutorul comenzii WBLOCK. Cerintele acestei comenzi sunt în majoritatea lor asemanatoare cu ale comenzii BLOCK.
Pentru a fi efectiv utilizat într-un
desen AutoCAD, un bloc definit de utilizator trebuie sa fie inserat, prin
comanda INSERT (butonul
de pe bara de unelte "Draw" sau
meniul pull-down "Insert", linia Block). Comanda deschide o
caseta de dialog, prin care solicita numele blocului, pentru a-l
identifica, pozitia punctului de referinta, factorii de scalare
pe fiecare directie (X, Y si, dupa caz si pe Z),
rotatia fata de pozitia de baza, în care a fost creat,
precum si optiunea privind explodarea blocului la inserare. În
fig. 9.3 sunt prezentate exemple de inserare a blocurilor anterior
definite.
Punctul de inserare al blocului poate fi oricare punct în spatiul desenului. Factorii de scalare pot fi diferiti pe fiecare din cele trei directii. În acest caz, blocul va apare deformat fata de aspectul sau la definire. Un factor de scalare subunitar micsoreaza blocul pe directia respectiva, în timp ce unul supraunitar îl mareste. O valoare negativa a factorului de scalare înseamna o inserare "în oglinda" a blocului, fata de pozitia sa de baza.
Comanda INSERT insereaza si desene independente, adica fisiere "*.dwg", ca blocuri în desenul curent. Informatiile necesare sunt similare cu cele de la inserarea blocurilor. Desenele inserate nu dispar ca fisiere independente din directorul lor.
Comanda INSERT nu poate insera blocuri anonime, de tip hasuri, cote, etc.

Figura 9.3 Exemple de inserare a blocurilor-utilizator în
desene
Pentru a insera multiplu un bloc-utilizator, sub forma unei retele dreptunghiulare de m linii si n coloane, AutoCAD include comanda MINSERT. Rezultatul comenzii MINSERT est un bloc unic. Informatiile necesare sunt cele de la o inserare obisnuita, în plus fiind necesare cele specifice modului de constituire a retelei.
Inserarile blocurilor-utilizator pot fi explodate în componentele lor, prin comanda EXPLODE. Definitia blocului nu dispare, chiar daca nu mai exista nici o inserare (instantiere) a acestuia în desen. Inserarile create prin comanda MINSERT nu pot fi explodate.
Orice modificare a definitiei unui bloc-utilizator în desen, duce automat la actualizarea tututor instantierilor blocului respectiv.
Folosirea blocurilor în desen constituie un pas spre sistematizarea si organizarea desenului. Blocurile pot reprezenta simboluri standardizate, cu aparitie frecventa, repere standardizate sau cu aparitie repetitiva. Utilizatorul îsi poate crea singur biblioteci de blocuri sau poate cumpara astfel de bibilioteci de la firmele producatoare.
Atributul este o caracteristica în desen. Forma de prezentare este identica cu a unui text "single line". În plus, fata de un text, atributul este purtator de informatie prelucrabila atât în interiorul desenului sau al mediului AutoCAD, cât si în afara, în baze de date, tabele, etc. Utilitatea atributului este evidenta mai ales când el este inclus într-un bloc-utilizator. În acest caz, atributul va descrie o caracteristica a blocului respectiv. În fig. 9.4 a, b sunt reluate blocurile definite anterior, fiind completate cu atribute. Atributele vor fi purtatoare de informatii utile privind caracteristicile pe care le reprezinta pentru fiecare instantiere a blocului respectiv în desen.


a) b)
Figura 9.4 Blocuri care includ atribute
Atributele
se definesc prin comanda ATTDEF (meniul pull-down "Draw",
linia Block, optiunea Define Attributes.).
Comanda deschide caseta de dialog "Attribute Definition", din
fig. 9.5, care solicita optiunile de inserare a atributului:
vizibilitate,
Dupa definirea unui atribut, acesta poate fi inclus într-un bloc. La orice inserare a blocului respectiv în desen, AutoCAD cere prin prompter-ul atasat, informatii privind valoarea concreta a atributului. Aceasta valoare va înlocui denumirea atributului în respectiva instantiere a blocului (fig. 9.6).

Figura 9.6 Exemple de inserari ale unor blocuri ce contin
atribute
Pentru a conferi un aspect aerisit desenului, atributele pot fi declarate nevizibile. Modificarea ulterioara a vizibilitatii atributelor este posibila cu ajutorul comenzii ATTDISP (meniul pull-down "View", linia Display
Comanda ATTEDIT modifica atributele incluse în instantierile blocurilor-utilizator. Pot fi modificate atât continutul cât si modul de scriere al unuia sau a mai multor atribute. Editarea se poate realiza individual, pe fiecare atribut selectat, sau global, pe un set de atribute selectate.
Editarea valorii atributelor incluse în blocuri nu modifica în nici un fel definitia acestora si nici definitia blocurilor respective.
Extragerea valorii atributelor dintr-un desen într-un fisier separat necesita în prealabil crearea unui fisier-sablon ("Template file") dupa care sa fie dispuse tabelar atributele extrase. Pentru a efectua extragerea, se aplica comanda. Pot fi extrase toate atributele sau numai unele din acestea.
Extragerea valorii atributelor dintr-un desen AutoCAD nu altereaza desenul respectiv.
O referinta externa reprezinta o legatura ("link") a unui desen independent, diferit de cel curent, la desenul curent. Desenul curent devine "gazda" pentru cel referit.
Avantajele folosirii referintelor externe sunt:
actualizarea automata a desenului curent la orice modificare a desenului referit, si, ca urmare, certitudinea unei versiuni actuale a desenului curent,
obtinerea unei dimensiuni mai reduse a desenului-gazda, prin neincluderea informatiilor din desenul referit,
crearea unui desen complex, prin asamblarea mai multor desene independente.
Un dezavantaj al referintelor externe îl constituie necesitatea pastrarii desenelor referite exact în acelasi director, subdirector, pe aceeasi cale definita la stabilirea referintei. În cazul unei modificari a caii pentru fisierul referit, modificarea trebuie operata în desenul-gazda.
Un desen extern referit într-un desen-gazda se comporta ca si un bloc-utilizator, deci ca un obiect unic. Referintele externe nu pot fi explodate prin comanda EXPLODE.
Pentru a crea o referinta externa în desenul curent, este disponbila comanda XATTACH. Aceasta deschide caseta de dialog din fig. 9.7. Este necesara o mare atentie în a nu crea referinte externe ciclice, de tipul "desenul A desenul B . desenul A"!

Figura 9.7 Caseta "External Reference", pentru crearea referintelor externe în desen
O referinta externa poate fi legata la desenul curent prin modul de referire "Attachment" sau prin modul "Overlay". Al doilea nu permite referiri încapsulate de tip "desenul curent include desenul A, care include un alt desen". În mod "Overlay", posibilele referinte incluse într-un alt desen referit sunt ignorate.
Pentru a controla referintele externe, se poate apela comanda XREF, care deschide caseta "Xref Manager" (fig. 9.8). Caseta este accesibila si din meniul pull-down "Insert", linia Xref Manager. Caseta vizualizeaza referintelor încapsulate (în mai multe trepte) sub forma arborescenta.
Optiunea "Bind" a comenzii XREF transforma o referinta externa într-un bloc propriu al desenului-gazda, fara a distruge referinta externa originala. În acest caz, elementele astfel referite nu vor mai fi actualizate odata cu actualizarea desenului din care provin.
AutoCAD 2000 dispune de comanda XBIND care opereaza prin intermediul unei sugestive casete de dialog asupra referintelor externe deja definite, spre a le aplica optiunea Bind. Comanda XBIND poate fi lansata si din meniul pull-down "Modify", linia Object, optiunea "External reference.".

Figura 9.8 Caseta "Xref Manager"
Un desen extern referit într-un desen-gazda poate fi vizualizat integral sau partial. Pentru o vizualizare partiala, se utilizeaza comanda XCLIP. Zona dorita poate fi una dreptunghiulara, sau de o alta forma, delimitata de o polilinie închisa, având forma poligonala, anterior creata sau trasata în momentul respectiv. Informatia nevizibila dintr-o referinta externa careia i s-a aplicat un xclipping nu se pierde. De altfel, zona de xclipping poate fi oricând modificata.
Comanda XCLIP este disponibila si în meniul pull-down "Modify", linia Clip, optiunea Xref.
La crearea referintelor externe, sunt preluate layer-ele si blocurile-utilizator din desenul referit.
În fig. 9.9 este ilustrat un exemplu de desen-gaza cu referinte externe din biblioteca de mostre AutoCAD 2000.
AutoCAD 2000 introduce ca noutate absoluta editarea din interiorul desenului-gazda a referintelor externe sau a blocurilor-utilizator definite în desenele cu rol de referinte externe pentru desenul-gazda. Comanda aferenta este REFEDIT, care poate fi lansata si din meniul pull-down "Modify", linia In-place Xref and Block Edit. Editarile de acest tip trebuie efectuate cu atentie, pentru ca afecteaza esential desenul extern celui curent.

Figura 9.9 a Continutul casetei "Xref Manager" pentru desenul "City map.dwg"

Figura 9.9 b Desenul-gazda "City map.dwg", cu referintele externe din fig. 9.9 a


Figura 9.9 c Cele doua desene "City base map.dwg" si "City sky map.dwg" incluse ca referinte externe în desenul-gazda "City map.dwg"
|