Documente online.
Zona de administrare documente. Fisierele tale
Am uitat parola x Creaza cont nou
 HomeExploreaza
upload
Upload




APLICATII CU TEMPORIZATORUL INTEGRAT bE555

tehnica mecanica



APLICAȚII CU TEMPORIZATORUL INTEGRAT bE555




15.1 Scopul lucrării

Studiul funcționării circuitului temporizator integrat bE555 și a unor aplicații tipice (circuit basculant monostabil - cu durata de temporizare ajustabilă, circuit basculant astabil - generator de de semnal rectangular cu perioada și umplerea ajustabilă, circuit basculant bistabil).


15.2. Considerații generale.

Circuitul integrat bE555

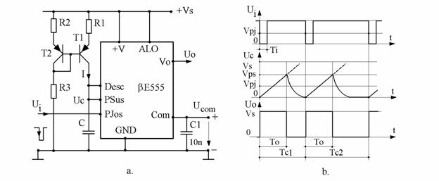
Circuitul integrat bE555,prezentat în fig.15.1 (schema bloc funcțională și conexiunile la capsulă), este un circuit integrat monolitic bipolar, care utilizează pentru temporizări încărcarea și descărcarea controlată a unui condensator exterior. Datorită modului de control al tensiunilor din circuitul extern de temporizare și a calității comparatoarelor, se asigură o foarte bună stabilitate în timp, și la variația temperaturii și tensiunii de alimentare.

Fig.15.1.

Ieșirea a circuitului basculant bistabil de tip RS (CBB-RS) comandă etajul final inversor (EF) și tranzistorul de descărcare al condensatorului din circuitul exterior T1 (npn - inversor). Etajul final asigură un curent de ieșire de maxim 200 mA.

CBB-RS este comandat de ieșirile comparatoarelor C1 și C2. Comparatorul C1 compară tensiunea de la intrarea PSus cu un potențial de 0,66.VS și aplică "1" la R, resetând CBB, dacă UPSus depășește valoarea 0,66.VS, respectiv C2 compară tensiunea aplicată la intrarea PJos cu un potențial de 0,33.VS și aplică "1" la S, setând CBB, dacă UPJos este mai mică decât valoarea 0,33.VS. CBB-RS poate fi resetat și de intrarea r suplimentară, dacă potențialul de la intrarea AL0 ("aducere la zero") este mai mică decât +0,4V, tranzistorul T2 (pnp) fiind saturat.

Nivelele de potențial de +0,33.VS și +0,66.VS pentru comparatoare se obțin prin divizarea tensiunii de alimentare aplicată la pinul +V față de masă (GND), cu divizorul rezistiv format din 3 rezistențe integrate de 5 kW. Aceste nivele pot fi modificate prin pinul de comandă (COM).

Alimentarea se poate face cu tensiune de la +4,5 V la +18 V, pentru +5 V se obțin nivele de tensiune a semnalelor compatibile cu familia TTL.


15.2.2. Circuite basculante monostabile cu bE555

Circuitele basculante monostabile (CBM) se caracterizează prin faptul că au două stări din care una stabilă și una instabilă, în care comută la aplicarea unui impuls de comandă și rămâne un timp limitat.

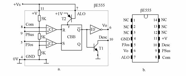
este prezentată în fig.15.2.a., condensatorul C este menținut descărcat (foarte aproape de nivelul de 0V ) de tranzistorul de descărcare T1. Dacă se aplică la intrarea de comandă PJos un impuls Ui de nivel logic 0, Ui < +0,33.VS , CBB-RS este setat (Q =1, Uo VS), T1 se blochează, iar condensatorul se încarcă prin R de la +VS. După timpul To, când UC ³ 0,66.VS , CBB-RS se resetează (Q = 0, Uo 0V), T1 este comandat la saturație și va descărca rapid condensatorul. Diagrama de variație a tensiunilor este prezentată în fig.15.2.b.

Fig.15.2.

Durata stării cvasistabile, To = 1,1.RC, reprezintă timpul necesar încărcării condensatorului C de la 0V la +0,66.VS. Limita maximă a valorii pentru rezistența R este determinată de curentul de fugă al condensatorului C și de curentul minim de comandă a comparatorului C1, iar valoarea minimă de timpul de comutare al comparatoarelor și de curentul maxim admisibil al tranzistorului de descărcare T1. Se recomandă 1kW (pentru To = 2 msec, C = 50 pF) £ R£ 10 MW (pentru To = 24 sec, C = 2,2 mF).

Pentru a evita modularea parazită a duratei impulsului , este necesară decuplarea intrării COM cu un condensator.

Dacă Ti (durata imopulsului de comandă) depășește durata To, atunci ieșirea va urmării nivelul impulsului de comandă. Se poate astfel realiza un circuit de generare a unor impulsuri cu o durată limitată inferior.

La conectarea integratului bE555 într-un circuit cu integrate TTL, pentru asigurarea fronturilor de comutație, este indicată utilizarea de porți TTL (ex. ȘI NU) la intrare și la ieșire. Se obține un CBM mai stabil (mai precis) decât circuitul integrat CDB 4121.



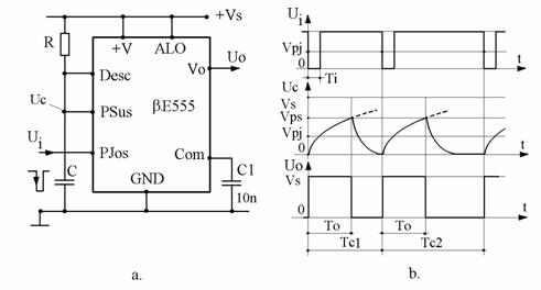
CBM cu impuls modulat în durată este prezentat în fig.15.3.a. Prin aplicarea unei tensiuni de modulare la pinul COM, nivelul pragurilor PSus și PJos sunt determinate de divizorul alimentat cu UCOM:

UPSus = UCOM, iar UPJos = 0,5 .UCOM. Prin încărcarea condensatorului cu un curent constant I, furnizat de generatorul de curent constant compensat termic ("oglinda de curent"), variația tensiunii UC este liniară în timp și va asigura o precizie mai mare modulării duratei To, To = UCOM.C / I.

Fig.15.3.

Durata impulsului generat poate fi modulată și prin modularea curenului generatorului cu o tensiune de modulare aplicată în baza tranzistorului T1 față de masă.

Vloarea curentului I generat poate fi modificat prin rezistențele divizorului R2 - R3, respectiv prin R1.

CBM fără consum în pauza dintre temporizări este prezentat în fig 15.4. În starea inițială, după

alimentarea circuitului, tranzistoarele T1 și T2 sunt blocate, UC = 0V. Prin apăsarea butonului B(ND) - normal deschis - bE555 este alimentat, UC fiind mai mic decât 0,33.VS , Uo = VS. T1 și T2 intră în conducție la saturație, T2 menține sub tensiune circuitul integrat. Când UC = 0,66.VS , Uo = 0V, T1 și T2 se blochează și dacă B nu este apăsat, circuitul este scos de sub tensiune până la o nouă comandă de declanșare.

Dacă impulsurile de comandă Ui se succed la intervale mai mici decât To, tranzistorul T (tip pnp) va descărca (deci va inițializa tensiunea condensatorului, deci Uo = VS. Dacă lipsește un impuls, condensatorul se încarcă până la nivelul pragului de sus (+0,66.VS ),deci Uo = 0V, semnalând acest fapt. Schema este prezentată în fig.15.5.a.


Fig.15.4.

( fig.15.5.b) Tranzistorul T (npn) este menținut saturat de nivelul "1" al tensiunii Ui, deci condensatorul este descărcat, iar Uo = VS . Dacă Ui = "0", T se blochează, condensatorul începe să se încarce, Uo = VS se menține la ieșire. Când UC = 0,66.VS ciercuitul basculează , Uo = 0V. Ieșirea va reveni la Uo = VS și C se va descărca numai când Ui = "1". Este necesar ca Ti > To = 1,1.RC.

Fig.15.5.


15.2.3. Circuite basculante astabile cu bE555

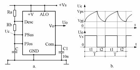
Integratul bE555 permite realizarea de oscilatoare astabile (circuite basculante astabile - CBA), principial structura este prezentată în fig.15.6.a, cele două intrări de comparație PSus și PJos sunt

conectate împreună la bornele condensatorului. C se încarcă de la +VS prin Ra și Rb, tranzistorul de descărcare fiind blocat și Uo = VS. La atingerea pragului de sus (0,66.VS), schema basculează, tran- zistorul se saturează, C se descarcă prin Rb, iar Uo = 0V. La atingerea pra- gului de jos (+0,33.VS), schema basculează din nou, reluându-se ciclul.

Fig.15.6.

Tensiunea pe condensator variază în limitele determinate de pragul de sus și de pragul de jos.

- durata încărcării: t1 = (Ra + Rb)C.ln2;

- durata descărcării: t2 = Rb.C.ln2;

- perioada de oscilație: T = t1 + t2 = (Ra + 2.Rb)C.ln2;

- factorul de umplere: F = t1/T = (Ra + Rb) / (Ra + 2Rb); F

După cum se observă, factorul de umplere este limitat și apare o nesimetrie care este înlăturată de schema de CBA cu factor de umplere F = 0,5 (t1 = t2) din fig.15.7. Circuitul de încărcare al condensatorului C este realizat de la ieșirea Uo a circuitului.

t1 = t2 = RC.ln2 0,693.RC



T = t1 + t2 = 2.RC.ln2 1,386.RC

Ajustarea factorului de umplere sau a perioadei de oscilație se poate realiza prin modificarea continuă a rezistențelor Ra și Rb, iar condensatorul în trepte.

Fig.15.7.

CBA cu factor de umplere și perioadă ajustebilă se prezintă în fig.15.8. Diodele prin caracteristicile lor de conducție dependentă de polaritate, permit separarea circuitului de încărcare (Ra -D1) de cel de descărcare (Rb - D2).

Fig.15.8.

Montajul din fig.15.8.a permite ajustarea factorului de umplere într-un domeniu F [0,1; 0,9] fără a modifica semnificativ perioada T (variația perioadei T este mai mică de 1%).

t1 = Ra.C.ln2; t2 = Rb.C.ln2; T = (Ra + Rb).C.ln2 = const.;

Se observă că Ra + Rb = R1 + R2 + R3 = const., dacă se neglijează rezistența dinamică a diodelor în conducție.

In fig.15.8.b se prezintă schema unui CBA cu ajustarea independentă a lui t1 și t2, perioada T = t1 + t2.

Este necesară limitarea valorilor minime pentru rezistențele circuitelor de încărcare Ra ³ 1kW, respectiv de descărcare Rb ³ 3kW


Circuite basculante bistabile cu bE555

Circuitul integrat bE555 fiind prevăzut cu un CBB-RS comandat de tensiunile aplicate la PSus și PJos, prin comparatoare, poate fi utilizat ca și CBB . În fig.15.9 se prezintă o aplicație de CBB comandat manual prin senzorii S0 și S1. Rezistența epidermei fiind mult mai mică decât R1 sau R2 de 10MW, potențialele aplicate la PSus și PJos vor determina bascularea CBB-RS și implicit ieșirea Uo.

Fig.15.9.


15.3. Partea practică

Se vor identifica elementele plăcilor experimentale, punctele de măsură și se pune în funcțiune osciloscopul catodic.

Se dimensionează elementele montajelor

Se verifică funcționarea experimentală, vizualizând variația tensiunilor (de comandă, de pe condensator, de la ieșirea circuitului) și se vor reprezenta grafic.

Se comandă circuitele CBM cu semnale de la standul cu microcontrolere.

    Se verifică modul de realizare a ajustării continue a duratelor.

15.3.1. Studiul funcționării circuitelor CBM realizate cu bE555, din figurile 15.2.a, 15.3.a, 15.4, 15.5.a și b.

15.3.1. Studiul funcționării circuitelor CBA realizate cu bE555, din fig. 15.6.a, 15.7, 15.8.a și b.

15.3.1. Studiul funcționării circuitelor CBB realizate cu bE555, din fig.15.9.






Document Info


Accesari: 31371
Apreciat: hand-up

Comenteaza documentul:

Nu esti inregistrat
Trebuie sa fii utilizator inregistrat pentru a putea comenta


Creaza cont nou

A fost util?

Daca documentul a fost util si crezi ca merita
sa adaugi un link catre el la tine in site


in pagina web a site-ului tau.




eCoduri.com - coduri postale, contabile, CAEN sau bancare

Politica de confidentialitate | Termenii si conditii de utilizare




Copyright © Contact (SCRIGROUP Int. 2025 )