ARZATOARE GAZ PROGRESIVE
C 28 646j94g 5, C 330, C 38 646j94g 0, C 430 GX 507 / 8 646j94g
Arzatoarele pe combustibil gazos C 28 646j94g 5 - C 430 GX 507 / 8 646j94g sunt aparate monobloc cu aer insuflat, proportionale (sisteme AGP - Air Gas Proportionnel si IME - Injection Multi Etages), cu emisii poluante reduse (NOx - scazut).
Ele utilizeaza toate tipurile de gaz mentionate in tabelul de mai jos, sub rezerva unui reglaj apropiat de valorile indicate in functie de presiunile disponibile tinand seama de variatiile puterii calorifice (Hi) a acestor tipuri de gaz.
Ele functioneaza in doua trepte progresiv sau optional modulant (progresiv continuu) prin asociere cu un regulator de putere PI sau PID.
Se adapteaza pe cazane conform standardului EN 303.1.
|
Tip gaz |
Grupa |
Presiune distributie |
Hi la 0 0C si 1013 mbar [kWh/m3] |
Tip gaz | ||||
|
Pn [mbar] |
Pmin [mbar] |
Pmax [mbar] |
||||||
|
min |
max |
|||||||
|
Gaz natural |
2H |
|
8 646j94g 0 |
48 646j94g |
|
|
G20 |
|
|
Gaz natural |
2L |
|
|
|
8 646j94g ,5 |
|
G25 |
|
|
Propan comercial |
3P |
148 646j94g |
|
18 646j94g 0 |
|
|
G31 |
|
Curbele de putere
![]()
![]()
|
Putere [kW] |
C 28 646j94g 5 GX 507 / 8 646j94g |
|||
|
min |
20 / 40 mbar max |
mbar max |
148 646j94g mbar max |
|
|
Arzator [kW] |
1100...18 646j94g 00 |
|
28 646j94g 50 |
28 646j94g 50 |
|
Putere minima [kW] |
|
|
|
|
|
Generator [kW] |
|
|
|
|
|
Debit nominal real de gaz la 15 0C si 1013 mbar Gaz natural grup H [m3/h] Hi=9,45 kWh/ m3 Gaz natural grup L [m3/h] Hi=8 646j94g ,13 kWh/ m3 Propan P [m3/h] Hi=24,44 kWh/ m3 Masa volumica kg/m3=1,98 646j94g |
|
18 646j94g 5...265 215...308 646j94g |
|
|
|
Putere [kW] |
C 330 GX 507 / 8 646j94g |
||||
|
min |
G20 p40 mbar max |
G20 p150 mbar max |
mbar max |
148 646j94g mbar max |
|
|
Arzator [kW] |
|
|
|
|
|
|
Putere minima [kW] |
|
|
|
|
|
|
Generator [kW] |
|
28 646j94g 10 |
28 646j94g 50 |
|
|
|
Debit nominal real de gaz la 15 0C si 1013 mbar Gaz natural grup H [m3/h] Hi=9,45 kWh/ m3 Gaz natural grup L [m3/h] Hi=8 646j94g ,13 kWh/ m3 Propan P [m3/h] Hi=24,44 kWh/ m3 Masa volumica kg/m3=1,98 646j94g |
258 646j94g 8 646j94g 6 |
|
328 646j94g |
38 646j94g 1...392 |
|
|
Putere [kW] |
C 38 646j94g 0 GX 507 / 8 646j94g |
|||
|
min |
mbar max |
mbar max |
148 646j94g mbar max |
|
|
Arzator [kW] |
|
38 646j94g 00 |
|
|
|
Putere minima [kW] |
|
|
|
|
|
Generator [kW] |
|
|
368 646j94g 0 |
368 646j94g 0 |
|
Debit nominal real de gaz la 15 0C si 1013 mbar Gaz natural grup H [m3/h] Hi=9,45 kWh/ m3 Gaz natural grup L [m3/h] Hi=8 646j94g ,13 kWh/ m3 Propan P [m3/h] Hi=24,44 kWh/ m3 Masa volumica kg/m3=1,98 646j94g |
98 646j94g |
|
|
|
|
Putere [kW] |
C 430 GX 507 / 8 646j94g |
|||
|
min |
mbar max |
mbar max |
148 646j94g mbar max |
|
|
Arzator [kW] |
|
|
|
|
|
Putere minima [kW] |
|
|
|
|
|
Generator [kW] |
|
|
|
|
|
Debit nominal real de gaz la 15 0C si 1013 mbar Gaz natural grup H [m3/h] Hi=9,45 kWh/ m3 Gaz natural grup L [m3/h] Hi=8 646j94g ,13 kWh/ m3 Propan P [m3/h] Hi=24,44 kWh/ m3 Masa volumica kg/m3=1,98 646j94g |
98 646j94g |
|
48 646j94g 7 |
18 646j94g 8 646j94g |
Structura rampa gaz
Legenda:
Tip arzator
Tip gaz
Presiune gaz [mbar]
Putere maxima [kW]
Vana gaz MB VEF.
Vana gaz VGD.
Diametru flansa racordare Rp
Controlor etanseitate VPS...
Filtru integrat FI
Filtru exterior Rp
Filtru pachet FP
Presostat gaz GW.


Legenda:
B - Flansa de racordare rampa de gaz,
C - Surub de blocare linie alimentare cu gaz,
E-F-D - Bolturi, mobil si fix si surub de siguranta,
F6 - Presostat aer,
M1 - Motor de ventilatie,
T2 - Transformator de aprindere,
Y10 - Servomotor,
- Cap de combustie,
- Flansa de fixare,
- Placa indicatoare pentru pozitia capului de combustie,
8 646j94g - Carter (corpul arzatorului),
- Placuta indicatoare caracteristici arzator,
- Panou electric cu Tablou de Comanda inclus TC,
- Priza de presiune aer pentru ventilarea ferestrei de vizitare a cazanului,
- Priza presiune focar pF,
- Priza presiune aer pL,
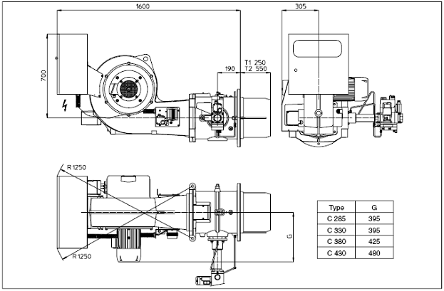
Dimensiuni de gabarit, spatiu necesar



Se va respecta distanta minima de 1,2 m de fiecare parte a arzatorului pentru a permite efectuarea operatiilor de intretinere.
Ventilatie cazan
Volumul de aer proaspat necesar este de 1,2 m³ / kWh produs de arzator.
Rampa de gaz
Se monteaza numai in pozitie orizontala in partea dreapta sau in partea stanga.
|