ALTE DOCUMENTE
|
||||||||||
Bistabilul SR-MS ( Set Reset in varianta master SC )
Acest tip de bistabil nu elimina
nedeterminarea pentru
ca si in cazul
bistabilului JK-MS.
- avantajul este faptul ca acest bistabil isi comuta iesirile pe frontul scazator al impulsului de tact.
la aplicarea CK primul bistabil functioneaza dupa tabelul ce corespunde unui bistabil SR secvential.
iesirile lui
se pozitioneaza dupa
valorile din tabel.
informatia inmagazinata la inceputul CK si pe durata lui
nu e transmisa bistabilului S deoarece
este pe intervalul
si bistabilul al
II-lea S este zavorat.
|
Reprezentarea simbolica: |
Alte tipuri de bistabile:
O larga utilizare o au bist D (Delay) si T (Toggle).
Aceste bistabile utilizeaza tot unul dintre tipurile de bistabile de baza vazute mai inainte. Numai ca bistabilele D si T sunt fortate sa functioneze doar intr-o zona limitata a tabelelor de functionare ce corespunde bistabilelor SR respectiv JK.
D - Delay - se pot realiza folosind bistabile SR sau bistabile JK de orice tip, ele functioneaza doar in zona tabelului de funct S=/R, respectiv J=/K
T - Toggle - isi comuta iesirile la fiecare impuls aplicat, el functioneaza in zona J=K=1. Se pot realiza folosind bistabile JK-MS sau bistabile D transformate in bistabile T.
Bistabile D
Clasificare:
- bistabile D-latch
- bistabile D comutate pe frontul scazator al impulsului de tact.
- bistabile D comutate pe frontul crescator al impulsului de tact.
Bistabilul D - latch este asemanator cu SR-latch care este utilizat pentru memorarea unui bit de informatie. Ca si in toate bistabilele D acest bistabil realizat cu SR functioneaza cu restrictia ca S trebuie sa fie intodeauna complementul lui R sau invers.
![]()
Schema de principiu:
CK este inlocuita cu C (intrarea de comanda).
Reprezentarea obisnuita:

Functionarea decurge aplicand intrarii C un semnal LC (Latch Enabel)
Tabelul de functionare:
|
LE |
D |
Q |
|
|
|
|
|
|
|
|
|
|
|
|
|
|
|
|
LE este pe "1" à iesirea copiaza valoarea logica a lui D;
LE este pe "0" à iesirea este valoarea anterioara (atunci cand LE era pe "1").
LE=1
Q=D
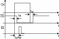
Reprezentarea variatiei in timp a marimilor D,LE si Q:
Registre de memorare cu D-Latch
Bistabilul D-Latch poate sa memoreze un bit de informatie, (n bistabile pot fi utilizate pentru memorarea unui cuvant cu n biti) intr-un moment determinat prin aplicarea unui impuls scurt STROBE la intrarile LE ale bistabilelor.
Magistrala de date pe n biti:

Cu ajutorul celulelor de memorie se urmareste ca in momentul in care LE devine 1, sa memoram starea magistralei din acele momente.
Bistabilul D comutat pe frontul scazator al impulsului de tact
Se poate realiza:
folosind un bistabil D realizat cu un SR-MS, cu un JK-MS

folosind un bistabil D-latch
Bistabile D comutate pe front crescator
Varianta 1
Este realizat dintr-un D-latch la care se adauga un circuit logic suplimentar.
Bistabilul D-latch este validat pe o durata scurta plasata in apropierea frontului crescator al lui CK.
Se recomanda, ca exercitiu, reprezentarea cronogramelor pentru acest caz.
|