Documente online.
Zona de administrare documente. Fisierele tale
Am uitat parola x Creaza cont nou
 HomeExploreaza
upload
Upload




CAMPUL MAGNETOSTATIC AL MAGNETILOR PERMANENTI

tehnica mecanica


CÂMPUL MAGNETOSTATIC AL MAGNETILOR PERMANENŢI

11.1. Relatiile fundamentale ale magnetostaticii

Magnetostatica este ramura Electromagnetismului în care se studiaza starile magnetice stationare fara curenti electrici de conductie. În acest regim câmpul magnetic este numit câmp magnetostatic si este produs de magneti permanenti.



Relatiile fundamentale ale magnetostaticii se deduc din legile generale si de material ale electromagnetismului, punând si considerând numai legile în care intervin marimi magnetice. La prezentarea acestor relatii se va face o comparatie cu relatiile corespunzatoare din electrostatica, pentru a stabili o analogie între cele doua grupe de fenomene.

Legea fluxului magnetic ramâne neschimbata


În electrostatica, legea fluxului electric are o forma diferita


Analogia exista numai în medii neîncarcate (rv

Teorema potentialului magnetostatic este o consecinta a teoremei lui Amp re pentru


Rezulta ca se poate defini un potential magnetostatic Vm, astfel încât


Analogia cu câmpul electrostatic este completa:


respectiv


Legea legaturii dintre ramâne în aceeasi forma


ca si legea magnetizatiei temporare în materiale liniare sau neliniare


Observatie. In aplicatii, materialele feromagnetice nesaturate se considera, adesea, cu m , iar materialele magnetice dure (magnetii permanenti) se reprezinta, adesea, cu o caracteristica liniarizata în jurul unui punct de functionare, sub forma


în care µre este o permeabilitate relativa echivalenta ("reversibila"), iar - o magnetizatie permanenta echivalenta.

În electrostatica au existat relatii analoge


Câmpul de vectori satisface urmatoarele relatii


în care este densitatea curentului fictiv amperian echivalent starii de magnetizatie a corpului. Deci inductia magnetica este un câmp de vectori solenoidal.

Câmpul de vectori se studiaza cu ecuatiile


Intensitatea câmpului magnetostatic este un câmp de vectori potential, cu surse, având proprietati analoge câmpului electro­static. Din prima relatie (11.1-12) rezulta ca analogul densitatii de sarcina din electrostatica este marimea


numita densitate de volum a sarcinii de magnetizatie. Sarcina de magnetizatie este


Din relatiile precedente rezulta ca numai magnetizatia permanenta produce câmpul magnetostatic (întrucât magnetizatia temporara este nula când câmpul este nul): câmpul magnetostatic este produs de magneti permanenti.

Daca magnetul permanent are forma unei bare magnetizate uniform, pentru determinarea spectrului intensitatii câmpului magnetic se poate considera o repartitie de sarcini fictive ±qm, echivalenta magnetizatiei, la cei doi poli ai magnetului (ca în figura 11.1-1). Spectrul câmpului se stabileste prin analogie cu spectrul unui câmp electrostatic. Se observa ca în exterior deci spectrul inductiei coincide cu spectrul intensitatii câmpului În interior, însa, liniile de câmp si de inductie vor fi diferite, conform relatiei , considerând data magnetizatia (permanenta)


Deoarece liniile inductiei sunt închise (sau, mai general, nu au început si sfârsit); ele au alura liniilor de inductie ale unui solenoid în vid, echivalent barei magnetizate permanent (ca în figura 11.1-2, datorita repartitiei superficiale de curenti amperieni care apare pe suprafata laterala a barei).

Se numeste câmp demagnetizant intensitatea a câmpului magnetic propriu al unui magnet permanent în punctele din interiorul magnetului. Intrucât tensiunea magnetomotoare trebuie sa fie nula pe orice curba




calculând aceasta integrala în lungul unei linii de câmp a inductiei magnetice, în exterior rezulta mereu adica în final o tensiune magnetica pozitiva în exterior, deci în interior va trebui ca pentru ca tensiunea magnetica din interior sa fie negativa si sa o compenseze pe cea exterioara. În interiorul magnetului permanent intensitatea câmpului magnetic (câmpul demagnetizant) are sens opus magnetizatiei corpului si tinde sa-l demagnetizeze.

11.2. Circuit magnetic cu magnet permanent

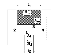
Se considera un circuit magnetic cu magnet permanent, ca în figura 11.2-1. Magnetul permanent (3, hasurat în figura) este prismatic, de lungime lm, cu o arie a sectiunii transversale Am si a fost magnetizat pâna la saturatie înainte de a fi introdus în circuitul magnetic din figura. Circuitul magnetic mai contine piesele polare 2 si 4, din materiale feromagnetice moi. Acestea sunt nesaturate în functionare normala, fapt pentru care se poate neglija tensiunea lor magnetica. Între piesele polare ramâne întrefierul 1, de largime ld si arie echivalenta a sectiunii transversale Ad, prin care se închide fluxul magnetic util.



Fig. 11.2-1. Circuit magnetic cu magnet permanent.

Observatie. Daca se cunoaste permeanta Pd corespunzatoare trecerii fluxului magnetic util prin întrefier, atunci aria Ad se poate calcula cu relatia


Pentru un întrefier de largime mica în comparatie cu dimensiunile transversale ale piesei polare si daca se neglijeaza dispersia, atunci se poate lua aproximativ Ad Ap, daca Ap este aria fetei din spre întrefier a piesei polare. De regula, însa, dispersia este importanta.

Fluxul magnetic al circuitului magnetic se închide prin magnetul permanent, prin piesele polare si prin întrefier, de-a lungul liniei de câmp medii G, reprezentata cu linie întrerupta în figura 11.2-1. Aplicând teorema lui Amp re pe aceasta linie de câmp, rezulta relatia


în care Hm este intensitatea câmpului magnetic în magnetul permanent (câmp demagnetizant), iar Hd - în întrefier. Fluxul magnetic al magnetului, egal cu cel care se închide între piesele polare prin aer, este


Ţinând seama ca în aer Bd = µ0 Hd, din ultimele doua relatii se deduce expresia câmpului demagnetizant


Aceasta relatie reprezinta ecuatia unei drepte în planul curbei de magnetizare B(H), care intersecteaza în punctul R ramura de demagnetizare a ciclului histerezis al magnetului permanent (fig. 11.2-2). Dreapta OR se numeste dreapta de demagnetizare, iar factorul adimensional


se numeste factor de demagnetizare. În ultima expresie de mai sus s-a notat cu Pm o permeanta echivalenta a magnetului (de fapt, permeanta unei portiuni nemagnetice, de lungime lm si arie a sectiunii transversale Am).


Fig. 11.2-2. Ramura de demagnetizare a ciclului de histerezis si dreapta de demagnetizare.

Prin constructia grafica din figura 11.2-2 se deduce inductia Bm în magnet si apoi inductia echivalenta în întrefier.


În figura 11.2-2 s-a reprezentat si ramura de demagnetizare a ciclului unui material magnetic moale (cu linie întrerupta), al carui punct de functionare R' se afla la valori mici ale inductiei.

În mod practic, pentru a caracteriza eficacitatea unui magnet permanent de volum dat, se considera expresia energiei câmpului magnetic din întrefierul de volum echivalent Vd = ld Ad (anticipând expresia energiei magnetice, care va fi stabilita într-un capitol urmator)


Însa conform (11.2-2) si (11.2-3) rezulta


adica densitatea de volum a energiei magnetice pe care o poate da magnetul este egala cu

Valoarea produsului Bm |Hd| variaza dupa pozitia punctului de functionare pe ramura de demagnetizare. Maximul produsului (Bm |Hd|)max este numit indice de calitate al materialului magnetic dur. Pentru o buna utilizare a unui material magnetic dur, magnetul trebuie dimensionat astfel încât punctul sau de functionare sa se situeze în apropierea punctului în care este maxim produsul Bm |Hd|. În aceste conditii se foloseste cel mai putin material magnetic dur pentru satisfacerea unor conditii tehnice date.

Nota. Pozitia punctului de functionare în care este maxim produsul Bm |Hd| se poate determina aproximativ pe cale grafica, la intersectia diagonalei dreptunghiului de laturi OBr si OHc cu ranura de demagnetizare a ciclului de histerezis (fig. 11.2-3).

Notând cu Bmo si Hdo valorile corespunzatoare acestui punct, rezulta ca factorul de demagnetizare al magnetului trebuie sa aiba valoarea optima


Cu aceasta valoare se poate alege forma magnetului, întrucât avem relatia


iar alta relatie este data de fluxul magnetic util, în întrefier




Fig.11.2-3. Constructie grafica pentru estimarea factorului de demagnetizare optim.

Cu cât este mai mare intensitatea câmpului magnetic coercitiv, cu atât va rezulta mai mare si câmpul optim |H­d0|, iar dreapta OR va avea o panta mai mica, respectiv factorul de demagnetizare NB va fi mai mare si magnetul va trebui sa fie de lungime lm mai mica.

Magnetii permanenti au utilizari importante în constructia aparatelor de masurat, în masinile electrice de putere mica, la difuzoare, în contoare, în relee s.a.






Document Info


Accesari: 5100
Apreciat: hand-up

Comenteaza documentul:

Nu esti inregistrat
Trebuie sa fii utilizator inregistrat pentru a putea comenta


Creaza cont nou

A fost util?

Daca documentul a fost util si crezi ca merita
sa adaugi un link catre el la tine in site


in pagina web a site-ului tau.




eCoduri.com - coduri postale, contabile, CAEN sau bancare

Politica de confidentialitate | Termenii si conditii de utilizare




Copyright © Contact (SCRIGROUP Int. 2025 )