LICEU : "GRUP sCOLAR INDUSTRIAL VOIEVODUL MIRCEA" TĀRGOVIsTE
PROFIL : ELECTRONICĂ SI AUTOMATIZĂRI

ĪNDRUMĂTOR ELEV
ING. OPREA ADRIAN EFTIMIE SEBASTIAN
CLASA : a XII a F
CAP. 1.GENERALITĂŢI (AMPLIFICATOARE DE AUDIOFRECVENTA) .. 4
CAP. 1.1. NOŢIUNI GENERALE .......... ..... ...... ........................... 4
CAP. 1.2. CLASIFICAREA AMPLIFICATOARELOR .......... ..... ...... .. 4
CAP. 1.3. AMPLIFICATOARE DE PUTERE .......... ..... ...... ............. 6
CAP. 1.4. AMPLIFICATOR REALIZAT CU TRANZISTOR BIPOLAR ..........
CAP. 1.5. AMPLIFICATOARE DE PUTERE DE AUDIOFRECVENTA IN CONTRATIMP .......... ..... ...... .......... ..... ...... ....... 13
CAP. 2. PĂRŢI COMPONENTE ( PIESE ELECTRONICE ) : ................. 18
CAP. 2.1. TRANZISTORUL (BC 171; 2N3055).......... ..... ...... ......
CAP. 2.2. DIODA STABILIZATOARE (1N4001).......... ..... ...... .....
CAP. 3.DATE DE CATALOG (BC 171; 2N3005)
CAP. 4.FUNCTIONAREA SCHEMEI .......... ..... ...... .................
CAP. 5.ANEXE : .......... ..... ...... .......... ..... ...... ............. 29
FORMAT ELECTRONIC
v ELECTRONICS WORKBENCH V5.12
v EAGLE ( CABLAJ );
CAP. 6. BIBLIOGRAFIE .......... ..... ...... .......... ..... ...... ..... 30
CAP. 1. GENERALITĂŢI (AMPLIFICATOARE DE AUDIOFRECVENTA)
CAP. 1.1. NOŢIUNI GENERALE
Prin amplificare se īntelege procesul de marire a valorilor instantanee
ale unei puteri sau ale altei marimi, fara a modifica modul de
variatie a marimii in timp si folosind energia unor surse de alimentare.
Dupa natura dispozitivelor utilizate in procesul de
amplificare se poate vorbi de amplificare electrica, amplificare magnetica,
amplificare electromagnetica si amplificare electronica. Circuitele de
amplificare ce fac obiectul acestui capitol sunt circuite care amplifica electric prin semiconductibilitate
daca sunt realizate cu tranzistoare bipolare sau amplifica electronic daca
sunt realizate cu tuburi electronice.
Amplificarea electrica se bazeaza pe proprietati electrice de material, iar cea electronica se bazeaza pe modificarea intensitatii unui curent de electroni prin variatia tensiunilor aplicate unor electrozi de comanda (grile).
In amplificatoarele reale semnalele sunt distorsionate, adica forma semnalului de iesire difera de forma de unda a semnalului de intrare. Performantele unui amplificator sunt apreciate prin caracteristici si parametri care se refera la:
distorsiunea formei de unda a semnalelor;
marimea amplificarii in putere, tensiune sau curent;
stabilitatea functionarii amplificatorului;
sensibilitatea la zgomotele exterioare;
zgomotele interne;
natura dispozitivelor si regimul de functionare al acestora, structura interna, numarul de etaje etc.
CAP. 1.2. CLASIFICAREA AMPLIFICATOARELOR
Clasificarea amplificatoarelor se poate face dupa mai multe criterii:
a) Dupa frecventa semnalelor, amplificatoarele pot fi impartite in: amplificatoare de curent continuu (c.c.) si amplificatoare de curent alternativ (c.a.)
Amplificatoarele de curent continuu amplifica semnale avānd o variatie arbitrara si oricāt de lenta, dar pot sa lucreze si cu semnale de curent alternativ de joasa frecventa.
Amplificatoarele de curent alternativ au in structura cuplaje care nu permit trecerea componentelor c.c. Se clasifica dupa domeniul frecventelor semnalelor in:
amplificatoare de audiofrecventa cu banda cuprinsa intre zeci de Hz si zeci de KHz; sunt considerate ca amplificatoare de joasa frecventa;
amplificatoare de videofrecventa cu banda de la aproximativ 20 Hz la 30 MHz;
amplificatoare de radiofrecventa care sunt destinate amplificarii semnalelor cu frecvente mai mari de 100 KHz.
Daca se tine cont de latimea benzii de frecventa, amplificatoarele de c.a. se impart in:
amplificatoare de banda ingusta;
amplificatoare de banda larga.
Primele au banda mica in raport cu frecventa centrala din banda, iar cele de banda larga au banda comparabila cu frecventa centrala.
b) Dupa natura sarcinii cuplata la iesirea amplificatorului, amplificatoarele sunt: aperiodice care au sarcini neselective (amplificatoare de audiofrecventa si videofrecventa) si selective (acordate) la care banda ingusta se obtine pe seama raspunsului circuitului rezonant.
c) Dupa natura marimii amplificate, amplificatoarele se impart in: amplificatoare de tensiune, de curent si de putere.
d) Dupa nivelul semnalului,
amplificatoarele se impart in:
- amplificatoare de
semnal mic caracterizate printr-o dependenta liniara a semnalului de iesire
de semnalul de intrare, incāt pentru analiza lor pot fi utilizate modele
liniare pentru dispozitivele electronice, modele ce considera parametrii
constanti cu valori determinate in punctul static de functionare;
- amplificatoare de
semnal mare caracterizate printr-o dependenta neliniara a semnalului de
iesire de semnalul de intrare, iar la analiza si proiectarea lor se folosesc
familii de caracteristici de terminal si metode grafo - analitice.
e) Dupa clasa de functionare, amplificatoarele se impart in: amplificatoare in clasa A, B, AB, C. Clasele de functionare sunt de fapt, regimuri de lucru ale amplificatoarelor ce depind de pozitia punctului static de functionare si de amplitudinea semnalului.
Observatie. Exista si alte clase de functionare. De exemplu, amplificatoarele (etajele) selective de putere lucreaza in clasele C, S si D.
Amplificatoarele de putere se caracterizeaza prin faptul ca lucreaza cu semnale mari, astfel īncāt sa se obtina o putere utila cāt mai mare īntr-o sarcina data.
De regula sarcina este constituita dintr-un releu, servomotor sau difuzor, ceea ce face ca rezistenta pe care se debiteaza putere sa fie cuprinsa īntre 1 Q si 100 H. Domeniul caruia īi apartine puterea utila se īntinde de la sute de miliwati pāna la sute de wati.
Este evident ca pentru a obtine aceste puteri, punctul de functionare va avea excursii relativ mari, lucru care are trei consecinte :
calculul nu mai poate fi facut cu
parametrii de semnal mic, deoarece
acestia sufera variatii importante ;
īntrucāt punctul de functionare intra īn regiunile neliniare, sau
īn
domeniile lor adiacente, trebuie impus un grad de distorsiuni admisibil;
exista riscul de a scoate tranzistorul
din regiunea īn care lucreaza
stabil,
ceea ce poate duce la distrugerea acestuia.
La aplicatiile care necesita comanda unui releu sau servomotor, distorsiunile nu constituie un criteriu limitativ (ca de exemplu la amplificatoarele de audiofrecventa, unde se urmareste o redare cāt mai fidela a programelor, īnregistrarilor etc).
Amplificatoarele de putere se īmpart īn trei categorii:
amplificatoare liniare (clasa A), caracterizate prin faptul ca
toate
tranzistoarele
lucreaza tot timpul īn regiunea activa normala a caracteristicilor (aici prin ,,liniar" trebuie īnteles ca se urmareste obtinerea unei
relatii
cāt mai liniare īntre intrarea si iesirea amplificatorului) ;
amplificatoare cvasiliniare (clasa B si clasa AB) la care unele
tranzistoare
pot fi blocate sau saturate īn anumite intervale de timp, dar
iesirea
circuitului depinde totusi printr-o relatie liniara de intrare;
amplificatoare neliniare (clasa C si clasa D), unde
cel putin īn
anumite
momente din timp relatia iesire-intrare este neliniara.
Un alt criteriu de clasificare este dupa conexiunea īn care lucreaza tranzistoarele de putere. Astfel, conexiunea EC are posibilitatea de a da amplificarea īn putere cea mai mare .
TIP
IF/Tamb
IO/Tamb
VRRM
VR
[V]
IFRM
[A]
IFSM
[10 ms]
[A]
VF/IF
IR/Tamb
VRRM
[A]
[oC]
[A]
[oC]
[V]
[A]
[mA]
[oC]
1 A
1N4001
1N4002
1N4003
1N4004
1N4005
1N4006
1N4007
CAPSULA

CAP. 4. FUNCTIONAREA SCHEMEI
S-a aratat ca un tranzistor polarizat īn regiunea activa normala a caracteristicilor se comporta īn circuitul emitor-colector ca un generator de curent constant. Daca īnsa peste tensiunea continua aplicata jonctiunii emitor-baza se aplica un semnal alternativ, a carui amplitudine este mult mai mica decāt UBe (ceea ce uneori se numeste /conditia de semnal mic), este evident ca si curentul de emitor va varia īn ritmul semnalului, īn jurul valorii stabilite de punctul static de functionare.

Fig. 1. Circuit de amplificare īn conexiune EC - montaj clasic de amplificator, utilizānd un tranzistor īn conexiune EC.
Īn continuare, curentul de colector va pastra aceasta variatie īn jurul valorii sale de dinaintea aplicarii semnalului si daca īn circuitul de colector se conecteaza o rezistenta, caderea de tensiune la bornele acesteia va prezenta, pe lānga componenta continua, si o componenta alternativa.
Daca rezistenta din colector este suficient de mare, tensiunea alternativa care se culege la bornele ei poate fi de circa 100 ori mai mare decāt semnalul aplicat, ceea ce īnseamna ca se obtine o amplificare importanta.
In figura 1 este desenat un montaj clasic de amplificator, utilizānd un tranzistor in conexiune EC.
Dupa cum se vede, baza este polarizata prin divizorul R![]()
R2, iar īn emitor exista
rezistenta R4 pentru a stabiliza punctul static īn raport cu variatiile
temperaturii. Rezistenta R3
are rol si īn polarizare, dar ea este rezistenta de
sarcina, la bornele careia apare semnalul amplificat. Condensatorul C4
are rolul de a pune emitorul la masa din punct de vedere alternativ,
adica la frecventa de lucru reactanta lui este mult mai
mica dccīt valoarea rezistentei R±. Din acest motiv el se numeste condensator de decuplare.
Condensatoarele Cx si C3 au rolul de a bloca componentele continue de ia intrare, respectiv iesire, izolānd etajul de generator si respectiv de etajul urmator din punct de vedere continuu. Ele se comporta īn curent alternativ ca niste scurtcircuite, servind la aducerea semnalului pe baza si respectiv extragerea semnalului amplificat din colector. Din acest considerent ele se numesc si condensatoare de cuplaj.
Grupul Ug, Rg reprezinta tensiunea electromotoare si respectiv rezistenta interna a generatorului de semnal.
Tensiunea alternativa U1 care apare la intrarea etajului se aplica de fapt jonctiunii emitor-baza (prin Ct si C4, care se comporta ca niste scurtcircuite). Ea moduleaza īn ritmul ei curentul de emitor si cel de colector, asa cum se observa din figura 2, unde semnalul s-a presupus sinusoidal.

Fig.2.Variatia in timp a tensiunii baza -emitor
Tensiunea de iesire U2 poate fi privita fie drept caderea de tensiune cu semn schimbat (a curentului de colector si a tensiunii colector emitor de sarcina ( īntrucāt īn curent alternativ borna + Ec este la masa, bateria comportāndu-se ca un scurtcircuit), fie drept caderea de tensiune īntre colector si emitor. Fie ca se rationeaza pe o varianta sau pe cealalta, este clar ca la cresterea curentului de colector corespunde scaderea tensiunii U2 si viceversa.

Fig. 3. Deplasarea punctului de functionare īn planul ic- uCE.
Rezulta ca tensiunea de iesire este īn antifaza cu tensiunea de intrare, si totodata īn antifaza cu curentul de colector.
Īntrucāt regimul sinusoidal se suprapune peste cel continuu, se pot scrie ecuatiile :
UBE = UBE + Ube sin wt
uCe = uce + Uce sin (wi + tt) = UCE - Uce sin w t
Cu ajutorul carora se determina limitele M si N īntre care variaza punctul de functionare pe dreapta de sarcina, īn jurul pozitiei Q de repaus, stiind ca sin cot este cuprins īntre - 1 si +1. Desenul corespunzator este prezentat īn figura 3.
Prin definitie, locul geometric descris de punctul de functionare atunci cīnd pe baza se aplica un semnal oarecare se numeste caracteristica dinamica.
īn cazul de fata, acest loc geometric este segmentul MN, ale carui capete sīnt simetrice fata de Q (īntrucīt si semnalul aplicat este simetric fata de axa timpului).
CAP. 5. ANEXE :
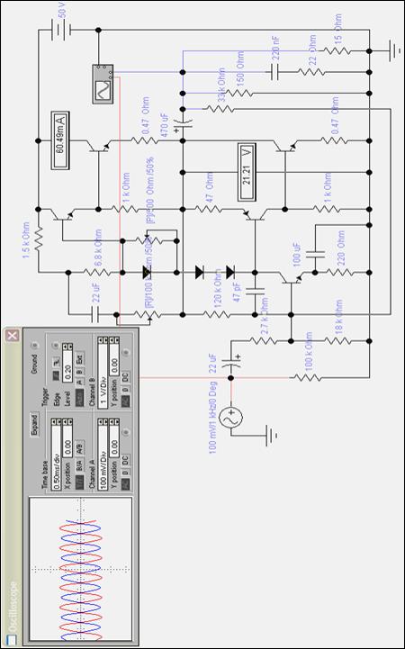
AMPLIFICATOR AUDIO DE 10W FORMAT ELECTRONIC
v ELECTRONICS WORKBENCH V5.12
v EAGLE ( CABLAJ );
CAP. 6. BIBLIOGRAFIE
v Circuite integrate liniare vol. 3, Ed. Tehnium Bucuresti
v Miron C., Introducere īn circuite electronice, Editura Dacia, Cluj-Napoca,
v Dascalu D., s.a., Dispozitive si circuite electronice, Editura Didactica si Pedagogica Bucuresti, 1982;
v Oltean, G., Miron, C., Gordan, Mihaela, Hotoleanu, M., Dispozitive si circuite electronice. Īndrumator de laborator, II. Multiplicare UTCN, 1999;
v Miron,C., Oltean, G., Gordan, Mihaela, Dispozitive si circuite electronice, --- Culegere de probleme, Editura Casa Cartii de Stiinta, Cluj-Napoca, 1999;
v Lungu,S., s.a. - Electronica. Culegere de probleme Editura Casa Cartii de Stiinta, Cluj-Napoca, 1993;
v Dascalu,D., s.a. - Dispozitive si Circuite Electronice. Probleme, Ed. Didactica si Pedagogica, Bucuresti, 1982;
v Croitoru,V., s.a. - Electronica. Culegere de probleme, Ed.Didactica si Pedagogica, Bucuresti, 1982;
v Ciugudean, M., s.a. - Electronica aplicata cu circuite integrate analogice. - Dimensionare., Editura de Vest, Timisoara,1991;
v Ciugudean, M., s.a. - Stabilizatoare de tensiune cu circuite integrate liniare. Dimensionare, Editura de Vest,Timisoara, 2001;
|