COTAREA ÎN DESENUL INDUSTRIAL
5.1 Generalitati
Executia oricarui obiect necesita printre altele, cunoasterea formei si marimii lui, ele sunt redate în desen prin proiectiile acestuia (compuse în general, din vederi si sectiuni) si prin valorile numerice ale dimensiunilor obiectului, înscrise în câmpul desenului.
Dimensiunea este o caracteristica geometrica liniara sau unghiulara care stabileste, singura sau împreuna cu altele, marimea unui obiect ca produs finit sau a unei figuri geometrice; ea poate exprima atât distantele cât si unghiurile dintre elementele geometrice ale unei piese (axe, fete plane etc.) sau ale subansamblelor unei instalatii.
În functie de natura desenului, dimensiunile pot fi de doua feluri: - dimensiuni nominale N, rezultate din cercetare, calcul si proiectare, stabilite pe baza unor criterii functionale sau constructiv-tehnologice ale pieselor; ele se înscriu pe desenele de studiu sau proiect;
- dimensiuni efective E, rezultate prin masurarea directa a obiectului; ele se înscriu pe desenele de releveu (desene executate dupa un obiect existent).
|
Fig. 5.1 |
Cota functionala (fig. 5.1b si c) este o cota esentiala pentru functionarea obiectului, ea se poate referi la:
- dimensiunea unui element functional, ce are un rol important în asigurarea calitatii functionale a obiectului (de exemplu: un alezaj, un umar de sprijin, o lungime sau diametru de filet s.a);
- dimensiunea care determina pozitia unui element functional.
Cota nefunctionala (fig. 5.1b si c) este o cota neesentiala pentru functionarea obiectului, dar indispensabila pentru determinarea formei lui; ele servesc pentru executarea si verificarea obiectului reprezentat.
Cota auxiliara (fig. 5.1b) este o cota ce se indica informativ, în scopul de a prezenta date utile si de a evita unele calcule; ea este necesara pentru executarea si verificarea obiectului si decurge din celelalte cote indicate pe desen. Cota auxiliara se înscrie între paranteze si fara tolerante.
Element: parte caracteristica a unei piese, cum ar fi o suprafata plana, o suprafata cilindrica, doua suprafete paralele, un umar, o portiune filetata, o canelura, un profil s.a. Fiecare element trebuie cotat o singura data pe un desen. Marimea fiecarui element al unei piese trebuie definita, în general, prin doua cote, câte una pentru fiecare directie.
Produs finit: piesa finita, pentru montaj sau punere în functiune executata dupa un desen. În categoria aceasta se considera si semifabricatele intermediare, prelucrate ulterior pentru executia pieselor turnate, forjate sau fabricate prin aschiere.
Regulile de executie grafica a elementelor cotarii folosite în desenul industrial, respectiv forma, dimensiunile si dispunerea acestora, precum si clasificarea cotelor sunt cuprinse în SR ISO 129.
5.2 Elementele cotarii
Elementele cotarii sunt: linia ajutatoare, linia de cota, inia de indicatie, extremitatile liniei de cota, punctul de origine si valoarea propriu-zisa a cotei (fig. 5.2a si b).
5.2.1 Executia grafica si dispunerea elementelor cotarii
|
|
Liniile ajutatoare se executa cu linie continua subtire. Ca linii ajutatoare pot fi folosite liniile de contur sau de axa (fig. 5.2). Prelungirile liniilor de cota pot fi folosite ca linii ajutatoare numai în cazul cotarii profilurilor curbe (fig. 5.3). Liniile ajutatoare trebuie sa fie în general perpendiculare pe extremitatile elementului cotat, ele trebuie sa depaseasca punctele necesare pentru determinarea formei geometrice a obiectului si liniile de cota cu 2 . . . 3 mm (fig. 5.4). Pentru claritatea cotarii, se admite în mod exceptional ca liniile ajutatoare sa fie trasate înclinat, la aproximativ 600 fata de linia de cota, însa paralele între ele (fig. 5.5).
Liniile de cota sunt liniile deasupra carora se înscriu cotele
respective. Ele se traseaza cu linie continua subtire si se
dispun paralel cu elementele la care se refera, putând fi dupa caz,
drepte, frânte sau sub forma de
arc de cerc, în
cazul cotarii dimensiunilor unghiulare sau a arcelor de cerc (fig. 5.6;
5.7; 5.8).
Distanta dintre doua linii de cota paralele, precum si distanta dintre linia de cota si linia de contur, paralela cu aceasta, trebuie sa fie de min. 7mm (fig. 5.2).
Trebuie evitata pe cât posibil
intersectarea liniilor de cota între ele, precum si intersectarea
acestora cu linii de indicatie si linii ajutatoare; în acest
scop se recomanda dispunerea liniilor de cota în afara conturului
proiectiilor obiectului reprezentat, în ordinea crescatoare a
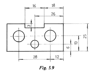
cotelor. În cazul în care aceasta dispunere nu este posibila, liniile
de cota nu se întrerup (fig. 5.9).
Liniile de contur, de axa, ajutatoare si prelungirile lor nu pot fi utilizate ca linii de cota, cu exceptia cotarii conicitatilor, înclinarilor si a profilurilor curbe (fig. 5.3).

Liniile de indicatie se executa cu linie continua subtire
si, daca este necesar, pot avea un brat de indicatie. În
functie de elementul la care se refera, linia de indicatie se
termina în interiorul unui contur printr-un punct înnegrit, pe o linie de
contur, printr-o sageata sau pe o linie de cota, fara
punct si fara sageata (fig. 5.10; 5.11; 5.2).
5.2.2 Extremitatile liniei de cota si punctul de origine
Linia de cota trebuie sa aiba extremitatile bine precizate, prin sageti si sau bare oblice sau daca este cazul, prin indicarea punctului de origine (fig. 5.2a si b).
Linia de cota poate fi
delimitata la un singur capat prin sageata, la
celalalt ramânând libera, la cotarea:
- razelor de curbura(fig. 5.7);
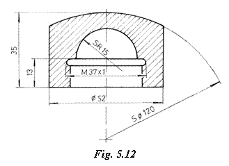
- diametrelor, când circumferinta nu este complet reprezentata în proiectia respectiva (fig. 5.12);
- obiectelor simetrice si a mai
multor elemente simetrice, paralele si succesive (fig. 5.13).
Sagetile pot fi executate în urmatoarele variante:
- prin doua linii scurte,
laturile sagetii formând un unghi oarecare, cuprins între 150
si 900, sagetile fiind închise sau deschise (fig.
5.14a si b) si, dupa caz, neînnegrite sau înnegrite (fig. 5.14c
si d);
- în desenul tehnic se recomanda utilizarea sagetii înnegrite cu unghiul de 150 având lungimea de 6...8 ori grosimea liniei groase utilizata în desenul respectiv, dar nu mai mica de 2 mm (fig. 5.15).
Precizarea extremitatii
poate fi facuta si printr-o bara oblica trasata
la 450 (fig. 5.16a) sau indicarea punctului de origine, în cazul
cotarii cumulative (fig. 5.16b).
Atât laturile
sagetii cât si bara oblica trebuie trasate cu linie de
grosime mijlocie cu înnegrire pronuntata pentru a fi distincte
fata de liniile de cota.
Punctul de origine se reprezinta sub forma unui cerc cu diametre de circa 3 mm, executat cu linie continua subtire (fig. 5.16b).
În cazul unui spatiu insuficient pe linia de cota sagetile se orienteaza catre interiorul intervalului cotat sau pot fi înlocuite prin linii înclinate la 450 sau puncte înnegrite, în care caz sagetile de la extremitatile sirului de cote trebuie orientate întotdeauna spre punct (fig. 5.17). Pe un acelasi desen se foloseste un singur tip de sageata.

Sagetile trebuie sa se sprijine pe liniile de
contur, de axa sau ajutatoare aferente. Nu se admite ca
sagetile sa fie intersectate de alte linii din câmpul desenului
cu exceptia hasurilor. Pentru evitarea unor confuzii, în cazul în
care unele linii de contur intersecteaza sagetile unei cote, ele
trebuie întrerupte în corespondenta sagetilor (fig. 5.18).
5.3 Înscrierea valorilor cotelor
Valorile cotelor se scriu cu caractere având o dimensiune suficient de mare pentru a se asigura o buna vizibilitate atât a desenului original, cât si a reproducerilor dupa microfilm. Se recomanda înaltimea nominala de minimum 3,5 mm. Pe un desen, toate cotele, inclusiv simbolurile, cuvintele si prescurtarile aferente se înscriu utilizând o singura dimensiune nominala a scrierii si un singur tip de scriere.
Toate dimensiunile liniare înscrise pe desen se exprima în milimetri (mm) fara ca simbolul unitatii de masura sa fie indicat dupa cota.
Valorile cotelor se scriu cu caractere având o dimensiune suficient de mare pentru a se asigura o buna vizibilitate atât a desenului original, cât si a reproducerilor dupa microfilm. Se recomanda înaltimea nominala de minimum 3,5 mm. Pe un desen, toate cotele, inclusiv simbolurile, cuvintele si prescurtarile aferente se înscriu utilizând o singura dimensiune nominala a scrierii si un singur tip de scriere.

Toate dimensiunile liniare înscrise pe
desen se exprima în milimetri (mm) fara ca simbolul
unitatii de masura sa fie indicat dupa cota.
Înscrierea valorilor cotelor trebuie efectuata dupa una din cele
doua metode descrise mai jos. Pe acelasi desen trebuie folosita
o singura metoda de cotare.
În metoda 1 valorile cotelor se dispun paralel cu liniile de cota, de preferinta deasupra si la mijlocul lor, la o distanta de cca. 1 - 2 mm, de acestea (fig. 5.19). Face exceptie cotarea cu cote suprapuse (fig. 5.2b).
Valorile trebuie înscrise astfel încât sa poata fi citite de jos si din dreapta desenului, în raport cu baza formatului. Valorile înscrise deasupra liniilor de cota oblice trebuie sa aiba orientarea din figura 5.20; se va evita amplasarea cotelor cu orientare cuprinsa în zona hasurata din figura.
Valorile unghiurilor pot fi înscrise cu orientarea si dispunerea indicata în figurile 5.21 si 5.22.
În metoda 2 valorile cotelor se înscriu având aceeasi orientare si
dispunere cu deosebirea ca liniile de cota care nu sunt orizontale se
întrerup, de preferinta, spre mijloc, pentru a se înscrie valoarea
cotelor (fig. 5.23 si 5.24).
Valorile unghiurilor mai pot fi orientate si dispuse ca în figura 5.25. Se recomanda utilizarea metodei 1 de cotare deoarece nu implica întreruperea liniei de cota.
Cotele, precum si simbolurile, cuvintele si prescurtarile aferente se scriu astfel încât sa nu fie despartite sau intersectate de linii de contur, de indicatie, de axa, ajutatoare sau de hasuri (fig. 5.26). Daca nu este posibil astfel, liniile mentionate se întrerup în portiunea în care se înscrie cota. Pe suprafetele hasurate, hasurile se sterg în zona de înscriere a cotei, dându-i-se spatiului respectiv o forma aproximativ circulara.
Numerele 6, 9, 66, 68, 86, 98 etc. trebuie urmate de un punct daca prin pozitia lor sunt posibile confuzii.
Înscrierea valorilor trebuie adaptata situatiei. Astfel, ele pot fi înscrise:
-
mai aproape de una din extremitati si
alternativ, pentru a
evita urmarirea liniilor lungi de cota, care pot fi trasate în astfel
de cazuri numai partial (fig. 5.27);
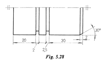
- deasupra liniei de cota, în prelungirea ei sau în afara intervalului cotat, când lipsa de spatiu o impune (fig. 5.28);

- la extremitatea unei linii de
indicatie terminata la partea opusa pe o linie de cota prea
scurta care nu permite înscrierea normala a valorii cotei (fig.
5.28);
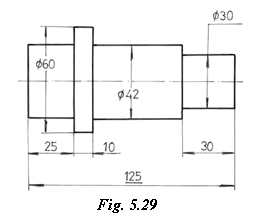
- deasupra prelungirii liniei de cota atunci când spatiul nu permite înscrierea valorii prin întreruperea unei linii de cota care nu este orizontala (fig. 5.29);
Cotele se înscriu însotite, dupa caz, de urmatoarele simboluri:
- înscris înaintea unei cote daca
indica un diametru cu exceptia cotarii filetelor (fig. 5.26);
R - înscris înaintea cotei daca indica o raza (fig. 5.7). Când valoarea cotei se deduce din alte cote, simbolul R se indica fara a fi urmat de cota (fig. 5.30);
- înscris înaintea valorii
cotei, daca se coteaza latura unui patrat (fig. 5.31);
Simbolurile pentru diametru si patrat pot fi omise daca forma este evidenta în reprezentare.
- înscris deasupra valorii unei cote daca aceasta este marimea lungimii unui arc de cerc (fig. 5.33);
SR sau S - înscris înaintea unei cote daca se indica raza sau diametrul unei sfere (fig. 5.12 si 5.34).
Daca este necesar sa se indice egalitatea a doua cote alaturate, deasupra liniilor de cota se traseaza semnul egal fara a se mai înscrie valorile numerice respective (fig. 5.35).
Cotele unor elemente care în mod exceptional sunt reprezentate pe desen la alta scara se subliniaza cu exceptia pieselor reprezentate în ruptura (fig. 5.29).
5.4 Reguli generale de aplicare a cotarii
1. Toate informatiile necesare pentru definirea clara si completa a unui obiect sau a unui element al acestuia trebuie înscrise direct pe desen. Numarul de cote trebuie sa fie minim, dar suficient pentru verificarea si executarea obiectului reprezentat.
2. Pe un desen cota se înscrie o
singura data. Se admite repetarea cotei în cadrul altei proiectii
numai daca proiectia respectiva este reprezentata pe o
alta plansa; în acest caz sub linia cotei care se repeta se
înscrie si numarul plansei pe care cota este repetata.
3. Cotele referitoare la un
acelasi element se dispun, pe cât posibil, numai pe una din
proiectiile obiectului reprezentat, si anume, pe vederea sau
sectiunea în care forma elementului este reprezentata în modul cel
mai clar (fig. 5.36 si 5.37).
4. Cotele se grupeaza în mod distinct pe proiectia pe care se dispun, si anume, cele referitoare la forma exterioara - pe vedere si cele care se refera la forma interioara - pe sectiune (fig. 5.13 si 5.38).
5.
În cazul cotarii unor piese montate asamblat, cotele referitoare la
fiecare piesa se grupeaza separat, cu exceptia cotelor comune

(fig. 5.39).
6. Nu se admite cotarea unor elemente reprezentate prin linii de contur sau muchii acoperite.
5.5 Sisteme de cotare
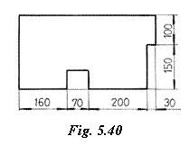
1. Cotarea în serie consta în dispunerea cotelor în succesiune, liniile de cota succesive determina un lant de cote; o eventuala eroare asupra uneia din dimensiunile cotate influenteaza negativ întregul lant de cote (fig. 5.40).
2. Cotarea fata de un element comun a mai multor dimensiuni liniare sau unghiulare se poate efectua în paralel sau suprapusa.
- Cotarea în paralel consta în dispunerea cotelor pe linii de cota paralele având o baza de cotare comuna (fig. 5.41 si 5.42).


- Cotarea suprapusa este o
cotare în paralel simplificata, utilizata în cazul unui spatiu
insuficient pentru înscrierea cotelor. Ea consta în dispunerea cotelor pe
o singura linie de cota, cu aceeasi orientare a
sagetilor fata de acelasi punct de origine. Cotele se
înscriu în dreptul sagetilor fie paralel cu liniile ajutatoare,
fie paralel cu linia de cota si deasupra acesteia (fig. 5.43 si
5.44).
Cotarea suprapusa
poate fi executata si pe doua directii cu dispunerea
corespunzatoare a punctului de origine (fig. 5.45).
3. Cotarea combinata
Cotele individuale, cotele în serie si cotele fata de un element comun pot fi combinate pe un desen, numai dupa examinarea consecintelor functionale (fig. 5.46).
4. Cotarea în coordonate

Pentru cotarea unui mare numar de
gauri situate pe o placa se poate utiliza cotarea în coordonate de
pozitie fata de axe de referinta ca în exemplul din
fig. 5.47.
Coordonatele unor puncte de referinta arbitrare, ce definesc elementele cotate, trebuie sa fie înscrise în corespondenta fiecarui punct atribuit sau într-un tabel alaturat conform exemplelor din figurile 5.48 si 5.49.


5. Cotarea tabelara
Piesele sau ansamblurile
identice ca forma dar executate în mai multe variante dimensionale se
reprezinta la scara, pe un singur desen numai pentru una din
marimile de executie, cotele elementelor care se modifica de la
o varianta la alta se înscriu pe desen prin simboluri literale, iar
valorile numerice ce corespund fiecarei variante se înscriu într-un tabel
alaturat desenului (fig. 4.50).
5.6 Reguli speciale de cotare
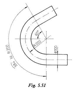
1. Cotarea unghiurilor, arcelor si coardelor de cerc. La cotarea dimensiunilor unghiurilor sau a lungimii arcelor de cerc, linia de cota se executa sub forma unui arc de cerc cu centrul în vârful unghiului pentru primul caz si respectiv concentric cu arcul cotat în al doilea caz. Liniile ajutatoare de cota pentru cotarea lungimii coardelor si arcelor se traseaza paralele cu bisectoarea unghiului în cazul cotarii coardelor de cerc (fig. 5.32).
Liniile ajutatoare se
traseaza radial, în cazul cotarii dimensiunilor unghiulare sau a
lungimii arcelor de cerc ce corespund unghiurilor obtuze, precizându-se
daca este cazul, raza sau diametrul la care se refera cota
respectiva (fig. 5.51).
Diametrele arborilor în trepte pot fi cotate simplificat la capatul unor linii de indicatie, orientate perpendicular spre axa arborelui (fig. 5.52).
În proiectie frontala se recomanda sa nu se coteze mai mult de trei diametre pe circumferinta (fig. 5.53).
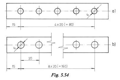
3. Cotarea elementelor
echidistante. Elementele dispuse la intervale liniare echidistante pot fi
cotate ca în exemplele prezentate în una din figurile 5.54a si b.
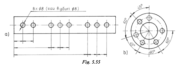
4. Cotarea elementelor repetitive.
Pentru a defini numarul de elemente cu aceleasi dimensiuni si
pentru a evita repetarea aceleiasi cote, dispunerea elementelor de cotare
si înscrierea cotelor se poate face ca în exemplele din figurile 5.55a
si b.
Daca toate racordarile reprezentate pe un desen au aceeasi valoare, ele nu se mai coteaza, iar în câmpul desenului sau deasupra indicatorului se face de exemplu precizarea: Toate racordarile necotate R5 sau Toate tesiturile necotate 3x450.
5. Cotarea racordarilor a doua suprafete plane neperpendiculare.

La cotarea racordarilor
suprafetelor plane, neperpendiculare între ele, liniile ajutatoare se
traseaza astfel încât sa fie determinata pozitia muchiei
fictive de intersectie a celor doua suprafete sau pozitia
centrului de racordare (fig. 5.56a si b).
6. Cotarea obiectelor simetrice
În cazul obiectelor
simetrice, reprezentate jumatate în vedere-jumatate în sectiune,
liniile de cota referitoare la elementele reprezentate numai pe o parte a
axei de simetrie trebuie sa depaseasca axa cu 5...10mm. În
acelasi mod se procedeaza si în cazul cotarii elementelor
simetrice pe proiectii complete (fig. 5.27 si 5.13).
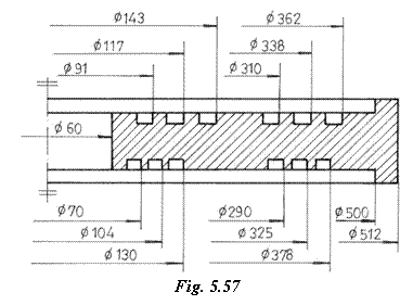
La cotarea mai multor diametre pe un obiect simetric reprezentat partial, în mod exceptional liniile de cota pot sa nu depaseasca axa de simetrie, iar cotele se înscriu în trepte (fig. 5.57).
7. Cotarea tesiturilor si adânciturilor
Cotarea tesiturilor de la capetele axelor sau începutul alezajelor se realizeaza prin unul din procesele simplificate prezent în exemplele din figurile 5.58a, b, c, d, e).
Adânciturile trebuie cotate prin
indicarea diametrului impus pentru suprafata piesei si a unghiului
format sau a adâncimii de prelucrare si a unghiului format (fig. 5.59 a
si b).
8. Cotarea si tolerarea elementelor conice (STAS 9068-71)
Conicitatea C este definita ca raportul dintre diferenta diametrelor a doua sectiuni normale la axa conului si distanta dintre aceste sectiuni (fig. 5.60).
Ea indica
variatia sectiunii pe unitatea de lungime si se exprima
prin relatia:
, unde:
- C, conicitatea trunchiului de con;
- D, diametrul bazei mari;
- d, diametrul bazei mici;
- L, lungimea elementului conic;
- a, unghiul la vârf al conului.

În documentatia tehnica un
trunchi de con poate fi cotat în mod univoc prin una din combinatiile
prezentate în figura 5.61, cazurile a...d, în succesiunea utilizarii.
Conicitatea
C se înscrie pe o linie de indicatie, paralela cu axa conului,
terminata cu o sageata pe generatoarea suprafetei conului.
Cuvântul "conicitate" poate fi înlocuit de simbolul
,
dispus pe linia de indicatie, cu vârful orientat catre vârful conului
(fig. 5.61a).
Se observa ca valorile a trei dimensiuni enumerate mai sus sunt suficiente pentru definirea univoca a elementului conic.
În unele cazuri conul este definit prin diametrul d1 al unei sectiuni situata între cele doua sectiuni extreme la distanta l1 fata de o baza de referinta (fig. 5.61d).
Cotarea uzuala, care faciliteaza prelucrarea prin strunjire, este prezentata în figura 5.61 cazurile a si b.
Valorile conicitatilor sunt standardizate prin STAS si se recomanda a fi alese din urmatoarele siruri: 1:3; 1:5; 1:10; 1:20; 1:50; 1:100; 1:200; 1:500; sau 1:4; 1:6; 1:7; 1:12; 1:15; 1:30. Se mai pot folosi si conicitati de uz special.
9. Cotarea prismelor delimitate de plane simetrice fata de planul bisector al prismei
Piesele cu forma prismatica, delimitate de plane secante, simetrice fata de planul bisector al prismei (fig. 5.62), sunt caracterizate prin:
- înclinarea
prismei S - raportul între diferenta înaltimilor H si
h, masurate între doua sectiuni ale prismei, si
distanta L între sectiunile respective (fig. 5.63);
![]()
- panta prismei Cp - raportul între diferenta grosimilor T si t, masurate între doua sectiuni ale prismei, si distanta L între sectiunile respective (fig. 5.62);
![]()
Unghiurile de prisme si înclinari de uz general sunt prescrise prin STAS 2285/2-81.
Înscrierea înclinarii sau pantei
pe desenul unei piese se face ca în
exemplele prezentate în figurile 5.64
si 5.65.

|