1. C01-01 PARAMETRI SI DESRIEREA CAZANULUI
Generalitati
Este un cazan cu trecere fortata unica cu punct variabil de evaporare, cu constructia īn forma de , avānd urmatoarele suprafete de schimb de caldura:
- 2 economizori, ECO 1 si ECO 2;
- 4 vaporizatori, vap 1-4;
- 7 supraīncalzitori de IP, SI 1-7;
- 2 supraīncalzitori de MP, SII 1-2;
- 4 schimbatori de caldura abur IP - abur MP;
- 2 preīncalzitoare de aer rotative, tip Rothemülle, PAR1, PAR2.
Cazanul functioneaza īn prezent cu urmatoarele sorturi de combustibili:
- debit 90% lignit si maxim 10% gaze naturale.
Cazanul este prevazut cu arzatoare de gaz cu un debit de 3500 Nm3/h fiecare, montate pe 2 nivele: 4 arzatoare la cota 10 m si 10 arzatoare la cota de 18 m. Prepararea carbunelui se face cu 6 mori tip ventilator MV 50, alimentate cu benzi Redller cu viteza variabila si posibilitatate de reglare a grosimii stratului de carbune.
Aerul necesar arderii este asigurat de 2 ventilatoare de aer, axiale, care aspira aerul din atmosfera si īl refuleaza spre cazan prin doua PAR-uri.
Evacuarea gazelor rezultate īn urma arderii este asigurata de 2 ventilatoare de gaze, axiale, care aspira gazele de ardere din cazan si le refuleaza spre cosul de fum.
Evacuarea zgurei si cenusii de la baza focarului este asigurata de catre transportorul de zgura cu racleti si cu viteza variabila.
Separarea cenusii din gazele de ardere este asigurata de 4 celule de electrofiltru alimentate cu tensiune variabila pāna la 55 kV, cu scuturarea periodica a electrozilor emisivi si receptivi. Evacuarea cenusii se face pneumatic si hidraulic, cazanul fiind prevazut cu 3 ventilatoare (suflante) pentru transportarea cenusii pe rigole, 3 compresoare de 30 kW, cu pistoane rotative, pentru transportarea cenusii din pālniile de sub PAR-uri si 2 compresoare de 75 kW, cu pistoane rotative, pentru transportarea cenusii la buncarul de cenusa uscata.
Transportarea cenusii la bazinele pompelor Bagger se face cu 4 ejectori de cenusa, apa pentru ejectorii de cenusa fiind asigurata de 4 pompe de apa bruta pentru toate 4 cazanele, 2 īn functie si 2 īn rezerva, iar transportul hidroamestecului de la bazinele pompelor Bagger la depozitele de zgura si cenusa se face cu 4 pompe Bagger pentru 2 cazane, prin 2 fire de hidroamestec, avānd 2 pompe īn functie, cāte una pe fir, celelalte 2 fiind īn rezerva.
2. Parametrii cazanului Benson
- Debit de abur IP produs 510 t/h
- Presiune maxima abur IP 215 bari
- Presiune nominala abur IP 196 bari
- Temperatura abur IP iesire cazan 540oC
- Presiune apa de alimentare intrare cazan 235 bari
- Temperatura apa alimentare intrare cazan 264oC
- Presiune maxima abur MP 60 bari
- Presiune nominala abur MP intrare cazan 48 bari
- Presiune nominala abur MP iesire cazan 45 bari
- Temperatura abur MP intrare cazan 345oC
- Temperatura abur MP iesire cazan 540oC
3. Descrierea sistemului sub presiune (circuitul apa - abur)
Suprafetele de schimb de caldura pe circuitul apa-abur IP sunt īnseriate, circulatia apei si a aburului realizāndu-se cu ajutorul pompelor de apa de alimentare (EPA sau TPA). Cazanul are doua circuite apa-abur IP si abur MP distincte (2 semicazane), cu reglarea debitului de apa de alimentare si a temperaturii aburului IP si MP separata si cu inversarea circuitului de IP dupa S3 si a circuitului de MP īntre SI1 si SI2.
Numerotarea principalelor armaturi se refera la cazanul 7A, pentru cazanul 7B adaugāndu-se cifra 10, iar la cazanele 8A si 8B cifra unitatilor este cu sot, fiind mai mare cu o unitate decāt la cazanele 7A si 7B. De exemplu: 51 Vh - 61 Vh si 52 Vh - 62 Vh.
3.1. Descrierea propriu-zisa a circuitului apa - abur de IP
Conducta de apa alimentare pentru 2 cazane aferente unui bloc, se ramifica īn doua la cota 10 m, cāte o conducta pentru fiecare cazan, cu urmatoarele armaturi pe fiecare conducta:
- o diafragma pentru masurarea debitului total de apa de alimentare cu transmisie īn C.C.T. - Q1001;
- o vana electrica de izolare 51 Vh, prevazuta cu by-pass cu doua ventile manuale;
- o conducta golire teu dupa vana 51 Vh, la expandorul de la cota 10m;
- un impuls de masura a presiunii (local si cu transmisie īn C.C.T.);
- un impuls de temperatura cu transmisie īn C.C.T.
Dupa vana 51 Vh, conducta pentru alimentarea cazanului 7A se ramifica īn doua, cāte o conducta pentru fiecare parte a cazanului, avānd urmatoarele armaturi:
- o vana manuala de izolare (57 - 77 Vh);
- un ventil de reglare apa alimentare (55 - 75 Vh);

- o clapeta (unisens) de retinere, cu balama (53 - 73 Vh);
- o diafragma pentru masurarea debitului, cu transmisie īn C.C.T.- Q1002;
- o conducta de golire cu f20, la expandorul de la cota 10 m.
Din conducta de apa de alimentare, dupa 51 Vh, se ia racordul pentru injectii abur IP, care se ramifica īn doua, cāte o conducta pentru fiecare colector de injectii, fiecare colector avānd patru injectii, doua pe o parte si doua pe cealalta parte a cazanului. Un colector este īn functie si unul īn rezerva.
Din conductele de apa alimentare, pentru fiecare parte a cazanului, apa de alimentare trece, prin intermediul unor conducte de legatura, īn colectorii de intrare ai economizorului 1, plasati la cota 9,84 m īn partea din fata a tirajului II si de aici, īn economizorul 1, care este format din 2×124 tevi de diametru 38×4,5 din ST 45,8, plasat la partea inferioara a tirajului II, īntre cotele 10,3 si 19 m, format din trei pachete de serpentine orizontale, īn grupuri de cāte doua.
Suprafata de īncalzire a economizorului 1 9060 m2
Temperatura apei la intrare 264oC
Temperatura la iesire 333oC.
Din colectorul de iesire al economizorului 1, cota 19,5 m, apa curge prin tevi de legatura īn colectorii de intrare ai economizorului 2, montati la cota 8,47 m. Economizorul 2 este format din trei rānduri de tevi verticale 2×93 cu diametrul 38×6,3 din 15 Mo, īntre cotele 8,7 si 43,5 m. Ţevile economizorului 2 constituie tevile de sustinere a tevilor schimbatorilor de caldura din tirajul II, si anume: economizorul 1, supraīncalzitorul 1 de IP si supraīncalzitorului 1 de MP.
Suprafata de īncalzire 885 m2
Temperatura apei la intrare 333oC
Temperatura apei la iesire 338oC.
Din colectorul de iesire, care este plasat īn podul cazanului la cota 44 m, apa curge prin tevi de legatura īn conducta coborātoare, amplasata īn afara cazanului, la partea din fata a tirajului II, iar de aici īn colectorul de intrare īn sistemul de vaporizare. Acest colector este plasat la 0,5 m pentru partea dreapta spate focar si pentru partea stānga fata focar. Sistemul de vaporizare cuprinde:
- vaporizatorul 1, format din 2×34 tevi de diametru 38×4,5 din 15 Mo, care ecraneaza camera focara, lateral fata si spate pāna la cota 10 m si lateral stānga si dreapta pāna la cota 18 m;
- vaporizatorul 2, format din 2×34 tevi de diametru 38× 4,5 din 15 Mo, care ecraneaza peretii fata si spate ai camerei focare de la cota 10 m la cota 18 m.
Īntre vaporizatorul 1 si 2 nu exista colectori, vaporizatorul 2 fiind o continuare a tevilor vaporizatorului 1. Īntre vaporizatorul 2 si 3, de asemenea nu exista colector.
Vaporizatorul 3 reprezinta o continuare a celor 2×34 tevi, de diametru 44, 5×5, din 15 Mo, si ecraneaza peretii camerei focare de la cota 18 m pāna la cota 19,5 m.
Īntre vaporizatorii 3 si 4 exista un colector vertical pentru uniformizarea temperaturii, amplasat lateral spate pentru partea dreapta si lateral fata pentru partea stānga.

Colectorul de iesire din vaporizatorul 3 este si colector de intrare īn vaporizatorul 4. Acesta este format din 2×34 tevi, de diametru 51×5,6, din 15 Mo3, si ecraneaza peretii camerei focare de la cota 19,7 m la cota 22,3 m, unde sunt amplasati si colectorii de iesire, dreapta spate si stānga fata.
Suprafata totala de īncalzire a vaporizatorului 2562 m2
Temperatura aburului la iesirea din vaporizator 376oC.
Din sistemul de vaporizare aburul trece, prin colectorii de supraalimentare, īn supraīncalzitorul 1 (S1), care este format din 2 pachete de serpentine orizontale de 2×124 tevi, cu diametrul 38×4 din 15Mo3.
Suprafata de īncalzire: 2591 m2
Temperatura aburului la intrarea īn S1: 372oC
Temperatura aburului la iesire 376oC
Presiunea aburului 218 bari.
Supraīncalzitorul S2 este format din 2×160 tevi de diametru 38×4 din 15 Mo3 si ecraneaza peretii laterali ai tirajului transversal, peretii laterali si spatele partii superioare a tirajului II, de la cota 33 m pāna la cota 43 m, unde se afla colectorul de iesire din S2.
Suprafata de schimb de caldura 780 m2
Temperatura la iesirea din S2 377oC.
Supraīncalzitorul S3 este format din 93+94 tevi de diametru 38×4, din 15 Mo3, orizontale, si ecraneaza plafonul cazanului īn tirajul II, tirajul transversal si camera focara, avānd 2 colectori intermediari pentru uniformizarea temperaturii si un colector final.
Suprafata de īncalzire a S3 534 m2
Temperatura aburului la iesirea din S3 378oC.
Toti colectorii sunt plasati īn podul cazanului, dupa colectorul de iesire din S3 efectuāndu-se inversarea circuitelor pentru uniformizarea temperaturilor, aburul din colectorul de iesire din S3 partea dreapta intrānd īn colectorul de intrare īn S4 partea stānga, iar din colectorul de iesire din S3 partea stānga īn colectorul de intrare īn S4 partea dreapta.
Supraīncalzitorul S4 e format din 4×76 tevi de diametru 38×5 din 15 Mo3 si ecraneaza peretii laterali si fata-spate ai camerei focare de la cota 22,5 la cota 32,5 m.
Suprafata de īncalzire a S4 410 m2
Temperatura aburului la iesirea din S4 429oC.
Colectorul de iesire din S4 este comun si pentru intrarea īn S5 si este montat īn exteriorul cazanului, īn partea din fata a focarului la cota 32 m.
Supraīncalzitorul S5 este format din 2×144 tevi de 31,8×5, din 13CrMo44 si 18CrMo10, si ecraneaza peretii laterali si fata ai camerei focare de la cota 32,5 la cota 43,5 m.
Suprafata de īncalzire 804 m2
Temperatura aburului la iesirea din S5 447oC
Presiunea aburului 207 bari.
Din colectorul de iesire al S5, care este montat la partea din fata a cazanului, la cota 44 m, aburul trece prin schimbatorii de caldura abur-abur, cāte 2 pe fiecare parte a cazanului, īn afara lui, dupa care trece prin colectorul de injectie 1 spre colectorul de intrare īn S6.
Temperatura dupa schimbatorii de caldura este de 431oC, iar dupa injectia 1 este de 417oC.
Supraīncalzitorul S6 este format din 8×50 tevi de diametru 31,8×4×4 si 38×5×5×5,6 din 15Mo3, de diametru 31,8×5,6 din 13CrMo44 si de diametru 31,8×5,6×6,3×7,1 din 10CrMo910. Este amplasat la partea superioara a camerei focare, īntre cotele 30,6 si 44,4 m, si cuprinde 8 pachete de serpentine verticale, īn forma de dublu "U".
Suprafata de īncalzire 1956 m2
Temperatura aburului la iesirea din S6 492oC.
Din colectorul de iesire din S6, aburul intra īn colectorul injectiei 2, unde i se reduce temperatura la 492oC.
Supraīncalzitorul S7 este format din 2×310 tevi de diametru 30×6,3 si 7,1 din 10CrMo910 si este amplasat īntre cotele 33,3 si 44 m. Este montat la partea din fata a tirajului transversal sub forma de serpentine īn "U".
Suprafata de īncalzire 991 m2
Temperatura aburului la iesire 540oC
Presiunea aburului 196 de bari.
Din conducta de abur IP iesire cazan, cāte una pentru fiecare parte a cazanului, se racordeaza o conducta pentru supapa de siguranta cu impuls (comandata), fiecare supapa principala avānd doua grupuri de supape cu impuls, unul īn functie si unul īn rezerva. Pe fiecare conducta de abur IP se gasesc urmatoarele armaturi si puncte de masura:
- o diafragma de masura debit de abur Q1101;
- un punct de masura cu transmisie īn C.C.T. pentru temperatura abur IP;
- un racord pentru statia de by-pass de IP;
- o vana manuala pentru izolarea cazanului (11 si 13 Vv);
- un racord pentru masa de probe.
Cele doua conducte se unesc īntr-una singura īn fata cazanului, pe aceasta conducta aflāndu-se urmatoarele armaturi si puncte de masura:
- o conducta de drenaj la expandorul de la cota 10 m;
- o conducta de aerisire locala;
- un impuls de presiune pentru transmisie īn C.C.T.;
- un impuls de temperatura pentru transmisie C.C.T.;
- vana electrica 15 Vv, cu by-pass cu doua ventile 815 Vv - 813 Vv;
- o diafragma pentru masurarea debitului total de abur;
Dupa diafragma pentru masurarea debitului total de abur de IP, conductele de la iesirea celor doua cazane se unesc īntr-una singura, care merge la corpul de IP al turbinei.

Circuitul
apa-abur este prevazut cu goliri la colectorii inferiori ai
suprafetelor de schimb, cāte 3 conducte pentru fiecare parte a cazanului,
la cota 4,5 m si cāte 4 conducte pentru fiecare parte la cota 10 m,
si cu aerisiri la colectorii superiori, montate pe cazan la cota 47 m.
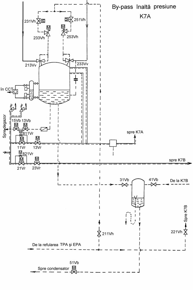
Pentru functionarea cazanului cu turbina oprita (pornire cazan, declansare turbina, racire cazan), acesta este prevazut cu statie de by-pass de IP formata din 2 ventile de reglare presiune-temperatura si balonul de demaraj, prin intermediul carora aburul de IP se destinde si se raceste pāna la parametrii de alimentare ai supraīncalzitorului intermediar. Ventilele de reglare a presiunii au urmatoarele numere - 213 Vv pentru stānga si 233 Vv pentru dreapta, si au o actionare dubla:
- o actionare lenta, care regleaza presiunea aburului īn sistemului de IP atunci cānd aburul nu merge la turbina si care mentine aceasta presiune īn functie de valoarea de consemn. Īn functionarea normala acest consemn este superior cu cca. 10 bar presiunii reale;
- o actionare rapida, care deschide atunci cānd presiunea aburului de IP este mai mare sau egala cu 205 bari. Aceasta deschidere este data de un manometru cu contact montat īn fata vanei 15 Vv (Q1109).
Reducerea temperaturii aburului īn statia de by-pass de IP se face prin laminare si prin injectia cu apa de alimentare din fata PIP-urilor. Injectia cu apa de alimentare intra īn corpul vanelor de reglare a presiunii prin doua conducte la fiecare vana, existānd urmatoarele armaturi:
- o vana manuala de izolare montata pe conducta comuna la cota 24 m (211 Vh), 2 ventile electrice pe fiecare parte, unul de izolare, cu cursa "tot sau nimic", si unul de reglare avānd urmatoarele numere: 231 Vh stānga si 251 Vh dreapta, respectiv 233 Vh si 253 Vh.
Din balonul de demaraj aburul trece īn SII prin doua conducte, racordate la partea superioara a balonului de demaraj, īn conducta de abur intermediar rece dupa vanele 11 si 13 Vr. Apa formata īn balonul de demaraj īn timpul functionarii cazanului sau rezultata īn urma circulatiei, cānd cazanul nu este pornit, se descarca īn degazor, atunci cānd presiunea īn balonul de demaraj, respectiv īn SII, este mai mare decāt presiunea din degazor. Cānd presiunea īn balonul de demaraj este mai mica decāt presiunea din degazor aceasta apa se descarca īn expandorul de la cota 10 m, si de acolo fie la condensator prin 51 Vb, fie la canal prin conducta de preaplin.
Reglarea nivelului īn balonul de demaraj se realizeaza spre degazor cu 15 Vb pe automat, si spre expandorul de la cota 10 m cu 31 Vb pe automat, la deschiderea completa a lui 15 Vb. Scoaterea si punerea pe automat a vanei 15 Vb corespunde si pentru 31 Vb. Pe conducta de golire a balonului de demaraj mai sunt urmatoarele armaturi:
- o vana electrica de izolare 13 Vb si o clapeta de retinere, īn amonte de 15 Vb.
Pentru mentinerea īn stare calda a balonului de demaraj acesta este prevazut cu o conducta de legatura, cu diuze de 5 mm, īntre conducta de abur IP īnainte de 233 Vv si partea inferioara a balonului (actualmente aceasta conducta este blindata).
Precizare referitoare la circuitul de apa-abur: cazanul este īmpartit pe circuitul apa-abur īn doua circuite distincte stānga-dreapta, cu mentiunea ca dupa S3 se face o inversare a circuitelor. Pentru usurarea exploatarii, comanda ventilelor de reglare a debitului de apa de alimentare de pe partea dreapta, se comanda normal din partea stānga a pupitrului īn C.C.T., iar ventilul amplasat la fata locului īn partea stānga se comanda din partea dreapta a pupitrului īn C.C.T., pentru a corespunde circuitului de abur IP la iesirea din cazan.


4. Descrierea circuitului aburului supraīncalzit intermediar (SII)
De la esaparea corpului de IP al turbinei, aburul trece īn sala cazane, printr-o singura conducta, spre cele doua cazane aferente unui bloc, pāna la cota 20 m, unde se ramifica īn doua, cāte o conducta pentru fiecare cazan. Pe conducta corespunzatoare cazan sunt prevazute urmatoarele armaturi si puncte de masura:
- o vana electrica de paralel 11 Vr, cu by-pass electric 811 Vr;
- o vana electrica de izolare 13 Vr;
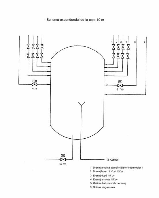
- īntre cele doua vane este racordata o conducta de drenaj la expandorul de la cota 10 m;
- racordul celor doua conducte de abur de la balonul de demaraj;
- injectia auxiliara.
Dupa injectia auxiliara, aceasta conducta se ramifica la rāndul ei īn doua, cāte una pentru fiecare parte a cazanului. Aburul intermediar poate fi trecut prin intermediul unui ventil cu trei cai, prin schimbatorul de caldura abur-abur sau direct spre SII 1, conducta facānd o lira pe partea laterala a cazanului. Din aceasta lira se racordeaza un drenaj la expandorul de la cota 10 m si o golire la cota 10 m.
Supraīncalzitorul SII 1 este montat īn tirajul II sub forma de serpentine orizontale si verticale īntre cota 31 m si cota 43,5 m, si este format din 9×62 tevi de diametru 44,5×3,6 din ST 35,8 si 15Mo3.
Suprafata de īncalzire 3118 m2
Temperatura aburului la intrarea īn SII1 356oC
Temperatura aburului la iesire 460oC.
Supraīncalzitorul SII 2 este montat īn tirajul transversal sub forma de serpentine verticale īn dublu "U", īntre cota 35 si cota 43 m. Este format din 7×62 tevi de diametru 44,5×3,6 din 15Mo3, 13CrMo44 si 10CrMo910.
Suprafata de īncalzire 2183m2
Temperatura aburului la intrarea īn SII2 460oC
Temperatura aburului la iesire din SII2 540oC
Īntre SII1 si SII2 se face o inversare a circuitelor si se introduce injectia stānga si dreapta pentru reglarea temperaturii. Apa de injectie pentru reglarea temperaturii aburului SII stānga si dreapta si pentru injectia auxiliara este prelevata de la priza TPA si EPA la o presiune de 60 bari.
Fiecare conducta de abur SII este prevazuta la iesirea din cazan cu un racord pe care sunt montate:
i) doua supape de siguranta cu resort tip Jaspar, capabile sa evacueze īn atmosfera īntreaga cantitate de abur SII produsa de cazan si care sunt reglate sa deschida la o presiune de 60 bari;
ii) un ventil de esapare prevazut cu doua actionari:
- o actionare lenta care mentine pe automat presiunea īn SII, īn functie de valoarea de consemn;
- o actionare pentru deschiderea rapida atunci cānd presiunea aburului este egala cu 52 bari.
Aceste ventile sunt capabile sa descarce īn atmosfera īntreaga cantitate de abur SII produsa de cazan la un moment dat. Ventilele de esapare sunt utilizate cānd cazanul functioneaza iar turbina nu sau nu se utilizeaza īntreaga cantitate de abur, iar statia de by-pass de MP nu are conditii sa poata fi deschisa.
Īn continuare, pe conductele de abur SII exista:
- un punct de masura temperatura cu transmisie īn CCT;
- un impuls pentru masa de proba,
dupa care cele doua conducte se unesc īntr-una singura prevazuta cu o clapeta de reglare a debitului de abur prin supraīncalzitorul intermediar (71 Vr), montata la cota 27 m;
- un racord pentru statia de by-pass de MP;
- statia de by-pass de MP formata din ventilul de laminare 211 Vr si ventilele de injectie 155 Vh;
- o vana electrica de izolare 73 Vr;
- o vana de paralel 75 Vr, cu by-pass 875 Vr;
- o conducta de drenaj local si una la condensator īntre vanele 73 si 75 Vr;
- un punct de masura temperatura abur īnainte de 73 Vr si īnainte de 211 Vr cu transmisie īn CCT si īnregistrare.
5.C01-02 ARMATURI DE SIGURANTA: SUPAPE ABUR IP SI MP
Pe circuitul de apa-abur (sistemul sub presiune) cazanul este prevazut cu urmatoarele armaturi de siguranta:
- doua supape de siguranta comandate (cu impuls) pentru circuitul de IP, tip Sempell, cāte una pentru fiecare parte a cazanului. Fiecare supapa de siguranta are doua circuite de comanda distincte, cu supapa (de impuls);
- cāte doua supape de siguranta cu resort tip Jaspar pe fiecare parte a cazanului, pentru circuitul aburului intermediar.
5.1. Descrierea functionala si constructiva a supapei de siguranta "Sempell"
Aceste supape au o importanta deosebita pentru cazan, deoarece la o scadere brusca a consumului de abur (declansarea sau descarcarea brusca a sarcinii turbinei), pāna la deschiderea completa a statiei de by-pass de IP si reducerea corespunzatoare a sarcinii pe cazan, presiunea ar creste foarte mult si ar duce la spargerea tevilor din sistemul de IP al cazanului (ECO, VAPO, SI). Cele doua supape de siguranta sunt capabile sa evacueze īn atmosfera īntreaga cantitate de abur produsa de cazan la un moment dat. Fiecare supapa este compusa dintr-un ventil principal comandat si 2 dispozitive de comanda, unul fiind īn rezerva si celalalt īn functiune.
Dispozitivul de comanda se compune dintr-un ventil cu resort, un ventil de retinere si 2 ventile de izolare. Ventilul principal (supapa propriu-zisa) este construit sub forma unui piston simplu, ghidat, care etanseaza pe un scaun plat. Functionarea lui este simpla, īnchiderea realizāndu-se pe baza diferentei de sectiune a celor doua fete sub presiune ale pistonului.
Pentru amortizarea deschiderii supapei, deasupra pistonului principal se afla un piston mic īntr-un cilindru cu orificii, care prin obturarea acestor orificii de descarcare īn timpul deschiderii, amortizeaza si limiteaza deschiderea supapei.
Refacerea presiunii de lucru si īnchiderea supapei pistoanelor este asigurata printr-un orificiu pus īn legatura cu camera de la partea superioara a pistonului, unde sectiunea activa a pistonului este mai mare decāt sectiunea pistonului.
Dispozitivul de comanda (supapa de impuls), compus din ventilul cu resort si ventilul de retinere, este racordat la conducta de abur de IP (ventilul cu resort), si la camera de deasupra pistonului (ventilul de retinere), cu ventile de izolare pe ambele conducte de impuls.
Ventilul cu resort este prevazut cu conducte de golire. Ventilul de retinere e prevazut cu golire si aerisire.
La cresterea presiunii īn conducta de abur de IP pāna la presiunea de lucru a supapei de 215 bar aceasta creste si īn ventilul cu resort, īnvingānd forta resortului, deschizānd ventilul care admite aburul la partea inferioara a ventilului de retinere, partea superioara a ventilului de retinere fiind sub presiune prin conducta de impuls luata din camera de deasupra pistonului ventilului principal. Aburul admis la partea inferioara a ventilului de retinere īmpinge talerul cu percutor īn sus si se descarca īn atmosfera, tinānd totodata percutorul ridicat. Percutorul ridicat deschide pistonul, care admite descarcarea aburului aflat deasupra pistonului principal, pe lānga el. Orificiul de alimentare cu abur a spatiului de deasupra pistonului principal fiind prea mic īn comparatie cu conducta de descarcare, presiunea din spatiul superior al pistonului principal scade brusc, acesta fiind īmpins īn sus de catre presiunea din conducta, deschizānd ventilul si esaparea aburului īn atmosfera.
Pentru a se evita blocarea pistonului pe deschis, prin frecarea metal pe metal, cursa acestuia este limitata de catre pistonul amortizor cu segmenti, care obtureaza orificiile de descarcare din ghidaj, acumulānd īn fata sa presiune, care limiteaza si amortizeza cursa pistonului mare. Pentru o functionare corecta si pistonul mare este prevazut cu segmenti de etansare.
La scaderea presiunii īn conducta de abur, si deci si īn ventilul cu resort, acesta se īnchide prin destinderea resortului, īnchizānd aburul spre ventilul de retinere. Clapeta cu percutor cade īn jos, fiind īmpinsa de presiunea aburului care loveste īn aripioarele percutorului, pistonul cade liber si īnchide evacuarea aburului din spatiul de deasupra pistonului mare. Prin orificiul de admisie, presiunea īn spatiul de deasupra pistonului se reface, iar prin diferenta de sectiune (respectiv forta), duce la īnchiderea ventilului principal, oprind esaparea aburului īn atmosfera.
Conductele sub presiune ale supapelor principale sunt din 20CrMoV121 de diametru 600×6. Supapa de siguranta este supradimensionata pentru a rezista la 400 de bari.
Presiunea de lucru 215 bari si temperatura de lucru 540oC.
Ventilul principal si ventilul de retinere nu se regleaza.
5.2. Descrierea functionala si constructiva a supapelor de siguranta cu
resort de pe circuitul de abur MP tip "Jaspar"
Supapele de siguranta cu resort tip "Jaspar" au rolul de a proteja supraīncalzitorul intermediar al cazanului, la cresterea presiunii īn acest circuit, īn cazul scaderii bruste a consumului de abur prin declansarea sau descarcarea brusca a sarcinii turbinei, cānd esaparile nu deschid rapid, pāna la reducerea corespunzatoare a sarcinii si deschiderea esaparilor si a statiei de by-pass de MP, īmpiedicānd spargerea tevilor SII.
Circuitul de MP al cazanului este prevazut cu 4 supape de siguranta de tip Jaspar, cāte 2 pe fiecare parte a cazanului, cu racord independent. Supapele sunt dimensionate sa evacueze īn atmosfera toata cantitatea de abur produsa de cazan la un moment dat.
Supapa de siguranta este o supapa cu sarcina prin resort, cu scaun plat de tip cu reactie, care da descarcarea maxima si are o foarte mica abatere īntre presiunea de deschidere si cea de īnchidere. Este o conceptie simpla si, datorita materialelor de calitate, cu functionare de lunga durata. Dispozitivul de reglare a supapelor permite obtinerea unei presiuni de īnchidere inferioara cu 2% presiunii de deschidere. Pentru a se evita o functionare instabila, cu īnchideri si deschideri repetate, aceasta se regleaza cu presiunea de īnchidere mai mica cu 4% fata de cea de deschidere.
Variatiile de temperatura au o influenta mica asupra reglajului presiunii de deschidere. Aceasta este data de constructia cu coloane, care asigura o compensare a dilatarilor si cu deflector exterior, care izoleaza resortul de proiectiile de abur īn timpul suflarii. Discul obturator si deflectorul sau au ghidajul independent de cel al pieselor exterioare care asigura apasarea resortului.
Aceasta apasare se face printr-o suprafata sferica. Oricare ar fi deformarile prin īncalziri neregulate, nu este posibila nici o frecare. Eforturile ramān īntotdeauna sensibil axiale, iar functionarea pieselor mobile nu poate fi īmpiedicata. Discul obturator primeste apasarea printr-o suprafata sferica striata care īi permite sa calce perfect uniform pe scaunul sau. Resortul, de fabricatie prinsa, transmite apasarea prin suprafetele sferice. Discul este din otel inoxidabil, special tratat, si proportionat pentru a fi putin sensibil la variatiile bruste de temperatura care se produc īn timpul īnchiderii si deschiderii. Scaunul este īnzestrat cu metal stelitic depus si verificat cu grija. Corpul scaunului, din metal de aceeasi natura cu corpul supapei, este sudat īn aceasta, ceea ce garanteaza etanseitatea asamblarii.
Un tratament termic final asigura perfecta stabilitate a corpului, scaunului si a partii stelitice. Striatiile concentrice facute pe suprafata de ghidaj evita rotatia si vibratiile, centrānd totodata fara frecare piesele mobile. Discul ecran trimite īn jos aburul care scapa prin ghidaj īn timpul suflarii si protejeaza personalul aflat īn apropierea supapei.
El protejeaza de asemenea partile superioare, si īn special resortul, contra īncalzirii bruste, provocata de trecerea aburului īn jurul ghidajului. Levierul de descarcare, manevrat manual, permite verificarea īn timpul functionarii ca supapa este buna. Supapa poate fi demontata usor si curatata fara dereglarea resortului.
6. C01-03 MANEVRE DE EXPLOATARE
6.1. Pregatirea pentru pornire a sistemului apa - abur al cazanului
Se controleaza ca toate lucrarile sa fie terminate, autorizatiile de lucru īnchise, materialele si personalul de la reparatii sa fie īndepartat. Se controleaza si se pozitioneaza armaturile cazanului dupa cum urmeaza:
- vana de apa de alimentare 51 Vh si by-passul ei 851 Vh vor fi īnchise si scoase de sub tensiune;
- vanele manuale apa alimentare stg.-dr. deschise;
- ventilele de reglaj īnchise;
- toate ventilele de golire de pe circuitul de IP, inclusiv din teu cota 10 m, īnchise;
- golirile circuitului de MP deschise;
- toate aerisirile cazanelor de la cota 47 m deschise;
- supapele de siguranta de impuls īn schema normala;
- vanele manuale abur IP deschise (11 si 13 Vv);
- vana 15 Vv si by-pass-ul 815 Vv īnchise;
- ventilele de reglare a presiunii 213 Vv, 233 Vv pe manual īn pozitie 50% si sub tensiune;
- ventilele de drenaj abur MP dintre vanele 11 si 13 Vr si din lira din fata SII1 si ventilele de drenaj ale conductei de abur IP, dupa 15 Vv, deschise;
- ventilele de esapare abur MP 151 Vr si 171 Vr se vor deschide 50% si se vor pune sub tensiune ;
- vana manuala de pe injectia la balonul de demaraj si ventilele de īnchidere si reglare injectie balon demaraj īnchise, iar ventilele electrice sub tensiune;
- vana 13 Vr deschisa, vanele 11 Vr si 811 Vr īnchise si scoase de sub tensiune;
- 31 Vb īnchisa si sub tensiune;
- toate aparatele de masura locale si cu transmisie īn CCT si traductoarele de debit īn functie;
- aparatele īnregistratoare de debit si temperatura cazan din CCT vor fi pornite.
6.2. Pornirea cazanelor
Se umple circuitul de apa alimentare cu apa pāna īn fata vanelor 51 - 61 Vh prin punerea īn functie a unui prefiltru, deschiderea vanei de la aspiratia si refularea unei EPA, [punerea sub presiune a unui sir de PIP-uri].
Īn timpul umplerii, toate aerisirile conductelor de apa alimentare EPA [si PIP-uri] vor fi deschise si se vor īnchide numai atunci cānd pe ele va curge apa fara aer. Cānd ultima aerisire a fost īnchisa (īnainte de 51 Vh), circuitul se considera plin cu apa si se trece la pornirea unei EPA.
ATENŢIE: Īnaintea pornirii primei EPA se vor īnchide vanele manuale de apa alimentare intrare īn PIP-uri, ambele siruri, si vana manuala de ocolire a PIP-urilor pentru a se evita distrugerea pompei prin deplasare axiala la debit mare si presiune mica pe refulare. Dupa revenirea la valoarea normala a amperajului motorului EPA, se regleaza presiunea de refulare a EPA la 150 bar, se pun sub presiune PIP-urile si conducta pāna la vanele 51 si 61 Vh.
Pentru pornire, īntreg circuitul apa-abur de IP se umple cu apa sub presiune dupa cum urmeaza:
- se deschide complet 851 Vh;
- se deschid 30% ventilele de reglare apa alimentare īn asa fel īncāt presiunea sa fie īn jur de 50 bar si debitul total īn jur de 150 t/h. Īn aceasta schema cazanul se umple complet cu apa īn circa o ora.
Odata cu aparitia īn mod continuu a apei la aerisiri, acestea se īnchid, cazanul fiind plin cu apa. Se ridica presiunea cu 10 bar/min. la 50 bari, prin strangularea ventilelor de reglare. La aceasta presiune se deschid complet ventilele fiecarei aerisiri si se īnchid (aerisire sub presiune). Dupa terminarea aerisirii sub presiune, se ridica īn continuare presiunea cu 10 bar/min. la 150 bari, se aduce valoarea de consemn a presiunii pentru statia de by-pass de IP cu abaterea pe pozitia "0" si se pun pe automat ventilele de reglare, cu consemnul de presiune la 150 bar. Se pune sub tensiune 51 Vh si se īnchid ventilele de reglare debit apa alimentare īn asa fel īncāt presiunea īn teul apei de alimentare sa fie egala cu presiunea din fata 51 Vh, citita la refularea EPA, Dp pe 51 Vh = 0. Se deschide 51 Vh, se deschid ventilele de reglare apa alimentare pe pozitia corespunzatoare unui debit de 100 t/h pentru fiecare parte. Se aduce consemnul de pozitie a ventilelor de reglaj cu abaterea pe "0" si se pun pe automat ventilele de reglare apa alimentare. Īn aceasta situatie, cu ventilele de reglare apa alimentare pe automat, consemnul la 100 t/h pe fiecare parte, cu ventilele de reglare presiune pe automat cu consemnul la 150 bar, cu descarcarea apei din balonul de demaraj la expandorul de la cota 10 m si de acolo la canal, se īncepe spalarea cazanului, dupa cum urmeaza:
- cu temperatura apei de alimentare 80oC, se spala cazanul prin evacuarea la canal timp de 2 ore cu 200 t/h pe fiecare parte. Daca nu este posibila asigurarea a 400 t/h apa pentru a fi evacuata la canal, atunci spalarea se efectueaza pe cāte o parte cu 200 t/h, dupa care se trece pe cealalta parte. Prin analiza apei la iesirea din cazan se urmareste cantitatea de Fe si cānd aceasta este sub 100 mg/l se va īncepe spalarea īn circuit īnchis: cazan-expandor cota 10 m-condensator-filtre cu celuloza-degazor. Īn aceasta faza debitul de apa de alimentare va fi de 100 t/h pe fiecare parte, urmarindu-se scaderea fierului sub 20 mg iar a O2 sub 200 mg.
Scaderea continutului de O2 se face prin īncalzirea apei īn degazor la 100oC, iar aceasta operatie se face cu vid īn condensator. Cānd continutul de Fe īn condensatul principal este mai mic de 20 mg acesta se trece prin filtrele ionice.
Spalarea se considera terminata, putāndu-se aprinde focul īn cazan, atunci cānd apa de alimentare va avea urmatorii indici:
- O2 30 mg/l
- Fe 50 mg/l
- SiO2 20 mg/l
- conductivitate 2 mS/cm
- pH 8,5
- duritate nedeterminata
Aceasta spalare este necesara numai dupa opriri de lunga durata (minim 3 zile), īn celelalte cazuri nefiind necesara, spalarea facāndu-se prin evacuarea la canal a condensatului timp de circa 30 minute, dupa care se trece īn circuit īnchis.
Īn continuare, se trece la pornirea propriu-zisa, aprinzāndu-se pe rānd, īn timp de 8 minute, cele patru arzatoare inferioare de gaze, cu un debit de gaz de cca 12000 Nm3/h. Se deschid drenajele conductelor de abur MP cald si rece la condensator si ale conductei de IP. Cānd temperatura aerului dupa PAR-uri este mai mare sau egala cu 160oC se pornesc pe rānd patru mori. Reglarea combustibilului se face astfel īncāt temperatura aburului la iesire din cazan sa nu depaseasca urmatorul gradient de crestere a temperaturii:
- pāna la 300oC 12oC/min
- pāna la 400oC 8oC/min
- pāna la 540oC 5oC/min
La scaderea temperaturii aburului, nu trebuie depasite urmatoarele valori:
- de la 540 la 400oC 3oC/min
- de la 400oC īn jos 8oC/min.
Cānd temperatura aburului la iesirea din cazan este mai mare decāt ts (cazanul a iesit din saturatie), se deschide drenajul din fata lui 15 Vv la expandor. Cānd presiunea īn supraīncalzitorul intermediar este mai mare de 5 bar, se īnchid golirile pe intermediar.
Īn timpul pornirii nivelulul īn balonul de demaraj trebuie mentinut īn jur de 300÷400 mm. Apa din balon se descarca la expandorul de la cota 10 m prin 31 Vb, pāna cānd presiunea aburului de MP este mai mare decāt presiunea din degazor, īn acel moment trecāndu-se la descarcarea īn degazor prin 15 Vb. Aburul din balonul de demaraj trece īn SII, iar de acolo este esapat īn atmosfera, pāna la presiunea de 3 bar, cānd se deschide statia de by-pass de MP, se īnchid esaparile si se pun pe automat cu consemnul de presiune la 20 bar. Cānd temperatura aburului de IP si a celui de MP la iesirea din cazan este mai mare de 400oC, se īncepe īncalzirea conductelor de abur de IP si MP cald si rece.
Īncalzirea conductelor de IP se face prin deschiderea treptata īn 5 trepte a by-pass-ului 815 Vv, avānd drenajele 601-603 Vv si 611-613 Vv deschise. By-pass-ul 813 Vv este deschis complet. Cresterea temperaturii conductei de IP se face cu maxim 5oC/min. La fiecare treapta de deschidere se asteapta 7 minute, timp necesar ca temperatura metalului conductei (la exterior, T6604) sa se stabilizeze si sa fie egala cu temperatura aburului de purja T6605.
Cānd temperatura īn conducta de abur IP, reper T6604, este mai mare de 350oC, se īnchide drenajul conductei de abur de IP dupa 15 Vv, si drenajele 603 si 613 Vv, īn asa fel īncāt presiunea aburului īn conducta de IP sa fie egala cu presiunea aburului de IP la iesirea din cazan (Dp vana 15 Vv = 0). Se deschide vana 15 Vv si se īnchid 815 si 813 Vv. Īn continuare, cresterea temperaturii īn conducta de IP se realizeaza prin deschiderea treptata a drenajului 613 Vv, respectāndu-se o crestere de maxim 5oC/min.
Terminarea īncalzirii conductei de IP se considera īncheiata cānd temperatura conductei este egala cu temperatura aburului la iesirea din cazan. Īncalzirea conductei de abur de MP cald se efectueaza prin deschiderea lui 875 Vr, iar a conductei de abur de MP rece prin deschiderea lui 811 Vr. Vana de paralel, 75 Vr, se va deschide atunci cānd temperatura conductei de abur de MP cald, īn fata turbinei, este mai mare de 400oC si dupa ce presiunile dinainte si dupa 75 Vr sunt egale. Vana 811 Vr este deschisa complet, iar 11 Vr se va deschide atunci cānd la drenajul local de pe conducta de abur de MP rece (lānga TPA) iese abur uscat, iar presiunile dinainte si dupa 11 Vr sunt egale.
Dupa deschiderea vanelor de paralel 15 Vr, 11 Vr si 75 Vr se īnchid by-pass-urile acestora si drenajele conductelor spre expandorul de la cota 10 m. Dupa deschiderea vanei 15 Vv, se ridica presiunea īn cazan la presiunea de lucru (196 bari), cu 4 bar/min., prin modificarea consemnului de presiune pentru statia de by-pass de IP. Se va īncarca EPA astfel īncāt ventilele de reglare apa de alimentare sa aiba zona de reglare.
Pāna la atingerea temperaturii de saturatie īn cazan, viteza de crestere a temperaturii se realizeaza numai actionānd asupra arderii. Dupa depasirea temperaturii de saturatie, īncepānd cu 450oC, reglarea temperaturii aburului de IP se face cu ajutorul injectiilor, iar la temperatura de 490oC se va actiona atāt asupra temperaturii aburului de IP cāt si a celui de MP.
Pentru a se evita variatia temperaturii aburului de MP (prin scaderea acesteia) īn timpul saturatiei, aceasta va fi mentinuta prin injectii la valoarea de 200oC pāna cānd circuitul de IP a ajuns la temperatura de saturatie, dupa care injectiile se īnchid, respectāndu-se aceeasi rata de crestere a temperaturii ca si pentru aburul de IP. Atunci cānd turbina a fost pornita, pe masura ce se admite abur īn turbina, se īnchid statiile de by-pass de IP si MP pe manual, iar dupa īnchiderea completa a acestora se ridica valoarea de consemn a presiunii cu cca 15 bari mai mult (abatere 10%) si se cupleaza pe automat statia de by-pass de IP, statia de by-pass de MP si esaparile. Īn continuare se ridica temperatura aburului de IP si MP pāna la 540oC si se ridica sarcina pe cazan la valoarea nominala. Dupa īnchiderea completa a statiilor de by-pass de IP si de MP se trece reglarea apei de alimentare pe "reglaj sarcina", dupa cum urmeaza:
- se scot ventilele de reglare apa de alimentare de pe automat;
- se apasa butoanele "Creste" si "Scade" ale consemnatorului de sarcina pāna cānd abaterile ventilelor de reglare ajung pe "0". Daca la unul dintre ventile abaterea nu ajunge pe "0", atunci se va actiona asupra regulatorului de corectie de la injectii. Cānd abaterile de reglare sunt pe "0" se cupleaza pe automat, orice interventie asupra debitului de apa de alimentare fiind posibila din consemnatorul de sarcina al cazanului.
6.3. Supravegherea cazanului īn timpul functionarii
Operatorul cazane din CCT supravegheaza parametrii cazanului, ca de exemplu: temperatura abur IP si MP, atāt temperatura finala cāt si temperatura pe zone, presiunea aburului de IP si MP, tirajul īn camera focara, continutul de O2 īn gazele de ardere, presiunea aerului īnainte si dupa PAR-uri, temperatura amestecului dupa moara, valorile acestor parametri fiind cele din fisele de regim. Urmareste, de asemenea, pozitia principalelor armaturi. La o cadere mare a debitului de apa trebuie redusa imediat, īn mod corespunzator, cantitatea de combustibil, chiar daca temperatura aburului nu se modifica. La fel se va proceda si la scaderea debitului de combustibil, scazānd debitul de apa.
Acest lucru se are īn vedere deoarece circuitul complet al apei īn cazan dureaza 8 minute.
6.4. Oprirea cazanului
Īnainte de oprirea cazanului se controleaza si se deschid:
- ventilele de by-pass apa alimentare 851 Vh;
- vana manuala injectie balon demaraj;
- se trece pe deblocat cheia de protectie la īnchiderea vanelor 11 si 13 Vr.
Se trece la oprirea cazanului astfel:
- Se reduce sarcina pe cazan prin reducerea concomitenta a debitului la minim (200t/h). Debitul de combustibil se reduce prin descarcarea si oprirea unei mori si reducerea debitului de combustibil pe celelalte.
- Se īncepe preluarea debitului de abur de IP si MP prin statiile de by-pass de IP si MP, cu deschiderea pe manual a acestora, pāna cānd debitul total de abur de IP arata "0", iar statia de by-pass de MP este deschisa cca. 90%.
- Se īnchid vanele de paralel 15Vv, 11Vr si 75Vr.
- Se stinge focul īn cazan prin apasarea butonului de oprire din pupitrul CCT.
- Se trece pe automat statia de by-pass de IP, cu consemnul la 200 bar, presiune ce trebuie mentinuta pāna la īnchiderea completa a vanei 51 Vh.
- Se trec pe manual ventilele de reglare apa alimentare si se īnchid complet.
- Se īnchide 51 Vh.
- Se scot de sub tensiune: 15 Vv, 11 Vr, 75 Vr, 51 Vh, 815 Vv, 813 Vr, 875 Vr.
- Dupa īnchiderea completa a vanei 51 Vh se īnchide al doilea ventil 851 Vh.
- Se īnchid vanele manuale de apa alimentare.
- Se trece la racirea cazanului cu maxim 5oC/min. prin deschiderea simultana a statiilor de by-pass de IP si MP, urmarindu-se scaderea temperaturii aburului de IP si MP si a conductei abur de MP īnaintea lui 73 Vr.
- Cānd temperatura aburului de IP si MP este mai mica de 200oC se trece la golirea cazanului.
- Se īnchide statia de by-pass de MP si se deschid esaparile īn atmosfera.
- Se deschid golirile la ECO 1 si ECO 2, VAPO, SI si SII.
- Se deschid aerisirile de la cota 47 m si drenajele de MP. Īn timpul opririlor de lunga durata sau pe timp de iarna, golirea cazanului se īncepe la temperatura de 250oC, pentru evacuarea totala a apei prin expandare, pentru a se evita coroziunea si īnghetul.
6.5. Pornirea dupa declansare.
Dupa declansarea cazanului, acesta se raceste prin deschiderea statiilor de by-pass de IP si MP, pāna cānd temperatura aburului de IP scade sub temperatura de saturatie, adica mai putin de 350oC, dupa care se īncepe alimentarea cu apa si se procedeaza ca la pornirea cazanului din stare rece.
7. C01-04 REGLAJE AUTOMATE ALE CAZANULUI
- Reglare automata apa alimentare.
- Reglare automata temperatura abur supraīncalzit de IP.
- Reglare automata presiune īn cazan cu statia de by-pass de IP.
- Reglare automata temperatura balon de demaraj.
- Reglare automata temperatura abur supraīncalzit intermediar.
7.1. Reglarea automata a apei de alimentare
Reglarea automata a apei alimentare a fost prevazuta initial īn 3 variante de reglare (selectorul V1.02.09.):
3. sarcina fixa prin ventilele de by-pass
2. sarcina fixa prin ventilele de reglare
1. sarcina reglabila din consemntor sarcina cazan.
Din motive de exploatare varianta 3 a fost desfiintata, ventilele fiind anulate.
Varianta 2: Sarcina fixa prin ventilele de reglare. Se consemneaza debitul de apa din PT/L72, consemn care se compara cu debitul de apa de alimentare dat de traductorul Q1002.04 si cu diferenta īntre dt consemnat pentru injectia 1 si dt realizat pe injectia 1 dat pe regulatorul PI E42 īn sumatorul algebric, abaterea rezultata fiind trimisa cu semnul + sau - la regulatorul PI A42, care prin intermediul contactorului comanda ventilul de reglare la īnchis sau la deschis. Debitul de apa modificat prin deschiderea ventilului actioneaza si opreste īnchiderea sau deschiderea ventilului de reglare. Ventilul de reglare apa alimentare are indicator de pozitie si abatere + care este data de diferenta dintre debitul de apa consemnat si debitul de apa real. Cānd abaterea este spre - ventilul trebuie sa deschida, iar cānd este spre + trebuie sa īnchida. Atāta timp cāt indicatorul de pozitie este spre "0" ventilul de reglare este īn pozitia de repaus.
Īn varianta 1 de sarcina reglabila, consemnul debitului de apa alimentare este dat de consemnatorul de sarcina cazan PT/M55.
Reglajul lucreaza īn continuare tot ca īn varianta 2, cu exceptia faptului ca se cupleaza si un semnal de corectie a sarcinii cazanului F66, corectie īn care se īnsumeaza debitul, presiunea si temperatura aburului IP la iesirea din cazan. Schema de reglare apa alimentare este data īn figura alaturata. Reglarea nivelului īn colectorii de supraalimentare s-a desfiintat, deoarece ventilele s-au anulat.
7.2. Reglarea automata a temperaturii aburului supraīncalzit de IP.
Reglarea temperaturii aburului de IP se efectueaza cu ajutorul a doua injectii cu apa de alimentare, pentru fiecare parte a cazanului, injectia 1 īnainte de S6 si injectia 2 īnainte de S7, si lucreaza īn cascada, de la iesire spre apa de alimentare, dupa cum urmeaza:
- valoarea temperaturii aburului de IP se consemneaza prin V5.04.02 pentru ambele parti, consemnator ce are indicator gradat de la 450 la 550oC. Aceasta valoare de consemn este comparata cu valoarea data de TR 1114.01 īntr-un sumator algebric, diferenta fiind transmisa regulatorului PID V5.04.08, care are rolul de a prelua gradul de depuneri pe tevile S7. Dupa regulatorul PID rezulta temperatura ce ar trebui sa fie īnaintea S7, valoare care se compara cu temperatura reala īnaintea S7, respectiv dupa injectia 2. Diferenta este transmisa regulatorului PID, care prin intermediul contactorului comanda deschiderea sau īnchiderea ventilului de reglare (de injectie). Deschiderea sau īnchiderea ventilului are ca urmare scaderea sau cresterea temperaturii, dupa care injectia si TR 1113.01 avānd rol si de reactie, opreste comanda, modificānd valoarea semnalului īnaintea regulatorului PID. Ventilul de reglare are indicator de pozitie cu abatere.
I. Cānd abaterea a este la -, ventilul de reglare injectie īnchide, si invers, cānd abaterea este la + consemnul pentru injectia 1 este dat de diferenta dintre consemnul dt injectia IIY dat de V4.05.01 real pe injectia 2 dat pe TR 1112.01 - TR 1113.01 si actioneaza asupra regulatorului PID V4.05.02 dupa care rezulta valoarea pe care ar trebui sa o aiba temperatura aburului īnaintea lui S6. Aceasta valoare se compara īn sumatorul algebric cu valoarea reala a temperaturii īnaintea lui S6 data de traductorul TR 1111.01, diferenta fiind transmisa regulatorului PI V4.05.05, care prin contractorul V4.05.08 actioneaza asupra ventilului de reglare al injectiei 1 pe care īl deschide sau īl īnchide.
Deschiderea sau īnchiderea ventilului de reglare au ca efect cresterea sau scaderea temperaturii aburului, efect sesizat de TR 1111.01, care are ca rol de reactie pentru limitarea īnchiderii sau deschiderii ventilului de reglare a injectiei, consemnul pentru corectia debitului de apa de alimentare este dat de diferenta īntre dt fixat pentru injectia 1 si dt real pe injectia 1 dat de TR 1101.01 - TR 1101.01 care actioneaza ca corectie a debitului de apa de alimentare prin intermediul regulatorului PI E42.
7.3. Reglarea automata a temperaturii aburului supraīncalzit de MP.
Reglarea temperaturii aburului supraīncalzit MP se efectueaza cu ajutorul unei injectii cu apa de alimentare la 60 bar luata din priza EPA si a TPA pentru fiecare parte a cazanului, īnainte de SII2 si o injectie suplimentara cu comanda manuala de la distanta pe conducta comuna, īnainte de ramificarea spre schimbatorii de caldura. Reglarea automata a temperaturii aburului de MP lucreaza īn functie de valoarea consemnata prin V7.06.02 - temperatura aburului de MP la iesirea din cazan, care se compara cu valoarea reala data de TR 1206 īn sumatorul algebric.
Diferenta este transmisa regulatorului PID dupa care rezulta o valoare a temperaturii aburului de MP īnainte de SII2, respectiv dupa injectie. Aceasta valoare se compara cu valoarea reala data de TR 1205, diferenta fiind transmisa la regulatorul PI 17.06.08, iar de aici prin intermediul contractorului V7.06.09 la ventilul de reglare, care deschide sau īnchide īn functie de felul impulsului. Ca reactie pentru limitarea deschiderii serveste traductorul TR 1205 ventilul de injectie are indicator de pozitie si cu abatere. Cānd abaterea este la - ventilul īnchide si cānd abaterea este la + deschide. Īn cazul īn care injectia deschide mult si temperatura are tendinta de crestere, se reduce deschiderea clapetei de reglare 71 sau 81 Vr a celuilalt cazan pentru a mari debitul de abur de MP care trece prin cazan. De asemenea, se poate interveni si cu injectia auxiliara prin deschiderea acesteia īn functie de deschiderea injectiei de MP.
AUXILIARELE CAZANULUI
1.C01-05 CIRCUITUL DE AER AL CAZANULUI
Aerul necesar arderii combustibilului este asigurat de 2 ventilatoare axiale cu o singura treapta - VA1, VA2. Ventilatoarele axiale Dingler au reglarea īncarcarii din paletii rotorici care sunt comandati hidraulic prin intermediul unui dispozitiv hidraulic.
Caracteristicile VA:
- tip ventilator FAF 20.12.1.
- presiune aer 420 mm CA
- debit aer 110 m3/s
- turatie ventilator 1490 rot/min
- putere motor 900 kW
- tensiune de alimentare 6 kV
Uleiul de lucru pentru reglarea paletilor rotorici este asigurat de doua pompe de ulei verticale cu roti dintate, una īn functiune si una īn rezerva pe automat cu urmatoarele caracteristici:
- putere motor 1 kW
- turatie 2840 rot/min
- debit ulei 0,6÷12 l/min reglabil
- presiune 18 bari reglabila īntre 10÷50 bari
1. Circuitul de aer al cazanului
Ventilatoarele de aer aspira aerul cu temperatura constanta de 50oC, mentinuta prin recirculatia de aer dupa PAR, si īl refuleaza īn preīncalzitoarele de aer rotative (PAR) pe la partea superioara a acestora. Reglarea īncarcarii VA se efectueaza din paletii rotorici reglabili K1. Pentru izolarea ventilatorului īn caz de defectiune este prevazut un sibar de izolare K2. Īnainte si dupa PAR exista canale paralele pentru a se putea functiona cu un VA si ambele PAR-uri. Dupa preīncalzitoarele de aer, circuitul de aer se ramifica īn trei canale pe fiecare parte a cazanului, canale care formeaza o centura īn jurul cazanului, cu clapeti pe cele trei canale dupa cum urmeaza:
- clapetii K4 st nga - dreapta pe canalul de aer pentru arzatorii de gaz ramura inferioara 1-4;
- clapetii K5 stānga-dreapta pe canalul de aer pentru arzatorii de praf carbune si aer tertiar. Din acest canal se ia aerul primar pentru reglarea temperaturii amestecului dupa moara, aerul secundar pentru arzatorii de carbune, aerul de etansare la mori si aerul tertiar la pālnia rece;
- clapetii K6 stānga-dreapta pe canalul de aer pentru arzatorii de gaz ramura superioara 5-14. Temperatura aerului dupa PAR este de 282oC.
Din fata preīncalzitorilor de aer este racordata o conducta pentru aerul necesar arzatorilor pilot 1÷14. De asemenea, din canalul de dupa preīncalzitori este racordat cāte un canal de aer, pe fiecare parte, cu clapetii K13 care recircula o cantitate de aer cald pentru mentinerea constanta a temperaturii aerului aspirat de ventilator. Aceasta recirculatie are un separator de cenusa cu evacuare la silozul de cenusa. Clapetii de aer au urmatoarele numere:
- K12 pentru aerul secundar la arzatorii de debit 1÷14;
- K11 pentru aerul primar pentru reglare temperaturii amestecului dupa moara;
- K7 pentru aerul secundar la arzatorii de praf carbune;
- K18 pentru aerul tertiar la pālnia rece.
Pe circuitul de aer al cazanului sunt montate urmatoarele aparate de masura si control:
- masura de presiune si temperatura pe canalul de refulare al fiecarui ventilator P1401-T1401;
- masura de presiune si temperatura dupa PAR 1+2 - P1402-T1402;
- masura debit aer pe fiecare canal dupa K4, K5, K6 īn urmatoarea ordine Q1401, Q1402, Q1403. Reglarea debitului de aer necesar arderii se face cu ajutorul clapetilor K4, K5, K6, iar reglarea presiunii aerului este asigurata de K1.
2. Descrierea ventilatoarelor de aer
Ventilatorul de aer Dingler este de tip axial, cu o singura treapta, executat sub forma unei constructii sudate, stabile. Are urmatoarele parti componente:
- motorul de antrenare
- arbore intermediar
- doua cuple TACKE
- rotorul cu paleti
- camera de aspiratie
- carcasa inferioara
- difuzor
- carcasa superioara
- bandaj
- ajutajul de intrare
- carcasa ventilatorului.
Ajutajul de intrare, dispus dupa camera de aspiratie, formeaza din punct de vedere constructiv o piesa, o carcasa. Īn interiorul ajutajului se gaseste o calota sferica. Datorita acestui fapt, se realizeaza un canal inelar cu o sectiune mai īngusta decāt sectiunea canalului de aspiratie. Prin reducerea sectiunii, aerul este accelerat si, īn acelasi timp, omogenizat. Carcasa si ajutajele de intrare sunt executate din doua bucati, asa īncāt este posibila montarea si demontarea usoara a rotorului cu lagarele sale. Arborele intermediar trece prin camera de aspiratie si este protejat de o carcasa profilata adaptata. Partea rotativa consta din rotorul cu paleti, dispozitivul de reglare a paletilor si lagare cu rulmenti.
Ungerea rulmentilor se face prin barbotare. Rotorul cu paleti este antrenat de motorul de antrenare prin intermediul arborelui intermediar, arbore ce este cuplat la ambele capete prin intermediul a doua cuple TACKE. Spirala produsa de catre paleti este din nou redresata de catre paletii directori, asezati īn aval, asa īncāt curentul de aer iese axial din ventilator. Nivelul uleiului este supravegheat de un indicator de nivel cu sticla, scos īn afara ventilatorului, avānd comunicare atāt cu partea inferioara cāt si cu cea superioara a lagarelor.
Racordul indicatorului de nivel de la partea superioara a lagarelor este prevazut la partea de jos cu un vizor de sticla īn care nu trebuie sa fie ulei. Daca la acest vizor apare ulei, indicatia de la sticla de nivel este eronata si trebuie rupt sifonul prin deschiderea dopului de la vizor si evacuarea uleiului de pe conducta superioara.
ATENŢIE: Daca la deschiderea capacului de la sticla de nivel uleiul face variatii, trebuie controlat racordul conductei. Lagarele rotorului sunt introduse īn carcasa compacta care este rezemata īn locasurile prelucrate īn carcasa inferioara.
Supravegherea temperaturii lagarelor este asigurata de 3 termorezistente (cāte una pe fiecare rulment - la nivelul exterior al rulmentului) care transmit indicatia temperaturii la panourile locale, cu semnalizare īn CCT atunci cānd temperatura este mai mare sau egala cu 90oC.
Pentru reglarea paletilor rotorici ventilatorul este prevazut cu un dispozitiv hidraulic de reglare, cu gospodarie proprie de ulei. Presiunea uleiului de reglare a paletilor este asigurata de una din cele 2 pompe de ulei si este reglata la aproximativ 18 bari.
Dispozitivul de reglare consta dintr-un sistem de reglare comandat, care distribuie uleiul īntr-una din cele 2 parti ale camerei mobile. Īn acelasi timp, cealalta parte este pusa īn comunicare cu descarcarea uleiului, camera mobila deplasāndu-se si antrenānd īn acelasi timp paletii rotorici prin intermediul bolturilor si tijei de aservire care īnchide cele doua orificii, paletii ramānānd īn pozitie de repaus.
O noua comanda urmeaza acelasi ciclu, cu precizarea ca īn timp ce o parte a camerei mobile este pusa īn comunicare cu uleiul sub presiune, cealalta parte este pusa īn comunicare cu descarcarea. Īnclinarea totala a paletilor este de 45oC. O alta conducta, a treia, preia scaparile de ulei de la dispozitiv si le returneaza īn rezervor.
Fiecare pompa de ulei este prevazuta cu un dispozitiv de reglare a debitului de ulei īntre 0,6 si 1 l/min, iar pe conducta comuna de ulei sub presiune sunt prevazute 2 filtre de ulei intermediare si un dispozitiv de reglare a presiunii uleiului īntre 10÷50 bari.
ATENŢIE: Presiunea nu se va regla mai mare de 22 bari deoarece este pericol de spargere a furtunelor flexibile de racord. O presiune mai mica de 8 bari nu poate executa miscarea paletilor.
2.1. Difuzorul
Este legat de carcasa si este prevazut cu o piesa interioara vārf de picurare.
2.2. Ungerea si īntretinerea ungerii
Ungerea lagarelor este asigurata prin barbotarea uleiului (TBA 38). Īn lagare se introduc 5÷6 l ulei. Nivelul uleiului se controleaza īn permanenta si se completeaza la nivel normal. Uleiul se schimba de doua ori pe an. Golirea se realizeaza prin deschiderea busonului de golire. Dupa golirea completa a uleiului se pune busonul de golire si se toarna ulei īn vizor pāna la nivel normal (īntre cele 2 linii). Ungerea cuplelor TACKE se efectueaza prin introducerea īn acestea a unui amestec de ulei 255 si vaselina īn proportie de 50%.
Se completeaza la fiecare oprire a ventilatorului si se schimba la 3000 ore de functionare. Gospodaria de ulei a dispozitivului hidraulic de reglare a paletilor contine 80 l ulei H21. Se completeaza de cāte ori este nevoie si se schimba uleiul anual la oprirea blocului. Lagarele motorului se greseaza lunar cu vaselina LITIU F1p111. Se introduce vaselina cu tecalemitul pāna īncepe sa iasa pe la partea inferioara a capacului.
2.3.Pregatirea ventilatorului de aer pentru pornire
Īnainte de pornirea ventilatorului se fac urmatoarele probe si verificari:
- Se pornesc pompele de ulei reglare paleti, urmarind sensul de reglare a presiunii la 18 bari.
- Se manevreaza paletii la īnchis-deschis complet, prin comanda de la fata locului a dispozitivului hidraulic.
ATENŢIE: La manevrarea dispozitivului, presiunea uleiului trebuie sa ramāna constanta. Īn cazul īn care presiunea scade cānd se manevreaza īntr-un sens, īnseamna ca dispozitivul nu functioneaza, una dintre armaturi fiind deteriorata.
- Personalul de la reparatii sa fie evacuat, autorizatia de lucru īnchisa.
- Se controleaza daca toate materialele sunt īndepartate, capacul difuzorului īnchis, capacele de vizitare de pe refulare si din carcasa de aspiratie montate, suruburile strānse la carcasa superioara, aparatoarea de pe cupla motorului cu arborele intermediar montata, legatura motorului la centura de īmpamāntare facuta, nivelele de ulei īn lagare si la dispozitivul hidraulic normale, contactele de semnalizare temperatura lagare fixate la 90oC.
Daca se pregateste pentru pornire al doilea ventilator si se roteste īn sens invers, se va frāna cu o scāndura care se va scoate cu cāteva secunde īnainte de pornirea ventilatorului. Cānd toate aceste controale au fost efectuate, se cere de catre seful de tura punerea sub tensiune a motorului ventilatorului, a lui K1, K2 si K13. Se pun pompele de ulei pe automat cu selectarea unei pompe prioritare 1 sau 2. Se porneste ventilatorul de aer din butonul de la fata locului, urmarindu-se sensul de rotatie, care trebuie sa fie invers acelor de ceasornic, privit dinspre motor. Īn caz contrar, se opreste si se anunta electricianul pentru a-i schimba sensul. Se urmareste deschiderea sibarului K2, deschidere ce o efectueaza operatorul din CCT.
Se urmareste functionarea ventilatorului fara zgomote, vibratii, temperatura la lagare si nivelul de ulei. Zgomotul produs de ventilator pāna la deschiderea sibarului K2 nu trebuie luat īn consideratie pentru ca este zgomotul produs de aerul debitat de ventilator pāna la sibarul K2.
Se trece cheia de la panoul local pe automat, iar ventilatorul se va īncarca dupa necesitate de catre operatorul CCT. Este indicat ca presiunea aerului dupa ventilator sa fie īn functie de debitul de aer consumat de cazan, respectiv īn functie de sarcina cazanului, iar īncarcarea ventilatorului se efectueaza īntotdeauna cu indicatia din CCT a paletilor reglabili pe pozitia "0".
2.4. Supravegherea ventilatorului īn functionare
Īn timpul functionarii ventilatorului se vor urmari:
- Functionarea fara vibratii - daca acestea apar se va chema personalul de la reparatii sau de la laboratorul AMC pentru efectuarea masuratorii de vibratii. Nivelul de vibratii īn planul orizontal de pāna la 30m amplitudine simpla se considera normal. Īntre 30 si 90m amplitudine, se face cerere pentru oprire planificata pentru echilibrare, anuntāndu-se operatorul CCT si seful de tura.
- Functionarea fara zgomote interioare. Īn cazul cānd se aud zgomote suspecte se anunta seful de tura si operatorul CCT pentru oprirea ventilatorului si control. Daca zgomotele sunt puternice se opreste ventilatorul si se anunta personalul din CCT.
- Temperatura normala a lagarelor nu trebuie sa depaseasca 70oC. Īn cazul īn care depaseste 80oC se anunta seful de tura si se supravegheaza atent ventilatorul si nivelul uleiului la lagare. Cānd temperatura unuia din lagare este mai mare de 90oC, iar a celorlalte apropiata de 90oC, se opreste ventilatorul si se anunta personalul din CCT.
- Nivelul de ulei la lagare si dispozitivul hidraulic sa fie normale. Daca este scazut se completeaza, iar daca acesta scade īn continuare se iau masuri pentru oprirea planificata a ventilatorului. Īn vizorul de pe conducta de racord īntre partea superioara a lagarelor si sticla de nivel, nu trebuie sa fie ulei deoarece īn aceasta situatie indicatia este eronata. Se vor lua masuri pentru evacuarea uleiului din vizor. La orice pierdere de ulei la lagare sau la dispozitivul hidraulic se vor lua masuri pentru īnlaturarea lor, oprindu-se planificat ventilatorul.
- Temperatura lagarelor motorului electric se constata prin palpare. Acestea trebuie sa fie cel mult caldute. Īn cazul īn care temperatura este atāt de ridicata īncāt nu se poate pune māna pe lagare sau la aparitia de fum la lagare se va opri imediat ventilatorul si se va anunta seful de tura.
2.5. Oprirea ventilatorului
Se reduce īncarcarea ventilatorului prin aducerea paletilor K1 pe pozitia "0". Se īnchide K13. Se da impuls de oprire ventilatorului si se urmareste īnchiderea sibarului K2. Atāt K2 cāt si K13 se vor controla la fata locului daca s-au īnchis complet si se vor īnchide manual daca nu s-au īnchis. Se scot de sub tensiune ventilatorul, pompele de ulei si clapetele K1, K2 si K13 aferente ventilatorului de aer respectiv.
3. Reglarea aerului la cazanul Benson
Reglarea debitului de aer necesar arderii se efectueaza cu ajutorul clapetelor de reglaj aer K4 pentru arzatorii de gaz 1÷4, K5 pentru arzatorii de praf carbune si K6 pentru arzatorii de gaz 5÷14. Reglarea automata a aerului pentru arzatorii de praf carbune lucreaza dupa cum urmeaza:
- un semnal de la sarcina cazan este introdus īntr-un sumator algebric din care se scade aerul dat pentru debitul de gaz real al cazanului. Diferenta se introduce īn sumatorul K5.12.01 unde se aduce si semnalul de exces de aer. Diferenta rezultata se compara cu valoarea debitului real de aer dat de traductorii de debit Q 14.01.04, dupa trecerea prin transformatorii separatori TR 14.04.02. Valoarea rezultata din acesti sumatori, cu semnul + sau -, este amplificata īn amplificatorul K5.12.02 si transmisa regulatoarelor PI K5.12.04, care prin intermediul contactorului K5.12.07 actioneaza motorul K5.12.03 care deschide sau īnchide clapeta de aer K5. Debitul de aer creste sau scade, avānd si rol de reactie pentru oprirea semnalului de reglare. Tot ca reactie actioneaza si indicatia deschiderii clapetei K5 asupra semnalului dat de regulatorul PI.
Reglarea automata a debitului de aer pentru arzatorii de gaz ramura superioara 5÷14 lucreaza asupra clapetilor K6 stānga-dreapta dupa cum urmeaza :
- un semnal de debit aer necesar pentru cantitatea de gaz reala pe arzatorii 5÷14, cu corectie de exces de aer data de K6.14.01., se compara īn sumatorul algebric cu debitul de aer real dat de traductorul de debit Q 14.03.04. Diferenta se amplifica īn amplificatorul magnetic K6.14.02. si este transmisa regulatoarelor PI K6.14.05 care, prin intermediul contactorilor K6.14.07, actioneaza asupra motorului K6.14.13 si deschide sau īnchide clapetii K6. Ca urmare a deschiderii clapetilor K6 debitul de aer creste sau scade, acesta avānd si rol de reactie pentru limitarea deschiderii clapetilor. De asemenea, pozitia clapetilor K6 are rol de reactie, introducānd pozitia corecta direct īn regulatorul PI.
Reglarea aerului pentru
arzatorii 1÷4 actioneaza asupra clapetilor de aer K4
si este identica cu reglarea arzatorilor de debit 5÷14. Pentru
ca reglarea debitului sa lucreze corect, sa fie
proportionalitate īntre deschiderea clapetilor si debitul de
aer, circuitul de aer este prevazut cu reglarea presiunii, reglare care
lucreaza asupra paletilor reglabili ai ventilatoarelor de aer si
care are rolul de a mentine presiunea
- un semnal de presiune dat de valoarea sarcinii se compara cu valoarea reala a presiunii data de traductorul de presiune dupa PAR, PR 1402.02. Diferenta este amplificata īn amplificatorul K1.11.03. si transmisa regulatoarelor PI, K1.11.05, iar de aici prin intermediul contactorului K1.11.07 motorului K1.11.13. care actioneaza la īncarcarea sau descarcarea ventilatorului de aer.
Cresterea sau scaderea presiunii aerului are tot rol de reactie si anuleaza semnalul de comanda. De asemenea, pozitia paletilor are rolul de reactie dinamica pentru ca introduce corectia chiar īn regulatorul PI. Daca la impulsul de presiune dat de sarcina, una dintre clapetele de aer K4, K5, K6 a deschis 85% atunci se modifica consemnul de presiune.
Īn schema este prevazuta, desi nu se recomanda, posibilitatea de īncarcare diferita a ventilatoarelor de aer K1.11.05. De asemenea, schema de reglare a debitului exista posibilitatea de deschidere diferita a clapetilor K4, K5, K6 stānga-dreapta din K5.12.05, K6.14.05 si K4.13.06.
4. Blocaje si protectii pe circuitul de aer
4.1. Ventilatorul de aer:
- Nu se poate porni daca nu este īn functiune cel putin un ventilator de gaze
- Se opreste instantaneu la oprirea ultimului ventilator de gaze
- K2 se īnchide automat la oprirea VA
4.2. Pompa ulei, reglare paleti:
- Pompa selectata porneste odata cu pornirea ventilatorului si se opreste odata cu oprirea ventilatorului
- Pompa de rezerva porneste cānd presiunea uleiului scade sub 3 bari
4.3. Jocuri la VA:
- Īntre cele doua fete ale cuplei TACKE: 3÷5 mm
C01-06 CIRCUITUL DE GAZE DE ARDERE AL CAZANULUI
Gazele rezultate īn urma procesului de ardere sunt evacuate la cos cu ajutorul a 2 ventilatoare de gaze VG1 si VG2.
1. Caracteristicile gazelor de ardere si traseul acestora
- debitul de gaze de ardere rezultat la sarcina nominala
a cazanului la functionarea pe lignit 1.400.000 Nm3/h
- temperatura gazelor de ardere īn focar 1100÷1250 oC
- temperatura gazelor de ardere īnainte de PAR 311 oC
- temperatura gazelor de ardere dupa PAR 147 oC
- continutul de cenusa īn gaze dupa electrofiltre 0,4555 g/Nm3
- continutul de cenusa īn gaze īnaintea electrofiltrelor 45,5 g/Nm3
- depresiunea la partea superioara a focarului 5 mmCA
- depresiunea īn PAR 68,4 mmCA
- viteza gazelor de ardere īn electrofiltre 2,6 m/s
Din focar, gazele de ardere īmpreuna cu cenusa zburatoare sunt aspirate de ventilatoarele de gaze prin tirajul transversal, tirajul II, PAR-uri si electrofiltre si refulate pe cos. Pe acest traseu, gazele cedeaza caldura urmatoarelor suprafete de schimb de caldura: vaporizator, supraīncalzitorii de IP 4, 5, 6, 7, 2, 3, supraīncalzitorii de MP 2 si 1, supraīncalzitorul de IP nr. 1, economizorul 2 si 1, PAR-uri.
O parte din cenusa zburatoare se separa din gazele de ardere datorita inertiei, īn pālniile de sub tirajul II - 3t/h, īn pālniile de sub PAR - 2t/h, īn pālniile de sub mecanofiltru - 6t/h, la baza focarului īmpreuna cu zgura si nearsele - 6 t/h. Separarea cenusei din gazele de ardere are loc īn electrofiltru - cca. 50 t/h. Cazanul este prevazut cu usi de vizitare cu vizori pe tot traseul gazelor de ardere.
2. Caracteristicile ventilatoarelor de gaze
- debit gaze de ardere aspirat 236,5 m3/s
- tempatura (max) gaze arse 1170 oC
- greutate specifica 0,81 kg/m3
- presiune totala 316 mmCA
- turatia ventilatorului 730 rot/min
- putere motor 950 kW
- sensul de rotatie privit de la motor stānga
- temperatura maxima lagare 80oC
- ungere lagare vaselina litiu tip III
Ventilatorul de gaze de ardere are urmatoarele parti componente:
- fundatia ventilatorului
- carcasa aspiratie - cu schimbare de directie a gazelor de la verticala la orizontala
- carcasa refulare ventilator
- difuzor ventilator
- paleti directori - montati īntre carcasa refulare si difuzor
- paleti reglabili cu actionare cu coroana
- lagar interior - prevazut cu conducta de racire si cu conducta de ungere
- lagar exterior prevazut cu loc de ungere
- sibar de īnchidere (de izolare) montat pe refulare la racordul cu canalele de gaze de ardere.
Reglarea īncarcarii ventilatorului de gaze se face cu ajutorul paletelor de pe aspiratia ventilatorului - K23.
Puncte si aparate de masura pe circuitul de gaze de ardere si la ventilatorul de gaze:
un termocuplu stānga-dreapta cu transmisie īn C.C.T., la partea superioara a tirajului I - T1301;
- un termocuplu stānga-dreapta cu transmisie īn C.C.T., la partea superioara a tirajului II dupa supraīncalzitorul 1 de MP - T1303;
- un termocuplu stānga-dreapta cu transmisie īn C.C.T., la partea superioara a tirajului II dupa supraīncalzitorul 1 de IP - T1304;
- un termocuplu stānga-dreapta cu transmisie īn C.C.T., la partea superioara a tirajului II dupa economizor - T1305;
- un termocuplu stānga-dreapta dupa PAR cu transmisie īn C.C.T. - T1306;
- o termocupla stānga-dreapta cu transmisie īn C.C.T., dupa electrofiltre - T1307;
- un aparat analitic stānga-dreapta īnainte de PAR cu transmisie īn C.C.T. - A1302;
- un aparat de masura temperatura lagar interior si lagar exterior VG cu indicatie locala si semnalizare īn C.C.T. la 90oC.
3. Reglarea automata a depresiunii īn camera focara (īncarcare VG)
Valoarea de consemn a depresiunii īn camera focara se compara cu valoarea reala īn sumatorul algebric, la diferenta introducāndu-se corectie de la sarcina cazanului. Aceasta marime este amplificata īn amplificatorul magnetic, de aici mergānd la regulatorul PI care prin intermediul contactorului, comanda clapetele K23 care īncarca sau descarca, respectiv creste sau scade depresiunea īn cazan. Variatia depresiunii īn camera focara are rolul de reactie care limiteaza īnchiderea sau deschiderea lui K23.
De la pozitia clapetilor K23 se ia o reactie dinamica pentru limitarea semnalului. Sistemul de reglare este prevazut si cu posibilitatea de īncarcare diferita a ventilatoarelor de gaze.
4. Blocaje pe circuitul de gaze de ardere
- odata cu oprirea VG se īnchide K22 si nu se poate deschide pāna nu s-a īnchis complet
- la declansarea ultimului VG se declanseaza VA si cazanul
- ventilatoarele de aer nu se pot porni daca nu este īn functiune cel putin un VG
5. Manevrele pregatitoare pentru pornirea ventilatoarelor de gaze.
- Se controleza ca toate lucrarile īn cazan si pe circuitul de gaze de ardere sa fie terminate, autorizatiile de lucru īnchise si toate persoanele evacuate, inclusiv din morile de carbune si uscatorii acestora.
- Se īnchid toate usile de vizitare la cazan, PAR-uri si electrofiltre.
- Se cere punerea sub tensiune a ventilatoarelor de gaze si a clapetilor K22 si K23.
- Se aduc paletii reglabili pe pozitia "0".
- Cu avizul sefului de tura si al operatorului din camera de comanda se trece la pornirea ventilatorului care se face numai de la fata locului.
- Se deblocheaza butonul de avarie.
- Se trece cheia pe pozitia "manual".
- Se apasa butonul de pornire si se urmaresc: pornirea ventilatorului, sensul de rotatie care trebuie sa fie invers sensului acelor de ceasornic privit dinspre motor, deschiderea sibarilor de la refulare K22 si de īncarcare a ventilatorului K23 care se comanda din CCT, temperatura lagarelor si nivelul vibratiilor.
- Se trece cheia pe pozitia "automat".
Īn acelasi fel se procedeaza si la pornirea celui de-al doilea ventilator de gaze. Īn timpul functionarii se recomanda ca ventilatoarele sa fie īncarcate egal.
Īn functionarea normala a circuitului de gaze de ardere se controleaza urmatoarele:
- Sa nu fie usi de vizitare deschise.
- Conductele de transport cenusa de sub toate pālniile sa fie fierbinti.
- Temperatura lagarului ventilatorului sa fie mai mica de 80oC.
- Lagarele motorului sa nu fie fierbinti.
- Ventilatoarele sa nu aiba vibratii sau zgomote interioare.
Vibratiile se vor masura ori de cāte ori se constata ca sunt ridicate. Vibratiile de pāna la 50m amplitudine simpla se considera normale, iar daca au peste 100m se vor lua masuri de oprire a ventilatorului pentru control si echilibrare.
- Paletii reglabili sa aiba articulatiile legate la coroana de actionare.
- Paletii directori sa fie bine strānsi īn suruburi.
- K22 sa fie deschisi complet.
- Rigolele de cenusa sa fie fierbinti, scuturatorii de la electrofiltru sa functioneze, iar tijele scuturatorilor sa fie mobile.
- Ejectorii de cenusa sa fie fierbinti, iar aerul la rigole deschis.
- Sa nu fie acumulata apa la cota -4,5 m.
- Toate neregulile constatate pe care operatorul local nu le poate remedia vor fi aduse la cunostinta sefului de tura pentru a fi trecute īn registrul de defectiuni.
- Operatorul local va nota parametrii de rond de trei ori pe schimb si va semna fisele de control.
Circuitul de gaze de ardere se considera oprit dupa oprirea ultimul ventilator de gaze, aceasta fiind posibila dupa cca. 8 ore de la oprirea si racirea cazanului. Īnainte de oprire se controleaza ca toate pālniile de cenuta, rigolele, conductele de sub PAR-uri si silozul de cenusa sa fie goale. Temperatura gazelor de ardere dupa electrofiltre sa fie mai mica de 50oC, gazul natural izolat din vana manuala si toate aerisirile de pe circuitul de gaz deschise.
Se descarca ventilatorul 1 aducānd paletii reglabili pe pozitia "0" si se opreste, urmarindu-se īnchiderea sibarilor K22, K23 atāt cāt este necesar, aceasta depresiune fiind creata de cosul de fum.
C01-07 PREĪNCĂLZITOARELE DE AER ROTATIVE,
TIP ROTHEMÜHLE
Pentru preīncalzirea aerului necesar arderii combustibilului, cazanul Benson este prevazut cu 2 preīncalzitoare de aer rotative (PAR 1 si PAR 2) tip Rothemühle. Cele doua PAR-uri sunt montate īn paralel īn drumul gazelor de ardere, la iesirea din tirajul II al cazanului (dupa economizorul 1).
Preīncalzitoarele de aer rotative tip Rothemühle au masa preīncalzitorului fixa, iar ansamblul ax-calote concentrice se roteste, schimbānd pozitia de trece a aerului prin masa preīncalzitorului.
1. Descrierea preīncalzitorului de tip Rothemühle
Preīncalzitorul de aer are urmatoarele parti componente:
1. Masa preīncalzitorului (statorul) formata din 2 rānduri de faguri din tabla ondulata de 0,25 mm cu īnaltimea de 0,55 m fiecare rānd, īn total avānd o īnaltime de 1,1 m, si un rānd de ceramica cu īnaltimea de 0,25 m. Din cauza īnfundarii ceramicii si a imposibilitatii de a o curata, aceasta se īnlocuieste treptat tot cu faguri din tabla de 0,25 mm, cu īnaltimea corespunzatoare stratului de ceramica. Tabla din care sunt confectionati fagurii este din OL37 cu ondulari oblice. Fagurii din tabla se introduc īn locasuri formate din nervuri de consolidare, din tabla de 10 mm. Acesti faguri sunt de 6 dimensiuni, numerotarea rāndurilor facāndu-se de la axul PAR-ului spre exterior.
Lungime B mare B mica H nr. bucati
Rāndul 1 538 193,4 123 0,55 m 2×48
Rāndul 2 538 264,1 194,1 0,55 m 2×48
Rāndul 3 537 164,1 132,5 0,55 m 2×96
Rāndul 4 537 200,3 165,2 0,55 m 2×96
Rāndul 5 537 235,7 200 0,55 m 2×96
Rāndul 6 537 271,2 236,1 0,55 m 2×96
Pe fiecare rānd sunt montati faguri cu īnaltimea de 0,25 m si pe jumatate ca numar. Diametrul preīncalzitorului este de 8,5 m. Suprafata de īncalzire a preīncalzitorului este de 14.365 m2.
Carcasa exterioara a PAR este prevazuta cu suporti care se reazema pe grinzile de sustinere.
2. Calotele de aer sunt partile rotitoare ale PAR. Cu ajutorul lor aerul din canalul de refulare al ventilatorului de aer este dirijat pe suprafetele de īncalzire ale preīncalzitorului si de aici prin canalele de aer spre cazan. Partea de rezistenta a calotelor este formata dintr-o rama din profile pe care se sudeaza tablele ce formeaza incinta de aer. Cele doua calote, inferioara si superioara, sunt identice, fiind prinse prin flanse pe axul preīncalzitorului.
Calota superioara este prevazuta cu o coroana cu bolturi prin intermediul careia se roteste preīncalzitorul (cele doua calote si axul).
Ambele calote sunt prevazute cu rame de etansare īntre calota si stator īn forma de U, cu o parte prinsa de calota, de cealalta parte fiind prinse placile de etansare din fonta care au posibilitatea de reglare a etansarii. Compensatorii de etansare dintre calote si placile de etansare sunt din tabla silicioasa, iar la calota superioara aceasta tabla este protejata īmpotriva coroziunii cu tesatura de azbest.
Etansarea īntre calote si canalul de aer intrare si iesire din PAR este asigurata de segmenti din fonta legati īntre ei cu placute cu stifturi.
Acesti segmenti sunt introdusi īntr-un locas si presati pe gātul calotei de catre un bolt cu resort pentru fiecare segment, care da posibilitatea ca la īncalzire, la plina sarcina, sa se aseze perfect.
Segmentii de etansare au doua degajari longitudinale, schimbarea lor efectuāndu-se atunci cānd nervurile de la degajari se erodeaza mai mult de jumatate.
3. Axul preīncalzitorului are o lungime de 11,455 m si este realizat din tronsoane de teava sudate, avānd racirea asigurata prin orificii speciale prin care circula aer rece. La partea superioara axul este fixat pe lagarul de sustinere cu rulment FAG tip 69352.
La partea inferioara axul este ghidat prin intermediul lagarului de ghidaj cu bucse din material cu autoungere DEVA.
Lagarul de ghidaj este amplasat īn interiorul statorului, racirea lui fiind asigurata prin intermediul circulatiei de aer de la calota rece spre calota calda. Cele doua calote sunt prinse pe ax prin intermediul a doua flanse.
4. Lagarul de sustinere este format din suportul lagarului, rulmentul cu role conice FAG tip 69352 si carcasa de protectie. Prinderea axului īn lagar se face cu ajutorul piulitei filetate pe ax si un sistem de bucse.
Lagarul de sustinere are rolul de a sustine axul si cele doua calote. Ungerea lagarului se face cu ulei īn baie, care contine 15 l ulei TBA 38 care se completeaza de cāte ori este nevoie si se schimba o data pe an la reparatie.
5. Lagarul de ghidaj are rolul de a mentine axul īn pozitie perfect verticala si prin acesta cele doua calote īn pozitie orizontala.
Este format din doua jumatati de compozitie fixate pe cele doua jumatati ale lagarului care īmbraca lagarul si sunt fixate cu ajutorul a doua bolturi. Carcasa lagarului este prinsa de stator cu surub.
Cele doua jumatati ale compozitiei sunt prevazute cu o degajare la mijlocul partii interioare, degajare ce comunica cu o conducta prin care se introduce din exterior molicot pentru ungere si etansare.
Racirea lagarului se face cu aer rece care trece din calota superioara īn calota inferioara prin gauri special amenajate. Canalele de aer intrare si iesire PAR sunt prevazute cu compensatori de dilatare.
6. Dispozitivul de actionare.
Fiecare preīncalzitor de aer rotativ este prevazut cu doua dispozitive de actionare, unul īn functiune si unul īn rezerva, cu urmatoarele caracteristici:
Motor electric Reductor
putere 11 kW raport de transmisie 185
turatie 145 rot/min puterea transmisiei 12 CP
tensiune 220/380 V ungere cu ulei sub presiune 1 bar
tipul uleiului TBA 38
2. Caracteristicile tehnice de functionare ale PAR-urilor Rothemühle
tip V 8,5/1,1+0,25 K
carbune gaz
1. Sarcina cazanului [t/h] 500 500
2. Putere calorifica [kcal/kg, kcal/Nm3] 1600 7800
3. Debit gaze de ardere īnainte de PAR [m3/h] 770000 490200
4. Debit gaze de ardere dupa PAR [m3/h] 826000 505560
5. Debit aer infiltrat īn gazele de ardere 56000 37500
6. Debit aer la intrarea īn PAR 504000 352000
7. Debit aer recirculat 120100 86300
8. CO2 īn fata PAR [%] 14 14
9. CO2 dupa PAR [%] 13,04 13,04
10. Diferenta de presiune [mmCA] 600 600
11. Temperatura gazelor de ardere īn fata PAR [oC] 310 310
12. Temperatura gazelor de ardere dupa PAR [oC] 147 124
13. Temperatura aerului īn fata PAR [oC] 50 50
14. Temperatura aerului dupa PAR [oC] 282 279
15. Diferenta de presiune gaze de ardere [mmCA] 68,4 54
16. Diferenta de presiune [mmCA] 83 45
17. Suprafata de schimb de caldura [m2] 12580+1785
18. Viteza de rotatie a PAR [rot/min] 0,8
19. Timpul īn care un punct de pe stator va fi spalat de aer [s] 37,5
3. Functionarea preīncalzitorului
Preīncalzitorul de aer rotativ este un schimbator de caldura regenerativ īn contracurent.
Īntreaga masa a preīncalzitorului este introdusa īn canalul de gaze care acopera doua treimi din suprafata preīncalzitorului, o treime fiind ocupata de calotele de aer care sunt montate pe un ax comun. Rotirea axului cu cele doua calote este asigurata de un dispozitiv format din motor electric, reductor de turatie, pinion de antrenare si coroana cu bolturi montata pe calota superioara. Rotirea calotelor de distribuire a aerului asigura preluarea caldurii de la tablele ondulate ale PAR de catre aer si īncalzirea fagurilor de tabla, raciti de aer, de catre gazele de ardere.
Fiecare PAR are doua dispozitive de actionare, unul īn functiune si unul īn rezerva. Īn cazul declansarii unui dispozitiv acesta se decupleaza, se cupleaza dispozitivul de rezerva si se porneste. Pentru mentinerea temperaturii gazelor de ardere sub valoarea de 200oC dupa PAR-uri, pāna la schimbarea actionarii de rezerva, acesta se va roti cu o manivela montata īn capatul axului motorului electric de antrenare.
Circulatia aerului īn PAR este descendenta, iar circulatia gazelor de ardere ascendenta.
4. Manevre ce se executa la PAR
4.1. Pregatirea pentru pornire
Se controleaza ca toate materialele sa fie evacuate, personalul īndepartat, autorizatia de lucru īnchisa. Se controleaza si se īnchid usile de vizitare pe canalele de aer, se īnchid usile de vizitare ale PAR, se controleaza nivelul de ulei la lagarul de sustinere si dispozitivele de actionare. Se controleaza ca o actionare sa fie cuplata si una decuplata. Se fac legaturile si se pun sub tensiune dispozitivele de actionare.
4.2. Pornirea preīncalzitorului de aer
Se deblocheaza butonul de pornire de la fata locului. Se trece pe manual cheia de blocare de la fata locului si se da comanda de pornire de la fata locului, urmarindu-se:
- functionarea fara zgomote si vibratii;
- presiunea uleiului la dispozitivul de actionare sa fie īn jur de 1 bar;
- sensul de rotire a PAR sa fie īn sensul acelor de ceasornic, privit de jos;
Daca aceste conditii sunt īndeplinite se trece cheia de blocare de la fata locului pe "automat", pornirea si oprirea fiind posibile din CCT.
4.3. Oprirea preīncalzitorului
Preīncalzitorul se opreste din camera de comanda si se blocheaza butonul de pericol de la fata locului.
ATENŢIE: Este interzisa intrarea īn preīncalzitor īnainte de a scoate de sub tensiune ambele dispozitive de actionare, de a se desface legaturile la motoarele electrice si de a se monta scurtcircuitor.
Temperatura aerului la intrarea īn PAR, īn timpul functionarii, este mentinuta la 50oC cu recircularea de aer cald prin clapeta K13. La oprirea si pornirea cazanului, cānd temperatura gazelor de ardere dupa PAR este mai mica de 100oC, preīncalzitorul va fi ocolit prin deschiderea sibarului de pe canalul de ocolire PAR.
C01-08 INSTALAŢIA DE GAZE COMBUSTIBILE
Instalatia de gaze combustibile a cazanului Benson este dimensionata pentru functionarea cazanului la debitul nominal numai cu gaz, pentru aceasta existānd 14 arzatoare de gaz montate pe 2 nivele, 4 arzatoare la cota 10 m si 10 arzatoare la cota 18 m, fiecare arzator avānd o capacitate de 3500 Nm3/h.
1. Descrierea circuitului de gaze combustibile
Din conducta magistrala de 1000 mm care este montata īn afara salii cazane la cota 21 m, este racordata pentru fiecare cazan cāte o conducta de 700 mm, prevazuta cu urmatoarele armaturi si aparate de masura si control:
- o conducta de aerisire cu vana manuala montata īn amonte de vana manuala;
- o vana manuala de izolare;
- o clapeta de reglare presiune cu actionare electrica si functionare automata;
- impulsuri de masura a temperaturii si presiunii dupa clapeta de reglare presiune.
Dupa aceste impulsuri conducta se ramifica īn 3 conducte, dupa cum urmeaza:
1. o coducta de 100 mm pentru arzatoarele pilot si de aprindere prevazuta cu:
- o conducta de aerisire;
- o vana manuala de izolare;
- o clapeta de siguranta;
- o diafragma de masura debit;
- un manostat pentru stingerea arzatoarelor pilot cānd presiunea de gaz a scazut sub valoarea de declansare a clapetei de siguranta;
- o conducta de aerisire a conductei de la arzatoarele pilot superioare;
- cāte o aerisire pentru fiecare arzator pilot de la cota 18 m.
Pentru fiecare arzator pilot si de aprindere sunt montate urmatoarele:
- un ventil manual de izolare si 2 ventile electromagnetice pe arzatorul de aprindere;
- un ventil manual de izolare si 2 ventile electromagnetice pe arzatorul pilot;
- o celula fotoelectrica care supravegheaza arzatorul pilot si arzatorul principal.
o conducta de 400 mm pentru arzatoarele de debit 1÷4 prevazuta cu urmatoarele:
- o clapeta de reglare debit prevazuta cu actionare electrica si reglare automata K33;
- o diagrama de masura a debitului de gaz;
- un impuls de presiune gaz;
- o vana electrica de izolare;
- o clapeta de izolare gaz;
- o conducta de aerisire;
- un manostat presiune gaz care comanda īnchiderea arzatoarelor de gaz debit 1÷4 īn cazul scaderii presiunii sub valoarea de declansare a clapetei de siguranta gaz.
La fiecare arzator de gaz de debit nr. 1÷4 sunt montate:
- o clapeta manuala pentru reglarea debitului de gaz pe arzatorul respectiv;
- o vana electrica de īnchidere;
- o clapeta de īnchidere rapida cu comanda pneumatica.
3. o conducta de 600 mm pentru arzatoarele de debit 5÷14, prevazuta cu aceleasi armaturi si aparate de masura ca si conducta de 400 mm mai putin clapetii manuali din fata arzatorului de debit. Conductele de aerisire sunt conectate si scoase pe acoperisul salii cazane dupa cum urmeaza:
- toate conductele de aerisire de pe conductele arzatoarelor pilot si de aprindere, īntr-o conducta comuna pe partea dreapta la cota 23 m;
- aerisirile arzatoarelor de debit 1 si 4 pe o conducta comuna pe partea dreapta cota 23 m;
- aerisirile arzatoarelor 5, 11, 12, 13, 14 pe o conducta comuna pe partea dreapta cota 23 m;
- aerisirile arzatoarelor 2 si 3 pe o conducta comuna pe partea stānga cota 23 m;
- aerisirile arzatoarelor 6, 7, 8, 9, 10 pe o conducta comuna pe partea stānga cota 23 m.
Īn partea stānga la aerisiri sunt doua aprinzatoare, iar īn partea dreapta trei aprinzatoare cu transformator pentru scānteie.
Pentru fiecare grup de arzatoare este montat un panou local cu urmatoarele comenzi:
- buton de aprindere pentru arzatorul de aprindere si arzatorul pilot;
- buton de deconectare (stingere) pentru arzatorul pilot.
Semnalizari
- Arzator principal oprit - lampa verde
- Arzator principal pornit - lampa rosie
- Arzator principal avarie - lampa galbena
- Arzator pilot oprit - lampa verde
- Arzator pilot pornit - lampa rosie
- Arzator pilot avarie - lampa galbena si aprindere - alba
Pentru fiecare grup de arzatoare exista urmatoarele semnalizari īn panoul de supraveghere flacara de la cota 10 m:
- 1 microampermetru care indica prezenta flacarii la arzatorul respectiv dat de fotocelula;
- semnalizare pentru arzatorul pilot pornit, oprit, avarie si aprindere;
- semnalizare pentru arzatorul de debit pornit, oprit, avarie.
Pentru clapetele de siguranta gaz si protectia cazanului pentru circuitul de gaz, īn panoul de supraveghere a flacarii de la cota 10 m sunt prevazute urmatoarele comenzi si semnalizari:
- buton conectare protectie gaz;
- buton conectare protectie arzatoare pilot 1÷14;
- buton conectare protectie arzatoare debit 1÷4;
- buton conectare protectie arzatoare debit 5÷14;
- cheie de punere sub tensiune pentru panou supraveghere flacara;
- semnalizari pentru arzatoarele pilot 1÷14, de debit 1÷4 si de debit 5÷14 gata de anclansare;
- conducta de impuls aer deschisa - protectie conectata;
- la cota 18 m exista un buton de "pericol" din care se opreste tot circuitul de gaze si 2 casete cu comenzi īnchis-deschis pentru vanele de gaz de pe arzatoarele de debit 1÷4 si 5÷14.
2. Protectii si blocaje pe circuitul de gaze combustibile
Punerea īn functiune a circuitului de gaze combustibile este posibila numai daca sunt realizate urmatoarele conditii:
- cel putin un ventilator de aer īn functiune;
- debitul de apa mai mare de 100 t/h pe fiecare parte;
- panoul de supraveghere flacara cota 10 m sub tensiune;
- butonul de "pericol" cota 18 m deblocat;
- presiunea de aer, gaz si aer comprimat mai mare decāt presiunea de declansare.
La disparitia uneia din aceste conditii clapetele de siguranta gaz declanseaza (īnchid), vanele electrice si arzatoarele de gaz se īnchid.
Valorile de declansare la presiune scazuta de aer si gaz pentru care sunt reglate clapetele de siguranta si manostatele pentru arzatoarele de gaz sunt urmatoarele:
a) pentru clapeta de siguranta arzatoare pilot si de aprindere nr. 1÷14:
- presiunea aerului mai mica de 80 mm col. H2O;
- presiunea gazului mai mica de 500 mm col. H2O;
b) pentru clapetele de siguranta arzatoare de debit nr. 1÷4 si 5÷14:
- presiunea aerului mai mica de 20 mm col. H2O;
- presiunea gazului mai mica de 230 mm col. H2O.
Manostatele pentru īnchiderea arzatoarelor de debit sunt reglate la urmatoarele valori:
- presiunea aer ardere mai mica de 20 mm col. H2O;
- presiunea gaz mai mica de 230 mm col. H2O;
- presiunea aer comprimat mai mica de 2 bar.
3. Deranjamente. Depistarea si remedierea lor.
3.1. Clapetele de siguranta
Nu se poate anclansa (deschide)
- se strānge manual (se īnchide) vana electrica din amonte de clapete si se deschide by-passul clapetei pāna cānd se descarca presiunea din fata clapetei de siguranta.
Clapeta nu sta anclansata
- pārghia cu contragreutate nu sta īn pozitia orizontala;
- se īncearca electrovana de aer care trebuie sa fie calda, daca nu se apasa butonul de armare panou cota 10 m;
- daca electrovana este calda si pārghia cu contragreutate nu sta īn pozitia orizontala se ridica presiunea de aer si gaz;
- daca pārghia cu contragreutate sta īn pozitia orizontala īnseamna ca toate conditiile sunt realizate, defectul fiind īn sistemul de pārghii si se trece la remedierea defectului.
3.2. Arzatoarele de aprindere si pilot
Arzatorul pilot nu sta aprins
- praf pe conducta arzatorului pilot si fotocelula nu sesizeaza flacara - se curata praful, se sterge sticla la fotocelula.
3.3. Arzatorul principal (de debit)
Nu se aprinde
Lipsa presiune aer comprimat care poate fi din urmatoarele cauze:
- presiune de aer scazuta īn retea;
- robinet de aer īn amonte de filtre īnchis;
- filtre de aer īnfundate sau murdare;
- presiune scazuta a aerului de ardere (mai mica de 20 mm col. H2O), presiunea gazului mai mica de 230 mm col. H2O.
4. Vana electrica amonte clapeta de siguranta
Nu se deschide:
- contact deschis clapeta de siguranta nefacut;
- lipsa tensiune de actionare.
Īn toate cazurile de stingere a focului cānd cazanul functioneaza numai pe gaz, aprinderea focului nu se va relua decāt dupa īnchiderea tuturor armaturilor si ventilarea cazanului timp de 15 minute cu toate clapetele de aer deschise si ventilatoarele de aer īncarcate la 50%.
Este interzisa functionarea cu clapetele de siguranta blocate, cu protectia de debit minim apa alimentare scoasa sau cu protectia de la fotocelula suntata.
Reglarea valorilor de declansare a clapetelor de siguranta se obtine prin:
- deplasarea contragreutatii pentru reglarea presiunii aerului;
- reglarea resortului pentru presiune gazului.
4. Manevre ce se efectueaza la instalatia de gaze combustibile
4.1. Punerea sub presiune a circuitului de gaze combustibile
- Se pornesc VA si VG.
- Se controleazaa ca toate aerisirile de pe circuitul de gaze sa fie deschise.
- Se scoate blindul de pe conducta de gaze combustibile.
- Se realizeaza debitul minim de apa alimentare 100 t/h pe fiecare parte a cazanului.
- Se deschide vana manuala izolare gaz.
- Dupa 10 min. de la deschiderea vanei manuale izolare gaz, se īnchid ventilele de aerisire din fata clapetelor de siguranta pe cele 3 conducte de 100, 400, 600 mm.
- Se deblocheaza butonul de "pericol" de la cota 18 m.
- Se armeaza panoul de supraveghere flacara cota 10 m, inclusiv protectiile de supraveghere pentru cele 3 clapete de siguranta.
- Se regleaza presiunea aerului de ardere la o valoare superioara valorilor de declansare prin protectie a clapetelor de siguranta gaz.
- Se armeaza (deschid) cele 3 clapete de siguranta si se deschid vanele aferente lor.
- Se pune sub presiune conducta de aer comprimat pentru actionarea arzatoarelor.
- Dupa 10 minute de la deschiderea vanelor de gaz de pe cele 3 conducte, se īnchid ventilele de aerisire gaz de la cota 23 m.
- Se ventileaza cazanul timp de 15 minute cu ventilatoarele de aer īncarcate la 50% si cu tiraj corespunzator si se trece la aprinderea arzatoarelor de gaz (la pornirea cazanului).
4.2. Aprinderea arzatoarelor de gaz
- Se introduce aprinzatorul pāna la limita maxima.
- Se apasa butonul "aprindere" din panoul local dupa ce s-au deschis ventilele manuale de izolare de pe conducta de gaz aprindere si gaz aprindere arzator pilot.
- Se urmareste prin vizor aprinderea arzatorului pilot.
Dupa aprinderea arzatorului pilot se scot aprinzatorii īn exterior. Daca nu s-a aprins arzatorul pilot, se controleaza fotocelula si conducta arzatorului pilot si se repeta operatia de aprindere de cel mult 6 ori, dupa care se īntrerupe, se ventileaza cazanul timp de 15 minute, dupa care se reia operatia de aprindere. Asa se procedeaza cu arzatoarele pilot nr. 1÷4.
- Arzatorii principali se aprind din camera de comanda termica la interval de 5 minute, debitul si presiunea gazului reglāndu-se din clapeta de reglare debit arzatoare nr. 1÷4 si din clapeta de reglare presiune din aval de vana manuala izolare gaz.
4.3. Oprirea arzatoarelor de gaz, izolarea si descarcarea circuitului de gaz
Oprirea arzatoarelor de gaz de debit si pilot se poate face din urmatoarele puncte:
- buton "stingere foc" de pe pupitru cazan;
- buton "pericol" cota 18 m;
- buton "deconectare" panou supraveghere flacara cota 10 m;
- scoaterea tensiunii panoului de supraveghere flacara cota 10 m;
- din buton panou local, separat pentru fiecare arzator (pilot si de debit);
- din buton, separat pentru fiecare arzator principal din camera de comanda termica.
Dupa stingerea arzatoarelor de gaz se trece la izolarea circuitului si decarcarea lui dupa cum urmeaza:
- Se īnchide vana manuala de izolare gaz.
- Se controleaza sa fie declansata clapeta de siguranta gaz si vanele electrice īnchise.
- Se īnchide vana de izolare gaz arzatoare pilot si de aprindere.
- Se īnchid ventilele de izolare a arzatoarelor de aprindere si a arzatoarelor pilot.
- Se deschid toate ventilele de aerisire de pe circuitul de gaz.
Daca este nevoie sa se lucreze īn cazan se monteaza blind pe conducta principala de gaz, dupa vana manuala de izolare gaz.
5. Caracteristicile gazului combustibil
CO2 3,5% max
O2 3,5% max
CH4: 99,2% max
Sulf: 0,05 g/Nm3
Densitatea īn raport cu aerul 0,55
Puterea calorifica inferioara 8482 kcal/Nm3/h
C01-09 INSTALAŢIA DE PREPARARE sI ARDERE A CĂRBUNELUI
1. Caracteristicile morii de carbune
1.1. Moara
- tip N.150.50
- debit 50.000 kg/h maxim - 55 t/h
- debit de amestec: aer importat 199.000 kg/h
- executie: dreapta-stānga
- diametrul rotii 3.200 mm
- moment volant (G/D2) 87.000 kg/m2
- greutatea morii fara motor si fara zidarie 100.000 kg
1.2. Lagarul dublu
- rulmentul pe partea rotorului 23.248 KHL
- rulmentul spre cupla 23.252 KHL
- ungere rulmenti prin circulatie de ulei
- racire rulmenti spre motor prin circulatie de ulei
1.3. Reductorul
- tip RENK 40 SV
- putere 856 CP
- raport de demultiplicare 1:3,041
- viteza primara 1493 rot/min
- viteza secundara 490 rot/min
- ungere rulmenti prin circulatie de ulei
- racire ulei cu apa
- debit de apa de racire 0,9 m3/h la 20oC
- presiunea apei 2 kgf/cm2
- greutate 1600 kg
1.4. Motorul morii
- tip ROAV 4/121 - 45
- nr. plan 198097 A
- putere 700 kW
- viteza de rotatie 1493 rot/min
- tensiune 6000 V
- frecventa 50 Hz
1.5. Caracteristicile uleiului īntrebuintat
- punct de inflamabilitate 210÷215oC
- punct de solidificare 10÷15oC
- vāscozitate 4÷4,5oE/50oC
- temperatura pentru 2oE 75÷80oC
- racirea uleiului de ungere cu apa de racire
- debit mediu de apa 9,5 m3/h la 20oC la racire
- presiunea apei 1 kgf/cm2
2. Descrierea morii ventilator KSG
Moara KSG se compune din:
2.1. Un grup motor-reductor
Motorul este de curent alternativ cu rotorul īn scurtcircuit, iar reductorul este cuplat cu acesta prin intermediul unei cuple semielastice. Reductorul este utilizat īn scopul reducerii turatiei rotorului morii fata de turatia motorului de la 1493 la 490 rot/min. Reductorul este de tipul cu o treapta de reducere avānd 2 pinioane care asigura raportul de reducere de 1:3,041.
Pinioanele sunt unse si racite cu ulei care este aspirat din batiul reductorului de catre o pompa cu roti dintate, trecut printr-un filtru si apoi printr-un racitor cu apa din nou īn reductor. Pompa de ulei este actionata de motorul morii prin intermediul unui pinion cuplat la axul motor al reductorului.
2.2. Un palier dublu
Arborele morii se reazema pe 2 rulmenti oscilanti si este antrenat īn miscare de rotatie de reductor prin intermediul unei cuple semielastice.
Palierul mai este echipat cu urmatoarele aparate:
- 2 vizori pentru verificarea nivelului de ulei īn batiu;
- 2 termometre manometrice pentru masurarea temperaturii celor 2 lagare;
- un termometru manometric pentru masurarea temperaturii uleiului īn batiu;
- 2 indicatoare de flux pentru uleiul de ungere;
- 1 indicator de flux cu vizor pentru uleiul de racire;
- un manometru pe refularea pompei de ulei de ungere.
2.3. Camera de macinare
Este formata din table de otel blindate īn īntregime, iar īn interior se īnvārteste rotorul.
2.4. Rotorul morii
Este de constructie metalica si constituie suportul pentru palete. Cu ajutorul unui dispozitiv de extragere se poate monta si demonta usor dupa īndepartarea caruciorului.
Īn afara de aceasta, blindajele pot fi schimbate fara scoaterea rotorului aceasta īnsemnānd:
- deschiderea de montaj dinspre palier;
- deplasarea caruciorului (deschiderea morii)
2.5. Tubul de aspiratie
Acesta cuprinde sau are atasate urmatoarele:
- armaturi de izolare care permit efectuarea lucrarilor de īntretinere (registre simple sau duble);
- tubul de aer rece cu clapete de īnchidere-deschidere;
- canalul de aer cald si gaze recirculate cu clapete de īnchidere si reglare;
2.6. Separatorul
Este asezat deasupra, la iesirea din moara si separa particulele grosiere de particulele fine. O conducta de recirculatie aduce particulele nemacinate īnapoi īn moara. Separatorul are 5 paleti. Fiecare palet este montat pe un ax si este solidar cu acesta. Primii 2 paleti au axele legate prin pārghii. O roata de actionare cu lant, montata pe una dintre axe, permite manevrarea simultana a acestora. Īn acelasi fel se manevreaza si urmatorii doi. Al cincilea palet are prevazut pe o roata si lantul de actionare. Primii 4 paleti se pot misca cu cāte 45o deasupra si dedesubtul orizontalei, deci cu 90o. Paletul numarul 5 (paletul superior) se poate misca numai sub orizontala cu 45o.
Un indicator metalic solidar cu axul indica pozitia clapetului din interior (la reparatie sau īn orice alta ocazie trebuie sa se aiba īn vedere ca indicatorul sa fie montat astfel īncāt sa corespunda pozitiei clapetului). Indicatorul se misca pe un cadran cu gradatii, fixat pe carcasa separatorului, gradatiile īmpartind īn parti egale unghiul de 90o. Fixarea pozitiei separatorului se face astfel īncāt sa se realizeze finetea si macinarea optima astfel:
a) paleti foarte īnclinati b) paleti putin īnclinati
- debit recirculat foarte mare - debit recirculat mic
- finete de macinare foarte ridicata - finete de macinare slaba
2.7. Arzatorul de praf carbune
Este de tip cu fante īnclinate, amestecul carbunelui cu aerul secundar avānd loc īn camera focara.
Se conpune din urmatoarele elemente:
- cutia arzatorului care face legatura īntre separatorul morii si cele 2 fante ale arzatorului; aceasta este sectionata īn 4 corespunzator fantelor arzatorului, īncepānd de la cota 10 m, deasupra sibarului de izolare K26;
- cele 4 fante montate īntre cota 10 si 18m, īn interiorul carora sunt dispuse īn forma de cruce tevile de insuflare a aerului secundar. Īntre cele 4 fante, precum si deasupra si jos sunt canale prin care se introduce aerul secundar.
Alaturi de cele 4 fante ale arzatorului se afla cutia de aer secundar cu sibarul de īnchidere K7 si cu 9 racorduri de aer secundar la arzator. sibarul K7 are comanda electrica, tot sau nimic, avānd o fanta de 5% din sectiune neacoperita, aceasta avānd rolul de racire a arzatorului atunci cānd moara arzatorului respectiv este oprita.
Cele 9 canale au cāte un sibar cu comanda manuala, care se fixeaza odata pentru totdeauna avānd urmatoarele pozitii:
- sibarul de sub arzator (aer inferior) - 40%;
- sibarul de sus (aer superior) - 90%;
- cei 4 sibari pentru aerul din tevile de insuflare din fantele arzatorului (aer de mijloc) - 90%
- cei 3 sibari pentru aerul dintre fantele arzatorilor (aer intermediar) - 40%;
- aerul tertiar de la pālnia rece - 5%.
2.8. Circuitul uleiului de ungere
Uleiul din batiu este aspirat de o pompa cu roti dintate care se gaseste īn batiu, cuplata printr-un pinion la axul morii si fixata pe o consola.
Pompa debiteaza ulei numai daca se roteste īntr-un anumit sens. De aceea, prin demontarea capacului si desurubarea suruburilor de fixare, ea se va amplasa pe o consola sau alta īn functie de sensul de rotire al axului (stānga sau dreapta).
Pompa de ulei de ungere este prevazuta cu o supapa de siguranta īncorporata īn ea si care este reglata la 3,75 at.
Uleiul refulat de pompa trece printr-un filtru cartus (SCAM) īn care se gaseste un miez format din placute īn forma de discuri fixate pe un ax la distante de cāte 70 mm si un gratar fix pentru curatirea impuritatilor.
Iesind din filtrul SCAM, uleiul intra īntr-un racitor īn care uleiul circula printre tevi iar apa de racire (apa de castel) trece prin tevi.
Uleiul racit trece printr-un filtru magnetic "S" de forma circulara. Principiul de functionare este magnetomecanic. Forma circulara a orificiului la intrare se transforma la iesirea din camera de turbulenta īntr-o trecere gātuita, care asigura fara dificultate admiterea vānei de ulei si o dirijeaza pe toata īnaltimea elementului filtrant - miezul magnetic cu o sita circulara cu ferestre.
Impuritatile solide sunt antrenate spre elementul filtrant īntre miezul magnetic si sita, datorita energiei lor cinetice. Particulele magnetice sunt captate astfel de miezul magnetic.
Din filtrul magnetic uleiul trece prin 2 indicatori de flux (indicatori de debit) si intra īn cei 2 rulmenti cu role butoi care formeaza lagarele arborelui morii.
Dupa ce strabate cei 2 rulmenti, uleiul se īntoarce īn rezervorul batiului.
2.9. Circuitul uleiului de racire
Rulmentul dinspre rotor este prevazut cu un circuit de racire ulei, independent de circuitul de ungere, care asigura o temperatura convenabila īn exploatarea acestuia (maxim 70oC).
Uleiul de racire este aspirat din batiu de o pompa ca cea de ungere, dar care este antrenata de un motor electric de 0,75 kW si refulat printr-un circuit separat (filtru SCAM, supapa de protectie, 2 racitori) la rulment, de unde preia caldura degajata de organele īn functie.
Circulatia uleiului se poate vedea printr-un vizor amenajat pe batiu.
Dupa ce raceste rulmentul, uleiul cade īn rezervorul batiului. Labirintii amenajati la capetele arborelui īmpiedica iesirea uleiului si patrunderea prafului.
Caracteristic circuitului de ulei de racire, spre deosebire de circuitul de ulei de ungere, este faptul ca aici pompa de ulei este antrenata de un motor electric, are 2 racitori identici cu cel din circuitul de ulei de ungere si nu are filtru magnetomecanic, īn rest fiind identic cu circuitul de ungere.
3. Pregatirea de pornire a morii
1. Se īnchid autorizatiile de lucru, executānd īn prealabil un control minutios prin care se urmareste:
- ca toate lucrarile sa fie terminate;
- ca toate materialele, sculele, dispozitivele sa fie īnlaturate;
- sa fie facuta curatenie la locul de munca dupa reparatie;
- ca toate usile de vizitare ale morii sa fie īnchise si sa aiba garnituri;
- ca toate racordurile morii sa fie fixate;
- ca suruburile de la fundatiile morii, batiu si reductor sunt strānse;
- ca toate aparatele de masura si control sa fie bine montate si nedeteriorate;
- ca toate circuitele de ulei ale morii sa aiba toate conductele montate, holenderele si suruburile strānse, filtrele de ulei montate, busoanele de aerisire montate la locul lor, pompele de ulei racire si ungere īn regula, iar canalele deschise;
- ca circuitul de racire al morii sa fie īn perfecta stare;
- ca motorul electric sa fie complet echipat, cu termocuplele montate si legaturile acestora realizate;
- ca legaturile indicatorului de flux si ale termometrelor manometrice sa fie realizate;
- ca aparatorile la cupla sa fie montate;
- ca tubul de aspiratie a gazelor sa fie īn stare buna si racordul cu cazanul la cota 26 m realizat.
Dupa aceste verificari se executa urmatoarele operatii:
- se cere realizarea legaturilor electrice la motoarele morii, pompei de ulei de racire, benzii redler si benzii de curatire;
- se controleaza nivelul de ulei īn batiu si reductor - acesta va fi la jumatatea vizorului;
- se realizeaza circuitul de apa prin racitorul de ulei al batiului si reductorului; debitul de apa nu trebuie sa fie mai mare decāt cel necesar pentru mentinerea lagarelor la o temperatura corespunzatoare - nu se admite o temperatura prea ridicata sau prea scazuta;
- se face aerisire la racitorul de ulei pe partea de apa de racire prin desurubarea busonului (la prima pornire sau dupa o oprire īndelungata);
- se deschide sibarul K25 de pe aspiratie, apoi se īnchid clapetii de etansare de sub sibarul plan;
- se deschid clapetii de aer de etansare (se deschide mai mult cel dinspre batiu);
- se face proba de functionare a clapetelor K11 si K14;
- se controleaza ca banda redler si banda de curatire sa fie īn ordine, lagarele sa fie gresate, usile de vizitare īnchise;
- nivelul de ulei īn reductorul benzii si īn variator este normal; la fel si īn reductorul benzii de curatire;
- se controleaza daca este carbune pe sibarul de sub banda; daca nu este acesta se deschide, iar īn cazul īn care este, sibarul se deschide dupa pornirea morii, cānd se poate porni banda - actionānd de la cuple se constata ca rotorul morii si pompa se rotesc usor;
- jaluzelele de sub buncar sa fie scoase;
- se pune sub tensiune motorul morii, al benzii redler, al benzii de curatire, al pompei de ulei de racire si motoarele sibarilor K7, K20;
- se controleaza ca termocuplele de pe refularea morii sa fie īn stare buna si sa aiba legaturile facute; de asemenea si aparatele de masura din CCT;
- se controleaza ca pozitia clapetilor de aer comprimat K8, K9, K10 sa fie cea corespunzatoare;
- se deschide clapetul de aer secundar K7.
4. Pornirea morii
Se porneste de la fata locului, se controleaza functionarea pompei de ulei de racire si apoi se trece pe automat, se deschide ventilul de legatura cu circuitul de ulei de ungere.
a) La fata locului se va urmari:
- comportarea agregatului din punct de vedere al vibratiilor si al zgomotului;
- scaderea amperajului dupa circa 1,5 minute;
- presiunea de ulei de ungere si la reductor; acestea vor creste si trebuie sa ajunga la 3,75 at pentru batiu si 1,2÷2 at pentru reductor;
- temperatura la lagare nu trebuie sa depaseasca 70oC;
- temperatura uleiului la reductor (maxim 70oC);
- nivelul de ulei;
- daca indicatorul de debit se deplaseaza cu 17,8 mm - cel dispre reductor - si cu 23,7 mm cel dinspre motorul morii;
- daca apa de racire are o buna circulatie, adica uleiul īn racitor se raceste;
- lipsa pierderilor de ulei;
- etanseitatea morii.
b) Īn camera de comanda termica se va urmari:
- amperajul morii, scaderea lui dupa 1,5 minute si stabilitatea acestuia;
- cresterea temperaturii la refularea morii - la temperatura de 150oC se va porni banda de carbune;
- amperajul benzii de carbune si indicatia īncarcarii acesteia; īn cazul īn care aceasta nu se indica īnseamna ca banda este posibil sa nu se deplaseze;
- disparitia semnalizarii lipsei de ulei ungere;
- reglarea temperaturii de refulare la 180oC - nu este permisa depasirea temperaturii de 200oC pe refularea morii.
Pornirea cazanului se va face cu 4 mori, īn functie de cantitatea disponibila de gaz combustibil.
5. Functionarea morii
Īn exploatare, temperatura amestecului aer-praf de carbune dupa moara se va mentine la 150÷180oC.
Temperatura de 180oC nu trebuie depasita deoarece o temperatura mai mare pe un timp mai īndelungat poate duce la deformarea blindajelor de pe partea de aspiratie si deteriorarea rulmentilor.
Pentru uniformizarea alimentarii cu carbune este indicat sa se functioneze cu un strat de carbune relativ mic si viteza de deplasare a benzii relativ mare.
Īn cazul īn care, din cauza unei defectiuni īn alimentarea cu carbune, temperatura pe refularea morii depaseste 220÷230oC moara va fi declansata imediat. De asemenea, se va declansa moara īn cazul unei defectiuni īn circuitul de ungere al reductorului sau al lagarului dublu (presiune de ulei mica, pompa de ulei dezamorsata).
Īn timpul functionarii nu se admite existenta nici unei pierderi de ulei. Acestea vor fi remediate imediat, īn functie de gradul lor de periculozitate, prin oprirea morii sau cu prima ocazie.
Scurgerile de ulei pot genera incendii si pot conduce la deteriorarea fundatiei.
Īn cazul unei defectiuni pe circuitul de racire a uleiului, moara poate fi mentinuta īn functie numai atāt timp cāt nu se depasesc temperaturile admisibile pentru functionarea rulmentilor.
6. Supravegherea īn exploatare
6.1. Debitul de ulei de ungere al lagarului dublu al batiului
Pentru fiecare rulment debitul de ulei este conform cu dimensiunile sale - de la circa 10 la 15 l/min. Un debit de ulei prea mare duce la marirea pierderilor calorice prin frecare.
6.2. Debitul de ulei de racire al lagarului dublu
Nu se prevede nici un reglaj, functionarea facāndu-se la debitul nominal al pompei.
Circulatia uleiului de ungere este pusa īn evidenta pentru cele 2 paliere prin intermediul unui manometru si prin indicatorul de circulatie. Circulatia uleiului de racire se observa la iesirea acestuia īntr-un vizor indicator.
6.3. Nivelul de ulei la lagarul dublu
Este perfect vizibil cānd moara este oprita.
Nivelul trebuie sa fie conform celor indicate la cap. 4 "Pornirea morii".
6.4. Temperatura lagarelor (la lagarul dublu)
Temperatura nu trebuie sa depaseasca 70oC. Īn exploatare, valorile normale ale temperaturii rulmentilor trebuie sa fie cuprinse īntre 45÷70oC. O temperatura a uleiului sub 45oC constituie de asemenea o temperatura scazuta.
Cresterea rapida a temperaturii peste 70oC indica, īn cazul alimentarii normale cu ulei, avarierea lagarului respectiv.
Controlul functionarii normale a rulmentilor se face prin ascultarea cu un tub acustic. Īn urma controlului nu trebuie sa se auda zgomote caracteristice. Īn cazul īn care se vor depista zgomote, īnseamna ca rolele sau camasa au suferit defectiuni si este necesar sa se opreasca moara si sa se revizuiasca rulmentii.
6.5. Filtrul cu sita pentru lagarul dublu
Acest filtru este montat īn paralel cu un clapet de protectie reglat la: "p × 0,25 bar", unde p este presiunea uleiului din circuit.
Īn cazul īn care filtrul se murdareste, clapetul se deschide, asigurānd circulatia uleiului spre rulment. Cu ocazia opririi morii se va demonta filtrul si se va curata īn conformitate cu instructiunile de īntretinere. Īn timpul functionarii, miezul acestuia se va roti de catre operatorul de la mori.
6.6. Rotorul morii
Rotorul trebuie sa se īnvārteasca usor, fara zgomote anormale. Functionarea cu zgomote sau batai indica o defectiune. Īn acest caz, se va opri moara si se va verifica rotorul.
6.7. Presiunea uleiului pentru lagarul dublu
Presiunea creata de pompa de ulei de ungere este īn jur de 3,75 at. La pornirea morii, presiunea va fi mai mare pentru ca uleiul este rece.
Daca uleiul este cald si presiunea continua sa creasca, aceasta īnseamna ca circuitul este obturat si moara trebuie oprita, iar defectul īnlaturat.
6.8. Moara (corpul si usile)
- Se verifica integritatea garniturilor de la carucior. Se elimina deficientele de etanseitate imediat ce este posibil.
- Se verifica garniturile de la racordarea conductei de aspiratie si se elimina neetanseitatea. Se verifica etanseitatea usilor de vizitare si a capacelor. Defectiunile constatate se elimina cu prima ocazie.
- Se verifica scaparile de carbune pulverizat pe la labirintul din partea din mijloc a rotorului.
Cu prima ocazie se verifica starea de uzura a paletilor de ventilatie dispusi pe partea din spate a rotorului.
Īn scopul eliminarii scaparilor se va deschide mai mult aerul de etansare dinspre batiu.
6.9. Reductorul morii
- Se verifica ca presiunea creata de pompa ulei sa fie cuprinsa īntre 1,2 ÷ 2 at si existenta circulatiei de ulei.
- Se verifica temperatura uleiului la iesirea din reductor, care nu trebuie trebuie sa depaseasca 70oC.
- Se verifica buna circulatie a apei īn racitorul de ulei.
- Se verifica racirea uleiului īn racitor.
- Se verifica functionarea linistita (fara zgomote, fara trepidatii) a reductorului.
- Se verifica nivelul de ulei īn reductor. Daca acesta creste si spumega īnseamna ca racitorul este spart.
- Se verifica etanseitatea exterioara a reductorului, lipsa pierderilor de ulei pe la holendere, pe la capac, pe la pompa de ulei sau pe la vizor.
- Se verifica starea buloanelor de prindere cu fundatia si a suruburilor de prindere a capacului.
- Se verifica daca reductorul sau rulmentii acestuia īncalzesc sau au zgomote anormale.
7. Oprirea morii de carbune
Īn scopul opririi morii se vor executa urmatoarele manevre:
1. Se scoate de pe automat reglarea tempaturii amestecului aer-praf de carbune.
2. Se descarca banda de carbune.
3. Se asteapta golirea morii (scaderea amperajului si īnceperea cresterii temperaturii la refularea morii).
4. Se declanseaza moara si se īnchide aerul cald - clapetul K11.
5. Se deschide complet aerul rece - clapetul K14. Se urmareste scaderea temperaturii la refularea morii.
6. Se īnchide aerul secundar - clapetul K7.
7. Se īnchide refularea morii - clapetul K26.
Daca moara trebuie sa intre īn reparatie se executa urmatoarele operatii:
- se scoate de sub tensiune motorul morii, cel al pompei de ulei, cel al benzii de carbune si cel al benzii de curatire;
- se blocheaza butoanele de avarie la moara, la banda de carbune, la banda de curatire si la pompa de ulei la fata locului;
- īn functie de situatie, se desfac legaturile la bornele motoarelor si se monteaza un scurtcircuitor la motorul morii, iar capetele terminale ale cablurilor la motoarele benzilor si al pompei de ulei se leaga īn scurtcircuit;
- se blocheaza refularea morii prin introducerea de sibari plani la K26;
- se īnchide sibarul plan pe aspiratia morii (K25). Se asigura lantul īmpotriva actionarii si se monteaza placuta avertizoare;
- se īnchide aerul de etansare la carucior, din fata si din spatele rotorului;
- se īnchide clapetul de aer K11 si se debroseaza;
- se debroseaza clapetul de aer rece;
- se īnchide sibarul plan de sub banda de carbune K24;
- se īnchide apa de racire.
OBSERVAŢII: Clapetul de gaze recirculate K19 are tija decuplata si motorul scos de sub tensiune. Se va verifica acest lucru de fiecare data.
7.1. Cazuri de oprire fortata a morii de carbune
Moara va fi oprita imediat īn urmatoarele situatii:
- La aparitia zgomotelor si vibratiilor periculoase la moara, la motor, la reductor sau la batiu datorita caderii blindajelor, descentrarii, deteriorarii rulmentilor sau altor cauze.
- Daca presiunea uleiului de ungere la reductor sau la batiu scade la 0 (la pornire, se va opri moara imediat daca pompele de ulei nu fac presiune).
- Daca iese fum din motorul electric.
- Daca temperatura la refulare este mai mare de 230oC si nu exista perspectiva imediata de alimentare cu carbune.
- Daca apare incendiu īn circuitul de ulei al morii.
- Daca se rup conductele de ulei sau apare o pierdere mai importanta la unul din circuitele de ulei.
- Daca se rupe conducta de apa de racire sau apare o pierdere importanta pe acest circuit fara posibilitatea de izolare.
- Daca se defecteaza pompa de ulei de racire a batiului sau daca circuitul devine indisponibil si temperatura rulmentilor depaseste 70oC.
Moara se va opri cu avizul sefului de tura atunci cānd:
- Apar vibratii la batiu, reductor sau la motor care nu pericliteaza functionarea morii.
- Daca presiunea uleiului la reductor sau la batiu scade sub valorile prescrise.
- Daca temperatura lagarelor atinge 70oC si se stabilizeaza īn jurul acestei valori.
- Daca rulmentii motorului īncalzesc si ating temperatura de 80oC.
- Daca presiunea uleiului creste, iar temperatura lagarelor de asemenea. Aceasta īnseamna ca circuitul de ulei este īnfundat.
- Daca apar zgomote anormale la rulmentii lagarului dublu, la cei ai reductorului sau la cei ai motorului.
- Daca apare semnalizarea "LIPSĂ ULEI UNGERE".
- Daca nu scade suficient temperatura uleiului dupa racitor.
- Daca circuitul de ulei de racire al batiului devine indisponibil.
- Daca scade nivelul de ulei la reductor sau batiu fara ca presiunea de ulei sa scada, iar temperatura lagarelor sa creasca.
- Daca apar neetanseitati pe circuitul de ulei de ungere sau pe cel de racire.
- Daca apar neetanseitati pe circuitul de praf de carbune.
- Daca reductorul sau rulmentii acestuia īncalzesc.
- Daca nu sunt montate aparatori la cupla.
- Īn cazul altor defectiuni de natura celor de mai sus care permit mentinerea īn functiune a morii pentru o perioada de timp suficienta executarii unui control atent.
8. Norme specifice de protectia muncii la exploatarea morii de
carbune
1. Vor fi respectate toate prescriptiile NPM īn vigoare privind agregatele rotative, instalatiile de preparare a prafului de carbune si deservirea operativa a instalatiei.
2. Este interzisa punerea īn functiune a morii fara aparatori la cupla.
3. Se interzice urcarea personalului pe motor, reductor, batiu sau pe oricare parte a morii aflata īn functiune.
4. Nu se admite exploatarea morii cu scurgeri de ulei. Toate neetanseitatile vor fi semnalate si remediate. Acumularile de ulei de pe fundatia morii de sub batiu, reductor sau motor vor fi imediat curatate.
5. Nu se admite exploatarea motorului fara punerea la pamānt realizata.
Desfundarea separatorului morii, manevrarea tevii, se vor face cu grija si de catre doi lucratori desemnati de seful de tura.
7. Intrarea īn reparatie a morii se va face conform NPM dupa ce moara a fost racita, izolata si scoasa de sub tensiune conform instructiunilor de exploatare.
8. Nu se va arunca apa peste praful de carbune aprins. Se vor folosi īn acest scop numai stingatoarele cu spuma sau cu CO2.
Īn acelasi fel se va proceda si īn cazul unui incendiu la moara sau īn zona acesteia.
9. Personalul de deservire va purta echipamentul de lucru si de protectie īn vigoare (casca, salopeta, manusi, ochelari, īncaltaminte corespunzatoare). Fiecare salariat īn parte va raspunde de purtarea echipamentului de protectie, iar de controlul purtarii echipamentului va raspunde seful de tura. Maistrul principal cazane va raspunde de dotarea personalului muncitor cu echipament de protectie.
10. Nu se admite amorsarea pompelor de ulei cu moara īn functionare sau neblocata la fata locului.
11. Praful de carbune care provine din neetanseitatile morilor constituie un pericol de īnceput de incendiu deoarece are proprietati explozive si de autoaprindere. De aceea, el va fi īnlaturat si mai ales vor fi semnalate toate neetanseitatile morilor imediat ce apar si vor fi trecute īn registrul de defectiuni.
12. Īn cazul īnfundarii separatorului morii, cānd este necesara deschiderea morii, acest lucru se va face dupa racirea completa a morii, īnchiderea sibarului de pe aspiratie si a celui de pe refulare si deschiderea aerului rece.
Deschiderea morii se face cu mare atentie folosind raciul sau alt dispozitiv de tractiune.
Se atrage atentia ca īn cazul īn care moara este insuficient racita, praful de carbune care cade din separator, fiind īncins, poate sa se aprinda si sa explodeze.
13. Iluminatul īn zona morilor va fi īn permanenta īn stare buna (atāt cel normal cāt si cel de siguranta). Personalul de deservire raspunde de integritatea lui si de semnalarea catre seful de tura a tuturor deficientelor.
14. Pompa de ulei de racire va avea aparatoare la cupla si la cutia de borne a motorului īn buna stare, iar īmpamāntarea motorului va fi bine montata.
Īn zona morilor aflate īn functiune se interzice fumatul sau focul deschis.
9. Norme PSI pentru morile de carbune
1. Vor fi respectate toate prevederile si prescriptiile īn vigoare privind exploatarea si īntretinerea instalatiilor de preparare a prafului de carbune.
2. Nu se admite exploatarea morii cu acumulari de ulei sub reductor si batiu. De īnlaturarea imediata a acestora raspunde operatorul de la locul de munca.
Circuitul de ulei al reductorului sau al lagarului dublu, precum si flansele acestora din urma nu trebuie sa prezinte scapari de ulei. Orice anomalie īn acest sens va fi imediat semnalata si īnscrisa īn registrul de defectiuni.
3. De semnalarea tuturor scurgerilor de ulei raspunde operatorul de la locul de munca, de īnscrierea īn registrul de defectiuni raspunde seful de tura, iar de luarea masurilor de remediere raspunde seful de tura sau maistrul principal de zi (dupa situatie).
4. Nu se admite depozitarea sau existenta īn apropierea morilor de carbune a materialelor combustibile ca: scānduri, cārpe, maturi, schele etc. Acestea vor fi imediat strānse si īndepartate. De aceste lucrari raspund operatorii cazane (fochistii) īn conformitate cu repartizarea responsabilitatilor stabilite prin atributiunile de serviciu.
5. Neetanseitatile īn circuitul morii conduc la depuneri de praf de carbune pe instalatii. Acestea se pot autoaprinde si pot provoca incendii care afecteaza cu precadere retelele de cabluri. De aceea, orice neetanseitate īn circuit va fi semnalata de personalul de exploatare si remediata imediat de personalul de īntretinere si reparatii prin grija sefului de tura sau a maistrului principal cazane. Neetanseitatile din circuitul de praf carbune pot impune, īn functie de gravitatea lor, oprirea morii.
6. Depunerile de praf de carbune de pe instalatii, retele de cabluri, grinzi de sustinere etc., vor fi īnlaturate sistematic de fiecare muncitor, pentru locul sau de munca, si de turele de exploatare īn sectoarele respective, īn conformitate cu instructiunile de curatenie. Raspunderea pentru respectarea curateniei īn instalatie revine fiecarui salariat pentru sectorul sau, sefului de tura pentru sectorul turei si maistrul principal pentru obligatiile care-i revin conform instructiunilor de curatenie.
7. Īn cazul īn care carbunele provenit din depuneri se autoaprinde, stingerea lui se va face fara apa. Se vor folosi stingatoarele cu spuma sau cu CO2.
8. Daca se autoaprinde carbunele īn buncar, nu se va folosi apa pentru stingerea lui.
Se vor introduce bare metalice deasupra benzii, īn partea cu carbune care nu s-a autoaprins. Īn acest fel, carbunele autoaprins va cadea pe banda si va fi consumat īn cazan.
9. Uscatorii morilor de carbune, mai ales īn cazul īn care cade zidaria, radiaza asupra rastelelor de cabluri ducānd la aprinderea depunerilor de praf de carbune. Din aceasta cauza, izolatia cablurilor se poate topi si apar scurtcircuite care pot provoca incendii.
De aceea, rastelele de cabluri vor fi īntotdeauna protejate de radiatiile calorice ale uscatorilor, iar depunerile de praf īnlaturate.
Daca zidaria uscatorilor se deterioreaza si zone ale tubului se īnrosesc, se vor practica gauri de 10÷15 mm īn zona īnrosita. Daca zonele cu zidarie cazuta se īntind pe suprafete mari din uscator, moara se va opri.
10. Nu se va depasi temperatura de 210oC pe refularea morii. La depasirea temperaturii de 220÷230oC se va declansa moara, daca nu sunt perspective imediate de alimentare cu carbune. Temperatura normala de functionare a morii este cuprinsa īntre 160 si 180oC.
11. Praful de carbune īn amestec cu aerul formeaza, īn anumite conditii, un amestec exploziv. De aceea, orice neetanseitate pe circuitul de praf de carbune va fi imediat semnalata si remediata.
12. Īn cazul incendiului la motorul electric al morii sau al pompei de ulei de racire se vor folosi numai stingatoare cu praf si cu CO2.
13. Dotatiile PSI din zona morilor (hidranti, pichete PSI, placute avertizoare, lazi cu nisip) vor fi īntotdeauna īn perfecta stare. Ele vor fi utilizate numai īn caz de incendiu. De integritatea lor raspunde personalul care deserveste locul de munca respectiv.
C01-10 INSTRUCŢIUNE DE EXPLOATARE PENTRU BANDA REDLLER
1. Caracteristici tehnice
Capacitatea de transport - reglabila 25÷55 t/h, reglarea vitezei si reglarea
nivelului de carbune pe banda
Greutatea volumetrica a carbunelui 0,75÷0,95 t/m3
Īnaltimea stratului 380 mm
Latimea stratului 1150 mm
Viteza de deplasare 1,5÷4 m/s
Tensiunea de alimentare a motorului 380 V
Puterea motorului 7,5 kW
Turatia motorului 1490 rot/min
Turatie variator - iesire
Raport de reducere la reductor
2. Descrierea benzii Redller
Banda Redller se compune din:
- cutie de alimentare (buncar de carbune) prevazuta cu 248 de orificii de izolare cu tije si cu capace de īnchidere a orificiilor;
- sibar plan pentru reglarea grosimii stratului de carbune, avānd pozitie verticala, montat la iesirea din buncar, comandat manual de o roata sistem timona;
- clapeta pentru semnalizare "lipsa carbune", montata pe banda dupa sibarul de reglare a grosimii stratului, care semnalizeaza atunci cānd stratul de carbune este de 10 cm;
- carcasa benzii care este din tabla, etansa si prevazuta cu usi de vizitare laterale si la capace;
- banda transportoare sub forma de jgheab din racleti metalici, cu role purtatoare, sanie de ghidaj, stelute de antrenare, stelute de īntindere si dispozitiv cu resort pentru curatirea benzii Redller;
- banda de curatire din racleti cu lant, cu steluta de actionare si steluta de īntindere;
- cutia de evacuare, din care carbunele curge īn tubul de uscare, prevazuta cu sibar de izolare.
Ambele benzi au dispozitiv de īntindere cu ax si au montate capete de īntoarcere.
Reglarea vitezei benzii Redller se face cu variatorul de turatie montat īntre motorul de antrenare si reductorul benzii. Variatorul de turatie este de tip cu lant si discuri cu diametru variabil.
3. Gresarea
Ungerea la reductor si variator se face prin baie de ulei - tip T90 EP2, reductorul fiind prevazut cu un disc de tabla cu aripioare care arunca uleiul din baie pe pinioane, iar variatorul se unge cu uleiul antrenat de cele 2 discuri care intra īn baia de ulei. Pinionul mare si pinionul de antrenare sunt unse cu ulei C 265 (valvolina).
Cantitatile normale de ulei sunt:
- reductor 8 l
- variator 5 l
- pinion mare 1 l.
Urmarirea nivelului de ulei la reductor si variator se face prin indicatorii de sticla, iar la pinionul mare prin deschiderea capacului.
Uleiul se completeaza de cāte 2 ori si se schimba la 8000 ore de functionare.
Gresarea rolelor se face saptamānal cu vaselina pentru rulmenti, iar cea a lagarelor zilnic.
4. Exploatarea benzii
4.1. Pregatirea pentru pornire
Īnainte de pornire se controleaza nivelul de ulei la reductor, variator si pinionul de antrenare ax banda, toate sculele si personalul trebuie sa fie evacuate, usile de vizitare īnchise. Legaturile electrice la motor, banda Redller si banda de curatire facute. Se cere punerea sub tensiune a benzii Redller si a celei de curatire.
4.2. Pornirea benzii
Prima pornire dupa reparatie se face de la fata locului pentru a se verifica sensul, dupa cum urmeaza:
- se trece cheia de la fata locului pe manual;
- se da un impuls de pornire pentru a se vedea sensul - sensul este corect daca banda Redller se īnvārte cu partea de sus spre cazan, iar banda de curatire cu partea de jos spre cazan;
- dupa verificarea sensului se trec cheile pe pozitia "Automat", benzile fiind gata de pornire;
- dupa pornirea morii de carbune si atingerea unei temperaturi de 150oC dupa moara, se deschide īncet sibarul de sub banda pentru a se goli carbunele de pe acesta.
Dupa deschiderea completa a acestuia se porneste banda Redller pe turatie minima, dupa care se īncarca corespunzaator bunei functionari a morii. Se porneste banda de curatire, care va functiona 30 min īn 2 ore.
4.3. Oprirea benzii Redller si curatirea
Īnainte de oprire banda Redller va fi adusa pe turatie minima, banda de curatire va functiona 30 de minute īnainte de oprire.
Dupa oprirea benzii Redller moara va functiona timp de 5 min. cu aer cald si aer rece, pentru evacuarea completa a carbunelui din moara. Cheile de la fata locului vor ramāne īn permanenta pe pozitia "Automat", pe care au fost trecute dupa verificarea sensului.
4.4. Supravegherea īn functionare
Īn functionare se vor controla urmatoarele:
- amperajul motorului - īn camera de comanda - care trebuie sa fie constant īn jur de 60%, maxim 90%;
- viteza benzii trebuie sa fie īntre 50÷60 %.
La fata locului se va controla:
- nivelul de ulei la reductor si variator sa fie normal;
- reductorul si variatorul sa nu aiba zgomote si sa nu fie fierbinti;
- lagarele sa fie unse si sa nu fie fierbinti;
- rolele sa fie unse si sa nu fie blocate;
- toate usile de vizitare sa fie īnchise;
- capacele de īnchidere a orificiilor pentru jaluzele sa fie īnchise;
- viteza benzii sa fie cāt mai mare si stratul mic, asa īncāt carbunele sa cada cāt mai īmprastiat īn tubul de uscare;
- viteza optima de deplasare a benzii Redller este de aproximativ 3,5 m/min.
Īnainte de oprirea īn reparatie a benzii, care se face odata cu reparatia morii, se introduc jaluzele sub buncar si se goleste carbunele de pe banda.
Periodic, cel putin o data la 6 luni, se va goli buncarul de carbune pe toata lungimea lui prin introducerea de jaluzele pe ambele parti ale buncarului, īncepānd de pe partea de intrare īn uscator, ramānānd numai 1 m fara jaluzele, la capatul spre sala turbine. Dupa oprirea benzii se va īnchide sibarul de sub banda.
4.5. Blocaje, protectii, semnalizari, automatizari
Banda Redller si cea de curatire nu se pornesc din C.C.T. cu cheia de la fata locului pe pozitia "Manual" si nu se pornesc de la fata locului cu cheia pe pozitia "Automat".
Banda Redller si cea de curatire nu se pornesc din camera de comanda daca moara nu este īn functiune si se opreste automat la oprirea morii.
La scaderea nivelului de carbune pe banda sub 10 cm apare semnalizarea "LIPSĂ CĂRBUNE".
La turatia maxima lucreaza cupla la variator si apare semnalizarea "MOARĂ ANCLANsATĂ", iar la turatia minima apare semnalizarea "MOARĂ DECLANsATĂ".
5. NPM si PSI la banda Redller si la banda de curatire
Pentru evitarea accidentarii la benzile Redller si de curatire se interzice:
- stationarea īn fata usilor de vizitare de la capatul de curgere cu acestea deschise;
- introducerea māinilor īn banda cu aceasta īn functiune;
- admiterea echipei de reparatii cu benzile sub tensiune, cu legaturile electrice la motoare nedesfacute;
- pornirea benzii fara aparatoare la volanta ambreiajului;
- spalarea cu apa a motoarelor electrice;
- aplecarea peste balustrada buncarului de carbune;
- functionarea benzii cu scurgeri de ulei la reductor si variator.
Atunci cānd nu este posibila oprirea benzii, uleiul se va colecta īn tavi si se va evacua ...???.
Īn zona variatorului si reductorului se va mentine o curatenie perfecta, curatindu-se īn permanenta uleiul si praful. Carbunele scos de la benzile de curatire va fi introdus īn cea mai apropiata moara aflata īn functiune.
Orificiile pentru introducerea jaluzelelor vor fi īn permanenta īnchise pentru a evita patrunderea aerului īn buncar, lucru ce ar conduce la autoaprinderea carbunelui.
Īn cazul īn care se constata ca este carbune īn buncar, acesta va fi evacuat la consum prin introducerea de jaluzele īn zona īn care nu este carbune aprins, carbunele aprins fiind astfel obligat sa curga pe banda.
Īn toate cazurile īn care moara este oprita, se va īnchide sibarul de sub banda pentru a se evita patrunderea gazelor fierbinti īn banda.
Se interzice fumatul īn zona benzilor Redller. Īn caz de incendiu se va anunta imediat seful de tura si pompierii si se vor lua masuri de stingere a acestuia.
C01-11 ELECTROFILTRUL
1. Generalitati
Separarea cenusii din gazele de ardere se face cu ajutorul electrofiltrelor.
Fiecare cazan este prevazut cu un electrofiltru compus din 4 celule.
2. Principiul de separare a cenusii īn electrofiltre
Separarea cenusii din gazele de ardere īn electrofiltre se bazeaza pe principiul ionizarii particulelor īntr-un cāmp electrostatic. Un astfel de cāmp ia nastere cānd un fir īntins īntre 2 placi legate la pamānt, se aduce la un potential electric negativ, superior potentialului de ionizare. Ionii negativi emisi de fir polarizeaza particulele care īncep sa se deplaseze spre placile receptive. Aici, datorita faptului ca acestea sunt legate la pamānt, particulele se aglomereaza, īsi pierd sarcina electrica si cad gravitational īn pālnii.
Deoarece pierderea sarcinii este functie de conductibilitatea electrica dintre placa si particule, este necesar ca aceasta sa fie īn permanenta mentinuta la anumite valori pentru o buna functionare. Aceasta conditie se realizeaza prin scuturarea electrozilor receptivi. Pentru a avea un cāmp electrostatic de intensitate suficienta trebuie ca electrozii emisivi sa fie scuturati periodic.
Se foloseste un cāmp electrostatic negativ deoarece ionii negativi sunt mai mobili decāt cei pozitivi, iar diferenta de potential admisibila fara amorsari este mult mai mare.
3. Caracteristicile electrofiltrului
- tensiunea de lucru 55 kV (la o functionare a cazanului la
parametrii de mai jos)
- curentul nominal 2 A
- debitul de abur al cazanului 510 t/h
- mori in functiune 5
- debit de carbune lignit 219 t/kg
- puterea calorifica inferioara a carbunelui 1775 kcal/kg
- temperatura gazelor de ardere la intrare 161oC
- temperatura gazelor de ardere la iesire 140oC
- presiunea gazelor de ardere la intrare 175 mmCA
- presiunea gazelor de arde la iesire 190 mmCA
- continutul de cenusa īn carbune 20÷24 %
- debit gaze de ardere 1029000 Nm3/h (453m3/sec)
- continutul de cenusa īn gazele de ardere la intrare 45,5 g/Nm3 (46,5t/h)
- continutul de cenusa īn gazele de ardere la iesire 0,455 g/Nm (465kg/h)
- viteza de trecere a gazelor de ardere 2,16 m/s
- timpul de contact 4,63 s
- consumul de energie 485 kVA
Pe un electrofiltru sunt 4 celule, dintre care doua īn serie si doua īn paralel, cu urmatoarele caracteristici:
- lungimea unei celule 10m
- zona utila a unei celule 10,20m
- distanta īntre ramele cu electrozi emisivi 0,27m
- numar de rame cu electrozi emisivi pe celula 4 × 38 = 152
- suprafata de contact a electrozilor emisivi 210 m2
- suprafata de contact cu electrozii receptivi 15500m2
- numar de electrozi receptivi 4 × 10 × 39 = 1560
Pentru alimentarea celulelor exista 4 grupuri transformator-redresor de 2 A si 55 kV.
4. Descrierea electrofiltrului
Ansamblul de separare a cenusii se compune din urmatoarele componente:
1. o incinta din beton, cu circulatia orizontala a gazelor, cu urmatoarele dimensiuni:
- lungimea incintei 14 m
- latimea incintei 25 m
- īnaltimea incintei 11,6 m
- intrarea gazelor de ardere 33 m
- nivelul superior al salii electrofiltrelor 22,73 m.
La partea inferioara sunt prevazute 8 pālnii de beton armat pentru colectarea cenusii, cu o capacitate de 660 m3, dispuse cāte 6 pālnii īn paralel si 2 īn serie. Sectiunea de trecere a gazelor de ardere prin electrofiltre este de 210 m2.
2. Patru celule cu electrozi emisivi si receptivi, repartizate 2 īn serie si 2 īn paralel.
Electrozii emisivi sunt montati īn cadre de teava si sunt de doua tipuri: electrozi cu colti (sistem pānza de ferastrau) si electrozi drepti (fara colturi).
Īn fiecare celula exista cāte 38 cadre din teava cu diametrul 26/34 mm. Fiecare cadru este īmpartit īn doua pe verticala, iar pe orizontala are 5 tevi prin care trec electrozii emisivi.
Cadrele din celulele 1+2 (de la intrarea gazelor) au fiecare cāte 30 electrozi. Primii 15 īn sensul de curgere a gazelor - cu colturi - sunt formati din 6 bucati cu lungimea de 1795 mm (īn total 90 bucati de electrozi cu lungimea de 1795 mm).
Urmatorii 15 sunt fara colturi, dintr-o bucata, cu lungimea unitara de 10,12 m. Dimensiunile cadrelor sunt 10 × 200 × 4950 mm.
Orificiile din tevi prin care trec electrozii au diametrul de 7 mm.
Latimea unui fir de electrod este de 5 mm.
Distanta īntre 2 colturi pe fete opuse este de 250 mm.
Distanta īntre 2 tevi, pe orizontala, este 1670 mm.
Rigidizarea electrozilor īn orificii se face prin intermediul unor pene metalice care se īndoaie la un capat, celalalt fiind īndoit. Vezi schema nr.: Plan 6181/66.
Cadrele din celulele 3 si 4 (la iesirea gazelor de ardere) sunt identice cu cele ale celulelor 1 si 2 (dimensiunile electrozilor, orificiile de trecere, penele, tevile cadrelor).
Deosebirea consta īn urmatoarele:
- numarul de electrozi pe un cadru este de 20, dintre care primii 2 sunt cu colturi (vezi plan 6181/67);
- pe fiecare celula sunt 38 de cadre, deci 38 × 4 = 152 de cadre de electrofiltre.
Scuturarea electrozilor emisivi este asigurata de un sistem de scuturare compus din urmatoarele elemente:
i) Un grup motor - reductor cu urmatoarele caracteristici:
a) puterea motorului 0,2 kW
b) tensiunea de alimentare 380 V
c) turatia la iesirea din reductor 1,2 rot/min
d) protectia este asigurata prin dispozitivul limitator de cuplare 5-12
ii) Un lant Gall pentru transmiterea miscarii de la reductor la axul scuturatoarelor.
iiI) Axul canelat cu izolator.
iv) Axul suport al ciocanelor, cu urmatoarele dimensiuni :
- lungimea axului 10,232 mm
- diametrul axului 50 mm.
Axul este prevazut cu 8 paliere cu autogresoare si cu 38 de ciocane, decalate cu 9o30' asa īncāt la o rotatie completa un ciocan sa bata o singura data (vezi plan 6181/59 si 59).
O tura completa se face īn circa 50 de secunde. Fiindca axul cu ciocane se afla la o tensiune mare, cuplarea sa cu reductorul se face prin intermediul a 5 elemente de izolare īnseriate.
Īntreg ansamblul de cadre de electrozi emisivi este sustinut de sistemul de suporti suspendati la partea superioara a salii electrofiltrelor, compus din 4 tije suspendate cu izolatori care au rezistenta de īncalzire pentru a mentine temperatura izolatorului mai mare decāt temperatura punctului de roua din gazele de ardere.
Īntreg ansamblul electrozi emisivi - suporti - dispozitiv de scuturare se afla sub tensiunea de 55 kV.
Alimentarea cu tensiune a celulelor este asigurata de 4 grupuri transformatoare-redresoare statice cu siliciu. Patrundera īn incinta electrofiltrelor la electrozi si placi se face pe una din cele 6 usi, cāte 3 pe fiecare latura, usi asigurate cu chei care se pot lua numai dupa ce toate celulele au fost scoase de sub tensiune.
4.1. Electrozii receptivi (de captare a cenusii)
Sunt repartizati īn 4 celule, montati īn panouri dispuse īntre cele cu electrozi emisivi. Fiecare celula are 39 de cadre a cāte 10 electrozi fiecare (panouri elementare).
Īnaltimea unui panou este de 10,3 m.
Latimea unui panou elementar 485 m.
Distantele īntre cadrele de electrozi receptivi (spatiul īn care este introdus cadrul cu electrozi emisivi) 270 mm.
Pentru electrofiltre sunt 4 × 10 × 39 = 1560 panouri elementare de electrozi receptivi.
Acestia sunt confectionati din tabla cu profil special, cu grosimea de 1,4 mm. Vezi plan 6181/50, 51, 70, 69, 52, 54. Suprafata totala de depunere a electrozilor receptivi este de 15500m2.
Electrozii receptivi sunt suspendati la partea superioara, iar la partea inferioara sunt legati la bara de scuturare. Īn total sunt 10 bare a cāte 39 panouri elementare fiecare.
Barele de scuturare sunt montate orizontal, perpendicular pe fluxul de gaze, la capatul inferior al elecrozilor receptivi.
Scuturarea de cenusa a electrozilor receptivi este asigurata de un sistem de scuturare compus din urmatoarele elemente:
- un grup motor-reductor cu puterea de 0,2 kW, turatia de iesire 1,12 rot/min, tensiunea de alimentare 380 V;
- o tija suport pe care sunt montate 10 ciocane decalate īn asa fel īncāt la o turatie completa a axului, un ciocan sa bata o singura data.
Tija suport este prevazuta cu 4 paliere care se greseaza de la un gresor central.
Barele de scuturare, racordate la 39 de panouri, sunt de otel si au urmatoarele dimensiuni:
- grosimea barei 65mm
- resort lame 5×8,4×50 mm
- forta cu care este lovita bara de ciocan 40÷50 kgf
Tija suport pentru ciocane are urmatoarele dimensiuni:
- lungimea totala 3535 mm
- diametrul axului 50 mm
- distanta īntre ciocane 500 mm
Palierele tijei sunt montate pe suporti īn consola.
Dispozitivul de scuturare poate functiona ciclc sau prioritar (cānd functioneaza simultan toate dispozitivele de scuturare).
Reglarea cadentei de scuturare, atāt pentru electrozii emisivi cāt si pentru cei receptivi, se face cu ajutorul unui programator camelat.
4.2. Dispozitivul de repartizare a gazelor de ardere (mecanofiltru)
Este compus din table perforate, tip gratar Wema, montate īn plan īnclinat pe 4 sectoare pe fiecare semielectrofiltru. Gazele arse lovesc tangential īn acest gratar, particulele de cenusa cu granulatia mare fiind proiectate, datorita inertiei, īn pālniile de captare, īn numar de 4, dispuse īn paralel, cu o capacitate de 50 t fiecare.
5. Exploatarea electrofiltrelor
Īnainte de punerea īn functiune a electrofiltrelor (punerea celulelor sub tensiune), trebuie executate urmatoarele operatii:
Īnainte de pornirea cazanului (VA, VG, PAR oprite si cazanul īn stare rece):
a) Controlul pālniilor. Acestea trebuie sa fie goale, sa nu existe zgura sau alte corpuri care pot īmpiedica scurgerea cenusii spre rigola. Īn acest control sunt incluse si pālniile de la mecanofiltre.
b) Controlul migalcilor. Acestea trebuie sa fie mobile si sa aiba stifturile dintre ax si bratul cu contragreutate īn buna stare.
c) Controlul rigolelelor de sub pālnie si a rigolelelor colectoare. Acestea trebuie sa fie goale pe partea de aer si cenusa.
Pe partea de cenusa este posibil sa fie bucati de zgura care trebuie eliminate, iar pe partea de aer din cauza pānzei rupte poate sa existe cenusa.
Īn acest ultim caz trebuie īnlocuita pānza si eliminata cenusa.
d) Controlul silozului si al rigolelelor de sub siloz. Silozul trebuie sa fie gol, iar rigolelele trebuie sa corespunda conditiilor amintite mai sus.
e) Se controleaza ca toti sibarii de sub pālnii (electrofiltre, mecanofiltre, PAR, de sub siloz) sa fie deschisi.
f) Controlul starii electrozilor emisivi si recceptivi.
g) Se controleaza ca sibarii de la rigorele de sub siloz sa fie deschisi.
h) Se pun īn functiune rezistentele de īncalzire ale izolatorilor cu 8 ore īnainte de pornirea cazanului.
Se verifica apoi:
i) prin punerea sub tensiune a celulelor, ca nu exista scurtcicuite sau amorsari - se scot apoi de sub tensiune;
j) ca instalatia de scuturare (ciocanele P si F) functioneaza corect. La acestea se va mai verifica nivelul de ulei īn reductor, lanturile de transmisie si daca lagarele tijei pentru ciocanele F sunt gresate. Ciocanele P si F vor fi puse si vor ramāne īn functiune dupa executarea controalelor indicate mai sus;
k) se deschide apa la ejector, se porneste pompa de spalare si pompele Bagger, se controleaza buna functionare a electrozilor;
l) se controleaza compensatorii conductelor de aerisire a silozului. Acestia trebuie sa fie īn buna stare si sa nu aspire aer din atmosfera. Se verifica de asemenea ca clapetele de pe conductele de aerisire a silozului si a rigolelor de aer de sub siloz sa fie deschise;
m) se deschid ventilele de aer la rigolele de sub siloz, la priza silozului, la pālniile de sub PAR, la rigolele de sub pālniile electrofiltrelor si la rigolele colectoare.
Se face schema normala pentru 2 ventilatoare de cenusa si 2 compresori de 30 kW si se pornesc.
Dupa aprindere focului se executa urmatoarele operatii:
n) se pun sub tensiune celulele de la electrofiltre dupa depasirea punctului de roua;
o) se echilibreaza īncarcarea ventilatoarelor de gaze;
p) se controleaza buna functionare a evacuarii cenusii din pālnii, migalcile se basculeaza periodic, conductele de cenusa sa fie fierbinti, rigolele de asemenea, rigolele de sub siloz sa fie calde, amperajul ventilatoarelor de cenusa sa fie cuprins īntre 4,8÷5,2 si sa fie stabil, sa nu sufle cenusa īn exterior de la rigole sau conducte, conductele de cadere a cenusii si ejectorii sa fie fierbinti;
r) la cosul de fum gazele care se evacueaza trebuie sa fie fara cenusa, adica transparente.
Īn cazul īn care cazanul nu este īn stare rece (deci nu se poate patrunde īn interiorul electrofiltrelor), pentru punerea īn functiune vor fi executate numai operatiile indicate la punctele b), c), e), g), h), i), j), k), l), m), n), o), p), r).
5.2. Controlul īn functionare si īntretinerea electrofiltrelor
5.2.1. Manevre de punere īn functiune
Durata de viata a ventilatoarelor de gaze depinde de buna functionare a celulelor electrofiltrelor.
Celulele functioneaza corect daca:
- curentul pe partea de IT este īntre 1,5 ÷ 2 A;
- curentul pe partea de JT este īntre 200 ÷ 250 A;
- tensiunea este cuprinsa īntre 30 ÷ 55 kV;
- ciocanele sunt īn functiune īn regim "ciclic";
- nu sunt amorsari (tensiunea are o valoare stabila);
- la cos gazele de ardere sunt curate (transparente).
Fiecare celula este prevazuta cu un tablou pe care sunt amplasate:
- un ampermetru pentru masurarea curentului pe partea de JT;
- un ampermetru pentru masurarea curentului pe partea de IT;
- un voltmetru pe partea de IT;
- semnalizari pentru defecte;
- un buton de punere īn functiune cu lampi de semnalizare;
- un buton de scoatere din functiune cu lampi de semnalizare;
- o cheie de selectare "Automat" - "Manual";
- un potentiometru pentru cresterea sau scaderea tensiunii;
- 8 becuri de semnalizare īn camera de comanda (2 pentru fiecare celula); pentru un cazan indica daca acesta este īn functiune sau este oprit.
Punerea sub tensiune (īn functiune) a celulei, conform paragrafului 5.1. punctul n), īnseamna:
a) punerea sub tensiune pe "Automat":
- īnchiderea separatorului de linie;
- pozitia cheii pe "Automat";
- apasarea butonului de functionare;
b) punerea sub tensiune pe "Normal":
- īnchiderea separatorului de linie;
- pozitia cheii pe "Normal";
- potentiometrul pe pozitia "Zero";
- apasarea butonului de functionare;
- ridicarea tensiunii din potentiometru.
Scoaterea din functiune a unei celule se face:
- prin apasarea butonului "Oprire";
- prin aparitia unuia din defectele de mai jos:
- arderea unei sigurante de pe circuitul de 115 V;
- arderea sigurantei de 380 V din circuitul de ventilatie;
- arderea sigurantei diodei;
- functionarea releului termic;
- functionarea termostatului;
- functionarea releului;
- defecte de reglare a amplificatorului magnetic.
5.2.2. Sistemul de scuturare a electrozilor receptivi si emisivi
Panoul de comanda al scuturatorilor cuprinde:
- un buton de comanda pentru punerea īn functiune a tuturor ciocanelor (P si F) cu bec de semnalizare;
- un buton de comanda pentru oprirea tuturor ciocanelor (P si F) cu bec de semnalizare; - o cheie de selectare "Local" - "La distanta";
- 8 chei de comanda (una pentru fiecare scuturator) cu 3 pozitii: "Functionare ciclica", "Functionare prioritara" si "Oprit";
- un buton pentru rearmarea protectiilor, anularea defectelor.
Punerea īn functiune a scuturatorilor, conform cu paragraful 5.1. punctul j) se face astfel:
a) La functionare īn regim "ciclic":
- se apasa pe butonul pentru anularea defectelor;
- se pun cele 8 chei individuale pe pozitia "ciclic";
- se pune cheia de selectare pe pozitia "comanda locala";
- se apasa butonul pentru punerea īn functiune.
Īn acest fel, ciocanele primesc ordine de functionare prin intermediul programatorului ciclic al carui motor primeste de asemenea ordin de pornire.
b) La functionarea īn regim prioritar se va trece rotind cheia individuala īn pozitia respectiva. Dupa ce se trece cheia individuala pe "Oprit", scuturatorul respectiv este scos din functiune.
Protectia fiecarui scuturator este asigurata de un releu termic si de un limitator de moment.
Trecerea de la regimul "ciclic" la cel "prioritar", atunci cānd celulele sunt īn functiune, trebuie sa se faca comutānd cheia scuturatorului succesiv la intervale de 3÷4 s. Trecerea simultana a scuturatorilor pe "prioritar" poate conduce la īnfundarea sistemului de evacuare (rigole, ejectori, siloz) a cenusii. Astfel, celula se scurtcircuiteaza, devenind indisponibila, depanarea impunānd oprirea cazanului.
O serie de becuri de semnalizare īn camera de comanda indica functionarea scuturatorilor. La declansarea unui scuturator se aprinde un bec rosu, indicānd defectarea oricaruia dintre ele.
5.2.3. Sistemul de īncalzire a izolatorilor
Rezistentele de īncalzire sunt montate pentru a pastra izolatia permanent īn stare uscata.
Tabloul de comnda a acestora cuprinde:
- un buton cu bec luminos pentru punerea īn functiune;
- o cheie de alegere "Local" , "La distanta".
Patru becuri de semnalizare din camera de comanda, pentru fiecare cazan, indica daca rezistentele sunt īn functiune sau deconectate.
Rezistentele de īncalzire se cupleaza 2 ore īnainte de pornirea cazanului. Pentru aceasta se executa urmatoarele:
- se cupleaza heblurile individuale ale celor 4 rezistente care formeaza un grup;
- se conecteaza cheia pe pozitia "Local";
- se da ordin de punere sub tensiune din butonul respectiv.
Scoaterea din functiune se face fie voit prin apasarea butonului, fie prin lucrarea protectiilor, deci:
- una dintre rezistente se īntrerupe (dispare curentul care o strabate)
- se arde una din sigurantele unei rezistente;
- daca se deconecteaza heblul individual al unei rezistente.
5.2.4. Controlul, exploatarea si īntretinerea electrofiltrelor
Controlul functionarii electrofiltrelor se va face orar de catre personalul de exploatare al Sectiei Electrice. Controlul se va efectua īn conformitate cu lucrurile indicate la paragrafele 5.2.1, 5.2.3, 5.2.4.
Personalul Sectiei Termomecanice va urmari urmatoarele:
a) daca ciocanele de scuturare P si F functioneaza si sunt complete;
b) daca lagarele ciocanelor P si F sunt gresate;
c) daca lanturile de actionare a axelor cu ciocane sunt īn stare buna, curate si gresate;
d) daca sunt pierderi de ulei la reductoare si daca acestia din urma functioneaza bine, fara īncalziri sau zgomot;
e) daca lamelele arc ale tijelor sunt īn stare buna si nu sunt rupte sau desfacute;
f) daca burdufurile de etansare a tijelor sunt īn stare buna;
g) daca evacuarea cenusii functioneaza bine (conf. celor indicate la paragraful 5.1. si īn instructiunea de exploatare privind evacuarea cenusii);
h) daca instalatiile nu sunt descompletate;
i) daca starea de curatenie este perfecta.
Celulele electrofiltrelor vor fi scoase de sub tensiune (din functiune) īn toate cazurile īn care, dintr-un motiv oarecare, nu se poate evacua cenusa din pālnii (cānd evacuarea nu este īnfundata).
Este evident ca manevra se va executa preventiv, atunci cānd este necesara interventia la un element din fluxul de evacuare a cenusii, a carui indisponibilitate conduce la umplerea pālniilor de la celule.
Īn ceea ce priveste controlul sistemului de scuturare se fac urmatoarele precizari:
- ciocanele de scuturare trebuie sa aiba prinderea prevazuta de furnizor (bolturi, saibe si stifturi) - nu se admit improvizatii care conduc īn general la blocari ale acestora;
- īn cazul īn care se constata functionarea defectuoasa a celulelor (gradul de retinere a cenusii este scazut) se va solicita laboratorului PRAM verificarea acestora, cu precizarea celor care au amorsari. Aceste celule se vor scoate de sub tensiune, se vor opri ciocanele (se scot de sub tensiune) si se va īncerca mobilitatea tijelor de scuturare, manual, semnalāndu-se tijele blocate.
6. Norme de protectia muncii si tehnica securitatii la exploatarea si
īntretinerea electrofiltrelor
6.1. Generalitati
Personalul de exploatare si īntretinere executa urmatoarele operatiuni:
a) exploatarea electrofiltrelor, constānd īn:
- exploatarea si controlul lor;
- executarea curateniei;
- controlul pālniilor;
b) īntretinerea electrofiltrelor, constānd īn:
- completarea sau schimbarea uleiului de la reductor;
- curatirea si gresarea lantului de transmisie dintre reductor si tija cu ciocane;
- gresarea lagarelor tijei cu ciocanele P;
- īnlocuirea lamelelor arc la tijele de scuturare P si a ciocanelor P.
Lucrarile de la punctul a) se executa de personalul de exploatare (rondier ventilatoare, operator cazane īn instalatie, operator cazane CCT, sef de tura , ms. pr. cazane), iar cele de la punctul b) de personalul de īntretinere si exploatare (rondier ventilatoare, operator cazane CCT, fochist, sef de tura , ms. pr. cazane, lacatus de tura).
Repartizarea lucrarilor de mai sus pentru personalul mentionat este cea īnscrisa īn atributiunile de serviciu respective.
6.2 Norme de protectia muncii si tehnica securitatii
a) La exploatarea si controlul electrofiltrelor se vor respecta prescriptiile īn vigoare cuprinse la descrierea instalatiei.
b) Curatarea reductorului sau a zonei de sub ciocane se va face numai cu acestia scosi de sub tensiune.
c) Atunci cānd ciocanele sunt īn functiune se interzice aproprierea la o distanta mai mica de 1 m fata de tija de actionare.
d) Se interzice personalului de exploatare atingerea motorului, a circuitelor sau a dispozitivelor electrice aflate īn functiune. Se autorizeaza acest lucru numai daca sunt scoase de sub tensiune. Tijele de scuturare a panourilor vor fi atinse numai daca celula este scoasa de sub tensiune.
e) Lucrarile de īntretinere de la paragraful 6.1. pct. b) se vor executa numai cu ciocanele oprite si scoase de sub tensiune conform NPM.
f) Controlul pālniilor electrofiltrelor se va face cu respectarea urmatoarelor prescriptii:
- cazanul trebuie sa fie oprit, racit, descarcat de presiune si golit;
- ventilatoarele de aer si de gaze vor fi oprite, īntreruptoarele debrosate si butoanele de avarie de la fata locului apasate;
- ventilatoarele si compresoarele de cenusa vor fi oprite si butoanele de avarie de la fata locului apasate;
- celulele vor fi scoase de sub tensiune si puse la pamānt. Sistemele de scuturare P si F a tuturor celulelor vor fi scoase de sub tensiune vizibil;
- se va organiza o echipa formata din 3 muncitori, dintre care unul va fi sef de echipa; membrii echipei vor fi echipati corespunzator, adica īncaltaminte īn buna stare, salopeta, casca si ochelari de protectie;
- se va asigura un iluminat general īn electrofiltre cu doua lampi portative de 12 V (una pe partea celulelor 1 si 3, iar cealalta pe partea celulelor 2 si 4);
- fiecare membru al echipei va avea īn dotare o lanterna īn buna stare;
- patrunderea echipei īn interior se autorizeaza numai daca temperatura īn electrofiltre este sub 40oC;
- īn cazul īn care se constata ca īn una sau mai multe pālnii s-a acumulat cenusa, echipa se va evacua din electrofiltre si vor lua masuri de golire a acesteia. Solutia tehnica pentru golire se va stabili de seful de tura si maistrul principal cazane care vor indica totodata si normele suplimentare NPM;
- deplasarea īn electrofiltre se va face cu maxima atentie, existānd pericolul de cadere īn pālnii;
- dupa executarea controlului si a lucrarilor se vor evacua din electrofiltre toate sculele si materialele.
g) Circulatia īn zona electrofiltrelor se va face cu atentie. Personalul de exploatare (operatorii ventilatoare) raspunde de sesizarea gratarelor defecte.
7. Norme PSI privind electrofiltrele
1. La exploatarea si īntretinerea electrofiltrelor se vor respecta normele PSI conform PE 009/76.
2. Dotarea cu materiale de stins incendiul va fi conform normativului mai sus amintit.
3. Deoarece uleiul din reductor constituie singura sursa de īntretinere a incendiului, īntr-un asemenea caz se va interveni cu stingatoare cu spuma chimica.
4. Cablurile din zona pot sa īntretina si sa propage flacara. De aceea se impune ca, atunci cānd este cazul, sa fie protejate īmpotriva focului deschis (scāntei de la sudura, cārpe aprinse, tigari).
5. Daca recirculatia ventilatoarelor de aer se īnchide bine atunci cānd un ventilator este oprit (celalalt fiind īn functiune) conduce la deteriorarea cablurilor care deservesc electrofiltrele, deoarece peste aceste cabluri poate sa sufle aer cald cu temperatura cuprinsa īntre 250÷280oC.
C01-12 INSTALAŢIA DE EVACUARE A ZGUREI sI CENUsII
Īn functionarea pe lignit a cazanului rezulta o cantitate de circa 60 t/h de cenusa. Aceasta este colectata si evacuata dupa cum urmeaza:
1. 6 t/h este colectata īn pālnia rece sub forma de zgura si cenusa si este evacuata cu transportorul de zgura, trecuta prin site vibratoare, iar particulele mari prin concasorul de zgura si cu ejectorul principal sau cu ejectorul auxiliar transportata la bazinele pompelor Bagger;
2. 1,2 t/h este colectata īn pālniile tirajului transversal si transportata cu ejectorul tirajului 2 la bazinele pompelor Bagger.
Pe conducta comuna de curgere a cenusii din cele 3 pālnii de sub tirajul transversal este montat un gratar care orienteaza eventualii bulgari spre distribuitorii de cenusa si īn transportorii de zgura. Pe conducta de curgere a cenusii spre ejectorul tirajului 2 este montata o clapeta dublu basculanta care are rolul de a mentine conducta īnchisa pentru a evita aspiratia de aer de la ejector spre pālnii si a īnrautati prin aceasta curgerea cenusii.
Distribuitorul de cenusa are rolul de a doza cenusa care curge īn transportor, care daca ar curge necontrolata ar putea bloca transportorul si produce accidente.
3. 3 t/h este colectata īn pālniile de sub tirajul 2 si evacuata cu ejectorul tirajului 2 la bazinele pompelor Bagger.
4. 3 t/h este colectata īn pālniile de sub preīncalzitorul de aer si este transportata cu aer īn silozul central de cenusa. Aerul pentru transportul cenusii din pālniile de sub preīncalzitoarele de aer este asigurat de catre compresorii de aer cu pistoane rotative Roots de 30kW.
5. 49,4 t/h este colectata īn cele 12 pālniile de sub mecanofiltre si electrofiltre, care au o capacitate de 500 t de cenusa - 8 pālnii sub electrofiltre si 4 pālnii sub mecanofiltre. Transportul cenusii din pālniile de sub mecanofiltre si electrofiltre este asigurat de 4 rigole pneumatice, care deverseaza cāte doua īn cele doua rigole colectoare, care transporta cenusa īn silozul central de cenusa. Aerul pentru crearea pānzei de aer (perna pneumatica) la rigole este asigurata de ventilatoarele de aer pentru cenusa.
Din silozul central de cenusa, care este pus sub depresiune de cele 2 conducte racordate īn canalul de gaze de ardere īn fata electrofiltrelor, cenusa este transportata cu 2 ejectori cu apa la bazinul Bagger sau cu ejector cu aer la buncarul pentru īncarcare īn vagoane cisterna. Apa necesara tuturor ejectoarelor este asigurata de catre pompele de spalare īn nr. de 4, 2 īn functie si 2 īn rezerva.
Presiunea apei de spalare pentru ejectori este de 6 bari, iar debitul de apa pe un ejector este de 80 t/h. Aerul pentru transportul cenusii la buncarul pentru īncarcat vagoane este asigurat de catre un compresor cu pistoane rotative Roots de 75 kW cu presiunea de 1 bar.
Toate pālniile de cenusa au la baza un sibar plan pentru izolare (manual), iar pālniile de sub mecanofiltre au si un clapet basculant cu contragreutate care tine īnchisa golirea pālniilor cānd nu se evacueaza cenusa.
1. Functionarea instalatiei de colectare si evacuare a cenusei
Zgura si cenusa rezultata la baza focarului cade īn cuva transportorului care este plina cu apa. Transportorul preia zgura si cenusa de la baza focarului si o deverseaza pe sita vibratoare. Pentru evacuarea nearselor care plutesc la suprafata apei din cuva transportoare este prevazut un dispozitiv cu 4 palete din cauciuc ce se roteste la suprafata apei la partea din spate a pālniei reci care, prin rotire, scoate aceste nearse si le īmpinge catre planul īnclinat al transportorului de unde sunt preluate de racletii transportorului.
Dispozitivul este numit antiburaj. De pe sita vibratoare particulele marunte cad īn cuva ejectorului principal, iar bulgarii mai mari de 30 mm intra īn concasorul de zgura, sunt sfarāmati si cad īn cuva ejectorului principal, de unde cu jetul de apa al ejectorului de zgura si cenusa sunt transportate la bazinul pompelor Bagger.
Pentru racirea partii metalice a pālniei focarului este prevazuta o instalatie de sprituire cu apa care consta dintr-o rama de conducta de 50 cu diuze prevazuta cu un ventil de reglare manuala. Apa pentru sprituirea pālniei reci este apa de castel. Din aceeasi sursa este racordata o conducta cu ventil pentru umplerea cuvei.
Transportorul de zgura are o portiune orizontala si o portiune īnclinata fiind prevazute cu role purtatoare pentru partea de īntoarcere, cu role de īntindere la partea din spate, role de ghidaj īntre portiunea orizontala si planul īnclinat si cu stelute de antrenare cu ax si lagare. Pentru evacuarea blocarii lantului pe steluta de antrenare sunt prevazute 2 conducte de spalare a lantului transportorului la partea de intrare a acestuia pe steluta. Antrenarea transportorului este asigurata printr-un grup motor variator-reductor, iar transmisia de la reductor la axul transportorului este asigurata de un lant Gall, reductorul fiind prevazut cu ambreiaj care patineaza atunci cānd efortul pe transportor este prea mare.
Sita vibratoare este prevazuta cu motor electric de antrenare transmisie cu curele trapezoidale de 1425×13×8 vibratiile fiind date de axul excentric care misca sita cu ochiuri de 30×30 montata pe 4 suporti de cāte 2 arcuri.
Pentru evitarea depunerii pe ochiurile sitei aceasta este prevazuta cu o conducta de sprituire cu apa de spalare. Concasorii de zgura sunt antrenati de un grup motor-reductor si este format din 2 valturi, antrenate cu pinioane care se īnvārt spre interior. si concasorul este prevazut cu duze de apa pentru sprituire si spalare.
Cenusa acumulata īn cele 3 pālnii ale tirajului transversal, prevazute cu un sibar plan pentru izolare, curge pe conducta comuna pāna sub cota 18 m, unde este montata o cuva cu plan īnclinat care are o usa de vizitare si 2 racorduri. Un racord este format din conducta de 200 si merge spre ejectorul tirajului II. Aceasta conducta are prevazuta cu o clapeta dublu basculanta, montata la cota 10 m, care are rolul de a mentine conducta īnchisa continuu, pentru a evita aspiratia de aer de la ejector si īnrautatirea curgerii cenusii.
Acesta este circuitul īn functionarea normala. Celalalt racord, din conducta de 400, merge la distribuitorul de cenusa si curge īn transportor, capatul conductei fiind introdus īn apa. Pe acest racord se evacueaza bulgari mari de 40 mm si toata cenusa atunci cānd ejectorul tirajului II este indisponibil sau cānd conducta spre ejector este īnfundata. Cenusa acumulata īn cele 3 pālnii ale tirajului II curge prin conducta de 200 īn ejectorul tirajului II care este prevazut cu cuva etansa, pe fiecare conducta fiind montat un sibar plan pentru izolare si un ventil rotativ sub forma de canea.
Cenusa acumulata īn cele 6 pālnii de sub PAR este evcuata la silozul central de cenusa, prin conducte, cu ejectorul de aer comprimat de 0,5 bar de la compresorii Roots de 30 kW, fiecare pālnie fiind prevazuta cu un sibar plan pentru izolare.
Cenusa acumulata īn pālniile de sub electrofiltre si mecanofiltre este transportata pneumatic pe 4 rigole, cāte 3 pālnii pentru fiecare rigola la rigolele colectoare īn silozul central de cenusa, dupa cum urmeaza:
- silozul central de cenusa este pus sub depresiune aprox. 150 mm CA, prin intermediul celor 2 conducte care sunt racordate de la partea superioara a silozului īn canalul de gaze arse īnainte de mecanofiltre.
Datorita acestui fapt rigolele, fiind racordate la spatiul superior (spatiul de cenusa) al silozului central de cenusa, sunt sub depresiune.
Īntre spatiul superior si cel inferior al rigolei este montata o tesatura de azbest cu grosimea de 8 mm, īntre 2 gratare. Īn spatiul inferior al rigolei se introduce aer la 0,05 bar cu racord la capatul din spate al rigolei, un racord īnainte de a doua pālnie de la electrofiltre si un racord īn capatul rigolei colectoare.
Spatiul inferior este blindat īainte de cel de-al doilea racord si, de asemenea, si īnainte de deversare īn rigola colectoare si īn rigola colectoare īnainte de siloz. Aerul din spatiul inferior al rigolelor este asigurat de ventilatoarele de aer pentru cenusa: 2 īn functie si 1 īn rezerva.
Datorita acestor blinduri aerul este obligat sa treaca prin tesatura de azbest creeānd o perna pneumatica deasupra pānzei, ceea ce face ca cenusa sa fie fluidizata si, īn amestec cu aerul, sa treaca prin tesatura, cenusa deplasāndu-se datorita depresiunii din silozul central de cenusa. Aerul este aspirat din cele 2 conducte īn canalul de gaze arse, īnainte de mecanofiltru, iar cenusa cade la baza silozului de unde este evacuata fie hidraulic, cu ejectorul de apa la bazinul pompelor Bagger, fie cu aer la buncarul pentru īncarcarea vagoanelor.
Silozul central de cenusa are urmatoarele racorduri:
- 2 conducte de 400 pentru extractia aerului din siloz si mentinerea acestuia sub depresiune, fiind racordate de la partea superioara a silozului la canalele de gaze arse īnainte de electrofiltru;
- 6 racorduri din conducta de 76 pentru evacuarea cenusii din pālniile de sub preīncalzitoarele de aer;
- 2 racorduri pentru rigolele colectoare;
- 1 sibar plan de izolare montat la baza pālniei silozului;
- 2 racorduri din conducta de 24 pentru rigolele spre ejectorii cu apa;
- 2 racorduri din conducta de 24 pentru rigolele spre ejectorii cu aer;
- 1 racord aer la baza silozului pentru fluidizare;
- 4 racorduri din conducta de 76 de la partea terminala a rigolelor de sub siloz la partea superioara pentru extractia aerului din cenusa ce cade din ejector.
Pentru fluidizarea cenusii de la baza silozului acesta este prevazut cu spatiu dublu ca si rigola si de asemenea si cele 4 rigole pentru ejectori, cu spatiu dublu, unde se introduce aer de 0,5 bar de la compresorii de aer de 30 kW. Rigolele spre ejector sunt prevazute cu sibar de izolare-reglare, cu maneta de manevra. Rigolele mici sunt puse sub depresiune prin conducta de racord cu partea superioara a silozului. Cenusa de la baza silozului este fluidizata de aerul ce trece prin tesatura de azbest si aspirata de rigolele spre ejector, care au sibarul de izolare deschis. Aceste rigole au perne de aer la fel ca si rigolele pentru cenusa, cenusa curgānd cu aerul de fluidizare catre ejector, aerul fiind aspirat pe la partea superioara a silozului īn canalul de gaze arse.
Īn functionare normala evacuarea cenusii de sub siloz se efectueaza cu cei 2 ejectori cu apa, iar atunci cānd se īncarca īn vagoane functioneaza un ejector cu apa si un ejector cu aer cu compresorul de 75 kW. Un racord cu rigola pentru ejectorul cu aer nr. 2 a fost anulat, īn locul rigolei fiind montat un capac de vizitare, ramānānd un singur racord spre ejectorul cu aer, cu posibilitatea de functionare cu oricare din cei 2 compresori de 75 kW.
2. Functionarea ejectorilor cu apa
Ejectorul propriu-zis consta dintr-o cuva, o diuza de apa de 24 pentru ejectorii principali si auxiliari si de 27 pentru ceilalti ejectori, perfect centrata pe un blindaj de 40 mm, respectiv 60, si īn continuare un blindaj divergent cu diametrul mic de 40 sau 60 si diametrul mare de 159. Distanta dintre diuza de apa si blindajul mic este de 100. Cuva ejectorului (partea tronconica) este spalata cu o sprituire care intra tangential. Jetul de apa ce intrī in ajutaj creaza o presiune si antreneaza cenusa si apa de la sprituire, iar acest amestec este transportat la bazinele pompelor Bagger.
Ejectorii de sub siloz sunt prevazuti cu conducte de preaplin, cu clapeta, pentru a evita patrunderea apei īn siloz la oprirea pompelor de spalare.
3. Deranjamente la instalatia de evacuare a zgurei si cenusii si
remedierea lor
Conducta de golire a pālniilor de sub tirajul transversal īnfundata si pālniile pline cu cenusa:
- se controleaza ca usa de vizitare de sub cota 18 m sa fie bine īnchisa si asigurata;
- se deblocheaza pe īnchis clapeta dublu basculanta;
- se īnchid sibarii plani de sub pālniile tirajului transversal;
- se desfunda conducta de sub distribuitorul de cenusa cu distribuitorul oprit;
- se porneste distribuitorul de cenusa si se urmareste curgerea cenusii de pe conducta, iar daca se scurge prea multa cenusa se opreste distribuitorul pornindu-se cu intermitenta pentru a nu bloca transportorul;
- se deschid pe rānd sibarele plane de sub pālniile tirajului transversal pāna la golirea lor completa;
- se trece la desfundarea conductei de cenusa spre ejectorul tirajului II, de la ejector pāna la cota 18 m, deblocāndu-se clapetii dublu-basculanti si urmarindu-se functionarea lor.
Conductele de golire a pālniilor de sub tirajul II īnfundate si pālniile pline:
- se īnchid sibarii plani de sub pālnii si se desfunda conductele de la ejector pāna la sibari;
- se īnchid ventilele rotative tip canea;
- se deschid sibarele de sub pālnii si se īncepe deschiderea ventilelor rotative, atāt cāt face fata ejectorul, pāna la golirea completa a pālniilor, dupa care venilele rotative ramān deschise.
Pālniile de sub preīncalzitor īnfundate:
- nu circula cenusa pe conductele spre siloz - sunt reci;
- se īnchide sibarul plan de sub linie;
- se demonteaza capacul de sub ejectorul de aer si se curata diuza si blindajul ejectorului de eventualele corpuri straine sau zgura;
- se monteaza capacul de sub ejector si se deschide īncet sibarul plan pāna la golirea completa a pālniei respective.
Evacuarea cenusii īnfundate:
Se observa prin scaderea amperajului la ventilatoarele de aer pentru cenusa si se sufla praf la rigole si siloz la toate neetanseitatile:
- se scot de sub tensiune electrofiltrele;
- se īnchid sibarii plani de sub pālniile mecanofiltrelor si electrofiltrelor;
- se īnchid sibarii spre ejectorii de pe rigolele la siloz;
- se controleaza, se curata ejectorii si se regleaza opritorii;
- se monteaza capacele la ejector si se deschid sibarii de cenusa la ejectori, urmarindu-se golirea rigolelor si īncalzirea conductelor de curgere a cenusii īn ejector;
- daca nu se golesc silozul si rigolele, se opresc ventilatoarele de cenusa si compresorii de 30 kW, se īnchid sibarii plani de sub siloz, se demonteaza capacul de vizitare si se controleaza baza silozului curatāndu-se de eventualele corpuri straine si zgura, se controleaza pānza de sub siloz si se monteaza capacul de vizitare;
- se pornesc compresorii de 30 kW si ventilatoarele de cenusa;
- se deschide sibarul plan de sub siloz si sibarii de la ejectorii de apa, urmarindu-se golirea cenusii, sibarii spre ejector se vor deschide numai atāt sa nu pufaie cenusa;
- dupa golirea completa a rigolei se deschid treptat sibarii de sub pālniile electrofiltrelor, urmarindu-se ca evacuarea sa nu pufaie.
Dupa golirea completa a pālniilor de la electrofiltre si mecanofiltre se pornesc celulele electrofiltrelor.
Transportorul de zgura blocat
- lantul cazut de pe rola;
- lantul rupt;
- blocat cu bulgari mari de zgura;
- reductorul sau variatorul defecte.
Manevre ce se executa īn cazul blocarii transportorului:
- se opreste distribuitorul de cenusa;
- se deschid usile de vizitare la cota - 4,5 m;
- se goleste apa din cuva transportorului;
- se opresc 2 mori de carbune;
- se spala cenusa din cuva transportorului.
Dupa remedierea defectiunilor se porneste transportorul si se goleste cuva de cenusa:
- se umple cu apa cuva transportorului si se īnchid usile de vizitare;
- se porneste distribuitorul de cenusa si morile.
4. Caracteristicile tehnice ale instalatiei
4.1. Distribuitor cenusa
- putere motor 5,5 kW
- tensiune 380 V
- turatie motor 1420 rot/min
4.2. Compresorii Roots de 30 kW
- debit 25,5 m3/min
- presiune 0,5 bar
- putere motor 30 kW
- turatie 1450 rot/min
4.3. Compresorii Roots de 75 kW
- debit 36,2 m3/min
- presiune 1 bar
- putere motor 75 kW
- turatie 1456 rot/min
4.4. Ventilator cenusa
- debit 20 m3/min
- presiune 0,05
- putere motor 4 kW
- turatie 2900 rot/min.
5. Instalatia pompelor de spalare
Are rolul de a asigura apa sub presiune pentru transportul cenusii din pālniile de colectare si din silozul de cenusa la bazinul pompe Bagger.
5.1. Descrierea instalatiei
Un bazin comun pentru aspiratia pompelor de spalare, este legat printr-o conducta de 1000 mm la canalul de evacuare a apei de racire de la cele doua condensatoare ale grupurilor 7 si 8.
Nivelul īn bazinul pompelor de spalare este mentinut la nivelul canalului de evacuare a apei de racire a condesatoarelor.
Pentru toate cele 4 cazane sunt 4 pompe de spalare care aspira dintr-un bazin prin 3 conducte (EP spalare 4 este racordata īn aspiratia EP spalare 3). EP spalare 1 si 2 au aspiratie separata.
Fiecare pompa de spalare este prevazuta cu vana manuala pe aspiratie, clapeta de retinere pe refulare, vana manuala pe refulare manevrata cu lant si prevazuta cu by-pass. Toate cele 4 pompe de spalare refuleaza īntr-o conducta comuna pentru cele 2 blocuri, prevazuta cu vane manuale de sectionare īntre refularea EP spalare 1 si 3 si refularea EP spalare 2 si 4. Conducta comuna de refulare se ramifica īn 2 conducte: una spre cazanele 7A si 7B si una spre cazanele 8A, 8B. Din aceste conducte sunt racordati ejectorii, dupa cum urmeaza (pentru fiecare cazan):
- un ejector principal;
- un ejector auxiliar;
- un ejector pentru pālniile tirajului II;
- 2 ejectori pentru cenusa sub siloz;
- un ejector de epuisment pentru cazanele 7A si 8B;
- un ejector de epuisment īn statia Bagger bloc 7A si 8.
Din conducta de apa de spalare spre cazanele fiecarui grup este racordata cāte o conducta cu vana manuala si clapeta de reglare pentru fiecare bazin de pompe Bagger. De asemenea se ia un racord de apa de spalare pentru presetupe si aspiratie pompe Bagger si vane aspiratie pompe Bagger. Conducta de legatura a bazinului pompelor de spalare se ramifica īn 2 conducte, una de la blocul 7 si una de la blocul 8, aceste racorduri fiind prevazute cu vane de izolare cu actionare electrica: 141 Ec si 142 Ec, care sunt montate la cota -4,5m sub condensator TPA.
5.2. Caracteristici pompe de spalare
Pompele 1,2 si 4 Pompa 3
Debit 1200 t/h Debit 600 t/h
Presiune refulare 5 bar Presiune refulare 5 bar
Turatie 1495 rot/min Turatie 1495 rot/min
Putere motor 250 kW Putere motor 175 kW
Īn functionare normala sunt īn functie 2 pompe de 1200 t/h, iar celelalte īn rezerva. Pompele īn rezerva au vanele de pe aspiratie deschise, iar vanele de pe refulare īnchise.
6. Manevre ce se executa la pompele de spalare
6.1. Pregatirea pentru pornire
- Se controleaza nivelul de ulei la lagarele pompei.
- Se deschide vana de pe aspiratie.
- Se controleaza ca pompa sa nu fie blocata, se roteste cu māna de la cupla, dupa ce s-a controlat ca butonul "Pericol" sa fie blocat.
6.2. Pornirea pompei
- Se deblocheaza butonul "Pericol".
- Se porneste pompa, urmarindu-se sensul de rotatie.
- Se deschide vana de refulare, urmarindu-se functionarea fara zgomote si vibratii, lagarele sa nu fie īncalzite, presiunea pe refulare sa fie peste 5 bar. Daca pompa de spalare se porneste prima, presiunea īn conducta este 0, se porneste cu vana de pe refulare deschisa, dupa ce īn prealabil s-a controlat ca toate ventilele la ejectori si la bazinele pompelor Bagger sa fie īnchise. Vana manuala de pe refularea EP spalare nu se va manevra niciodata la deschis cu Dp.
6.3. Oprirea pompei
- Se īnchide vana de pe refulare.
- Se opreste pompa si se urmareste daca se īnvārte īn sens invers, acest lucru fiind posibil daca vana de pe refulare sau by-passul ei nu sunt bine īnchise, existānd pericolul scaderii presiunii īn sistem si īnfundarea ejectorilor.
7. Deranjamente īn functionare si remedierea lor
7.1. Presiune scazuta apa de spalare
- Se controleaza nivelul īn bazinul de aspiratie al pompelor. Nivelul este bun.
- Se controleaza amperajul pompelor īn functie. Daca amperajul uneia dintre pompe este scazut se porneste pompa īn rezerva. Pompa cu amperajul scazut se opreste, apoi se izoleaza si se controleaza. Nivelul este scazut īn bazinul de aspiratie.
- Se controleaza si se deschid vanele 141 Ec si 142 Ec.
- Se controleaza nivelul īn canalul de evacuare de la condensator.
7.2. Zgomote si vibratii īn pompa sau laga
- Se porneste pompa īn rezerva, se opreste pompa cu vibratii si se remediaza defectul. Lagarele pompei se ung īn baie de ulei TBA 38, iar lagarele motorului cu vaselina Litiu tip III.
8. Instalatia pompelor Bagger
Transportul hidroamestecului la depozitul de cenusa este asigurat de catre statia Bagger care este īmpartita īn 2 parti distincte: statia de pompe Bagger bloc 7, statia de pompe Bagger bloc 8.
Fiecare statie Bagger are 4 pompe Bagger de 600 t/h fiecare (doua īn functie si 2 īn rezerva- rezerva 100%) si doua bazine de aspiratie cu canalul de deversare a conductelor de la ejector, bazinele fiind prevazute cu batardou pentru izolare. Īntre cele 2 bazine ale unei statii sunt 2 ferestre de paralel la nivelul de -1m.
De asemenea, bazinele sunt prevazute cu preaplin de deversare īn canalizarea de ape puviale si cu conducta de apa de spalare (sprituire) cu vana manuala si clapeta de reglare cu pārghie si contragreutate. La partea de jos a bazinelor, cota -5m, este racordata cāte o conducta de aspiratie pentru doua pompe Bagger. Aceasta conducta se ramifica īn doua conducte pentru cele 2 pompe corespunzatoare unui bazin si unui fir de transport a hidroamestecului la depozit.
Fiecare pompa Bagger este prevazuta cu o vana manuala pe aspiratie si o vana manuala pe refulare. Pentru evitarea depunerilor de cenusa la vane, presetupe pompa si la pompa acestea sunt prevazute cu racorduri de apa de spalare (sprituire) la vana de aspiratie a pompei. Vanele de pe refulare au sprituire din apa de la pompele de presetupe. Aceste sprituiri stau deschise atāt cu pompa īn functie, cāt si cu pompa oprita īn rezerva. Numerotarea pompelor se face de la cazane spre cosul de fum cu pompele 3 si 4 pe un bazin si fir. Cele 4 fire de hidroamestec sunt numerotate de la stānga la dreapta, īn sensul de circulatie spre depozit astfel:
firul 1 - pompele Bagger 3 si 4 statia 1 bloc 7
firul 2 - pompele Bagger 1 si 2 statia 1 bloc 7
firul 3 - pompele Bagger 1 si 2 statia 2 bloc 8
firul 4 - pompele Bagger 3 si 4 statia 2 bloc 8
Pentru curatirea chimica a firelor s-a montat un fir de rezerva pāna la calea ferata din incinta. Depozitul de cenusa actual este format din 3 celule 1, 2, 3 numerotate de la Nord spre Sud, conductele de hidroamestec īnconjurānd cāte 2 fire cele 3 celule. De la statia de recirculatie, firele 3 si 4 merg spre nord, iar firele 1 si 2 merg spre sud, unindu-se īn jurul celulelor. Fiecare celula este prevazuta cu racorduri cu vane, iar fiecare fir poate deversa īn oricare celula.
8.1. Functionarea statiei Bagger
Īn functionarea normala cu 2 cazane ambele bazine sunt īn functiune, cu o pompa īn functie si una īn rezerva pe fiecare bazin si fir. Pompele Bagger aspira hidroamestecul si īl refuleaza pe conducta spre depozitul de cenusa. Atāt pompa īn functie cāt si pompa īn rezerva au sprituirile deschise la vanele de pe aspiratie.
ATENŢIE: Nu se va opri niciodata circulatia pe firul aferent unui bazin. Atunci cānd se schimba pompele īn functie se porneste pompa īn rezerva si dupa aceea se opreste pompa care a fost īn functie.
Pompele Bagger sunt pompe sub nivelul apei (īnecate) si nu exista pericolul de dezamorsare a acestora.
8.2. Caracteristici pompe Bagger
Debit 600 t/h
Presiune 6 bar
Turatie 1495 rot/min
Putere motor 250 kW
8.3. Manevre ce se executa la pompele Bagger
a) Pregatirea pentru pornire:
- Se controleaza ca toate lucrarile sa fie terminate, materialele īndepartate, autorizatia de lucru īnchisa.
- Se cere efectuarea legaturilor la motor si punerea sub tensiune a motorului electric.
- Se blocheaza butonul "Pericol".
- Se deschid vanele manuale si ventilele de sprituire.
- Se roteste pompa cu cheia, de la cupla, pentru a nu fi blocata cu cenusa.
b) Pornirea pompei
- Se deblocheaza butonul "Pericol".
- Se porneste pompa, urmarindu-se sensul.
- Se deschide vana pe refulare.
- Se urmareste functionarea pompei fara zgomot si vibratii, iar lagarele sa nu se īncalzeasca.
- Se controleaza amperajul pompei care trebuie sa fie peste 19 A, dar mai mare de 27 A.
c) Oprirea pompei
Se executa numai dupa pornirea pompei din rezerva de pe acelasi fir, astfel:
- se īnchide vana manuala de pe refulare;
- se opreste pompa din butonul local si se blocheaza butonul "Pericol";
- daca pompa ramāne īn rezerva nu se mai executa alte manevre.
Daca pompa intra īn reparatie:
- se īnchide vana de pe aspiratie si ventilele de sprituire;
- se scoate motorul de sub tensiune, se desfac legaturile electrice si se monteaza scurtcircuitor pe borne.
8.4. Deranjamente si remedierea lor
1. Creste nivelul īn bazinul de aspiratie a pompelor Bagger:
- Se controleaza amperajul pompelor concomitent cu izolarea ejectorilor care nu sunt neaparat necesari (epuisment, auxiliar, tiraj II).
- Daca una din pompe are amperajul scazut, se pornesc pompele de rezerva de pe firul respectiv si se opreste pompa cu amperajul scazut. Nivelul scade īncet.
- Se schimba si pompele celuilalt fir. Nu se recomanda functionarea cu 2 pompe pe un fir pentru ca pompele avānd grade de uzura diferite creaza recirculatie, iar debitul pompei nu creste.
2. O pompa este defecta si cealalta trebuie oprita din acelasi motiv:
- se trece la izolarea ejectorilor de epuisment, auxiliari si tiraj II;
- se izoleaza bazinul;
- se spala conducta timp de 30 minute cu apa curata prin conductele de apa de spalare;
- se regleaza ejectorul astfel īncāt sa nu deverseze din bazinul ramas īn functiune.
La fel se procedeaza si atunci cānd trebuie schimbat firul dintr-o celula īn alta. La repornirea firului se porneste pompa si se functioneaza 30 minute cu apa curata, dupa care se dezizoleaza bazinul si se īnchide apa de spalare.
3. Ambele pompe ale unui bazin si fir sunt defecte sau oprite si nu se mai pot porni:
- se pornesc ejectorii de epuisment, auxiliar si tiraj II;
- se izoleaza bazinul si se goleste īn statie prin capacul montat pe aspiratia pompelor Bagger.
Dupa remedierea defectului se porneste pompa cu apa curata din conducta de apa de spalare timp de 30 minute, dupa care se dezizoleaza bazinul si se aduce īn schema normala.
ATENŢIE: Daca dintr-o cauza oarecare s-au oprit toate pompele Bagger ale unui bloc si nu se pot porni, se īnchide vana de sectionare īntre pompele de spalare si se opreste pompa de spalare aferenta blocului respectiv dupa ce a fost īnchisa cenusa la ejectorii de sub siloz. Se demonteaza capacele de vizitare a ejectorilor.
C01-13 INSTRUCŢIUNI DE EXPLOATARE PENTRU
COMPRESORII REsIŢA 2 V 3017
1. Datele tehnice ale compresorului
1.1. Caracteristici generale
Debitul de aer aspirat 30 m3/min.
Presiunea aerului refulat 7 at
Turatie 300 rot/min
Puterea motorului de antrenare 200 kW
Alezajul cilindrilor 500/400 mm
Cursa pistonului 300 mm
Greutatea compresorilor 4501 kg
Viteza medie a pistonului 3 m/s
Consumul de apa de racire 150 l/min
1.2. Caracteristicile motorului de antrenare
Puterea 200 kW
Turatia 300 rot/min
Tensiunea 380 V
Curentul nominal 35 A
cosf 1
Greutatea 2900 kg
1.3. Caracteristicile excitatiei motorului
Puterea 7,5 kW
Tensiunea 50 V
Turatia 1450 rot/min.
Excitatia 30 V - 132 A
Greutatea motorului 3500 kg
2. Descriere generala
Scopul acestui agregat este de a furniza aer comprimat. Compresorul aspira aer din interiorul salii unde este amplasat si īl refuleazī īn butelia exterioara. Īn punctele de aspiratie, compresorul este prevazut cu filtre pentru aer.
Pentru a permite pornirea compresorului īn gol, conducta de aspiratie este prevazuta cu o clapeta de blocare (fig. 2). Prin ridicarea manetei (a) se ridica sertarasul (b), permitāndu-se astfel patrunderea aerului comprimat sub pistonul (3), care printr-un dispozitiv la cremaliera (4) montata pe conducta de aspiratie. Īn acest fel compresorul este pus īn imposibilitatea de a aspira aer din atmosfera si va functiona īn gol.
Īn functionarea īn sarcina, aerul patrunde īn cilindru prin supapa de admisie (1) - plansa 1 - datorita vidului creat de piston la deplasarea īn jos. Prin deplasarea pistonului īn sus, aerul aspirat este evacuat prin supapa de refulare (2), trece prin receptorul de aer (3) si patrunde prin supapa de admisie (4) īn partea inferioara a pistonului.
La deplasarea pistonului īn jos catre punctul mort inferior, aerul aspirat la partea inferioara a pistonului este comprimat si refulat prin supapa de evacuare (5) catre butelia de aer.
Supapele compresorului īn timpul unui ciclu au urmatoarele jocuri:
- la deplasarea pistonului īn sus catre punctul mort superior supapele (2) si (4) sunt deschise, iar supapele (1) si (5) sunt īnchise. Acest ciclu se repeta dupa fiecare rotatie a compresorului.
Compresorul este dotat cu 2 cilindri care au ciclurile identice. De asemenea compresorul e dotat cu o volanta care preia gradul de neregularitate ce apare īn functionare.
Tot pe conducta de refulare este montata o supapa de siguranta care īncepe sa sufle la presiunea de 7,5 at. Supapa este legata cu un racord care permite esaparea aerului comprimat īn atmosfera.
3. Ungerea compresorului
- Ungerea lagarului, bielei si boltului este asigurata prin intermediul unei pompe de ulei cu roti dintate, care aspira din baia de ulei a compresorului.
- Ungerea cilindrilor este asigurata prin intermediul unui dispozitiv de lubrefiere, prevazut cu pistoane, controlul ungerii cilindrilor este asigurat prin intermediul unor sticle pline cu apa distilata, montate pe conductele de ungere.
Īn timpul exploatarii se controleaza efectuarea ungerii, nefiind permisa nici o interventie īn ceea ce priveste reglajul regimului.
Ungerea organelor mobile se urmareste prin intermediul unui manometru montat pe conducta de refulare a pompei de ulei.
Presiunea normala a uleiului de ungere este de 2 at. Cānd presiunea uleiului din circuitul de ungere scade sub 1,5 at, nu se admite functionarea compresorului.
Consumul de ulei garantat de firma constructoare este la 50÷60 gr/100m3 aer aspirat, corespunzānd unui consum orar de ulei de 180 gr.
4. Racirea compresorului
Racirea aerului īntre cele 2 trepte de comprimare se face prin intermediul unui schimbator de caldura, aerul cirulānd la exterior.
Racirea cilindrilor compresorilor se face pe fiecare corp īn parte, efectuāndu-se īn paralel cu cea a aerului.
Pentru racire se foloseste apa, urmarirea racirii efectuāndu-se la fiecare organ īn parte.
5. Pornirea compresorilor
La pornirea compresorilor trebuie asigurate urmatoarele:
- pornirea compresorului sa fie facuta īn gol;
- ungerea compresorului sa fie asigurata īn bune conditii;
- racirea compresorului sa fie asigurata īn bune conditii;
- pornirea compresorului se face de catre operatorul de serviciu.
1. Īnainte de pornirea compresorului se face un control vizual al starii acestuia, urmarindu-se ca:
- sa fie asigurata curatenia compresorului si a salii unde este amplasat acesta (nu se admite existenta petelor de ulei pe pardoseala);
- vizorii pentru controlul ungerii cilindrilor sa fie īn buna stare de functionare, sa nu aiba fisuri, sa nu fie goliti de lichidul ce-l contin si sa fie curati;
- aparatorile de la cuple si cea a volantei sa fie montate si īn buna stare;
- motorul sa aiba īmpamāntare;
- īn jurul compresorului sa nu se gaseasca corpuri straine.
2. Se īnchid ventilele de intrare a aerului īn butelie.
3. Se deschide ventilul esaparii aerului īn atmosfera, dupa conducta de refulare.
4. Se blocheaza aspiratia aerului prin ridicarea pārghiilor (a) si (b). Aceasta pentru a fi asigurata pornirea in gol a compresorului.
Se controleaza ca nivelul de ulei sa fie īn limitele admisibile.
6. Se umple cu ulei cutia dispozitivului de lubrifiere pentru a asigura ungerea cilindrilor.
7. Se controleaza ca sita filtrului de ulei sa nu fie īnfundata. Īn cazul opririi de lunga durata (mai mult de 5 ore) se umple rezervorului filtrului de ulei pentru a se evita griparea pompei de ulei la momentul pornirii.
8. Se deschide apa de racire si se urmareste daca circula normal prin toate locurile de racire. Urmarirea circulatiei apei de racire se face la pālnia colectoare pentru evacuarea acesteia.
9. Se asigura ungerea normala a cilindrilor compresorului prin īnvārtirea manivelei dispozitivului de lubrefiere. Īn timpul acestei manevre se urmareste daca este asigurata ungerea tuturor zonelor cilindrilor (prin vizorii montati pe conductele de ungere).
10. Se porneste motorul electric de catre operatorul de serviciu.
11. Dupa pornirea motorului de antrenare se lasa compresorul sa functioneze īn gol cca. 2 min., urmarindu-se functionarea acestuia.
OBSERVAŢIE: Daca la pornirea compresorului se observa lovituri sau socuri, zgomot anormal, puterea absorbita la pornire de motorul de antrenare este prea mare (se observa la ampermetrul motorului) compresorul se va opri imediat, se va izola, iar defectul va fi remediat.
12. Pentru trecerea la functionarea īn sarcina a compresorului se fac urmatoarele manevre:
- se ridica treptat presiunea aerului la refulare (timpul de crestere a presiunii aerului refulat va fi 10÷15 min.);
- se deblocheaza conducta de aspiratie a compresorului prin lasarea īn jos a menetelor de blocare;
- cānd presiunea de refulare atinge valoarea de 5,5 at se deschide usor ventilul de la intrarea aerului īn butelie si se īnchide esaparea īn atmosfera.
OBSERVAŢIE: Daca butelia de aer nu este sub presiune (īn butelie p=0) la pornirea compresorului, nu se va mai folosi esaparea īn atmosfera, compresorul putānd fi pornit cu refularea direct īn butelia de aer.
13. Se urmareste exploatarea normala a compresorului.
14. Se asigura consumul de aer necesar din butelie.
6. Supravegherea compresorului īn timpul functionarii
Īn timpul functionarii compresorului operatorul de serviciu trebuie sa observe urmatoarele:
1. Presiunea aerului din racitor sa nu depaseasca 3,8 at, iar īn rezervorul de acumulare 7 at.
2. Sa verifice temperatura aerului īn compresor. Temperatura admisa pe fiecare treapta de compresie este de 150oC. Īn cazul ridicarii temperaturii peste aceasta valoare, va trebui sa se gaseasca si sa se īnlature cauza ce determina cresterea.
3. Sa supravegheze ungerea suprafetelor cilindrilor si sa urmareasca ca temperatura lor sa nu depaseasca de 50oC.
4. Sa verifice periodic debitarea aerului īn cilindrii si sa īmpiedice golirea dispozitivului de lubrefiere de ulei, prin completari periodice. Acest control va fi facut o data la 3 ore.
5. Sa urmareasca temperatura aerului si a apei ce iese din racitorul intermediar si a apei la iesirea din racitor; aceasta nu trebuie sa depaseasca 70oC . Temperatura apei la intrarea īn racitor este de maxim 40oC.
6. Sa supravegheze īn permanenta circulatia si temperatura apei de racire a cilindrilor.
7. Sa elimine, o data la 20 de ore, condensul de ulei din racitorul intermediar, prin caneaua montata la partea inferioara a acestuia.
8. Sa noteze toate defectele si observatiile pe care le constata, īn timpul serviciului, īn registrul de rapoarte.
9. Sa urmareasca īncarcarea motorului prin indicatiile ampermetrului.
10. Sa mentina starea de curatenie a īntregului agregat si a īncaperii respective.
7. Oprirea compresorului
La oprirea compresorului se vor respecta urmatoarele:
1. Se trece pe functionarea īn gol prin blocarea conductelor de aspiratie.
2. Se declanseaza motorul electric.
3. Se īnchid robinetele de admisie a apei de racire.
OBSERVAŢIE: Pentru exploatarea compresorului īn perioada de iarna se va acorda o atentie deosebita evitarii īnghetului apei de racire īn cilindrii compresorului, racitorul compresorului sau īn conductele de aductiune.
Īn cazul īn care īncaperea compresorului nu este īncalzita, se va asigura o circulatie continua a apei de racire īn toate organele enumerate mai sus, iar debitul acesteia va fi reglat n functie de scaderea temperaturii mediului ambiant.
Īn astfel de situatii se va acorda o atentie deosebita acestui agregat, atunci cānd nu functioneaza.
8. Defecte si īnlaturarea lor
Lovituri īn lagarele arborelui cotit: se vor rectifica lagarele, se micsoreaza jocurile radiale, respectāndu-se instructiunile de montaj.
2. Lovituri la bolturile pistonului: se īnlocuiesc bucsele bielei.
3. Lovituri puternice, ca urmare a intrarii īn cilindru a unei bucati de piesa sau a apei: se va opri imediat compresorul si se va cerceta cauza.
4. Ungerea insuficienta a cilindrilor (nu este asigurata succesiunea normala ungerii tuturor zonelor cilindrilor): se face revizia dispozitivului de lubrefiere.
5. Īncalzirea excesiva a cilindrilor si capacelor. Aceasta se poate datora:
- insuficientei apei de racire se vor lua masuri pentru marirea debitului sau scaderea temperaturii acestuia;
- insuficientei ungerii sau īntreruperii ei se va verifica functionarea dispozitivului de lubrefiere si conductele de ulei de legatura.
6. Īncalzirea excesiva a lagarelor
- lipsa jocului radial īntre cuzineti si bucse se vor rectifica si se va mari jocul respectāndu-se instructiunile de montaj;
- daca uleiul folosit pentru ungere este murdar se va īnlocui uleiul;
- insuficienta ungerii (presiunea uleiului din conducta de refulare a scazut sub 1,5 at) se va controla filtrul de ulei si se va verifica etanseitatea conductelor de ulei. Īn cazul īn care nu se obtine un rezultat bun se va opri compresorul si se va controla pompa de ulei.
7. Repartitia neuniforma a presiunii aerului pe treptele compresorului:
- cresterea excesiva a presiunii la refularea primei trepte se va verifica etanseitatea supapei de aspiratie treapta a II - a (supapa 4);
- treapta I nu creaza compresie normala supapa de admisie a liniei de IP nu īnchide etans.
9. Defectiuni īn sistemul de ungere
9.1. La cilindri
- Se aduna ulei la racitor. Se regleaza dispozitivul de lubrefiere si se revizuieste starea segmentilor pistonului.
- Se īncalzesc conductele de ulei. Se revizuiesc ventilele de retinere ale uleiului la cilindru.
- Dipozitivul de lubrefiere nu debiteaza. Se va controla reglajul cuvei sau se rectifica uzura acestuia. Se controleaza dispozitivele de control ale ungerii.
9.2. La mecanismul motor
- Scade presiunea īn conducta de ulei. Se curata filtrul de ulei, se verifica conductele de ulei sau indicatia manometrului.
9.3. Micsorarea debitului de aer comprimat
- Neetanseitate la ventilele de admisie si refulare. Se verifica daca acestea nu au zgura sau neetanseitati mecanice.
- Arcuri prea rigide la ventile. Se vor īnlocui arcurile rigide.
- Segmenti de piston uzati. Se vor schimba.
10. Masuri de tehnica securitatii si prevenirea avariilor
1. Compresorul trebuie sa aiba aparatoarea montata la volanta cāt si la curelele excitatricei.
2. Se interzice cu desavārsire interventia la volanta sau la curele cu compresorul īn functie.
3. Sa fie īnlaturata orice scurgere de ulei si sa fie mentinuta o perfecta stare de curatenie.
4. Pe pardoseala sa nu fie pete de ulei sau vaselina pentru evitarea alunecarii.
5. Se interzice pornirea sau oprirea īn sarcina a compresorului.
6. Operatorii sa poarte echipamentul de protectie strāns pe corp pentru evitarea eventualelor agatari de catre piesele aflate īn miscare.
7. La pornirea compresorului (a motorului electric) operatorul va sta pe covorasul de cauciuc.
8. Se interzice spalarea cu apa a motorului de antrenare.
9. Motorul sa fie prevazut cu īmpamāntare corect montata.
Se interzice cu desavārsire fumatul.
|