ALTE DOCUMENTE |
Cilindrii hidraulici

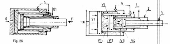
c) Cilindrii telescopici. Acestia pot fi :
Cu simplu efect, au o singura alimentare cu ulei, returul prin incarcare exterioara. Iesirea tijelor pistoanelor se face pas cu pas. Astfel, la alimentarea cu ulei acesta actioneaza asupra suprafetei de sectiune S1 (cea mai mare), ducand la iesirea primului piston. La finalul cursei primului piston, uleiul va actiona asupra suprafetei S2, ducand la iesirea celui de-al doilea piston. Returul se realizeaza prin incarcarea exterioara.
Cu dublu efect cand pentru retur nu este necesara o incarcare exterioara.

Fig.5
14.2.3 Cilindrii rotativi ( sau motoare oscilante )
a) Cu cremaliera
Acestia realizeaza o miscare unghiulara (rotatie de la 45° la 360°) cu cupluri variabile in functie de presiunea de alimentare. Ei sunt caracterizati prin :
Tipul lor,
Cuplul pentru o presiune data,
Unghiul de rotatie.


b) Cu palete
Cu o paleta, rotire unghiulara de max 280°
Cu doua palete, rotire unghiulara de max 100°

Fig.7
Cuplul obtinut este proportional cu presiunea si cu supafata paletelor. Viteza de rotatie este in functie de debit.
In sectiunea prin cilindrul rotativ cu doua palete avem:
1 = corp din fonta
2 = suporturi din otel cu garnituri
3 = palete cu canale de comunicatii , solidare cu arborele de antrenare.
Doua flanse port-paliere inchid acest ansamblu.
Functionare :
Daca uleiul sub presiune intra prin orificiul O, el actioneaza asupra suprafetelor paletelor in 4 si 5. camerele 6 si 7 sunt unite de rezervor prin orificiul O1. Arborele de antrenare se roteste in sens orar.
Daca O1 este alimentata de ulei sub presiune se inverseaza sensul de rotatie al arborelui.
O blocare pe pozitie poate fi obtinuta.
Utilizare :
Pentru toate miscarile unghiulare rotative.
14.3 Montarea cilindrilor
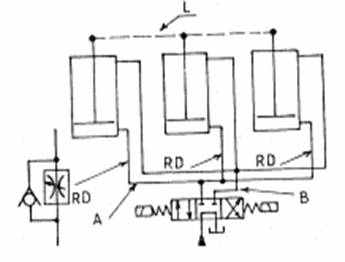
14.3.1 Montarea cilindrilor in paralel
Intrarea si iesirea in fiecare dintre cilindrii este realizata prin aceiasi conducta de intrare A si de iesre B.

Fig.8
Teoretic, valoarea presiunii este aceiasi la toate intrarile din cilindrii.
Daca cilindrii nu sunt legati mecanic (L) printr-o incarcare, exista independenta cinematica intre ei. Putem monta, in acest caz, regulatoare de debit, RD, care, dupa reglare asigura un control cinematic.
Legatura mecanica a cilindrilor permite cresterea fortei disponibile.
14.3.2 Montarea cilindrilor in serie
a) A doi cilindrii cu dublu efect
Fig.9
b) A unui cilindru cu dublu efect cu un cilindru cu simplu efect

Fig.10

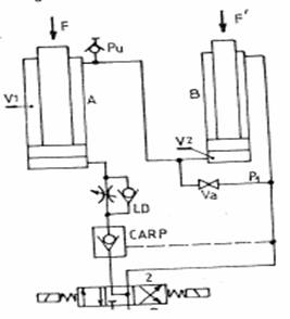
Fig.11
Pu = purja de aer
Va = vana de umplere a circuitului izolat
LD = limitator de debit (controleaza faza de coborare)
CARP = clapeta anti-retur pilotata (permite blocarea sarcinii pe pozitie).
In cazul montarii cilindrilor in serie, conducta de iesire dintr-un cilindru constituie intrarea in cel de-al doilea cilindru. Sincronizarea este hidraulica. Miscarile sunt legate intre ele , ele fiind in acelasi sens.
Volumul de fluid deplasat determina cilindree egale : V1 = V2, deci, alezajele celor doi cilindrii sunt diferite. S1>S3, cu S2 = S3 pentru fig.9 si Sa = St pentru fig.10
S2 si Sa sunt suprafete inelare
St este suprafata tijei
Daca cilindrii sunt solicitati de incarcari comune (fig.9 si10 ) sau separat (fig.11), presiunile din fiecare camera in parte sunt diferite si tind a se aduna.
Daca viteza trebuie sa fie controlata printr-un regulator de debit, plasarea acestuia se va face in amonte de cilindrul A si nu in aval de cilindrul B. Strangularea ar o crestere a presiunii in tubulatura de iesire.
Tubulatura de transfer trebuie bine dimensionatapt a rezista la cresteri ale presiunii in raport cu suprafetele cilindrului A.
Circuitul uleiului in aceasta tubulatura este independenta, un motaj pentru a se realiza umplerea este prevazut in p1. In cazul in care tija cilindrului reintra, vana Va va fi deschisa. Se va actiona, de asemenea si surubul de la purja Pu.
14.4 Etansarea in cilindrii hidraulici
Intr-un cilindru hidraulic exista doua tipuri de etanseitate :
Etanseitate la nivelul pistonului : realizeaza etanseitatea intre camera
anterioara si cea posterioara
Etanseitate la nivelul tijei : realizeaza etanseitatea intre cilindru
si exterior
14.4.1 Etansarea pistonului
Pistonul este cel care culiseaza si are in componenta garniturile care asigura etanseitatea intre cele doua camere ale cilindrului. Acest sistem de etansare este diferit in functie de presiunea utilizata.
a) Pentru presiuni < 15 bar
b) Pentru presiuni de pana la 200 bar
c) Pentru presiuni superioare de 200 bar
a) Pentru presiuni < 15 bar
In aceasata situatie pistonul nu cuprinde nici o garnitura de etanseitate; pistonul fiind doar prelucrat si, pentru a evita blocarea el are canale circulare care au rolul de a distribui uniform presiunea pe toata circumferinta, permitand astfel obtinerea unei centrari automate a pistonului. Etansarea intre piston si cilindru se va face prin jocul radial dintre piston si cilindru.

Fig.12
Daca dorim sa obtinem o mai buna etanseitate, vom utiliza atunci garnituri sferice, inele « O » sau segmenti (metalici sau de teflon). Totodata se va tine seama de faptul ca segmentii nu pot fi utilizati pentru presiuni superioare de 20 bar.
b) Pentru presiuni de pana la 200 bar
Pentru o buna etansare la o presiune de pana la 200 bar maxim, se vor utiliza inele « O » cu inele de retinere (numite si contra garnituri) pentru a evita extrudarea si roaderea acestora. Acest sistem de etansare prezinta inconvenientul ca poate fi utilizat pentru viteze mici, de maxim 0,2 m/s.

Fig.13
Pentru viteze mai mari se vor utiliza inele de etansare in forma de « U », cu buze largi. In acest caz pistonul este alcatuit din mai multe parti separate de tija cu care se asambleaza mai apoi in diverse moduri.

Fig.14

Fig.15
c) Pentru presiuni superioare de 200 bar
In acest caz pentru o buna etansare se vor utiliza mansete in « V » multiple cu inele de protectie. Acestea asigura o buna etansare, numarul mansetelor utilizate fiind determinat de presiunea de lucru.
Inelele de protectie laterale sunt din tesatura impregnata cu cauciuc, iar mansetele sunt din elastomeri sau o tesatura foarte dura.
Fig.16

Fig.17
14.4.2 Etansarea tijei
Etansarea tijei in cazul unui cilindru cu dublu efect se realizeza prin utilizarea unui sistem de etanseitate compus in general din :
Un inel de ghidare : un cuzinet dintr-un material autolubrefiant (bronz
sau teflon) ;
Un sistem de etansare a tijei format din mai multe garnituri ;
O garnitura racloare.

Fig.18
Criteriile de alegere a garniturilor de etansare de la tija sunt aceleasi ca pentru piston.
Concluzii :
Se retine aspectul ca sistemele de etansare utilizate sunt diferite in functie de presiune, de etanseitatea dorita si de eforturile care pot apare.
O etanseitate perfecta este dorita atunci cand cilindrul incarcate se poate opri, deci este sub presiune.
O etanseitate ridicata se poate obtine prin utilizarea garniturilor cu buze.
Materialul din care se constituie elementele de etansare trebuie sa fie ales si in functie de natura fluidului utilizat in instalatie.
14.5 Amortizarea interna la cilindrii hidraulici
Amortizarea la final de cursa a pistoanelor poate duce la evitarea tuturor socurile brutale care pot aparea.
Reglarea acestei amortizari se face pentru o masa si o viteza data. Amortizarea este eficace in anumite limite. Pentru viteze crescute si mase importante se vor utiliza alte aparate hidraulice.
O buna amortizare este amortizarea interna, incorporata in cilindru.

Fig.19
Functionare :
Sa ne imaginam iesirea unei tije ; ansamblul mobil porneste si nimic nu-l opreste, astfel ca pistonul va veni in contact cu partea de fund a cilindrului , ducand la aparitia socurilor.
Printr-un sistem destul de simplu noi putem absorbi o partea din energia cinetica. Asa cum este prezentat si in schema de mai jos, se va monta pe piston unul sau doua drosele numite si « conuri de franare » si se va prelucra in partea de fund un alezaj identic cu cel al droselului. In plus, o prelucrare suplimentara ne va permite obtinerea unei strangularii reglabile si, in plus, se va utiliza si o supapa de sens pentru cazul in care strangularea reglabila este inchisa din greseala.

Fig.20
Simbolizare :
14.6 Amplificatoare - multiplicatoare hidraulice
14.6.1 Notiuni generale
Transmiterea presiunii
a) Principiul lui Pascal
In exemplul prezentat in figura, se exercita o forta asupra lichidului continut in recipient.

a)

b)
Fig.21
Acest lichid suporta, in toate punctele, o crestere a presiunii egala cu :
p
=
Fundul recipintului trebuie sa reziste la o forta:
F2 = p . S2
Astfel, principiul lui Pascal poate fi enuntat astfel :
Intreaga variatie de presiune produsa intr-un punct dintr-un lichid aflat in echilibru este transmisa integral in toate punctele din lichid.
b) Principiul presei hidraulice

Fig.22
Se cunosc diametrele :
D1 = 40 mm
D2 = 400 mm
Atunci, cele doua suprafete sunt :
S1 =
=
S2 =
=
Se ecercita o forta F1 = 40 daN. Presiunea in lichid va fi :
p =
Forta exercitata pe pistonul mare este egala cu :
F2 =
Concluzia 1
![]()
Fortele sunt proportionale cu suprafetele pistoanelor.
Presupunand ca se realizeza deplasarea pistonului mic cu l1 = 120 mm, notam cu l2 deplasarea pistonului mare.
Volumul de ulei care iese din pistonul mic este egal cu volumul de ulei care intra in cilmindrul mare.
Vom putea scrie :
V2 =
S2 . l2 =
l2 =
Concluzia 2

Deplasarile sunt invers proportionale cu suprafetele pistoanelor.
c) Aplicatie
La multiplicatorul de presiune reprezentat in figura de mai jos, diametrele sunt :
D1 = 250 mm
D2 = 30 mm
Se cunoaste cursa acestuia care este de 710 mm si presiunea de intrare care este presiunea din reteaua pneumatica, 7x105 Pa.
Se cere sa se calculeze presiunea p2 de refulare si volumul V2 de refulare.

Fig.23
Rezolvare :
Rol
Amplificatoarele-multiplicatoarele sunt aparate care permit obtinerea in sistemele hidraulice sau pneumatice a unei presiuni mai mari decat presiunea furnizata de pompa sau presiunea din sistemul de aer comprimat.
Principiu de constructie
a) Amplificator hidraulic

Fig. 24
In acest caz avem un singur tip de fluid.
A si B sunt alimentate printr-o valva de inversiune.
b) Multiplicator hidro-pneumatic
In acest caz avem doua tipuri de fluide
Fig. 25
Raporturile dintre presiunile din camerele A si B este :
![]()
Presiunea de iesire este :
p2
= p1 . ![]()
Principiu de functionare
Amplificatoarele ulei - ulei si multiplicatoarele aer - ulei functioneaza pe acelsi principiu. O presiune de intrare p1 este aplicata pe pistonul de diametru marecare este legat de un alt piston de o sectiune mult mai mica, va produce un efort F, care este transmis lichidului prin intermediul unei sectiuni S2 < S1 , realizand in interiorul lichidului o presiune p2 >p1.
Presiunea inalta p2 este dat de relatia :

p2
= p1 . ![]()
Utilizare
a) Volumul de fluid refulat prin amplificator este slab ; noi vom utiliza acest aparat pentru miscari de mica amplitudine si pentru obtinerea in receptor a unei presiuni ridicate la finalul miscarii.
b) Utilizarea unui amplificator de putere se recomanda in situatiile :
o Pentru creerea unor forte hidraulice ridicate atunci cand este necesar, plecand de la un sistem pneumatic alimentat la presiune joasa.
o Atunci cand se doreste cresterea presiunii peste valoarea presiunii de pompare dintr-un sistem, de o maniera economica.
o Pentru cresterea valorii puterii a aparatelor aflate in miscare a caror marime este limitata de spatiul disponibil.
o Pentru cresterea debitului ceea ce permite controlul precis al vitezei aparatelor aflate in miscare.
o In asociere cu o pompa de joasa presiune poate constitui un sistem ideal denumit « Pornire rapida - Avans » sau « Inchidere - deschidere ».
Simbolizare
a) In cazul unui singur tip de fluid vehiculat:

b) In cazul a doua fluide vehiculate:

Aplicatie
Sa se calculeze care este presiunea de refulare pentru amplificatorul din figura de mai jos.

Fig.34
La amplificatorul prezentat, cele doua diametre sunt :
D1 = 150 mm si D2 = 30
Se cunoaste presiunea de intrare : p1 = 10 bar
Rezolvare :
o Suprafata S1 :
o Suprafata S2 :
o o presiunea de refulare: p2 =
|