Constructia in SLO.Tipuri de nave.Elemente de constructie
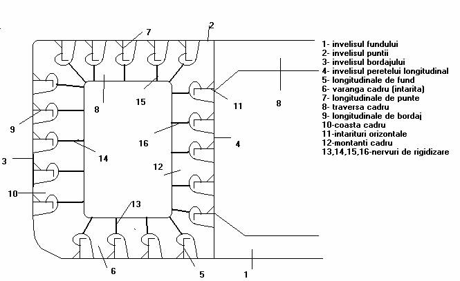
SLO se caracterizeaza prin faptul ca predomina 919h78j elementele de osatura longitudinale , respectiv grinzile de directie principala sunt orientate lond\gitudinal ( longitudinale de fund , de bordaj si de punte) iar grinzile de incrucisare sunt orientate transversal (varanga , coasta , traversa si montant) .Acest sistem de osatura se utilizeaza la constructia petrolierelor si mineralierelor cu lungimi mai mari de 180 m.

|