ALTE DOCUMENTE
|
||||||||||
Probleme propuse
1. Fabricantul de rezistoare a indicat īn catalog puterea maxima disipata, ca functie de temperatura ambianta (figura). Sa se determine puterea maxima disipata, la o temperatura ambianta de 60 grade.
2. Un lot de condensatoare are valoarea nominala a capacitatii de 22nF. Toleranta este de 5%. Īn ce interval de valori se vor situa capacitatile condensatoarelor din lot (la temperatura de referinta)?
3. Un rezistor are valoarea masurata a rezistentei de 5k. Aceasta valoare a fost masurata la temperatura de 25 grade. Fabricantul a indicat īn catalog o valoare a coeficientului de variatie cu temperatura de 0,02%/grad, temepratura de referinta fiind 0 grade. Care sīnt valorile rezistentei la temperaturile de 0 grade, respectiv 100 grade?
4. Un lot de rezistoare are valoarea nominala a rezistentei d 555f55f e 10k. Rezistoarele vor functiona īn intervalul de temperatura de 0-100 grade. Īn ce interval de valori se vor situa rezistentele rezistoarelor din lot, prespunīnd īntraga gama de temperatura?
5. Pe un condensator este marcata valoarea capacitatii, codata numeric, īn inscriptia "223". Care este valoarea capacitatii?
6. Un miez din ferita cu sectiunea īn coroana circulara are urmatoarele dimensiuni: diametru exterior 24 mm, diametru interior 14 mm, īnaltimea 10 mm. Pe el sīnt bobinate 100 spire. Permeabilitatea magnetica relativa este 1000. Care este inductanta bobinei, presupunīnd semnal suficient de mic īncīt miezul sa nu ajunga la saturatie?
Care este intensitatea maxima a curentului prin bobina, astfel īncīt sa nu se depaseasca cīmpul de saturatie, de 500A/m?
7. Bobina din problema precedenta lucreaza la frecventa de 20 kHz (semnal sinusoidal), unde rezistenta de pierderi echivalenta este de 1 ohm (modelul cu rezistenta de pierderi īn serie cu inductanta). Se cer factorul de calitate al bobinei, valoarea reactantei inductive si valoarea impedantei.
8. Care este valoarea defazajului curentului fata de tensiune, īn problema precedenta?
9. O bobina cu inductanta de 10mH este parcursa de curentul continuu de 1A. Ce valoare are energia īnmagazinata?
10. Pe un cablaj imprimat cu dublu strat se gasesc doua trasee de cupru, simetric asezate pe fetele opuse. Traseele au lungimea de 50 mm si latimea de 2 mm. Grosimea cablajului este de 1 mm iar permitivitatea lui dielectrica relativa este 5. Care este capacitatea parazita īntre trasee?
11. Care este valoarea reactantei capacitive (capacitatea parazita din problema precedenta), la frecventa de 200 MHz?
12. Un circuit RC paralel lucreaza la frecventele de 50 Hz, 10 kHz, 2 MHz. Valorile parametrilor sīnt 1,5 kohm si 10 nF. Desenati diagrama de fazori. Care sīnt valorile defazajelor curentului fata de tensiunea aplicata circuitului? Trageti o concluzie privitoare la aproximarile care se pot face, asupra functionarii circuitului la extremele domeniului de frecvente.
13. Semnalul de tensiune sinusoidala aplicat la bornele unui circuit RC serie are amplitudinea de 1 V si frecventa de 100kHz. Valorile parametrilor sīnt 2,2 kohm si 10 nF. Se cer impedanta circuitului si amplitudinea curentului.
14. Care este energia īnmagazinata īn condensatorul din problema precedenta, īn momentul valorii maxime a tensiunii la bornele sale? Care este sarcina īnmagazinata, īn acelasi moment?
15. Un transformator este alimentat de la o
sursa ideala de tensiune periodica (toate componentele din
spectrul semnalului sīnt īn intervalul de frecvente de lucru al
transformatorului). Tensiunea de alimentare (valoare efectiva) este de
10V. Raportul numereleor de spire este
. Rezistenta de sarcina din secundar este de 1
kohm. Se cer: tensiunea din secundar, curentul prin sarcina, puterea
transferata si curentul din primar. Puterea este comparabila cu
puterea nominala si se neglijeaza pierderile.
16. Un transformator este alimentat de la o
sursa de tensiune sinusoidala, cu tensiune efectiva de 24V
si rezistenta interna de 0,5 kohm. Raportul numereleor de
spire este
, iar rezistenta de sarcina din secundar are
valoarea 1kohm. Se cer: tensiunea din secundar, curentul prin sarcina,
puterea transferata si curentul din primar. Se mai cer valoarea
rezistentei reflectate din secundar si parametrii generatorului
reflectat din primar. Puterea este comparabila cu puterea nominala
si se neglijeaza pierderile.
17. Un transformator este alimentat de la o
sursa de tensiune sinusoidala, cu tensiune efectiva de 220 V
si rezistenta interna nula. Transformatorul
poseda doua secundare identice, cu
. La cele doua secundare sīnt conectate
rezistentele de sarcina de 50 ohmi, respectiv 100 ohmi. Se cer
puterea transferata si curentul primar. Puterea este comparabila
cu puterea nominala si se neglijeaza pierderile.
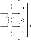
18. Un transformator este alimentat de la o
sursa de tensiune sinusoidala, cu tensiune efectiva de 220 V
si rezistenta interna nula. Transformatorul
poseda trei secundare identice, cu
, legate ca īn figura. Se cere valoarea tensiunii U, culeasa īntre extremele celor
trei secundare.

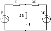
19. Pentru circuitul din figura, se cer parametrii generatorului echivalent de tensiune, la bornele AB.

20. Pentru acelasi circuit, se cer parametrii generatorului echivalent de curent.
Pentru circuitul din figura, se cere expresia curentului I, prin suprapunerea efectelor celor doua generatoare.

22. Doua rezistoare conectate īn paralel au parametrii: 10k si 0,5W, respectiv 15k si 0,25W. Se cer rezistenta echivalenta si puterea maxima disipata a grupului.
23. Doua bobine sīnt legate īn serie, ca īn figura. Inductantele lor sīnt 10mH si 20mH, iar curentii maxim admisi sīnt 0,5A, respectiv 0,4A. Care este inductanta echivalenta? Care este curentul maxim admis īn grupul serie?
![]()
24. Doua condensatoare legate īn serie, au capacitatile de 68 nF, respectiv 100 nF si tensiunile maxim admise de 100V, respectiv 250V. Care este tensiunea maxim admisa pe grupul serie si care este capacitatea echivalenta?
25. Sa se proiecteze un atenuator cu trei trepte, de la tensiunile de intrare de 100V, 50V, 20V la tensiunea de 10V (pentru intrarea īntr.un aparat de masura). Rezistenta de intrare īn aparatul de masura este de 1M. Sa se stabileasca cea mai mare putere disipata pe un rezistor.
26. La momentul 0 tensiunea de intrare īn circuitul din figura are un salt, de la 0V la 10V. R=0,1k, L=200microH. Se cer: expresia tensiunii u(t), timpul dupa care aceasta tensiune ajunge la valoarea 9,5V.

27. La momentul 0, curentul prin bobina avea valoarea 100mA (sensul curentului īn jos). Care este expresia tensiunii u(t)?

28. La momentul 0, tensiunea pe condensator era 10V, iar tensiunea e(t) avea valoarea 5V (care ramīne constanta). Se cere expresia tensiunii pe condensator.

29. Se cere functia raspuns la frecventa pentru circuitul din figura (intrare e(t), iesire u(t)). Se cere frecventa de frīngere a caracteristicii si amplificarea pe asimptota orizontala.

30. Un osciloscop are impedanta de intrare 1M, paralel cu 20pF. Dorim un atenuator compensat īn frecventa, cu raportul de 1/10 la intrarea lui. Sa se deseneze circuitul si sa se aleaga componentele atenuatorului.
31. Un circuit RLC serie are L=100microH, C=1microF, R=100ohm. Se cere impedanta circuitului ca functie de frecventa. Care este frecventa de rezonanta a circuitului? Care este valoarea factorului de calitate la rezonanta? Desenati diagrama de fazori la rezonanta. Amplitudinea curentului sinusoidal (la rezonanta) este de 0,1mA. Care este amplitudinea tensiunii pe condensator?
32. Exprimati impedanta, functia raspuns la frecventa, caracteristicile de frecventa, pentru circuitul din figura. Care sīnt frecventa de rezonanta si coeficientul de amortizare? Se considera tensiunea generatorului ca marime de intrare iar tensiunea pe grupul RC ca marime de iesire (acest tip de circuit se gaseste īn toate sursele de alimentare din calculatoare).

33. Componenta neliniara din circuitul desenat mai jos are caracteristica din graficul alaturat. Se cer: valoarea curentului prin aceasta componenta si valoarea tensiunii la borne.
|