ELEMENTE COMPONENTE ALE SCHEMELOR ELECTRICE
Circuite de comanda
Ca aparate, care au rolul de a proteja circuitele electrice de scurtcircuite (curenti mai mari de 8 ori decât curentul nominal al sigurantei), sunt constituite din trei parti distincte: soclul, capacul si patronul fuzibil propriu - zis (figura 2.3).
|
|
|
Figura 2.1. Sigurante fuzibile LF, LS, MPR |
|
|
|
Figura 2.2. Sigurante automate, întreruptoare automate, disjunctoare |
|
|
|
Figura 2.3. Sigurante fuzibile cu filet: a - 1 - Siguranta
fuzibila tip LFi - |

Comutatoare cu came


Figura 2.4. Comutatoare cu came
Butoane de pornire - oprire
|
|
|
Figura 2.5 Montarea butoanelor electrice de comanda |
|
|
|
|
|
|
|
Buton cu lampa de semnalizare cu bec Contact N/O+N/C |
Selector cu 2 pozitii fixe si cu lampa de semnalizare cu LED Contact N/O+N/C |
Buton cu lampa de semnalizare cu bec sau cu LED Contact N/O+N/C |
Buton cu lampa de semnalizare cu LED Contact N/O+N/C |
Buton cu lampa de semnalizare cu LED Contact N/O+N/C |
|
Figura 2.6. Biblioteca de scheme |
||||
|
|
|
a - buton simplu contact N/O; b - buton simplu contact N/C; c - buton tip "ciuperca", pentru oprire de urgenta, cu revenire (contact N/O); d - buton tip "ciuperca", pentru oprire de urgenta, tip"apasa -trage" (contact N/C); e - buton tip "apasa - trage", pentru oprire de urgenta, deblocare rapida (contact N/O + N/C); f - buton tip "apasa - trage", pentru oprire de urgenta, deblocare prin rotire (contact N/C); g - buton tip "apasa - trage", pentru oprire de urgenta; h - buton dublu contact N/O + N/C. |
Relee de temporizare
|
|
|
Figura 2.8. Relee de temporizare electronice |
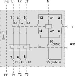
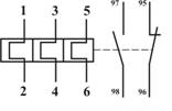
Relee termice
Pentru protectia instalatiei de suprasarcinile care pot sa apara accidental, se folosesc releele termice.
|
|
|
|
|
Releu termic tip ZE-ZW-ZEV |
Contacte NI - ND |
1 - reglaj I motor; 2 - resetare; 3 - indicare stare functionare. |
|
|
||
|
Figura 2.9. Relee termice |
||
Lampi de semnalizare, limitatoare de cursa, microîntreruptoare
|
|
|
|
|
|
|
|
|
|
|
|
Circuite de forta
Circuitele de forta sunt destinate asigurarii trecerii curentului electric de utilizare prin consumatorii conectati la retea.
Din circuitul de forta fac parte: contactoarele, sigurantele fuzibile, demaroarele, întreruptoarele automate, separatoarele de sarcina etc.
Contactoare
Contactorul îndeplineste functia de aparat de manevra, închizând sau deschizând, sub sarcina, circuitul principal, la comanda voita a unui operator.
Oricare ar fi varianta constructiva a contactorului (fig. 2.11), el este alcatuit din urmatoarele elemente:
circuitul principal de curent;
circuitul de comanda;
circuite auxiliare;
camerele de stingere;
elemente izolante;
elemente metalice;
elemente de fixare
Circuitul principal de curent este format din: borne de racord la circuitul exterior, contacte fixe si contacte mobile.
|
1- bobina, 2-
contacte principale, 3 -
contacte auxiliare NI, 4 - contacte auxiliare ND, 5 - armatura
mobila, 6 -
carcasa, 7 bornele bobinei. Schema electrica a contactorului
tip RG |

Figura. 2.11
Figura
2.12. Contactor TCA
Datorita numarului foarte mare de conectari, carora trebuie sa le faca fata un contactor, contactele sale sunt puternic solicitate atât mecanic, prin loviturile puternice pe care le suporta la închidere, cât si electric si termic, prin efectul arcului de întrerupere.
Circuitul de comanda cuprinde: bobina electromagnetului de actionare si contactele de autoretinere.
Circuitele auxiliare sunt formate din: contacte de blocare si contacte de semnalizare.
Întreruptoare automate
|
|
|
|
|
|
|
Figura 2.13. Întreruptoare automate: |
||||
|
Compact NS 100-250 |
EasyPact |
Compact NS 100 |
cu protectie diferentiala |
Schema electrica |
Demaroare
Demaroarele sunt aparate electrice utilizate pentru pornirea directa a motoarelor electrice. În plus, fata de contactoarele electrice, demaroarele asigura protectia la suprasarcina a motoarelor electrice trifazate care actioneaza diverse utilaje.
Aceste aparate sunt usor de manevrat, nu necesita reglaje si au posibilitatea montarii în spatii cu mediu divers.
|
|
|
|
Figura 2.14. Demaroare. Schema electrica a demarorului |
Separatoare de sarcina
|
|
|
|
|
Figura 2.15. Separatoare de sarcina |
||
|
Interpact INS 80 |
Interpact |
Separator de sarcina 1000 A |
Aparatura modulara
|
|
|
Figura 2.15. Aparatura modulara |
|