sisteme static nedeterminate
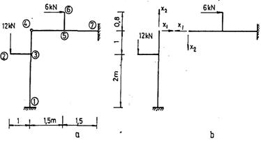
1. Sistemul static nedeterminat din figura 1 are barele de rigiditati diferite. Sa se calculeze deplasarile v1 , u3 , si sa se reprezinte deformata sistemului.

Figura 1
Rezolvare
Pentru calculul deplasarilor este necesara mai întâi, rezolvarea sistemului static nedeterminat, pentru a se obtine diagrama de moment încovoietor (M).
Astfel, gradul de nedetermiare statica al sistemului este n = 4 - 3 = 1, sistemul de baza se alege conform figurii 2,a , iar ecuatia de continuitate se scrie:
X1 ·
În baza schemelor de încarcare si a diagramelor d emoment încovoietor corespunzatoare din figura 2, b,c se determina deplasarile din ecuatia de continuitate care au expresiile:
![]()
![]()
Necunoscuta X1 are valoarea:
X1
=

Figura 2
Deoarece pentru calculul deplasarilor intereseaza numai diagrama de moment încovoietor (M) este mai usor ca aceasta sa se obtina prin suprapunere de efecte. Conform relatiei:
M = M0 + X1 · m1 ,
deci valorile ordonatelor din diagrama M se obtin prin prin însumarea algebrica a valorilor ordonatelor din diagramele M0 si m1 , dupa ce în prealabil ordonatele diagramei m1 au fost multiplicate cu valoarea lui X1 . Astfel, de exemplu:
= - 480 + 3 · 170,5 = 31,5 kNm
Rezulta diagrama M a sistemului de bare static nedeterminat, reprezentata în figura 3,a.
Determinarea deplasarilor cerute presupune încarcarea formei de baza, cu o sarcina virtuala unitara corespunz 22122e410w 59;toare deplasarii cautate si trasarea diagramei de moment încovoietor, conform schemelor din figura 3, b,c,d.
Se observa ca, pentru calculul deplasarii v1 s-a folosit o alta forma de baza (figura 3, b), decât aceea utilizata la rezolvarea sistemului static nedeterminat.
Figura 3
Pentru cele trei deplasari se obtine:
![]()
![]()
![]()
![]()
Cu ajutorul deplasarilor determinate si având în vedere diagrama de moment încovoietor (M), trasata de partea fibrei întinse a barei se reprezinta deformata sistemului static nedetemrinat, conform figurii 4,e.
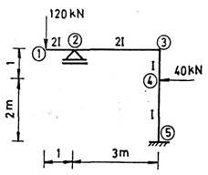
În figura 4, a este reprezentat un sistem static nedeterminat, ale carui bare au sectinuea în forma de I (figura 4, b). Se cere:
1) trasarea diagramelor de eforturi N, T, M;
2) dimensionarea barelor sistemului, din conditia ca deplasarea u1 ≤ 2 mm. La calculul deplasarii se va lua în considerare numai momentelor încovoietoare. Se cunoaste E = 2,1 · 105 N/mm2.

1) Gradul de nedeterminare statica al sistemului este
n = 3k - s = 3 · 2 - 5 = 1.
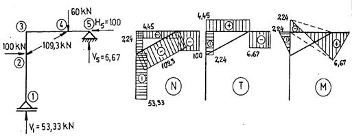
Pentru a se obtine forma de baza în acest caz se pleaca de la observatia ca bara 2-4 este articulata la ambele capete si nu este încarcata, deci ea poate prelua numai forta axiala. Suprimând bara 2-4 si introducând perechea de forte X1 (figura 5) se obtine un sistem static determinat, care constituie sistemul de baza în acest caz.
Ecuatia de comunicare se scrie:
X1 ·
Schemele de încarcare si dagramele de moment încovoietor corespunzatoare, pentru determinarea deplasarilor din ecuatia de continuitate sunt conform figurii 6.


Pentru cele doua deplasari se obtine:
![]()
![]()
Rezolvând ecuatia de continuitate rezulta
X1 = - 87,45/0,8 = - 109,3 kN.
Sistemul de baza supus actiunii îcarcarilor si fortelor X1 determinate (se observa ca, în realitate, bara 2-4 este comprimata) si diagramele de eforturi obtinute prin rezolvarea acestuia sunt reprezentate în figura 7.

2) Pentru dimensionarea barelor sistemului din conditia impusa este necesara scrierea expresiei deplasarii u1. Forma de baza înccata cu sarcina virtuala unitara si diagrama de moment încovoietor corespunzatoare sunt conform figurii 8.

Pentru deplasarea u1 rezulta:
![]()
Punând conditia
mm se
obtine:
si deci:
Dar:
de unde tnec = 7,9 mm. Se alege tef = 8 mm.
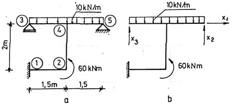
3. Pentru sistemul de bare static nedeterminat reprezentat în figura 9,a se cere:
construirea diagramelor de eforturi N,T,M, considerând EI = const;
determinarea deplasarilor
u6 ,
, stiind ca E = 2,1 · 10 N/mm5
i = 1,2 · 107 mm4.

Figura 9
1) Sistemul de bare considerat are gradul de nedeterminare statica n = B + R - N = 2 · 2 + 3 · 2 - (3 · 2 + 2 · 1) = 2. Este convenabil, ca sistemul de baza sa se aleaga, în acest caz, conform figurii 9,b. Se observa ca, desfacând articulatia 4 se obtin doua corpuri, fiecare dintre acestea constituind un sistem static determinat, usor de rezolvat.
Sistemul de ecuatii de continuitate, în acest caz se scrie:
X X
Schemele de ncarcare si diagramele de moment ncovoietor corespunzatoare necesare determinarii deplasarilor din sistemul sunt reprezentate n figura

Expresiile deplasarilor sunt
![]()
![]()
![]()
![]()
![]()
Sistemul de ecuatii (1) se scrie:
9X1 - 48 = 0
9X2 - 16,2 = 0
din care,
X1 = 5,33 kN; X2 = 1,8 kN.
Sistemul de baza supus actiunii încarcarilor si fortelor X1 , X2 determinate si diagramele de eforturi corespunzatoare sunt conform figurii 11.
Figura 11
![]() |
2) Pentru determinarea deplasarilor cerute se utilizeaza aceeasi forma de baza, care a folosit la rezolvarea sistemului static nedeterminat. Schemele de încarcare ale acesteia si diagramele de moment încovoietor corespunzatoare sunt conform figurii 12.
Pentru cele trei deplasari se obtine:
![]()
![]()
![]()
4. În cazul sistemului de bare static nedetermina din figura 13,a, se cer: 1) Diagramele de eforturi N. Y. M, considrând EI = const; 2) deplasarile v4,

Rezolvare
1) Gradul de nedeterminare statica al sistemului este n = 3k - s = 3 · 2 - 3 = 3, forma de baza se alege conform figurii 13, b , iar sitemul de ecuatii de continuitate se scrie:
X X X
X X X
Se determina deplasarile din sistemul pe baza schemelor de ncarcare si a diagramelor de momente ncovoietoare corespunzatoare reprezentate n fig.
Rezulta:
![]()
![]()
![]()
![]()
![]()
![]()
![]()
![]()
![]()

Substituind deplasarile determinate în sistemul (3) se obtine:
8,67 X1 - 9,75 X2 + 5,25 X3 - 112,5 = 0
- 9,75 X1 + 13,5 X2 - 6,75 X3 +111,79 = 0
5,25 X1 - 6,75 X2 + 6,75 X3 - 56,95 = 0
care, prin rezolvare, conduce la:
X1 = 19,93 kN; X2 = 5,16 kN; X3 = - 1,903 kN.
Sistemul de baza, suspus actiunii încarcarilor si necunoscutelor, ale caror valori au fost determinate si diagramele de eforturi corespunzatoare sunt conform figurii 15

2) Pentru determinarea deplasarilor cerute, schemele de încarcare cu sarcina virtuala unitara si diagramele de moment încovoietor corespunzatoare sunt reprezentate în figura 16.

Expresiile celor doua deplasari sunt:
![]()
![]()
Sistemul de bare static nedeterminat din figua 17,a este simetric fata de axa I-I si încarcat simetric fata de aceasta axa. Sa se traseze diagramele de eforturi N,T,M, considerând EI = const.
Rezolvare
Sistemul de bare considerat este de trei ori static nedeterminat. Forma de baza se alege sectionând sistemul prin axa de simetrie, conform figurii 17,b , iar sistemul de ecuatii de continuitate se scrie:
X X X
X X X
X1 + X2 + X3
Se observa ca diagramele de moment încovoietor m1, m3 si M0 sunt diagrame simetrice, iar diagrama m2, antisimetrica, ceea ce conduce la anularea unora dintre deplasarile din sistemul (4).
Astfel:
=(m1, m2) = 0; =(m2, m3) = 0; =(M0, m2) = 0.

Figura 17
Ţinând seama de aceasta observatie se obtine:
X X
X X
X X
Rezulta ca alegerea sistemului de baza si faptul ca încarcarea este simetrica a condus la simplificarea sistemului de ecuatii n continuitate aceasta const nd n descompunerea sistemului n sistemul (5) si ecuatia care se pot rezolva independent Deci n loc sa se rezolve un sistem de trei ecuatii cu trei necunoscute situatie corespunzatoare alegerii altei forme de baza) se rezolva un sistem de doua ecuatii cu doua necunoscute necunoscuta X fiind nula.
De retinut ca în cazul sistemelor simetricei ncarcate simetric necunoscuta antisimetrica din axa de simetrie este nula, aceasta observatie put nd fi utilizata de la nceput
Pentru determinarea deplasarilor din sitemul (2) se construiesc diagramele m1, m3 M0 conform figurii 18. Se determina deplasarile, rezultând:
![]()
![]()
![]()
![]()

Figura 18
Sistemul de ecuatii (5) se scrie:
-45l X1 + 36X3 = 50ql2 ,
solutiile lui fiind:
X1 = -0,058ql; X3 = 1,461ql2.
Se traseaza diagramele de eforturi, lucrând pe forma de baza supusa actiunii încarcarilor si necunoscutelor determinate, obtinându-se reprezentarile din fig.19.
6. Sa se traseze diagramele de momente încovoietoare si de torsiune la cadrul spatial din figura 20, daca EIy = EIz = 1,3 GIp = EI.
Rezolvare
Se înlocuieste reazemul din A cu forta necunoscuta X1 si se obtine sistemul fundamental, pe baza caruia se traseaza diagramele Mi 0 , Mt 0 (produse de sarcina uniform distribuita) si mi 1 si mt 1 (produse de X1 = 1).

Figura 20
Coeficientii δij sunt:
![]()
![]()
Necunoscuta static nedeterminata este:
![]()
Cunoscând toate fortele, se traseaza diagramele Mi si Mt rezultate.
7. La sistemul din figura 21 se cere sa se determine tensiunea normala maxima datorita imperfectiunii de montaj, a sarcinii P si a cresterii temperaturii cu t = 45° C. Se dau: E = 21 · 104 N/mm2 , = 12 · 10-6 °C-1 .
Rezolvare
Sistemul fundamental se obtine înlocuind reazemul de prindere din A cu necunoscutele X1 si X2. Se traseaza diagrama de momente încovoietoare M0 (data de P) si diagramele de momente încovoietoare si de forte axiale m1, n1 (date de X1 = 1) si m2 , n2 (date de X2 = 1) si se calculeaza coeficientii ij Astfel:

Figura 21
![]()
![]()
![]()
![]()
Înlocuind
si
punând conditiile de deformatie:
X X s
X X
rezulta:
X1 = 949 N, X2 = 1600 N.
Eforturile din sectiunile 1 si B sunt:
N1 = -1600 N; M1 = 949 · 800 - 100 · 400 = 119200 N/mm;
NB = 949 N; MB = 949 · 800 + 1600 · 400 - 3000 · 800 = -1000800 N/mm.
Sectiunea cea mai solicitata este în B, unde:
8. Sa se traseze diagramele de eforturi la grinda continua din figura 22.

Figura 22
Rezolvare
Se transforma încastrarea în doua reazeme apropiate, apoi se traseaza diagramele de momente pe deschiderile l1 , l2 , l3 considerate grinzi simplu rezemate. Momentele din reazemele de la capete au valorile:
M1 = - 6 · 1 = - 6 kNm; M4 = 0.
Celelalte marimi de calcul sunt:
![]()
![]()
e1
= 15 m;
S43 = 0.
Se aplica ecuatia clor trei momente succesiv pentru segmentele l-2-3 si 2-3-4:
Înlocuind termenii cu valorile calculate, se obtine sistemul:
11M2 + 2,5M3 = - 61,2;
2,5M2 + 5M3 = - 28,8
din care rezulta M2 = - 4,8 kN; M3 = - 3,36 kNm.
Grinda se transforma în doua grinzi sipu rezemate, la care se traseaza diagramele de eforturi dupa procedeele cunoscute.
|