Elemente de analiza frecventiala. Transformarea Fourier discreta. Ferestre temporale
Notiuni teoretice
Transformarea Fourier discreta (Discrete Fourier Transform - DFT) este una dintre cele mai utilizate si puternice proceduri din domeniul prelucrarii numerice a semnalelor. DFT este o procedura matematica folosita pentru determinarea continutului în fre 24324f511y cventa (armonic) al semnalelor. DFT provine din transformarea Fourier continua care poate fi definita prin relatia:
(1)
Relatia (1) este utilizata pentru transformarea unei functii continue din domeniul timp x(t) într-o functie continua din domeniul frecventa X(f).
Daca vom aplica adaptarea lui Dennis Gabor (1946), numita transformarea Fourier pe timp scurt, Short-Time Fourier Transform (STFT), atunci vom ferstrui semnalul original x(t) si vom obtine xw(t), conform figurii de mai jos.

Fig. 1. Ferestruirea unui semnal continuu
(2)
Esantioanele unui semnal obtinute de la convertorul analog-numeric constituie reprezentarea în timp a semnalului. Aceasta reprezentare furnizeaza amplitudinea semnalului la momentele de esantionare. Totusi, în multe cazuri dorim sa cunoastem continutul în frecventa al semnalului mai degraba decât amplitudinile esantioanelor individuale, adica sa cunoastem reprezentarea în domeniul frecventa a semnalului care poate oferi mai multe informatii despre semnal si despre sistemul care îl genereaza.
Daca
(3)
unde T este largimea ferestrei de timp
dreptunghiulare. Daca
este perioada de
esantionare a convertorului analog-numeric, atunci largimea ferestrei
de timp se masoara printr-un numar întreg de perioade de
esantionare, deci printr-un numar întreg de esantioane. Astfel:
(4)

Fig. 2. Semnalul continuu ferestruit si esantionat si spectrele corespunzatoare
Relatia (3) devine:
(5)
Relatia (4) se mai scrie
(6)
Rezulta ca prin împartirea
în N intervale a ferestrei de timp va rezulta o împartire în N
intervale si a intervalului de frecventa de latime
, unde
este frecventa maxima din spectrul semnalului
, de la care încolo amplificarea se considera nula.
Folosind acest lucru, rezulta ca putem calcula în (5), folosind relatia (6)
(7)
Din Fig. 2. rezulta ca spectrul
semnalului esantionat se obtine prin repetarea prin periodicitate a
spectrului semnalului neesantionat, spectrele centrându-se pe multipli ai
frecventei de esantionare
. Rezulta ca spectrul semnalului neesantionat
se regaseste centrat pe
si relatia
(7) se mai poate scrie:
(8)
Relatia (8) ne permite sa tragem câteva concluzii practice deosebit de interesante.
a. numarul de esantioane de timp si de frecventa este acelasi, N.
b.
Marirea
frecventei de esantionare în timp cu pastrarea latimii
ferestrei de timp duce la marirea proportionala numarului N
de esantioane
. Nu vom obtine informatie suplimentara în
domeniul frecventa, asa cum se observa din figura de mai
jos.

Fig. 3. Efectul cresterii frecventei de esantionare cu pastrarea latimii ferestrei de timp
Se observa cum cresterea
frecventei
conduce la marirea decalajului de frecventa
între perioadele de frecventa dar nu se modifica pasul de
frecventa
, care este egal cu produsul
ce ramâne
constant.
c.
pasul de
frecventa
se poate modifica prin
scaderea frecventei de esantionare
dar cu pastrarea
numarului de puncte de esantionare. Exista pericolul ca sa
nu mai fie respectata conditia Shannon de esantionare.
d.
pasul de
frecventa
se poate modifica prin
marirea latimii T a ferestrei temporale cu mentinerea
constanta a frecventei de esantionare, adica prin
achizitionarea spre prelucrare a unui numar N de esantioane mai
mare. Creste considerabil insa efortul de calcul.
Transformarea Fourier discreta se defineste ca o secventa discreta în domeniul frecventa asemanator relatie (8) sub forma
(9)
Ecuatia (9) se numeste ecuatia Transformarii Fourier discrete în forma exponentiala.
Se observa ca singura
diferenta consta în faptul ca sumarea dupa esantioane
nu mai este însotita de multiplicarea cu perioada de esantionare
.
Pentru simplitate si pentru a nu interveni în relatia de definitie factori variabili (N, T, Te), specifici procesului de esantionare, se prefera definitia (9). Se observa din relatia (21) ca amplitudinea spectrala este de ordinul N (sau N/2 daca se foloseste raportarea la frecventa Nyquist) în cazul în care amplitudinea unei sinusoide în timp este unitara. Acest lucru va fi subliniat si de relatiile (14) si (15) respectiv (21).
Daca se utilizeaza relatia lui
Euler
, atunci relatia (9) poate fi scrisa sub forma
trigonometrica:
(10)
Marimile si notatiile care intervin în relatiile de definire a DFT au urmatoarele semnificatii:
X(m) - este componenta m a iesirii DFT;
m - este indicele iesirii DFT în domeniul frecventa (m ia valori de la 0 la N-1);
x(n) - este secventa esantioanelor de intrare (semnal discret);
n - reprezinta indicele în domeniul timp (discret) al esantioanelor de intrare (n ia valori de la 0 la N-1);
N - este numarul de esantioane ale secventei de intrare si totodata numarul de puncte de frecventa în iesirea DFT.
Pentru N valori ale esantioanelor semnalului în domeniul timp, DFT determina continutul spectral al intrarii în N puncte din domeniul frecventa, uniform distribuite. Valoarea N este un parametru important, deoarece determina câte esantioane sunt necesare, rezolutia rezultatelor în domeniul frecventa, precum si timpul de procesare necesar pentru calculul unei transformate Fourier discrete.
Dupa cum se observa din relatiile
de definitie, fiecare componenta X(m) a unei DFT
reprezinta de fapt produsul, punct cu punct, dintre valorile
secventei discrete de intrare si o sinusoida complexa.
Frecventele concrete ale sinusoidelor depind de frecventa de
esantionare
cu care semnalul
continuu a fost esantionat si de numarul de esantioane N.
De exemplu, daca esantionam un semnal continuu cu o rata de
400 esantioane/secunda si calculam o DFT în N = 8
puncte, frecventa fundamentala a sinusoidelor este
. Ceilalti termeni X(m) au frecventele egale
cu multiplii întregi ai fundamentalei. Concret vom avea frecventele:
,
,
, .,
.
Prin urmare, cele N frecvente de analiza ale DFT vor fi în cazul general:
(11)
Referitor la exemplul de mai sus, termenul X(0) reprezinta amplitudinea oricarei componente cu frecventa de 0 Hz (componenta continua) continuta de semnalul discret, termenul X(1) specifica amplitudinea oricarei componente cu frecventa 50 Hz din semnal, si asa mai departe. Mai mult, DFT determina si diferentele de faza dintre componentele semnalului de intrare.
Deoarece de multe ori în practica intereseaza amplitudinea si puterea fiecarui termen X(m), în continuare vom defini aceste marimi în functie de partea reala si cea imaginara a DFT:
![]()
De aici putem defini amplitudinea:
(12)
si faza:
.
Puterea spectrala a lui X(m) este:
(13)
Desi DFT standard accepta valori
complexe ale secventei de intrare x(n), cele mai multe intrari fizice
prelucrate prin intermediul DFT sunt reale, deci si valorile
esantioanelor obtinute din semnalele continue reale vor fi si
ele reale. Atunci când intrarea x(n) este reala, iesirile DFT
de la m = 0 la m = N/2-1 sunt redundante cu iesirile
de frecventa
. Componenta m a iesirii DFT are aceeasi
amplitudine cu componenta N-m, iar faza componentei m este
egala cu faza componentei N-m luata cu semn schimbat.
Rezulta ca, atunci când secventa de intrare este reala, X(m)
este complex conjugata cu X(N-m). Aceasta proprietate a DFT se
numeste proprietatea de simetrie, si, alaturi de proprietatea
de liniaritate este una dintre cele mai importante caracteristici ale DFT.
Prin urmare proprietatea de simetrie arata ca atunci când
calculam o DFT în N puncte, obtinem N termeni
distincti, dar dintre acestia doar primii N/2 sunt
independenti; termenii de la X(N/2) la X(N-1)
nu mai aduc nici-o informatie suplimentara despre spectrul
secventei reale x(n). În concluzie este suficient sa
calculam numai primele N/2 valori ale lui X(m).
O alta observatie importanta este legata de amplitudinea DFT. Atunci când un semnal de intrare real contine o componenta sinusoidala de amplitudine A0 cu un numar întreg de perioade pe intervalul de esantionare (definit de cele N puncte si de perioada de esantionare), amplitudinea DFT pentru acea componenta particulara va fi:
(14)
Daca intrarea are o componenta sinusoidala complexa de amplitudine A0 cu un numar întreg de perioade pe intervalul de esantionare, amplitudinea DFT pentru acea componenta va fi:
(15)
În cazul unei componente de c.c. A0, amplitudinea DFT va fi A0 N.
Exemplu de calcul:
Vom considera un semnal continuu care contine componente sinusoidale, semnal care va fi esantionat, dorindu-se calculul transformatei Fourier discrete în N = 8 puncte.
(16)
Se observa ca semnalul continuu de mai sus are o componenta de 1 kHz si una de 2 kHz, aceasta din urma defazata cu 135o fata de prima. Acest semnal continuu va fi esantionat cu o frecventa de esantionare fe adica vom lua un esantion la fiecare Te = 1/fe secunde. Deoarece N = 8, pentru calculul DFT avem nevoie de 8 esantioane ale intrarii. Dupa procesul de esantionare, vom obtine de fapt o secventa de 8 valori numerice x(n) care sunt egale cu valorile lui xin(t) esantionat la momentele nTe:
(17)
Daca frecventa de esantionare aleasa este fe = 8000 esantioane/secunda, atunci DFT ne va indica amplitudinile semnalului x(n) la urmatoarele frecvente (numite frecvente de analiza)
mfT = mfe/N: 0 kHz, 1 kHz, 2 kHz, ., 7 kHz.
Cele 8 esantioane ale secventei de intrare sunt reprezentate prin puncte în graficul din Fig.4 care reprezinta si semnalul continuu xin(t) (linie continua). Cele doua sinusoide care alcatuiesc semnalul continuu (16) sunt reprezentate de asemenea prin linii întrerupte (se observa ca suma lor este chiar semnalul continuu (16)).

Fig. 4.
Din Fig. 5 se observa ca semnalul de intrare contine componente nenule pentru frecventele m = 1, 2 ceea ce corespunde frecventelor concrete de 1 kHz si 2 kHz. Primele 4 componente ale DFT sunt suficiente pentru determinarea continutului spectral al semnalului real de intrare (din proprietatea de simetrie rezulta ca ultimele 4 puncte ale DFT sunt redundante cu primele 4). Amplitudinile DFT pentru m = 1 si m = 2 verifica relatia (14).
Exemplul de calcul anterior a dat rezultate corecte pentru ca a fost
ales corespunzator. Aplicarea DFT la semnale din lumea reala poate
conduce la rezultate în domeniul frecventa care pot fi interpretate
eronat. Fenomenul de pierdere sau scurgere (leakage) poate duce la
rezultate ale DFT care sunt doar aproximari ale spectrului real. DFT
furnizeaza rezultate corecte doar atunci când secventa de intrare
contine energie exact la frecventele de analiza date de
relatia (4). Daca însa semnalul contine si
componente de frecvente intermediare (de exemplu
) atunci semnalul de intrare va fi difuzat (dispersat) într-o
anumita masura în toate cele N frecvente de
analiza ale DFT. Acest fenomen de leakage nu poate fi eliminat în
totalitate deoarece numarul N de puncte al DFT este finit, dar
exista modalitati de reducere a pierderilor. Se poate
concluziona ca atunci când semnalul de intrare are un numar întreg k
de perioade în intervalul de esantionare (dat de N si de
perioada de esantionare
), fenomenul de leakage nu apare; daca însa aceasta conditie nu este respectata apar scurgeri de
energie în toate punctele DFT.
Putem justifica afirmatiile de mai sus în felul urmator:
consideram un semnal de
intrare oscilatoriu de frecventa fixa
si de modul
unitar, deci vom considera un fazor unitar.
(18)
relatia (9) devine:
(19)
-
reprezinta o radacina de ordinul N a
unitatii, deci la fel va reprezenta orice putere întreaga a sa,
inclusiv
daca
. Sa presupunem ca avem
. Atunci relatia (21) devine:
(20)
Daca
(21)
Rezulta ca numai
pentru semnale de intrare armonice complexe cu frecventa multiplu al
frecventei
vom avea componente
spectrale nenule cu amplitudinea N, numarul de esantioane
Deoarece am considerat semnalul de intrare
(22)
observam ca la amplitudinea complexa contribuie în egala masura atât cosinusoida reala cât si cea complexa. Daca la intrare se amplica numai un semnal sinusoidal real sau numai un semnal sinusoidal pur complex, atunci relatia (21) devine

adica exact ce se specifica în relatiile (14) si (15).
Pentru întelegerea efectelor datorate fenomenului de leakage si pentru diminuarea acestor efecte este necesara cunoasterea formei amplitudinii DFT (raspunsul în amplitudine) atunci când intrarea este o sinusoida reala arbitrara. Raspunsul în amplitudine este o functie de tip sinus cardinal (sinc(x) = sin(x)/x). Daca de exemplu intrarea este un cosinus real cu k perioade pe intervalul de esantionare de N puncte, raspunsul în amplitudine este aproximat de o functie de tip sinc:
(22)
Reprezentarea grafica a raspunsului în amplitudine (22) pune în evidenta faptul ca spectrul discret este o aproximare a spectrului continuu dat de functia sinc, care contine un lob principal de înaltime N/2 si lobi secundari de amplitudini din ce în ce mai mici pe masura îndepartarii de lobul principal. Atunci când secventa de intrare are un numar întreg k de perioade pe intervalul de esantionare, fenomenul de leakage nu apare (Fig. 7), ceea ce nu se mai întâmpla daca frecventa semnalului de intrare nu mai este localizata într-una din frecventele de analiza ale DFT (Fig. 8).

Fig. 7. Amplitudinea DFT pentru k numar întreg de perioade

Fig. 8. Amplitudinea DFT pentru k un numar neîntreg de perioade pe intervalul de esantionare. Aparitia leakage-ului.
Din Fig. 8 se observa ca apar valori nenule ale amplitudinii DFT si în alte puncte diferite de cel asociat frecventei semnalului de intrare (desi acesta nu contine componente cu frecventele respective).
Diminuarea pierderilor DFT se poate realiza cu ajutorul ferestrelor temporale. Daca am reusi sa reducem amplitudinea lobilor laterali ai DFT se observa ca valorile nenule s-ar apropia mult de zero si efectul de leakage ar fi diminuat. De fapt, pierderile apar datorita unui numar N finit de puncte ale DFT, ceea ce revine calculului transformatei pentru o secventa finita de intrare. Aceasta secventa finita poate fi considerata ca fiind produsul dintre secventa infinita a semnalului de intrare si o fereastra rectangulara (numita si fereastra dreptunghiulara sau naturala sau boxcar). Totdeauna când calculam o DFT, implicit consideram acest produs dintre secventa si fereastra dreptunghiulara. Cauza aparitiei lobilor laterali în functia sinc o constituie chiar schimbarea abrupta de la începutul si sfârsitul ferestrei rectangulare. Pentru diminuarea pierderilor provocate în DFT de acesti lobi laterali trebuie micsorata amplitudinea lor utilizând alte tipuri de ferestre cum ar fi: fereastra triunghiulara, ferestrele Hanning, Hamming, Cebâsev, Kaiser etc. În Fig. 9 sunt reprezentate: secventa de intrare infinita (graficul este reprezentat cu linie continua desi valorile sunt discrete), fereastra rectangulara si rezultatul produsului dintre acestea. În Fig. 10 sunt reprezentate ferestrele de tip triunghiular, Hanning si Hamming.

Fig. 9. Aplicarea ferestrei rectangulare

Fig. 10. Tipuri de ferestre
Daca reprezentarea matematica a unei ferestre este notata cu w(n) (reamintim ca toate semnalele sunt discrete), DFT a produsului dintre fereastra si secventa de intrare este, conform relatiei de definitie (2):
(23)
Expresiile corespunzatoare ferestrelor reprezentate grafic în figurile anterioare sunt urmatoarele:
Fereastra rectangulara:
;
Fereastra triunghiulara:
;
Fereastra Hanning:
;
Fereastra Hamming:
.
Pentru evidentierea efectelor ferestrelor asupra DFT, se utilizeaza comparatii ale raspunsurilor în amplitudine (prin reprezentari logaritmice). Din analiza acestor comparatii se pot trage urmatoarele concluzii:
1. Valoarea lobului principal al raspunsului este redusa prin aplicarea ferestrelor fata de cazul ferestrei rectangulare (apare asa-numita pierdere de procesare).
2. Prin aplicarea ferestrelor amplitudinile lobilor laterali sunt reduse fata de cazul ferestrei dreptunghiulare.
3. Fereastra triunghiulara determina o scadere a amplitudinii lobilor laterali, dar latimea lobilor se dubleaza, ceea ce afecteaza rezolutia în domeniul frecventa.
4. În cazul ferestrei Hanning se constata o scadere rapida a amplitudinilor lobilor laterali.
5. La fereastra Hamming, primul lob lateral este cel mai mic fata de celelalte ferestre, dar scaderea lobilor urmatori este mai mica decât la fereastra Hanning.
Rezolutia DFT se poate creste prin aplicarea unei tehnici numita zero padding sau zero stuffing adica prin completarea cu zerouri. Acest proces consta în adaugarea unor esantioane nule la secventa de intrare originala astfel încât numarul de esantioane creste, si deci creste si rezolutia DFT. Trebuie remarcat faptul ca aceasta completare cu zerouri trebuie efectuata dupa aplicarea unei ferestre temporale si nu invers, ceea ce ar conduce la erori.
Într-adevar,
din relatia (19) se observa ca daca
, rezulta ca
chiar daca f0,
frecventa semnalului armonic de intrare, nu se regaseste exact
la nici una din frecventele multiplu al frecventei fT.
5.2. Reprezentarea fenomenului de leakage



Samples per frame: 64/1024 (nominal 256)
5.3. Analiza în frecventa a unui semnal sinusoidal cu ajutorul LabVIEW
LabVIEW contine functii specializate pentru aplicatii de analiza spectrala, functii care pot fi apelate din meniul Functions al ferestrei panou, submeniul Analysis
În continuare vom prezenta o aplicatie LabVIEW care permite analiza spectrala a unui semnal sinusoidal de tipul:
(24)
unde f0
este frecventa
semnalului, perioada sa fiind
, iar amplitudinea este unitara.
Rezolvarea acestei aplicatii permite tratarea similara a unor semnale mai complicate.
Semnalul sinusoidal va fi esantionat cu o
frecventa de esantionare
în N puncte, ceea ce înseamna ca avem un
interval de esantionare
. Prin calculul DFT se obtine spectrul semnalului
trunchiat printr-o fereastra dreptunghiulara care are
latimea data de intervalul de esantionare.
Fereastra panou a aplicatiei are aspectul din Fig. 8.
Fig. 11.
Fereastra panou contine controale
numerice care furnizeaza numarul de puncte N, frecventa
semnalului si numarul de perioade k, si doua
indicatoare grafice pentru semnalul de intrare si pentru spectrul
acestuia. Ţinând cont de faptul ca avem k perioade ale
semnalului pentru cele N esantioane, frecventa de
esantionare este data de
, iar rezolutia DFT (de unde rezulta si
frecventele de analiza) este
. Fereastra diagrama, care contine programul
propriu-zis al aplicatiei este prezentata în Fig. 9.
Fig. 9.
Continutul ferestrei diagrama este descris în continuare. Pentru obtinerea spectrului semnalului sinusoidal este necesara mai întâi sinteza acestuia. Se poate utiliza generatorul Sine Pattern.vi din biblioteca Signal Generation a meniului Analysis. Modul de utilizare a acestui generator se poate analiza prin apelarea Online Help din meniul aparent al obiectului din fereastra diagrama. Iesirea blocului este o secventa data de:
![]()
iar intrarea este secventa
![]()
unde
A este amplitudinea (implicit 1),
este faza
initiala (implicit 0), k este numarul de perioade
(implicit 1.0) si N este numarul de esantioane.
Prin urmare iesirea generatorului sinusoidal este o secventa de N puncte care este prelucrata de DFT. LabVIEW dispune de o biblioteca puternica de transformate Fourier disponibile în submeniul Digital Signal Processing al meniului Analysis. Pentru aplicatie a fost aleasa transformarea Fourier rapida (Fast Fourier Transform - FFT) pentru intrari reale Real FFT.vi. La intrarea acestui bloc se aplica secventa discreta a semnalului în domeniul timp si se obtine DFT (complexa) în domeniul frecventa. Algoritmul FFT impune ca numarul punctelor N sa fie o putere a lui 2.
Pentru reprezentarea grafica a rezultatelor obtinute se mai realizeaza o serie de prelucrari ale semnalului de intrare si ale iesirii DFT. Astfel, pentru generarea frecventei de esantionare (deci si a perioadei de esantionare) si a rezolutiei în frecventa este utilizata o structura de calcul Formula Node.
Pentru trasarea semnalului în domeniul timp se foloseste un obiect de tip Waveform Graph care accepta ca intrare un cluster (grup) care are ca elemente punctul initial din care se realizeaza plotarea (0 în cazul de fata), incrementul (Te) si vectorul care contine valorile semnalului. Se foloseste o scalare în milisecunde a axei timpului.
Trasarea spectrului presupune mai întâi calculul modulului (amplitudinii) DFT si apoi o eventuala normalizare a valorii amplitudinii. Astfel, daca se utilizeaza un bloc Quick Scale 1D.vi (submeniul Array Operations din Analysis) se realizeaza normalizarea secventei de numere prin împartirea la valoarea maxima din secventa. Prin urmare, amplitudinea maxima în cazul normalizarii acesteia va fi 1.0. Daca nu se utilizeaza normalizarea se obtin amplitudinile DFT nescalate.
Datorita proprietatii
de simetrie, informatia furnizata pentru
este redundanta,
asa ca prin utilizarea unor functii de tip Array subset
si Array size din meniul Functions, submeniul Array,
se pot plota doar primele N/2 puncte ale DFT.
Pentru trasarea spectrului se foloseste tot un obiect de tip Waveform Graph care are la intrare un grup cu elementele: punctul initial din care se realizeaza plotarea (0 în cazul de fata), incrementul = rezolutia în frecventa fe/N si vectorul care contine valorile amplitudinilor DFT. Se foloseste o scalare în kHz a axei frecventa.
Pentru verificarea aplicatiei s-a
realizat o rulare pentru N = 128 puncte (esantioane), k = 4
perioade si f0 = 1000 Hz (datele corespund unei
frecvente de esantionare fe = 32 kHz). Fereastra
panou pentru amplitudini nenormalizate este data în Fig. 10 (se
observa ca amplitudinea DFT este
).
Pentru evidentierea faptului ca analiza spectrala a determinat componenta semnalului de intrare de 1 kHz, în Fig. 11 este realizat un zoom pe aceasta frecventa. În Fig. 12 sunt prezentate rezultatele în cazul normalizarii amplitudinii DFT.
Rezultatele obtinute arata ca semnalul de intrare contine o singura componenta cu frecventa de 1 kHz, si se observa ca fenomenul de pierderi nu apare. Daca luam k = 4.4 perioade pe intervalul de esantionare se va observa aparitia fenomenului de leakage ce conduce la rezultate care pot fi interpretate eronat (Fig. 13.)
Fig. 10.
Fig. 11.
Fig. 12.
Fig. 13.
Pentru cresterea rezolutiei în domeniul frecventa se utilizeaza tehnica de zero padding. LabVIEW dispune, în biblioteca Digital Signal Processing, de instrumentul virtual Zero Padder.vi care permite adaugarea unor esantioane nule la semnalul initial astfel încât precizia în frecventa creste. La utilizarea unui singur instrument de tip Zero Padder precizia în frecventa se dubleaza. În Fig. 14 este prezentata fereastra Diagram a aplicatiei pentru cazul utilizarii a doua instrumente de tip Zero Padder (precizia este îmbunatatita de 4 ori, iar numarul initial de puncte este crescut de 4 ori).
Fig. 14.
Fig. 15.
Fereastra panou este cea din Fig. 15, iar în Fig. 16 este realizat un zoom care evidentiaza lobii functiei sinc.
Fig. 16.
3. Aplicarea ferestrelor temporale
Pentru realizarea unei analize spectrale care sa elimine pe cât posibil pierderile DFT trebuie utilizate ferestrele temporale prezentate în paragraful de notiuni teoretice. Biblioteca Digital Signal Processing a LabVIEW contine mai multe tipuri de ferestre, dintre care vom utiliza ferestrele de tip triunghiular, Hanning si Hamming.
Programul realizat este asemanator cu cel de la punctul 2, iar fereastra panou si fereastra diagrama sunt prezentate în Fig. 17 si Fig. 18.

Fig. 17.
Fig. 18.
Fata de aplicatia precedenta, se utilizeaza suplimentar o structura Case numerica, structura care permite alegerea uneia dintre cele 4 tipuri de ferestre: dreptunghiulara (echivalenta cu situatia din aplicatia precedenta), triunghiulara, Hanning si Hamming. În Fig. 19, 20, 21 si 22 sunt prezentate rezultatele obtinute prin aplicarea celor 4 tipuri de ferestre, fiind realizate zoom-uri în scopul compararii amplitudinilor lobilor laterali.
Fig. 19. Rezultate obtinute cu fereastra rectangulara
Fig. 20. Fereastra triunghiulara
Fig. 21. Fereastra Hanning
Fig. 22. Fereastra Hamming
4. Analiza Fourier în timp real
În cele ce urmează vom prezenta un instrument virtual care să facă analiza Fourier a unui semnal achizitionat de pe o placă de achizitii sau de sunet.
Panoul frontal se prezintă sub forma:

Se observă cum dispunem de două ferestre de afisare. Într-una se vizualizează semnalul temporal achizitionat, iar în cealaltă se afisează spectrul semnalului achizitionat.
O altă portiune a panoului frontal este dedicată setărilor plăcii de sunet. De asemenea, pentru analiza Fourier a semnalului achizitionat este nevoie să precizăm numărul de puncte în care se calculează transformata.
Pentru a afisa un semnal temporal din esantioanele obtinute de la placa de sunet, este nevoie să generăm o bază de timp. Aceasta se generează tinând cont de frecventa de esantionare a plăcii de sunet:

Această perioadă de esantionare, exprimată în milisecunde, reprezintă intervalul de timp dintre două esantioane succesive, deci va fi baza de timp pentru reprezentarea grafică a semnalului temporal.
În ceea ce priveste baza de frecvente, ea face apel tot la frecventa de esantionare a plăcii de achizitie. Fie N numărul de puncte în care se face calculul transformatei Fourier. Atunci intervalul între frecventele de analiză DFT este:
![]()
Aceasta este baza de frecventă pentru graficul care afisează spectrul semnalului achizitionat.
De
asemenea, se stie că amplitudinea spectrală creste de
ori, motiv pentru care
se scalează cu inversul acestei mărimi amplitudinile spectrale calculate.

După generarea bazelor de timp si de frecventă, se trece la achizitia semnalului într-o buclă while care se execută pe o perioadă de timp nedefinită.
Instrumentul SI CONFIG (Sound Input Configuration) este capabil să gestioneze un buffer pentru microfon.

Dimensiunea acestui buffer (implicit 8192 bytes) este gestionată de numărul de puncte în care se calculează FFT. În acest caz, după ce bufferul se umple cu N esantioane, acestea sunt transmise instrumentului Real FFT care face calculul transformatei Fourier în exect aceste N puncte. Mai departe se calculează amplitudinile spectrale si se afisează rezultatele.
Aplicatia 1. Testarea analizorului temporal si spectral cu ajutorul generatorului de semnale tipizate:
a) semnal periodic de tip dinte de ferestrău
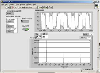
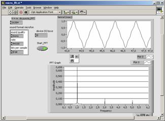
Se generează un semnal de tip dinte de ferestrău pe o durată de 7 secunde, sinteza făcându-se cu ajutorul a 3 armonici din dezvoltarea în serie Fourier.
După ce sunetul începe să se emită, se lansează în executie analizorul temporal si spectral. Acesta se opreste imediat ce se realizează stabilizarea rezultatelor, deci înainte de oprirea generatorului de sunet. Rezultatele sunt prezentate mai jos.


b) semnal periodic de tip dreptunghiular


c) semnal periodic de tip triunghiular


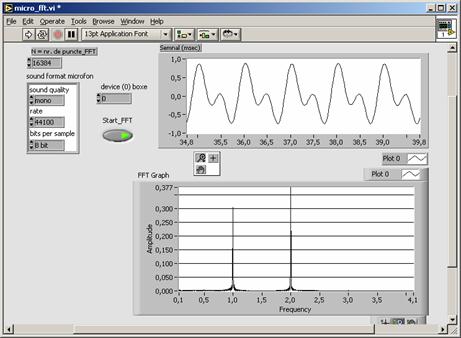
Aplicatia 2. Analiza semnalului audio generat de către generatorul de semnal generat de o relatia analitică.
Se poate genera un semnal cu ajutorul unei relatii analitice pe care o scriem într-o casetă specială de tip formula din cadrul generatorului virtual.
Spre exemplu, să generăm un semnal care va contine două armonici, una la 1000 de Hz si alta la 2000 Hz. Rezultatul experimentului este prezentat mai jos.


Se observă cum atât semnalul temporal cât si analiza spectrală este realizată cu o deosebită acuratete. Putem să mărim, spre exemplu, numărul de armonici la 4:


Aplicatia 3. Generarea si analiza spectrală a unui semnal modulat în amplitudine
a. Cu ajutorul acestui dispozitiv complex putem genera un semnal audio modulat în amplitudine, după formula:
![]()
Amplitudinea
Ap a semnalului purtător este modulată de către semnalul armonic
. Evident, se respectă relatia
.
![]()
Spectrul
semnalului modulat este centrat pe pulsatia semnalului purtător si
contine alte două pulsatii la valorile
respectiv
.
Dacă se foloseste frecventa maximă a plăcii, adică 44100 Hz, atunci putem modula semnale de frecventă destul de mare. Spre exemplu,


Se observă cum amplitudinile spectrale ale frecventele laterale sunt aproximativ un sfert din amplitudinea spectrală a pulsatiei purtătoarei, asa cum rezultă si din formulele de mai sus.
b. Se poate genera un semnal modulat în amplitudine sub forma:
![]()
Se observă cum în acest caz dispare pulsatia purtătoarei, deci vom avea numai pulsatiile laterale în spectru.

|