Documente online.
Zona de administrare documente. Fisierele tale
Am uitat parola x Creaza cont nou
 HomeExploreaza
upload
Upload




GRAFCET

tehnica mecanica


GRAFCET


10.1 Introducere 


In anul 1975 s-a constituit un grup de lucru numit AFCET, compus din cadre universitare, constructori din industrie si utilizatori de automatizari logice.



Dupa 2 ani de reflectii, acest grup a pus bazele diagramei functionale numita si GRAFCET.

Astfel, GRAFCET-ul (abreviere de la : Graficul Functional de Comanda Etape-Tranzitii) este un limbaj functional grafic, destinat pentru a preciza ciclurile si conditiile de functionare a unei masini automatizate.

Acesta permite redactarea caietului de sarcini a masinii, apoi ajuta la realizarea acesteia si in final constituie un ajutor important in exploatarea masinii, depanarea ei, precum si efectuarea eventualelor modificari care pot apare.



10.2 Simbolizarea si evolutia unui GRAFCET



Functionarea automatului poate fi reprezentata grafic prin ansamblul :

A-        actiunea de reintrae a tijei cilindrului

Cilindrul A se deplaseaza de la stanga la dreapta, iar piesa este impinsa in pozitia p2 ;

Cilindrul B se deplaseaza din partea inferioara in partea superioara;

Cilindrul A se retrage;

Cilindrul B se deplaseaza din partea superioara in partea inferioara, iar ciclul este astfel terminat.


Un poanson inferior fix C;

Un poanson superior A si o matrita B ;

Un subansamblu de punere pe pozitie a amestecului ;

Un subansamblu de evacuare a piesei comprimate.


Masina are urmatorul ciclu de lucru :


Matrita se afla in pozitia superioara a cursei ; poansonul inferior delimiteaza in partea lui superioara un spatiu suficient pentru a putea primi amestecul ce trebuie presat. Poansonul superior este in aceasta situatie in pozitia sa cea mai inalta, degajand matrita in partea superioara.

Cand amestecul de formare pentru comprimat este adus la locul lui, poansonul superior coboara, comprima materialul in matrita, apoi se ridica in pozitia cea mai inalta.

Matrita coboara pana cand poansonul inferior elibereaza piesa care s-a obtinut prin presare. Astfel piesa poate fi evacuata.

Matrita revine apoi in pozitia initiala si un nou ciclu poate reincepe.


Toate aceste actiuni nu pot fi obtinute decat daca se emite un ordin la un momentul dorit. Momentul dorit este determinat de informatiile provenite de la partea operativa.


Studiul partii de comanda


In faza initiala, consideram ca presa este oprita, fiind in asteptarea unei noi incarcari cu amestec de formare.

Matrita si poansonul sunt imobilizate si vor cobora abia dupa ce vor primi comanda de la automat care are informatia ca : « materia este la locul sau ».

Daca aceasata informatie este schimbata, dintr-o eroare, in timpul ridicarii poansonului, ea nu va avea nici un efect asupra comportamentului partii de comanda.

Putem spune astefel ca, automatul este « receptiv » la prima informatie, aceea ca « materia este locul sau » si nu este receptiv la cea de-a doua informatie.

Spunem ca partea de comanda ramane intr-o etapa atata timp cat comportamentul sau este constant.

Partea de comanda va ramane in aceasta etapa pana cand apar informatiile pentru care ea este receptiva, provocand astefel o tranzitie care va conduce la o noua etapa, unde aceasta va adopta un nou comportament.

Noi putem reprezenta functionarea unei parti de comanda ca o succesiune alternativa de etape si tranzitii.

In consecinta :

Fiecare etapa este o actiune efectuata ;

La fiecare tranzitie, informatiile permit apelarea receptivitatii, sub forma unei conditii logice.

Vom avea astfel :


Etapa 1: actiune: punerea pe pozitie a amestecului de formare;

Tranzitia 1-2 : receptie : amestecul de formare este pe pozitie si porneste

GRAFCET de nivelul 1 :





Legaturile dintre etape si tranzitii si invers intre tranzitii si etape ;

Etapele si actiunile lor asociate ;

Tranzitiile si receptiile asociate lor.






GRAFCET de nivelul 2


GRAFCET-ul de nivelul 1 nu prezinta nici un aspect functional, nici o implicatie tehnologica : de exemplu noi nu stim cum dam fizic ordinul de coborare al poansonului si nici cum ne asiguram ca piesa este evacuata.

Convenim, acum, sa precizam modul in care se face actionarea si captarea informatiei :

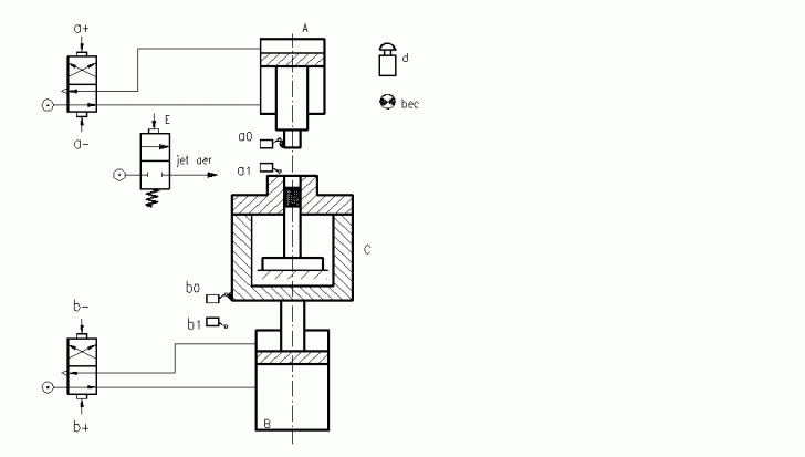
Punerea materialului pentru presat se face manual, de catre operator. Becul B este aprins pe toata durata alimentartii cu material. Cand se incheie alimentarea, becul se va stinge iar operatorul va autoriza operatia urmatoare prin apasarea butonului d.

Miscarea poansonului superior si a matritei sunt efectuate cu ajutorul unui cilindru hidraulic cu dublu efect.

Pozitia de sus si de jos a poansonului si a matritei sunt controlate cu ajutorul captorilor de final de cursa (a0, a1, b0, b1)

Evacuarea piesei este obtinuta cu ajutorul unui jet de aer mentinut cateva secunde. Acest jet de aer este comandat de electrovana E.

Fig.11


Este foarte comod in practica sa prezentam sub forma de tablou informatiile si actiunile de la partea de comanda.

Astfel, se intocmeste GRAFCET-ul de nivel 2.

Ordine 

Ordin catre operator : B = bec pregatit ;

Comanda actionarilor: a+ = coborare poanson

a-     = ridicare poanson

b-    = coborare matrita

derulare ciclu:     d = autorizare pornire ciclu

final de cursa al actionarilor : a1 = pozitie sus poanson

ft1 = final de temporizare evacuare piesa


intelegere rapida si usoara a functionarii masinii de catre tehnicieni, fara a cunoste in prealabil dosarul tehnic ;

in cazul evolutiei procesului de fabricatie se pot face, relativ repede, modificarile necesare ;

in cazul unui incident in functionare, localizarea anomaliei se poate face practic imediat.















Document Info


Accesari: 4647
Apreciat: hand-up

Comenteaza documentul:

Nu esti inregistrat
Trebuie sa fii utilizator inregistrat pentru a putea comenta


Creaza cont nou

A fost util?

Daca documentul a fost util si crezi ca merita
sa adaugi un link catre el la tine in site


in pagina web a site-ului tau.




eCoduri.com - coduri postale, contabile, CAEN sau bancare

Politica de confidentialitate | Termenii si conditii de utilizare




Copyright © Contact (SCRIGROUP Int. 2025 )