I N D U C T O A R E
1. Scopul lucrarii: Stabilirea caracteristicilor principale ale componentelor pasive de tip inductor, precum si evidentierea factorilor de influenta a acestora.
2. Notiuni teoretice: Alaturi de condensatoare, care sunt capabile sa acumuleze energie electrica, inductoarele reprezinta componentele pasive capabile sa acumuleze energie magnetica. Īn consecinta, in anumite conditii (trebuie sa fie parcurse de curent), inductoarele sunt īn stare sa produca un cāmp magnetic asemanator celui produs de un magnet.
d, marime ce reprezinta raportul dintre puterea activa si puterea reactiva din inductor.
(3)
Inversul marimii tg d reprezinta factorul de calitate al inductorului. El se noteaza cu Q si este, īn general, mai des utilizat īn caracterizarea pierderilor unui inductor.
este proportionala cu factorul de calitate al circuitului. Rezonanta circuitului se obtine cānd tensiunea pe condensator este maxima. Practic, la aparat se poate observa rezonanta īn momentul īn care instrumentul indica valoarea maxima īn urma modificarii capacitatii condensatorului variabil sau a frecventei generatorului.
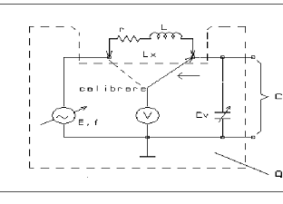
Fig. 1 Schema electrica de principiu a Q-metrului.
(5)
unde:
w este pulsatia la care se calculeaza La;
(7)
unde:
n este raportul dintre cele doua frecvente la care s-a obtinut rezonanta circuitului (pentru CV1, respectiv CV2);
a īn mod deosebit asupra factorilor de influenta ai acesteia. Īntelegerea corecta a fenomenelor fizice legate de acest tip de componenta pasiva duce la stapānirea ulterioara a situatiilor delicate ce privesc mai ales lucrul īn domeniul frecventelor īnalte. Un exemplu de modificare a schemei electrice ca urmare a structurii reale (ce ia nastere datorita efectelor parazite de tip disipativ, inductiv si capacitiv) este cel prezentat īn figura 3.
Situatia prezentata apare datorita faptului ca īn proiectare elementele ce interconecteaza componentele īn vederea alcatuirii unei scheme electrice se considera ca fiind nule din punct de vedere disipativ, inductiv si capacitiv.
5. Īntrebari:
1. Cum depinde inductanta de elem/entele constructive ale inductorului (lungimea de bobinare, sectiunea bobinajului, numarul de spire)? Īncercati sa faceti o comparatie īntre relatia matematica teoretica studiata īn liceu si relatia aproximativa ce ar putea fi conturata īn urma masuratorilor realizate īn cadrul lucrarii de fata.
Raspuns:
Din relatia matematica a inductantei unei bobine L = mN2S / l rezulta o crestere direct proportionala a inductantei cu permeabilitatea mediului, numarul de spire si suprafata si una indirect proportionala cu lungimea bobinei respective. Masuratorile practice realizate in cadrul laboratorului s-au bazat pe formula (8) ce calculeaza inductanta aparenta a unei bobine la o frecventa de rezonanta fr si o capacitate de acord CV.
2. Īn ce conditii efectul secundar capacitiv prezent la un inductor influenteaza mai putin functionarea acestuia? Cautati solutii pentru micsorarea acestui efect nedorit.
Raspuns:
Efectul secundar capacitiv influenteaza mai putin functionarea functionarea unui inductor daca bobina este folosita la frecvente mici.
3. Īn ce masura carcasa pe care se realizeaza bobinarea (suportul de bobinare) influenteaza parametrii inductorului? Precizati care din ei.
Raspuns:
Carcasa influenteaza inductanta bobinei prin modificarea permeativitatii mediului.
4. Pentru ce frecvente inductorul functioneaza ca un condensator (datorita efectului capacitiv preponderent)?
Raspuns:
Inductorul functioneaza in regim de condensator daca frecventa de lucru este mai mare decat frecventa de rezonanta.
7. Stabiliti o schema electrica echivalenta pentru un traseu singular de cablaj imprimat.
Raspuns:

Schema este formata dintr-o rezistenta si
o bobina legate in serie (datorita rezistivitatii materialului, respectiv a
campului electromagnetic creat de acesta) si un condensator legat in paralel
(in cazul unui traseu nelinear pot aparea capacitati intre anumite portiuni ale
circuitului) .
8. Care este motivul pentru care īn domeniul frecventelor ultraīnalte (UIF) se utilizeaza de regula componente fara terminale sau cu ele foarte scurte?
Raspuns:
Terminalele prea lungi genereaza un camp electromagnetic ce le confera un statut de bobina, modificand astfel functionarea montajelor.
9. De ce inductoarele care iau nastere īn mod nedorit (inductoare parazite) nu trebuie trecute cu vederea ?
Raspuns:
Inductoarele parazite pot modifica functionarea circuitului schimbandu-i caracteristicile prin inducerea unor campuri electromagnetice suplimentare.
10. Capacitatea parazita a unei bobine depinde de:
1) izolatia conductorului de bobinaj.
2) forma bobinei.
3) distanta dintre spirele bobinei.
4) suportul de bobinare.
11. Schema electrica echivalenta a unui inductor:
1) este un montaj de laborator.
2) este un circuit de masura prezentat īn cataloage.
3) reprezinta o īncercare a fabricantilor de inductoare de a minimiza efectele parazite ce apar īn īnalta frecventa.
4) reprezinta o schema electrica echivalenta ce modeleaza un inductor real.
12. Inductorul:
1) tinde asimptotic spre inductorul ideal odata cu cresterea frecventei.
2) se īndeparteaza de inductorul ideal odata cu cresterea frecventei.
3) se manifesta īn functionare doar ca element disipativ de energie.
4) are flux de scapari, pierderi ohmice si pierderi magnetice.
13. Inductanta aparenta paralel:
1) poate fi identificata īn c.c. cu inductanta echivalenta.
2) ia valori extrem mari īn modul īn apropierea frecventei proprii de rezonanta a inductorului.
3) este negativa pentru frecvente mai mari decāt frecventa proprie de rezonanta.
4) are o valoare fixa ce poate fi obtinuta masurānd inductorul cu orice punte de JF.
|