INSTALATII DE GUVERNARE A NAVELOR
5.11.1. Destinatie si cerinte generale
Instalatiile de guvernare a navelor au rolul de a asigura respectarea drumului impus navei, prin aplicarea la comanda a unor momente verticale de rotire, care actioneaza simultan cu forta axiala de propulsie.
O instalatie de guvernare este formata dintr-un element de comanda (timona), o transmisie de comanda, o masina de forta (masina carmei), o transmisie de forta si unul sau mai multe elemente de executie, organele de guvernare (de exemplu carmele).
Conditii generale impuse instalatiei de guvernare:
sa asigure forta laterala necesara giratiei navei si sa mentina valoarea ei pana la urmatoarea comanda;
valoarea fortei laterale trebuie sa fie obtinuta intr-un anumit timp impus;
la organul de comanda trebuie sa fie asigurat controlul elementului de executie (de exemplu, unghiul de bandare a carmei pasive sau active);
in transmisia de forta trebuie prevazuta posibilitatea limitarii fortei laterale, pentru a nu distruge organele transmisiei;
sa aiba siguranta mare de functionare, realizata prin existenta unei actionari de avarie.
5.11.2. Organe de guvernare
Forta laterala necesara guvernarii navei pe traiectoria dorita se realizeaza cu ajutorul organelor de guvernare.
In functie de modul de obtinere a acestei forte, se deosebesc:
organe de guvernare pasiva, care realizeaza forta laterala necesara guvernarii, folosind curentul de apa intalnit de nava in deplasare;
organe de guvernare activa , care realizeaza forta laterala necesara guvernarii prin transformarea ene 15515j911p rgiei mecanice pe care o primesc direct si special pentru guvernare.
a
rw , pe carma de suprafata Sc bandata cu unghiul a, conform teoriei lui Jukovski, apare o forta laterala (portanta) Py, perpendiculara pe vectorul vitezei curentului de apa intalnit, de marime Py=CycScrwv2/2, in care Cyc este coeficientul de portanta a carmei, care depinde de unghiul de bandare si de forma profilului.
Carma pasiva este cel mai simplu organ de guvernare,
utilizat la marea majoritate a navelor; are insa dezavantajul ca forta laterala
Py depinde de viteza navei. Atunci cand nava trebuie sa manevreze in locuri strimte (cheuri, bazine
portuare) eficienta carmei este foarte redusa sau chiar nula. Pentru aceste situatii de exploatare anumite
tipuri de nave trebuie sa aiba organe de guvernare activa, a caror eficienta sa
nu depinda de viteza de mars a navei.
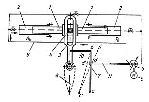
Carma activa este un organ de guvernare activa , format dintr-un profil simetric fata de coarda sa, inclinabil in jurul unui ax vertical, plasat in planul diametral al navei, in pupa acesteia, profil al carui bord de fuga este atasat un propulsor suplimentar (fig.44) a carui impingere este orientabila odata cu safranul carmei. Carma activa realizeaza moment de giratie nenul, indiferent de viteza navei.
La o astfel de instalatie de guvernare timonierul poate comanda doar intrarea in functiune a masinii de carma 3, trebuind sa urmareasca la axiometrul 7 unghiul de bandare al carmei. Cand aceasta a realizat unghiul dorit, timonierul trebuie sa anuleze comanda data initial, oprind functionarea masinii de carma. Necesitatea urmaririi permanente a axiometrului micsoreaza eficienta conducerii instalatiei de guvernare, timonierului reducandu-i-se mult posibilita-tile de a urmarii evolutia navei in giratie.
In fig.48 este reprezentata schema bloc a instalatiei de guvernare cu comanda in circuit inchis, formata din timona de comanda 1, elementul comparator 2, masina de carma 3, organul de executie (carma) 4, transmisia de comanda 5, transmisia de forta 6, legatura inversa (reactia) 7, transmisia de control 8 si axiometrul 9. Prin transmisia de comanda 5, care poate fi mecanica, hidraulica sau electrica, timonierul comanda unghiul de bandare a. Prin rotirea timonei la unghiul dorit, aceasta marime unghiulara de intrare aI este pastrata in forma ei initiala sau este transformata intr-o alta marime mecanica (de exemplu, deplasarea liniara), electrica (intensitate sau pensiune) sau hidraulica (presiune), cu care va opera elementul comparator 2. La acelasi element comparator este racordata si legatura inversa 7, care transmite informatia de pozitie a unghiului de bandare a carmei, care constituie marimea de iesire ae , pe care legatura inversa trebuie s-o furnizeze intr-o forma de energie de aceeasi natura (mecanica, electrica sau hidraulica) pentru a putea calcula diferenta aI ae . elementul comparator 2 permite transmiterea comenzii spre masina de carma 3 atat timp cat aI ae 0, anuland-o atunci cand s-a ajuns la aI ae=0. Carma se opreste la unghiul de bandare comandat aI , fara interventia supli-mentara a timonierului.

5.11.4. Actionarea instalatiilor de guvernare
In functie de marimea momentului necesar la arborele carmei, actiona-rea instalatiilor de guvernare poate fi manuala, electromecanica sau electrohi-draulica. In cazul actionarii manuale, lipsesc transmisia de comanda si masina de carma, intre timona de comanda si carma existand doar o trnsmisie de forta, care poate fi mecanica, prin trote, lanturi sau elemente rigide (parghii si tije) sau hidrostatica, cu hidromotor actionat direct de la timona. Datorita simplitatii sale, aceasta actionare este utilizata si ca sistem de avarie pentru guvernarea navelor mari.
5.11.4.1. Conditii impuse masinii de carma
Masina de carma are rolul de a realiza momentul necesar de actionare a carmei, conform comenzilor primite de la timona. Ea trebuie sa satisfaca urmatoarele cerinte:
pornirea masinii de carma trebuie sa se realizeze cu ajutorul timonei, indiferent de pozitia carmei;
masina de carma trebuie sa fie reversibila, pentru a permite deplasarea carmei in cele doua borduri;
carma trebuie sa se roteasca in acelasi sens cu timona;
la oprirea timonei trebuie sa se opreasca si masina carmei si, in acelasi timp, trebuie sa inceteze deplasarea carmei;
in pozitiile extreme corespunzatoare unghiurilor maxime de bandare, masina de carma trebuia sa opreasca automat;
masina de carma trebuia sa poata fi comandata din mai multe locuri, sa functioneze silentios si sa aiba siguranta mare de functionare.
5.11.4.2. Instalatii de guvernare cu actionare electromecanica
Folosesc electromotoare de curent continuu sau alternativ, raportul total de transmitere al instalatiei fiind i=2000 . 4000. Este preferata actionarea in curent alternativ, datorita maselor si gabaritelor mai reduse, simplitatii constructive si exploatarii mai facile. La instalatiile de guvernare cu actionare electromecanica, transmisiile de comanda sunt electrice, iar legatura inversa se realizeaza cu traductoare unghiulare electrice, selsine. La capetele de cursa sunt dotate cu limitatori electrici, care actioneaza cu (2 . 3) inainte de limitatorii mecanici, intrerupand alimentarea electromotorului de actionare.
Transmisiile de forta ale acestor instalatii sunt mecanice, cu arbori, parghii sau roti dintate.
5.11.4.3. Instalatii de guvernare cu actionare electrohidrostatica
Au avantajele instalatiilor electrice: simplitate constructiva, gabarit redus si se automatizeaza usor. Spre deosebire de instalatiile electrice, insa, nu au statii automate pentru comanda electromotorului de actionare, functioneaza silentios, au fiabilitate mare si pot transmite momente mult mai mari de catre instalatiile electrice. Actionarea hidrostatica a instalatiilor de guvernare se realizeaza cu hidromotoare liniare, orizontale sau verticale (cu piston si surub) si cu hidromotoare oscilante. In schema de actionare se utilizeaza pompe hidrostatice cu pistonase axiale sau radiale, cu debit variabil, antrenate de electromotoare de curent alternativ, fara inversare de sens.
Excentricitatea necesara a pompei cu debit variabil se obtine cu ajutorul transmisiilor care pot fi mecanice, electromecanice sau hidrostatice.
5.11.4.3.1. Masini
de carma cu hidromotor liniar . Sunt realizate cu ajutorul unor perechi de
hidromotoare liniare cu simplu efect, cu axe orizontale, care actioneaza asupra
echei de carma prin intermediul unor pietre de culisa. In fig.49 este
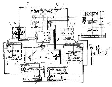
reprezentata schema unei masini de carma cu o pereche de hidromotoare liniare
cu simplu efect (1- piston; 2- cilindru; 3- eche; 4- piatra de culisa; 5- pompa
cu debit variabil; 6- electromotor de actionare; 7- bara de comanda; 8- carma;
9- conducte hidrostatice; 10- bara legaturii inverse; 11- tija

de comanda a pompei; c- element de comanda).
![]() |
Fig.50.
In vederea reducerii timpilor de stationare la aparitia unor defectiuni in instalatia hidraulica, prin constructie au fost prevazute urmatoarele:
in perioada in care masina este necomandata, pistoanele raman blocate in pozitia comandata anterior, datorita supapelor duble cu deblocare hidraulica 8.1;
la aparitia unei pierderi de ulei, grupul principal de pompare aflat in functiune se opreste automat, datorita controlarii permanente a presiunii cu ajutorul presostatului 9.1, reducandu-se astfel pierderile de ulei;
daca pierderea de ulei apare intre grupul de pompare si blocul hidraulic principal 7, masina poate fi pusa in functiune prin actionarea celui de-al doilea grup principal; daca acesta nu intra in functiune, inseamna ca pierderea de ulei se produce intre blocul principal 7 si unul dintre hidromotoarele liniare 1; masina poate fi repusa in functiune dupa intreruperea circuitului cu pierderi, prin actionarea robinetului 7.1 si izolarea cilindrului aferent cu ajutorul robinetului 8.2;
masina de carma poate fi actionata prin grupul auxiliar, fara nici o interventie suplimentara in instalatia hidraulica.
5.11.4.3.2. Masini
de carma cu hidromotor oscilant. Sunt constituite dintr-un hidromotor cu
2.4 perechi de paleti rigizi, incastrati pe rotor si stator. In fig.51 este
prezentata schema de principiu pentru actionarea hidrostatica cu hidromotor
oscilant a instalatiei de guvernare a mineralierului romanesc de 12000 tdw (1-
hidromotor oscilant; 2- pompa de debit variabil cu pistonase radiale; 3- pompa
liniara de reactie; 4- pompa liniara a transmisiei de comanda; 5- transmisie
mecanica de comanda cu cremaliera; 6- armaturi de avarie; 7- timona; 8-
hidromotor liniar al transmisiei de comanda). Armaturile de avarie 6 raman
inchise la regimul normal de actionare electrohidrostatica si se deschid manual
in regim de avarie, cand actionarea instalatiei se face annual, pompa

liniara 4 devenind pompa de actionare a transmisiei de forta.
5.11.5. Tehnologia de probare
Probarea la cheu a instalatiilor de guvernare are ca scop descoperirea eventualelor deficiente de montaj sau executie, pentru a mari siguranta de functionare la iesirea pe mare.
La cheu se verifica timpii de bandare, se regleaza supapele hidraulice si se verifica limitatorii electrici si mecanici ai penei carmei.
In mars se verifica axiometrele, timpii de bandare a carmei la viteza nominala a navei, presiunile in circuitele de actionare hidrostatica si intensitatile curentilor electrici de actionare a electromotoarelor. Aceste valori pot fi obtinute grafic pe un inregistrator cu doua canale folosind doi traductori electrici de presiune si intensitate, in timp ce tamburul inregistrator este legat mecanic de arborele carmei. De asemenea, se verifica functionarea sistemului de urmarire si de comanda prin butoane si se realizeaza un regim de functionare a instalatiei de guvernare cu 350 bandari/ ora. In final se verifica comportarea instalatiei de guvernare la mars inapoi cu toata forta si carma bandata la maximum intr-un bord si se determina unghiul limita de manevrabilitate. Se verifica, de asemenea, calitatile de manevrabilitate ale navei, determinandu-se, la toata viteza si la viteze intermediare ale navei, diametrele de giratie, la bandarea brusca a carmei intr-unul din borduri. De asemenea se determina stabilitatea de drum a navei pentru diverse regimuri de mars, precum si functionarea carmei in regim de pilot automat.
5.11.6 Exploatarea instalatiilor de guvernare
Se desfasoara pe baza instructiunilor din cartea tehnica, urmarind ca masina de carma sa functioneze fara zgomote si la parametrii proiectati. La intervalele stabilite pentru andocare, se verifica starea safranului si a arborelui, precum si uzura in lagare. Distanta axiala inferioara dintre balamaua carmei si etambou, sau dintre carma si calcaiul ei trebuie sa fie maxim 5 mm.
Avarierea carmei sau arborelui sau in exploatare se pot datora coroziunii marine, fisurarii invelisului sau deformarii permanente a arborelui. Cuplajul dintre arbore si safran poate fi avariat din cauza corodarii sau ruperii bolturilor.
|