INSTALATII - FRIGORINSTALATII FRIGORIFICEICE
CAPITOLUL 1 NOTIUNI GENERALE
Cap 1.1 Obiectul si continutul cursului ;Rolul industriei frigului
Cursul de inst frig are ca obiect analiza metodelor ssi proceselor de prelucrare acalduriide la corpuri solide lichide si gazoase aflate la temperaturi mai scazute decat temperatura mediului ambiant
Inst frig este un sistem de masini aparate AMC-uri si conducte dispuse intr-o anumita ordine functionala care are rolul de a extrage caldura de la un potential termic mai scazut (corpurile mai reci) si de a o evacua la un potential termic mai ridicat (corpul mai ridicat ) Conform principiului 2 al termodinamicii caldura nu trece de la un corp mai rece la un corp mai cald ci invers de la cald la rece. Astfel rezulta ca pt a raci un corp trebuie sa realizam conditi de transfer al caldurii specinstalatii frigorificeice unei inst frig (prin incalzirea agentului frigorinstalatii frigorificeic lichid si vaporizarea lui la presiunea si temperatura necesara pt asigurarea frigului in spatiul racit

K –compresor
C-condenasator
V-vaporizator
VL-ventil de laminare
Pt a raci spatial in care montam vaporizantul a inst frig trebuie ca in inst frig sa utilizam un fluid (agent frigorinstalatii frigorificeic ) cu propr specinstalatii frigorificeice care la o presiune scazuta are temperatura de fierbere foarte coborata. De exemplu agentul are temperatura de fierbere de -30 grade C si asigura racirea unui spatiu frigorinstalatii frigorificeic la -20 grade C
Procese reale din orice inst frig sunt ireverisibile dar apropiate de cele teoretice
Procese specinstalatii frigorificeice functionarii inst frig:
a)comprimarea vaporilor este procesul de micsorare a volumului unui gaz cu marirea corespunzatoare a presiuni acestuia sub actiunea uneu forte exterioare. De obicei este un proces politropic descris de ecuatia pV la n =ct. In cazul procesului adibatic ec pV la k =ct ;K=Cp/Cv
b)laminarea este peocesul de scadere a presiuni unui fluid la trecerea printr-o ingustare a sectiunii de curgere. In general S suprafata ventilului de laminare Svl≤20%S conductei
E considerata o transformare izentalpica I=U+pV=ct
c) vaporizarea (fierberea) este procesul de transformare de faza in care fluidul trece din faza lichida in faza de vapori pe baza calduri primate. Fierberea reprezinta vaporizarea in toata masa fluidului, nu numai la suprafata sa.
d)Condensarea este procesul de transformare de faza in care fluidul trece din starea de vapori in starea lichida pe bvaza calduri cedate in exterior
Ambele procese (vaporizare si condensare) au loc la presiune constanta si temperatura constanta.
In societatea moderna industria frigului are un rol deosebit de important datorita numeroaselor aplicatii in dinstalatii frigorificeerite domenii de activitate. Printre cele mai importante sunt :
1)conservarea alimentelor prin frig pana la durata de ani de zile
2)obtinerea parametrilor de confort al aerului din locuinte si birouri
3)asiguarea temperaturi necesare proceselor de sinteza din industria chimica
4) racirea si inghetarea solului in zonele cu pnza freatica ridicata pt realizarea unor unor constructi , foraje tuneluri poduri
5)asigurarea conditiilor de prelucrare a caciucului si fibrelor textile
6) producera unor temperature foarte saczute pt cercetare fizica, medicina, inginerie genetica
7)in domeniul casnic pastrarii calitatii alimentelor cu ajutorul frigiderelor si congelatoarelor.
Unitatile de masura a energiei si puterii folosite sunt:
1 Kcal/h=4186J/3600s=1, 162(1, 163)W
1W=1/1, 162=0, 86Kcal/h=1W=860Kcal/h
1 BTU(British Thermol Unit) reprezinta cantitatea de caldura necesara pt incalzirea unei mase de 1 pound (o livra) cu 1 grad Farenz in conditii normale de temperatura si peresiune
1 lb =0, 45392Kg≈0, 454Kg
1BTU=0, 454·1/1, 8Kcal=0, 252Kcal (energie)
1Kcal=1/0, 252=3, 968(3, 965)BTU
1BTU=0, 252Kcal=1055J=1, 055KJ
1”=1 incg=25, 4mm
1 foot=304, 8m
Putere
1BTU/h=0, 252Kcal/h=0, 252·1, 162W=0, 293W
1W=1/0, 293BTU/h=3, 412(3, 413_)BTU/h
1BTU/h=0, 252Kcal/h
Cap 1. 2 METODE DE OBTINERE A FRIGULUI ARTINSTALATII FRIGORIFICEICIAL
Procedeele de obtinere a frigului pot fi termodinamie, electrice, magnetice
si prin procese
1) Procedeele termodinamice pot fi deschise sau inchise
1.1 procedeele deschise (au schimb de masa si energie cu mediu ) sunt prin evaporararea apei in turnuri de racire si prin amestecuri refrigerent (apa+sol) care nu ingheata pana la o anumita temperatura
1.2 cele inchise care se caracterizeaza numai prin schimb enegetic cu mediu si care sunt in principal :
1.3 –comprimarea de vapori in compresoare mecanice
comprimarea in ejectoare (inst frig cu ejectie de vapori reci)
comprimarea cu compressor termochimic (la inst frig cu absorie)
destindere de gaze comprimate intr-un organ de laminare
destindere de gaze comprimate intr-un camp centrinstalatii frigorificeugal
2)Procedeele electrice si magnetice
- prin efectul de racire tensioactiv
- efect magnetoelectric
-demagnetizarea adiabatica
Procedeele termodinamice sunt folosite in proportie foarte mare fiind cele utilizate la nivel industrial si casnic. Dintre acestea cele inchise sunt:easemenea majoritare. Ele folosesc agenti frigorinstalatii frigorificeici si sunt inst frig sub presiune. Racirea termoelectrica se folosest la constructia frigiderelor care au posibilitatea de utilizare si ca pompe de caldura a unor termostate
Cap 1. 3 Procedee de conservare a alimentelor cu ajutorul frigului
Calitatea produselor alimentare se determina prin analize de laborator care stabilesc modinstalatii frigorificeicarile suferite de acestea (fizice, chimice, biochimice). Microorganismele existente in produsele alimentare (bacterii, mucegaiuri, virusuri) produce degadarea acestoa prin pierderea calitatilor nutritive, organoleptice(gust, miros) de conservabilitate (de pastrare), alterarea lor, transmiterea unor boli sau provocarea unor toxiinfectii alimentare a oamenilor . De aceea este necesara depozitarea si pastrarea lor in conditii cat mai igienice si sigure. In general temperaturile scazute induc activitatea microorganismelor existente pana la intrerupere, la temperature mai mici de -22 grade C evitandu-se astfel degradarea produselor alimentare dar pt eliminarea lor sunt necesare masuri igienice corespunzatoare. La produsele supuse racirii se produc si modinstalatii frigorificeicari naturale de natura fizica (pierdere in greutate datorita dezhidratarii, modinstalatii frigorificeicarea culorii, formei) de natura chimica si biochimica.
In general procedeele de conservare prin frig a alimentelor sunt:
1. racirea lor latemp cuprinse intre 0 – 4 grade C aproape de temp de inghet a licidelor din alcatuirea lor. Se pastreaza intre 4 – 10 zile max
2. Sub-racirea la temp situate cu 1 – 1, 5 grade C subtemp de inghetare
3. Congelarea lor in cazul in care temp intreaga a produsului nu depaseste – 8grade C
Intervalele de congelare uzuale:
(-10 -12 grade C) ; (-12 -15 grade C) ; (-15 -18grade C) in INSTALATII FRIGORIFICE mici mijlocii si mari si de (-18 -22grade C -25grade C) si de t<(-22 -25grade C) t ≈ - 30 -40grade C in depozite frigorinstalatii frigorificeice
La temp mai mici de -22grade C inceteaza activitatea bacterilor variatia entropiei DS scade proportional cu temp si permite pastrarea alimentelor pe durate de ordinal anilor. In particular temp de congelare se allege in functie de tipul produsului si de perioada stabilita pt depozitare care creste o data cu scaderea temperaturii. Caldura de extras de la per de racit sau congelat se poate calcula cu formula; a = m(Li – instalatii frigorifice)k sin a = Σ i=1 Q;a1 este masa
Q2- cald extrasa prin inghetare
Q3-cald extrasa pentru subracire
Temp produselor de la sfarsitul congelarii se masoara cu termometru care indica temp din interior. Perioada de congelare variaza in functie de produs astfel la -18 grade C este:
Pt fructe 10-12 pt legume 12 luni pt dulciuri 6luni
In majoritatea cazurilor pt a se reduce procesul de dezghetare aerul introdus de inst de alimentare trebuie sa aibe mase l>90 grade C. Deasemeni si in afara temp se controleaza si viteza, continutul de gaze. Congelarea produselor alimentare se poate realize prin 3 metode:
1) Prin senfundare in agent frigorinstalatii frigorificeic si fierbere(racire directa)
2) Prin senfundare in lichide folosite la agenti de racire
3) Prin racire in aer ca agent pastrator de frig(racire indirecta)
Totaliatea indatoriilor si spatiilor frigorinstalatii frigorificeice de la producator la consumator folosite pentru conservarea produselor alimentare poarta denumirea de lant frigorinstalatii frigorificeic. Lantul frigorinstalatii frigorificeic primeste de la producator in mijloacele de trans apoi in frigorinstalatii frigorificeerele de stocare in cele de pastrare si desfacere in mijlocul de transport la consumator si in frigiderele si congeloatoarele cosmice. Exista un lant frigorinstalatii frigorificeic pt produsele refrigerate si un lant frigorinstalatii frigorificeic pt produsele congelate. Deasemeni fiecare produs sau categoriide produse conservate prin frig are un lant frigorinstalatii frigorificeic propriu. Calitatea produselor congelate determinate de numerosi factori printer care:-calitatea aerului introdus, distributia acestuia in interiorul frigorinstalatii frigorificeerului compabilitatea de depozitare a produselor.
Capitolul 2 MATERIALE SI AGENTI FRIGORINSTALATII FRIGORIFICEICI UTILIZATI IN I. F.
Capitolul 2. 1 Agenti frigorinstalatii frigorificeici principali;Exemple caracteristici tendintein domeniu
Agentii frigorinstalatii frigorificeici sunt fluide care evolueaza intr-o I. F, cu rolul de a transporta Q(caldura) de la sursa rece la sursa calda. Pentru a putea fi utilizati in acest scop agentii frigorinstalatii frigorificeici trebuie sa indeplineasca o serie de conditii:tehnice, tehnologice, economice, ecologice cum a fi:
1) Inlflexibilitate fata de corpul uman si fata de mediu
2) Sa nu cirodeze metalele din constructia INSTALATII FRIGORIFICE cu care vine in contact
3) Sa nu fie inflamabile sis a nu prezinte pericol de explozie
4) Sa aibe presiuni moderate de lucru la temp de condensare uzuale
5) Sa aiba o eficienta frigorinstalatii frigorificeica cat mai mare Ef=q0/lcorp
6) Sa aiba volumul vaporilor si cald specinstalatii frigorificeica a licidului l mec specinstalatii frigorificeic
7)Sa aiba conductivitate termica buna, punct de congelare scazut, punct ridicat si caldura de vaporizare cat mai mare.
8)Sa aiba vascozitate mica si al temp scazute
9)Sa aiba prêt de protectie redus is sa permita o aprovizionare usoara
10)Sa aiba raporturi de comprimare la pres folosite cat mai mici
11)Sa aiba compozitie chimica stabile stat la temp mari cat si scazute
Principalii agenti frigorinstalatii frigorificeici folositi sunt:
1) Amoniacul(NH3-R717) e cel mai utilizat agent datorita caldurii mari de vaporizare sensibilitatii reduse fata de apa si impuritati posibilitatii de depistare usoara cu ajutorul presiunilor de lucru nu foarte mari(12-14at) inofensivitatii fata de mediu. E insa toxic si inflamabil scaparile se detecteaza dupa miros si cu dioxid de sulf SO2. E folosit in INSTALATII FRIGORIFICE cu compresie si cu turbocompresoare pt temp intre 0 -70grade C.
2) Freonii(agentii R) sunt derivati halogenati ai hidrocarburilor saturate metan si etan cu continut varaibil de atmoi de freonilor, brom si hydrogen si sunt larg folositi datorita faptului ca nu sunt toxici si in inflamabili si cantitatile lor termice tehnologice si termodinamice din acestea din urma sunt inferioare amoniacului. Sunt inodori dizolva cauciucul natural si uleiuri. Deaceia se pot depista, flacara se coloreaza in prezenta lor cu detectoare de gaze electrice sau cu solutie soprofrioribila. Se pot descompune in prezenta unei flacari deschise a luminiii electrice sau a apei in exces, in acid clorhidric HCl ; HF;fosogen un produs toxic. Dizolva apa in proportii dinstalatii frigorificeerite in general reduse(20-25mg/kg) iar surplusul de apa se poate depune sub forma de ghiata in organelle de laminare la temp sub 0 grade C, producand obtinerea lor. Se folosesc in toate tipurile de INSTALATII FRIGORIFICE desi uni dintre ei sunt considerati periculosi pt mediu.
3) Amestecuri de freoni formate din 2 sau mai multe componente care se comporta ca un singur agent cu temp de condensare si vaporizare constante la presiunea constanta;Prezinta calitati termodinamice si termice superioare componentilor lor si pot inlocuii freonii clasici ca agenti frigorinstalatii frigorificeici.
4) Agentii intermediari se folosesc in INSTALATII FRIGORIFICE cu racire indirecta la care contactul agentilor frigorinstalatii frigorificeici directi racite poate avea efecte negative. Acestia pot fi:apa, aerul, solutii solide, solutii de alcooli si de glicerina unele hidrocarburi. Principalele solutii soline sunt de NACl clorura de calciu CaCl2 clorura de magneziu MgCl2 iar cele alcoolice sunt alcool etilic metilic eltilenglicol propilenglicol.
Agentii frigorinstalatii frigorificeicii se clasinstalatii frigorificeica dupa mai multe criterii dupa proprietatile lor dintre care cel mai important criteriu e stabilit de inflamabilitatea si actiunea lor asupra oamenilor (fiziologice ). Dupa acest criteriu fluidele frigorinstalatii frigorificeice se impart in 3 grupe :
Grupa 1 Fluide care nu ard si au o actiune fiziologica nula sau foarte slaba
|
Nr crt |
Nr identinstalatii frigorificeicare |
Denumire |
Formula chimica |
Temperatura de fierbere (grade C) |
|
1 |
|
dioxid de carbon |
CO2 |
-78, 5 |
|
2 |
R30 |
clorura de metilen |
CH2Cl2 |
-40 |
|
3 |
R11(freon) |
triclor monofluor-metan |
CFCl3 |
-23, 8 |
|
4 |
R12 |
diclor dinstalatii frigorificeluor metan |
CFCl2 |
-29, 8 |
|
5 |
R13 |
monoclor trinstalatii frigorificeluor metan |
CF3Cl |
-81, 5 |
|
6 |
R21 |
diclor monofluor metan |
CHFCl2 |
-8, 9 |
|
7 |
R22 |
monoclor dinstalatii frigorificeluor metan |
CHF2Cl |
-40, 8 |
|
8 |
R113 |
triclor-trinstalatii frigorificeluor etan |
CCl2FCClF2 |
-47, 7 |
|
9 |
R114 |
diclor tetrafluor etan |
CClF2CClF2 |
3, 5 |
|
10 |
R115 |
monoclor pentafluor etan |
CClF2CF3 |
38, 7 |
|
11 |
R500 |
R12(73, 8%)+R152a(26, 2%) |
CF2Cl2+CH3CHF2 |
-28 |
|
12 |
R502 |
R22(48, 8%)+R115(51, 2%) |
CHF2Cl+CClF2CF3 |
-45, 8 |
Grupa 2) Fluide cu actiune toxica care ard in concentratii de peste 3, 5% volumetrice
|
Nr crt |
Nr identinstalatii frigorificeicare |
Denumire |
Formula chimia |
Temperatura de fierbere (grade C) |
|
1 |
R717 |
amoniac |
NH3 |
-33, 4 |
|
2 |
R1130 |
diclor etilen |
C2H2Cl2 |
-48, 5 |
|
3 |
R160 |
clorurs de etil |
CH3CH2Cl |
-12, 5 |
|
4 |
R40 |
clorura de metil |
CH3Cl |
-24 |
|
5 |
|
bioxid de sulf |
SO2 |
-10 |
Grupa 3) Fluide care se aprind usor in amestec cu aerul in concentratii de sub 3, 5% volumetrice
|
Nr crt |
Nr identinstalatii frigorificeicare |
Denumire |
Formula chimica |
Temperatura de fierber(grade C) |
|
1 |
R600 |
normal butan |
C4H10 |
-0, 5 |
|
2 |
R1150 |
etilena |
C2H4 |
-103, 7 |
|
3 |
R170 |
etan |
C2H6 |
-88, 6 |
|
4 |
R600a |
izobutan |
(CH33)3CH |
-10, 2 |
|
5 |
R290 |
propan |
C3H8 |
-42, 8 |
|
6 |
R134a |
tetrs fluoro butan |
CH2FCF3 |
|
|
7 |
R409a |
R22+142b+R124 |
|
|
Observatii:
1)Toate temperaturile de fierbere date sunt pt presiuni ale agentilor de 1 barr
2) Formula chimica generala a hidrocarburilor saturate este :CnH2n+2 unde pt
n=1 =>CH4 metan
n=2 =>C2H6 etan
n=3 =>C3H8 propan
n=4 =>C4H10 butan
3)Simbolizarea agentilor frigorinstalatii frigorificeici se face cu R de la englezescul refrigerant =agent frigorinstalatii frigorificeic
4)Simbolizarea freonilor se face cu litera R urmata de un grup de 2 sau 3 cinstalatii frigorificere astfel Rmn derivati a metanolului unde m=1 +Hi, Hi-nr atomilor de hidrogen din formula freonului respectiv; n=Fj, Fj-nr atomilor de fluor din formula chimica a freonului respective
RKmn-sunt derivati ai etanului, propanului; K=1, 2, 3, 4……. Si anume 1 pt etan, 2 pt propan, 3 pt butan
K=Cj-1 , Cj-nr de atomi din molecula
Tendinte in domeniu
Din anii 80 (conventia de la Viena din 1985, protocolul de la Montreal din 1987, conferinta de la Londra din 1990) s-a pus problema inlocuirii halonilor (derivati ai hidrocarburilor cu atomul de fluor , clor, brom si inlocuirea lor treptata ) cu alti agenti frigorinstalatii frigorificeici considerati ecologici deoarece deoarece s-a constatat alterarea stratului de ozon de catre agentii R11 ;R12;R114;91, 0 sau 100%), R113(0, 8 SAU 80%), R115 (0, 6 SAU 60%)R502 (0, 4 SAU 40%0;R22(0, 2 -20%) si accentuarea efectului de sera de catre agentii R12, R115, R502, R114, R113, R11.
Principalii agenti ecologici folositi sunt :R134a, R152a, R404, R507, R600,
Cap 2. 2 Materiale specinstalatii frigorificeice constructiei si functionarii echipamentelor frigorinstalatii frigorificeice
In principal acestea sunt mat metalice de etansare si de izolare termica
A] a1 –mat metalice folosite in constructia compresorului sunt:
- pt batiuri (cartere) fonte speciale aliate cu nichel, pt micsorarea scaparilor de agent sau de otel sudat
-pt bucsele cilindrice fonta cromata sau niturata prelucrata
-pt arbori cotiti otel aliat cu crom, nichel, molibden
-pentru bolturi otel aliat cu crom si nichel
-pentru pistoanele grele fonta nodulara aliata cu nichel iar pt pist usoare aliaje de aluminiu fonta alaita cu nichel.
-pentru segmentii pistoanelor in general fonta cenusie slab aliate. Rezistente la azura cu elasticitate mare la temp ridicate si resist mac. mai mica decat a mat cilindrului.
-pentru supape fonta sau otel turnat pt scaunul supapei si pt limitatorul de cursa si buca de otel aliat cu crom si nichel sau otel carbon cu o elasticitate mai mare pt capete
-pentru cuzinetii lagrelor cu alunecare fonta sau otel acoperite cu material.
A2 Recipientii din alcatuirea INSTALATII FRIGORIFICE se executa in general din OL38 sau din oteluri aliate rezitente la presiuni mari si temp joase
A3 Conductele din constructia INSTALATII FRIGORIFICE se executa in functie de natura agentului care circula prin ele astfel:
-pentru ammoniac numai din tevi de otel fara sudura la cald tip OL38 – R resist la temp scazute pana la -50 grade C. La INSTALATII FRIGORIFICE cu ammoniac e interzis folosirea cuprului.
-pentru freoni se pot folosi otelul cupru si aliminiu
-pentru R40 se folosesc oteluri, cuprul fiind interzisa folos conductelor de Al.
-pentru agentii intermidiare se folosesc in general materiale eo si pt conductele de agenti frigorinstalatii frigorificeici onductele din otel pot fi de o calitate inferioara datoria presiunilor mai mici
A4 Schimbatoarele de caldura se executa din tevi de OL cu AL tinand cont de aceleasi prevederi privind compatibilitatea lor cu agentul frigorinstalatii frigorificeic. Ele sunt dispuse intr-o anumita ordine in interiorul aparatului pt marirea transferului de caldura. Deasemeni conductele pot fi prevazute cu aripioare exterioare pt privirea suprafetei de schimb de Q(caldura)
La INSTALATII FRIGORIFICE mici pentru constructia condensatoarelor se folosesc placi cu asipeoane din AL. Corpul din OL, fonta
A5 Armaturile si firingurile folositi in INSTALATII FRIGORIFICE se executa din otel fonta modulara sau din alama cu aceleasi mentiuni casi la conduncte.
B. Materiale de etansare
In INSTALATII FRIGORIFICE cu ammoniac se pot folosi pt. etansare placi de clingherit scursuri si placi de aluminiu moale. In INSTALATII FRIGORIFICE mici si medii cu freoni si R40 se recomanda garniturile de etansare din cupru iar pt circ de agenti intermediari folii sau placi de cauciuc cu ingredienti pt o resist la o temp scazute
C. Materiale de izolare
Izolatiile frigorinstalatii frigorificeice se pot executa din urmatoarele tip de materiale carac prin conductivitate
-mat aurigenice vata de sticla, vata minerala, de zgura pluta minerala.
-mat organice pluta, turba, spuma sau burette poliuretonic, policlorura de vinil. Pluta ASCO din stejarul de pluta si contine o substanta specinstalatii frigorificeica mixta. Atat pluta ASCO cat si polistrenul se executa sub forma de placi pt izolarea peretilor platformelor si a perdelelor si sub forma de cochilii pt izol conductelor.
Buretele poliuretonic se foloseste in special pt izoalre imbinarilor demontabile armaturilor sub forma de cochilii. Grosimea izolatiei termice se determina in urma unor calcule tehnico-economice unde se echivaleaza costurile de investitii si explodare. In afara de evitarea patrunderii Q in instatii INSTALATII FRIGORIFICE. Izolatia termica are si rolul de a evita fenomenul de condensare a vaporilor de in interiorul ei caz in care ea isi pierde din eficienta. Astfel trebuie ca temp suprafetei exterioare a izolatiei sa aiba val superioare temp punctului de roua al aerului din mediul in care e montat conductor.
Capitolul 2. 3 Alte substante necesare functionarii INSTALATII FRIGORIFICE
A] Uleurile frigorinstalatii frigorificeice. Aceste uleiuri au in INSTALATII FRIGORIFICE ca in toate constructiile mec rolul de a evita uzurile premature de organde de masini in miscare relative si de a diminua consumul de energie prin micsorarea frecarii. Ele au proprietati specinstalatii frigorificeice deoarece se tine cont de tipul agentului frigorinstalatii frigorificeic folosit de constructia K si de temp minimain INSTALATII FRIGORIFICE(de vaporizare)
Uleiurile frigorinstalatii frigorificeice trebuie deasemeni sa nu isi modinstalatii frigorificeice compozitia si indicele calitativ sub actiunea factorilor existenti in INSTALATII FRIGORIFICE:temeperaturi, oxygen existent in circulatia agentului, presiunea din INSTALATII FRIGORIFICE actiunea unor catalizatori sau antigeluri din agent. Indicele calitativ al uleiului e dat de puterea de aderenta a acestuia si se numeste onctuazitate. De asemeni uleiurile frigorinstalatii frigorificeice trebuie sa indeplineasca si alte conditii:
-sa nu reactioneze chimic cu agentul frigorinstalatii frigorificeic
-sa-si pastreze proprietatiile fizice
-sa aibe temp de solidinstalatii frigorificeicare cat mai reduse
-sa aibe o vascozitate redusa si la temp sub cele de functionare
-sa nu fie inflamabil sis a nu dea componente inflamabile. Uleiurile frigorinstalatii frigorificeice pot fi minerale mai instalatii frigorificeetine acestea fiind formate din amestecuri de hidrocarburi sintetice obtinute din hidrocarburi polimerizate. Densitatea uleiurilor frigorinstalatii frigorificeice e cuprinsa intre 0, 85 – 0, 99 kg iar temperature lor de aprindere variaza intre 160-200 grade C valoarea temp de inflamabilitate si de aprindere fiind in general specinstalatii frigorificeicate de fabricant. Pt obtinerea unor caracteristici superioare si uleiuri frigorinstalatii frigorificeice se fl inhibitori de corosiune si subst care coboare temp de solidinstalatii frigorificeicare. Exemple de uleiuri frigorinstalatii frigorificeice:
-in INSTALATII FRIGORIFICE cu ammoniac se foloseste uleiuri F5003-pana la temp =-50 grade C ; F5004 pana la temp =-30grade C
R12=F24, F7;F17;F29
Pt ceilalti agenti frigorinstalatii frigorificeici produc. Indica si tipul de ulei simbolizat
-pt lagarele cu alunecare exterioare ale INSTALATII FRIGORIFICE care nu intra in contact direct cu agentul frigorinstalatii frigorificeic se folosesc lubrinstalatii frigorificeicanti obisnuiti
-pt lagarele cu rostogolire se folosesc unsori consistente anfidre cu active auti oxidant care au o anumita consistenta la temp de lucru pt a nu iesi in exteriorul lagarului RUL 140; RUL 180.
B. Antigeluri. Pt evitarea opturarii robinetilor de reglaj si a tevilor capilare din INSTALATII FRIGORIFICE mici si mijlocii care functioneaza cu feoni cu dopuri de gheata formate din apa continuta de agent si patrunsa din exterior se folosesc:
1)antigeluri-subst care in amestec cu apa scad f mult temp de inghet a acestuia-metanul etanul, izopropanul, alcool metilic si etlic
2)substante care leaga chimic apa : metilat de sodium in proportie de 0, 5 1% din volumul agentului alcoolati care se dizolva complet in agentul frigorinstalatii frigorificeic. Deasemeni in INSTALATII FRIGORIFICE se folosesc pt eliminarea apei fibre cu subst care retin chimic apa si geluri.
C. Inhibitori de coroziune
- Folosite in INSTALATII FRIGORIFICE pot deveni acide sub actiunea aerului exterior corozand metalele si atacand celelate substante din INSTALATII FRIGORIFICE. De aceia se trateaza cu substante care mentin PH. Deasemeni se urmareste permanent modul de centralizare al solutiilor prin masurarea valorii PH acestora si se iau masuri e saramura din INSTALATII FRIGORIFICE san u vina in contact cu aerul.
D. Bariera de vapori
In general spatiile frigorinstalatii frigorificeice si isolate termic sunt prevazute si cu bariere contravaporilor care au rolul de a micsora la maxim fluxul vaporilor de apa din mediu catre interiorul spatiilor racite. Se poate executa din straturi de beton sau din placi metalice de AL, otel.
Capitolul 3. SDV-uri si utilaje folosite de mecanicul frigotehnist
Printre mat SDV-urile si utilajele cu care mec frigotehnist isi desfasoara activitatea de verinstalatii frigorificeicare depistarea defectiunilor intretinere si reparare a INSTALATII FRIGORIFICE trebuie sa se afle in urmatoarele piese care in dinstalatii frigorificeereitle situatii posibile constituie si tunisa de mobile a mec:
1)Tunisa de monometer cu scara de 0-5 si 0-20 cu reductii de diverse diameter pt a putea racorda la INSTALATII FRIGORIFICE
2)Butelii de agenti frigorinstalatii frigorificeici necesari in INSTALATII FRIGORIFICE de 1, 2, 10, 20 litri cu record si teava flexibila pt racordare si incarcare.
3)Lampa electrica de central si protectie. Se recomanda LED si cu neon de dimenisuni mici si cu protectie din polietilena dura care au avantajul ca pot functiona la dinstalatii frigorificeerite tensiuni.
4)Fierastrau de taiat metale
5)Fierastrau de lemn si plastic
6)Trisa de chei fixe de 6 – 32 mm
7)tubulare
8)cruce
9)chei reglabile cu filet
10)cleste de teava
11)set de ciocane de 0, 2-15kg
12)dispozitiv de taiat tevi cu rola
13)presa de interior si exterior
14)berecutor ajustabil de la 2-8’
15)aparat de sudura pt sudare sau lipire cu flacara
16)masina de gaurit cu diameter de la 1-10mm
17)trusa de piele
18)perii de sarma, razuitor
19)trusa de surubelnite, patent si AMC-uri
20)ampermetre pt masurarea intesit curentului electric
21)ciocan de lipit electric pt lipituri moi
22)alcoole etilic de 96grade
23)pompa
24)sigurante de la 6-10A conductori electrici 1-4 fire, racorduri olandeze de ¼ si 5/8’’ dopuri cu filet capace suruburi saibe, bratari si coliere cauciuc si slingherit pt garnituri de etansare
Scaparile de agent frigorinstalatii frigorificeic se pot depista cu ajutorul lampiilor cu ultraviolete, lampa haloida analizoarelor de gaze electronice dupa petale de ulei antrenate de angeti pe tevi dupa miros ammoniac cu o solutie slaba de sapun si apa. Concentratia unei solutii este data de relatia E=Gsare/Gapa+Gsare ·100[%}
Gsare=greutatea sarii din solutie
Gapa=greutatea apei din solutie
|
Nr crt |
Denumire |
Formula chimia |
Conc de eutetic % |
Temp ce mai scazuta(grade C) |
|
1 |
clorura de amoniu |
NH3Cl |
18, 7 |
--16 |
|
2 |
clorura de sodiu(sare de bucatarie |
NaCl |
22, 4 |
-21, 2 |
|
3 |
clorura de calciu |
CaCl2 |
29, 9 |
-55 |
|
4 |
clorura de magneziu |
MgCl2 |
20, 6 |
-33, 6 |
Marind treptat concentratia solutiei de la 0% la 100% observand ca aceasta are proprietatea de a ingheta la o temp negative in functie de concentratie tinghet-f(si)<0grade C
Concentratia la care solutia ingheta la temp minima se numeste concentratie de entectic

Pt inst frig cu racire indirecta se folosesc concentratii din vecibatatea punctului de eutectic dar mai mici decat ea.
Realizarea temp scazute cu ajutorul amestecurilor refrigerente.
Amestecurile refrigerente se pot prepara din zapada si diverse cloruri astfel:
1. Zapada sau gheata sfaramata 2 parti +sare de bucatarie o parte poate raci intre 0 - 20grade C
2. Zapada sau ghiata sfaramata in 4 parti +clorura de calciu 5 parti poate raci de la 0 - 40 grade C
Capitolul 4. Tehnologii folosite in constructia echipamentelor frigorfice
Capitolul 4. 1 Notiuni introductive
In general echipamentele frigorinstalatii frigorificeice uzuale sunt de o mare diversitate constructive datorita numeroaselor tipuri existente si a rarietatii mari de schme din cadrul fiecarui tip. Procentul din totalul INSTALATII FRIGORIFICE cle cu compresie mecanica reprezinta aporximativ 90% ; cele cu absortie aprox 7-7. 5% restul de 2, 5% fiind constituit de toate celelalte tipuri de INSTALATII FRIGORIFICE. Marea majoritate a acestora folosesc agenti frigorinstalatii frigorificeici deci au principii constructive tehnologii de executie elemente componente si masuri de siguranta dupa mai multe criterii printer care:
1-principiul de functionare cu compresie de vapori cu destindere de gaze pa baza unor fenomene magnetice si electrice.
2-dupa modul de asigurare a frigului in zonele racite pot fi :cu racire directa sau indirecta
3-dupa rolul lor INSTALATII FRIGORIFICE propriu-zise, de climatizare, pompe de caldura, inst de congelare a solului
4-dupa domeniul de temperature asigurate la consumator:mai mari de 0grade C intre 0grade C si aporx – 120grade C si sub -120grade C
5-instalatii criogenice
6-dupa agentul frigorinstalatii frigorificeic folosit ammoniac
7-dupa gradul lor de automatizare-cu automatizare mai redusa semiautomate sau complet automate
8-dupa marime –mici in domeniul casnic cu puteri cuprinse intre 40-5-600K cal/h
-medii sau mijlocii in domeniul commercial cu puteri cuprinse intre 500-10-12000K cal/h
-mari in domeniul industrial cu puteri in general mai mari de 10-12000Kcal/h
9-dupa modul de alimentare cu agent frigorinstalatii frigorificeic al vaporizatoruluipot fi:prin teava capilara prin ventil de reglaj thermostatic prin ventil de reglaj presostatic prin ventil de reglaj cu floor, prin pompe de agent prin robineti cu reglaj. In inst mici si mijlocii se folos primele trei
10-dupa modul de congelare a suprafetelor la racire:prin rezistente electrice cu vapori
Capitolul 4. 2 Operatii de prelucrare mecanica utilizate la executarea intretinerea repararea-reconditionarea si verinstalatii frigorificeicarea principalelelor elemente componente ale INSTALATII FRIGORIFICE
A-Tehnologii de prelucrare a pieselor
1)-operatii de strunjire robotare frezare rectinstalatii frigorificeicare superfisurare:expl
-strunjire :pistoane, bolturi
-frezare:pistoane
-superfinisare:bucsele cilindrilor, fusurile arborelui cotit
2)-ansamblarea carterului cu cilindrii compresorului trebuie realizata cu suprafete perfect plane pt a permite o etansare cat mai buna intre cele 2 parti ale compresorului
3)Fusurile intermediare ale arborelui cotit, ochiul si boltul pistonului se supun inaintea montarii operati de rectinstalatii frigorificeicare pe masini pt realizarea unor freacarii minime si miscoararea consumului de energie la transmiterea miscarii de la arbore la bile si pistoane.
4)Cuzineti de compozitie 83% care se toarna in forme speciale cu un diametru mai mic decat diametrul fusului, se strunjesc pana la un diametru mai mic cu o zecime 100÷20 de mm apoi se aseaza pe fus se strag se rotesc si se observa imperfectiunile de prelucrare care dupa demontare se indeparteaza manual cu sabarul. In continuare se ung suprafetele interioare ale cuzinetilor cu tus de pasuire de culoare albastra, se strang din nou pe fus , se rotesc, se demonteaza si se observa punctele unde tusul a fost sters. Aceaste puncte se rectinstalatii frigorificeica manual cu sabarul, apoi operatia de strangere, rotire, desfacere si rectinstalatii frigorificeicare se repeta pan ace pe un centrimetu patrat de suprafata de frecare se obtin minim 10 puncte de contact. In final toleranta dintre cuzinet si arbore trebuie sa fie de ordinal zecimilor sau sutimilor de mm pt asigurarea unei miscari cu minima frecare dupa care cuzinetii se monteaza in biela si arbore
Deasemeni cuzinetii se pot realize prin sinterizare urmata de finisare
5)ochiul, capul si eventualele bucse prevazute in acestea ale bielei se prelucreaza prin rectinstalatii frigorificeicare pe masina sau manuala cu sabari urmata de strunjire si de finisare atat in faza de executie cat si de reconditonarea bilei
Sistem biela –manivela

6)Arbori cotiti , biele si bolturile fiind organe de masini in miscare prin care se transmit eforturi marii se verinstalatii frigorificeica in vederea stabilirii si remedierii fisurilor aparute prin control fiero-flux(cu pilitura de fier) sau prin ultrasunete
7)In cazul repararii si reconditionarii compresoarelor in ansamblul lor (dupa extragerea cu o presa speciala si de montare a volantului, extragerea capacului chiuloasei (placa port supapa) a capacului presetupei, a capacului lagarului din spate si a capacului de la partea inferioara a carterului, cu precautile de riguare, a capacelor de biela, arborelui cotit, a cilindrilor, pistoanelor si bielelor si de montarea lor in parti componente se folosesc in functie de defecte deferite operetii tehnologice ca:
- alezare a cilindrilor fara bresa urmata de o slefuire, de finisare, netezire a alezajelor si eventual sudarea electrica a porilor sau fisurilor mici urmata de o racire lenta.
-rectinstalatii frigorificeicarea fisurilor din lagarele carterului si de pe manetoane pt corectarea deformatiilor produse de uzuri daca acestea nu sunt accentuate sau incarcarea cu sudura a fisurilor si manetoanelor urmata de strunjire si de finisare la cotele de reperatie in cazul unei uzuri mai avansate sau daca au mai fost efectuate alte rectinstalatii frigorificeicari anterior care ar reduce prea mult diametrul arborelui cotit
-repararea prin sudura autogena a arborilorcotiti rupti urmata de rctinstalatii frigorificeicare
-rectinstalatii frigorificeicarea urmata de polizare sau slefuirein functie de adancimea lor pt inlaturarea zgarieturilor de pe suprafata fusurilor
8)la alezajele noi se schimba segmentii de compresie si ungere pt asigurarea unei presiuni uninstalatii frigorificeorme pe toata suprafata cilindrului
9)cuzineti uzatii sau cu defecte (zgarieturi, pierderi de material sau de elascitatea) se inlocuiesc cu alti noi sau confectionati la dimensiunile fusului monetar
10)In general supapele cu taler si tije se prelucreaza prin strunjire si rectinstalatii frigorificeicare sau prin matritare si rectinstalatii frigorificeicare in cazul seminstalatii frigorificeabricatelor precise. Defectelor se inlatura prin rectinstalatii frigorificeicare, alezare si incarcare prin sudura a zonelor uzate sau inlocuirea lor la uzuri mari.
B]Conducte si schimbatoare de caldura
1)tevile din otel folosite in inst frig se pot prelucra prin indoire la cald si la rece prin rasfrangere, largire, turtire. Deasemeni pt schimbari de directii sau distributi se pot confectiona curbe sau semicurbe cu raza mare pt micsorarea pierderilor de presiune, imbinat prin sudura cu tronsoanele liniare
2) tevile din cupru au deasemeni bune proprietati de prelucrare mec prin indoire largire, strangere, bercuire calibrare in vederea lipiri prin mufare
3)la conducte si schimbatoare de caldura se separa izolatiile frigorinstalatii frigorificeice defecte sau se indeparteaza oxidul de fier (rugina) din zonele afectate apoi acestea se vopsesc in 2 straturi cu mine de plumb sau vopsele anticorozive
4)Schimbatoarele de caldura cu functia de condensator, vaporizator sau subracitor de lichid nu se repara in unitate daca acestea cad sub incidenta I. S. C. I. R. La celelalte se pot face dupa demontarea lor din inst frig operatii de indreptarea deformatiilor , curatarea depunerilor intenrne cu substante chimice adecvate urmate de spalarea cu solventi si uscarea cu aer comprimat remedieea unor fisuri si coroziuni locale sau intocmirea unor transoane de teava defecte prin executarea unei lipituri sau suduri autogene locale urmate de urmate de probe de presiune.
C] Recipientii
1)la toti recipientii ce cad sub incidenta ISCIR se fac verinstalatii frigorificeicari planinstalatii frigorificeicate inscrise in cartea tehnica a recipientului numai de catre organelle ISCIR
2)in cazul recipientilor sub presiune verinstalatii frigorificeicarile se fac prin prelevare de span obtinut prin gaurire din care se obtin rezultatele analizelor metalochimice si metalografice efectuate in laboratoare de specialitate pt a se stabili daca structura materialului a suferit modinstalatii frigorificeicari in timp Gaurile date pt prelevarea spanului nu trebuie sa strapunga virola recipientului
3)la recipienti sub presiune se face o a doua verinstalatii frigorificeicare cu lichid vehiculat de pompe, presiunea de proba a lichidului fiind de minim 1, 5 ori presiunea de lucru Pproba ≥1, 5Pnominal
D] Aparatura auxiliara
1)Pt restul aparaturii auxiliare (pompe, ventilatoare, separatoare, filtre)necesarul de reparatii se determina prin verinstalatii frigorificeicare in functie de gradual de uzura al fiecarui aparat
E]Motoare electrice si aparatura de automatizare
1)Materiale electrice arse se rebobineaza, se impregneaza cu lac izolant si se usuca in cuptoare speciale. Dupa repararea lor completa se monteaza si sefac probele de functionare (incercari)
2)Verinstalatii frigorificeicari functionale si masurile operative de depanare (la beneficiar) pt motoare electrice defecte :-verinstalatii frigorificeicarea circ de alimentare si localizarea zonei de intrrupere
-verinstalatii frigorifice ap de automatizare sub tensiune (releu, trmostatat )
-verinstalatii frigorifice cauzelor mecanice de defectare a motoarelor :lagare gripate sau blocate mecanic
3)aparatele de automatizare si control(termostate, ventile termostatice)nu se repara decat in cazul unor intensitati minore (curatirea conductelor de oxizi si stergerea lor )
Cap 4. 3 Asamblari folosite in executie inst frg
Asamblarile folosite in inst frig sunt demontabile prin filet si flansa si nedemontabile prin lipire si sudare
In general in functionarea inst frig se acorda o atentie deosebita evitarii pierderii de agentii frigorinstalatii frigorificeicii rin neetansietati, de aceea unde este posibil se utilizeaza imbinarile nedemontabile mai etanse. Cele demontabile mai putin etanse sunt folosite pt montatre armaturilor a dinstalatii frigorificeeritelor recipiente sau aparate ale inst frig a unor circuite de bay pass sau la schimbari de sectiune a conductei.
A] Imbinari prin lipire
Aceste imbinari se folosesc in inst frig mici si mijloci care au conducte din cupru si functioneaza cu freoni sau R40 (clorura de metil) pt imbinarile dintre tevi sau dintre tevi si racordurile a aparatelor principale sau secundare din inst frig. Se executa in general ca lipituri tari pt conductele din cupru (1”-1 ½”)putandu-se executa si ca lipituri moi pt conducte cu diametre pna la ½” in inst frig mici. Imbinarea unei tevi din cupru cu o teava din otel se face pirn alamire . Pt a avea o mai mare rezistenta mec si etansietate lipiturile se realizeaza in general cu piese mufate, acetea putand fi:
-fitinguri cu mufa (coturi, teuri, curbe)
-tronsoane de teava la care una din tevi a fost calibrata in prealabil pt executarea mufei (prin incalzire la rosu a capatului unei tevi si introducerea celelilalte tevi in ea pt a se largi pana diametrul ei exterior. Mufe moi poate fi realizate si cu ajutorul unui cleste tronconic
a)tevi cu mufa

b)imbinare cu tevi prefabricate din cupru

B] Imbinari prin sudura
Aceste imbinari se folosesc in toate inst frig care folosec conducte din otel fiind realizate prin sudura electrica autogena de catre sudori autorizati de ISCIR. In functie de diametrul tevii si presiunile de lucru conductele sudate pot avea sau nu marginile sudate prelucrate prin sanfrenire. Sanfrenul executandu-se in general pt grosimi ale peretelui tevi mai mari de 4-5mm Dn≥1”-1 ½”(40mm)

Imbinarea prin sudura a tevilor se foloseste atat pt circ de agenti frigorinstalatii frigorificeici cat si pt cele de agenti intermediari
Robineti din otel imbinati in circuit prin sudura

Ambalarea prin sudura a tevilor intre ele sau alte aparate si armaturi se face folosind electrozi de calitate cu diametre 2, 5÷3, 25 mm. Sudurile se folosesc si la imbinarea conductelor din cupru din inst frig mici si mijlocii pt toate diametrele, fiind realizate cu aliaje de cupru fosforos si aparate de sudura sau lampa de butan gaz. Se recomanda pt executarea legaturilor dintre conducte fara fitinguri sau conducta racord.
C] Imbinari cu flanse
Se folosec pt conducte cu diametre mai mari de Dn>30 mm(1 ¼”) deci in inst frid industriale pt imbinarile demontabile ale conductelor din otel atat in circuitele agentilor frigorinstalatii frigorificeici (aminiac, freoni) cat si in cele ale agentilor intermediari. Deoarece intre cele 2 tipuri de circuite sunt dinstalatii frigorificeerente mari de presiune (Pmax NH3 ≈15at la temp max 150 grade C si Pmax ag intermediari 5÷6 at ) si intre tipurile de flanse corespunzatoare apar dinstalatii frigorificeerente constructive. Astfel cele pt agenti sunt cu pana si canal iar cele pt agenti intermediari sunt cu striate circulare concentrice
Imbinari cu flansa a conductelor
a)sectiune

1-conducte
2-flanse cu guler sudat
3-suruburi de strangere
4-cordoane de sudura
b)vedere

Detaliu A pt conducte de ammoniac NH3
1-garnitura circulara din clinghent sau azbest grafitat
2-canal
3-pana sau feder

Detaliu A pt conductele de agenti intermediary
1-garnituri din cauciuc sau polietilena
2-striati circulare

Nr striatilor depinde de presiunea din conducte crescand o data cu acesta, dar sunt obligatorii cel putin 2 striatii pe flansa(pres mici 2 barri). Ambele tipuri de flansa se pot executa si tunate o data cu corpul ventiluilui din fonta speciala, in cazul imbinarii cu flansa a acestora

Imbinarile cu flansa ale conductelor din inst frig industriale se mai folosesc si in situatii in care instalarea urmeaza sa se extinda
Astfel la inceputul viitorului circuit se monteaza un stut de racord (masor) cu un ventil de legatura pt a nu se opri circulatia fluidului din inst frig

D]Imbinari prin filet
Se folosesc atat pt conducte din otel cat si din cupru pana la diametrul max Dn 1 ½”(40mm) putandu-se realiza in 2 variante :
-cu racorduri olandeze pt conductele din otel si respective cu nipluri prevazute cu piulite olandeze dupa ce in prealabil s-a executat cate o bordurare pe fiecare teava pt fixarea niplului pt conducte din cupru
-cu tronsoane de teava filetata cu filet conic si prevzute cu garnituri de etansare pt conductele din otel
Probe de presiune
Conductele de amoniac se probeaza pneumatic (aer comprimat )la presiuni de pana de 25 at si hidraulice pana la 40atm. Circuitele de agenti intermediari se probeaza hidraulic la presiuni pana la 25 at. Pt toate celelalte conducte si imbinari prona de etansietate se face la presiunea Pproba ≥1, 5 Pmax de lucru
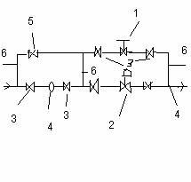
Montarea robinetului de reglaj normal folosit pt laminarea agentului frigorinstalatii frigorificeic

1-robinet de reglaj normal
2-robinet de reglaj automat
3-robinet de inchidere
4-filtru dezhidrator
5-robinet de trecere
6-conducte de by pass
CAP 4 PROTECTIA ECHIPAMENTELOR SI INSTALATIILOR FRIGORINSTALATII FRIGORIFICEICE
Inst frig si componentele lor se protejeaza impotriva coroziunilor, aporturilor de caldura si de umiditate din exterior
A] Protectia impotriva coroziunii
Intrucat majoritatea componentelor inst frig sunt din otel acesta neprotejat oxideaza si se produce astfel coroziunea in masa materialului. De aceea echipamentele si conductele din otel se protejeaza anticoroziv prin vopsire cu minim de plumb sau vopsele anticorozive in 2 straturi
B] Protectia impotriva aporturilor de caldura
Partile instalatilor care lucreaza la temperaturi mai joase se izoleaza termic, grosimea izolatiei depinde de dinstalatii frigorificeerentele de temp conducta-mediu si crescand o data cu aceasta
Grosimea mai depinde de diametrul conductei si umiditatea aerului relativa
|
De diametrul ext |
Dinstalatii frigorificeerenta de temp(gradeC) |
Grosimea izolatiei(mm)pt starea de 20 gradeC si umiditatea relativa(l) |
|
|
|
70% 80% 85% 90% |
|
38D≈30 |
20 |
15 25 45 55 |
|
Dn 1 1/4' |
40 |
25 35 55 90 |
|
|
60 |
4050 75 125 |
|
|
80 |
60 75 100 160 |
|
108 |
20 |
20 30 50 70 |
|
CDn≈4' |
40 |
35 45 65110 |
|
Dn100 |
60 |
55 70 95 150 |
|
|
80 |
75 90 120185 |
|
perete plan |
20 |
20 40 65 90 |
|
|
40 |
40 70 100 160 |
|
|
60 |
60 100 140 240 |
|
|
80 |
80 130 200280 |
Instalatia frigorinstalatii frigorificeica a conductelor se executa din cochilii de mat izolant si din segmenti de o anumita marime si curbura la aparatele de de dimensiuni mai mari (separatoare de lichid, separatoare –acumulatoare, butelii intermediare de racire )Deasemeni aceste aparate se pot izola cu placii de aluminiu. Coturile si celelalte fitinguri sunt acoperite cu cochilii decupate la o forma cat mai apropiata de a lor. Izolatia se intrerupe inaintea flanselor armaturilor pt ca aceasta sa se poata demonta
Izolatia conductelor interioare cu cochilii de pluta sau polistiren

1-peretele coductei
2-stratde prat anticoroziv
3-cochilii izolante in 2 straturi
4-inele de fixare din sarma zincata
5-tencuiala din martor din ipsos
6-bandaj de tinstalatii frigorificeon
7-glet de ipsos
8-vopsea de ulei in 2 straturi
Izolatie frigorinstalatii frigorificeica a unui perete plan

1-tencuiala exterioara
2-perete de zidarie (caramida)
3-tencuiala de egalizare
4-bariera contra vaporilor dine emulsie bituminoasa
5-izolatie frigorinstalatii frigorificeica din placi de pluta ASCO sau polistiren
6-plasa de robit
7-8-elemente de fixare
9-tencuiala
Cand izolatia este groasa sunt necesare masuri de siguranta adica bariera contra vaporilor se executa dupa impuscarea bolturilor sau prinderea agrafelor de siguranta.
Bariera de vapori se executa din emulsie de penetratie F50-60 in diversi solventi sau in apa cu denumirea de hidrobet.. Bariera de vapori se realizeaza astfel:mai intai se da un strat subtire de emulsie numit amorsaj iar apoi alte 2 straturi de emulsie mai consistenta pt spatiile de refrigorare t apartine [0, 4 grade C]. In cazul spatiilor cu temp sub 0 grade C se dau inca 3 straturi de emulsie mai consistenta. In final aspectul suprafetei barierei de vapori trebuie sa fie lucios si continuuLa realizarea pongurilor prefabricate se injecteaza spuma poliuretonica rigla intre 3 placi de otel sau Al prinse intr-un dispozitiv numit comformator. Placile de tabla reprezinta functia osiei de vapori iar imbinarea face piese metalice.
C. Protectia impotriva aparturilor de umiditate
Deoarece aerul exterior aflat la o temp superioara celei din zona racita contine o cantitate de vapori de apa mult mai mare decat aerul din zona rece, acestia tind sa migreze din exterior catre interior. De aceia spatiile racite se protejeaza impotriva aparatului de umiditate prin bariere contra vaporilor care se include in izolatiile frigorinstalatii frigorificeice.
1. R420A R32(50%)+R125(50%) -51, 4
2. R134a tetraflor etan -26, 1
3. R407CR32(23%)+R125(25%)+134a(52%)-43, 5
4. R22 cunoscut
Capitolul 4. 5 Mas tehnice si organizatorice pt protectia instalatiilor si presonalului impotriva accdentelor
In afara mas constructive de P. M care exista la I. F de la poiectarea si montarea lor(ulei, componente, urma de exploatare si intretinere) pt protectia pers si echipamentelor se iau mas de prevenire a accidentelor a caror functionare se verinstalatii frigorificeica continuu printer care:
1. toate salile de masini ale I. F cu ammoniac sunt dotate cu masti de gaze cu cartus filtrant si costume izolante;La aparitia mirosului de ammoniac in exces, in aer se aplica misc de gaze si se depisteaza defectiunea din I. F. Daca avaria e importanta se imbraca intai costumul izolant si apoi se effect remedierea.
2. in toate I. F se iau masuri de reglare automata a unor marimi(putere frigorinstalatii frigorificeica, presiuni, temperature, nivel de agent, procese de racire, de congelare) asigurarea unor regimuri economice de exploatare si de oprire automata a functionarii in cazul depasirii unor valori ale marimilor caracteristice.
3. in I. F comerciale cu freoni se iau masuri de evitare a functionarii generale a acestora si de defectare a unor componente prin automatizarea proceselor
4. in I. F comerciale si cosmice trebuie asigurate conditii de functionare nominala temp exterioara, alim cu energie electr regiuni de pastrare a produselor, grosimea stratului de pe vap apropiate celor din cart tehnica a echipamentului si conditiile de iginena necesare.
5. in I. F cu agenti inflamabili pt a nu falsa si echipament antiexplosive care sunt fol automatul general de alim cu energie electrica a centralei de frig se deconecteaza de la retea cu ajutorul unui buton care se afla in exteriorul centralei in cazul in care exista scapari de agent
6. Deasemeni scaparile de agent se pot depista automat cu senzorul care avertizeaza acustic si optic asupra prezentei lor(pericolul).

7. In afara acestor masuri sunt luate si mas specinstalatii frigorificeice de PSI
-unitatile mari sunt datate cu moto-pompe de incendiu cu echipament de stingere a incediilor adecvat si dupa importanta obiectivului.
Capitolul 5. Alcatuirea instalatiilor frigorinstalatii frigorificeice
In functie de tipul constructive al INSTALATII FRIGORIFICE si de puterea frigorinstalatii frigorificeica dezvoltata de acestea echipamentele frigorinstalatii frigorificeice pot avea in componenta lor un nr variat de elemete care sa le asigure functionarea dar principalele componenete commune tuturor INSTALATII FRIGORIFICE pot fi considerate:
-sursa de energie(compresorul mechanic, termochimic, ejectorul)vaporizatorul, condensatorul, sistemul de laminare agentului frigorinstalatii frigorificeiclichid, fibre, pompe, rezervoare de agent, AMC-uri elemte de automatizare, de protectie. Aceste componente sunt specinstalatii frigorificeice INSTALATII FRIGORIFICE care folosesc agenti care insemneaza aprox 99% din totalul INSTALATII FRIGORIFICE.
Capitolul 5. 2 Compresare mec (K)
La INSTALATII FRIGORIFICE cu compresie mec utlajul principal care asigura circulatia agentului frigorinstalatii frigorificeic prin conducte si aduce raportul de lucru mecanic din exterior necesar trecerii caldurii de la sursa rece la sursa calda si la care presiunea vaporilor e asigurata de miscarea alternative a pistonului in cilindrii legati de arboreal motor este compresorul Comp. K frigorinstalatii frigorificeice sunt masini care aspira vaporii rezultati din trecerea agentului frigorinstalatii frigorificeic din vaporizator ii comprima pana la o presiune apoi refleaza catre condensator
Studiul compresorului
A-Studiul comp teoretic
Pmax=qc
Pmin=pvaporizator
ciclulK-teoretic


4-1-aspiratie vapori –proces isobar
1-2- comprimare vapori –proces politropic
2-3-evacuare vapori comprimat-proces izobar
3-4-scaderea brusca a presiunii (presiunea vaporilor care intra in K)
Aria hasurata este lucru mec efectuat de K
Lciclu =L12+L23-L41=Lmec de comprimare +Lmec de evacuare –Lmec de admisie
P=Lciclu ∙N[J/rot/s]=J/s=W
N-turatia[rot/s]
P=m-lciclu =>m-debitul masic de gaze [kg/s]
Lciclu-lucru mec specinstalatii frigorificeic pe ciclu sau lucru mec efectuat deK pt 1 kg de gaz comprimat
[P]=kg/s∙J/Kg=J/s=W
B] Studiul K real
Functionarea real a inst frig dinstalatii frigorificeera fata de functionarea teoretica prin performante si consumuri de utilitati (consumuri mai mari de energie apa de racire ) Abaterea de la functionarea teoretica a masinilor caracteristice ale inst frig se exprima cu ajutorul unor coeficienti (randamente, grade de calitate termodinamica )cu care se corecteaza marimile teoretice. K e componenta care influenteaza cel mai mult functionarea inst frig, deoarece preinta cele mai multe abateri. Astfel la K tehnic cu piston real, exista un spatiu liber intre peretele chiuloasei si piston numit spatiu mort sau spatiu vatamator (deoarece pistonul nu trebuie sa atinga supapele ). Punctele limita ale cursei pistonului sunt PME9punct mort exterior ) corespunzator volumului maxim si respective PMI( punct mort interior ) corepunzator volumului minim. Volumul spatiului mort reprezinta intre 3-10% din volumul cilin si micsoreaza debitul K fara amarii puterea consumata . Deasemenea la finalul comprimarii incepe evacuarea gazelor care dureaza pana in PMI. La inceputul aparitiei masa de gaz ramasa in cilindru se destinde brusc de la PC la Prefulare marindu-si volumul propriu si micsorand volumul ramas pt aspiratie. La trecerea gazului prin supapa are loc un proces de laminare a vaporilor care duce la aparitia unei depresiuni la aspiratie Dpa trebuie sa fie intre 2-7% din Po (presiunea de vaporizare ) si micsoreaza debitul de vapori aspirat prin destindere simultan cu cresterea lucrului mec consumat pe ciclu. Astfel diagrama P-V a(lucru mec) K real arata astfel

3-4(3-4’)-destinderea gazului ramas in cilindru
4-4’=depresiunea adnis datorita laminari
4’-1 - crestere de presiune
1’-1-inceputul comprimarii
1-2- comprimarea propriu-zisa
2-2’-suprapresiune datorata deschiderii supapei de refulare si invingeri unei rezistente locale
2’-3’- evacuarea gazelor la pres mai mari decat Pc cu Dprefulare necesare invingerii rezisistentei locale
3’-3-inceputul destinderii

Alte abateri ale functionarii reale ale K sunt datorate incalzirii vaporilor inspiratilor in K(se dilata) si neetansietatii din cilindru (pierderi volumice si cresteri de putere)
Diagrama reala a K (diagrama indicata) se ridica la K in in functiune cu ajutorul aparat indicator (ap watt) montat pe cilindrii.
Clasinstalatii frigorificeicarea K mecanice
K mecanic se inpart in 2 mari categorii dupa principiul de producere a comprimarii gazelor:
A] Kvolumetrice, care realizeaza cresterea presiuni prin micsorarea volumului in care sunt inchisi vaporii. La randul lor acestea pot fi :
1- K cu piston in miscare rectilinie alternativa
2- K rotative (cu miscare de rotatie a pistonului ) cu lamele culisante in stator, cu lamele culisante in rotor, cu inel de lichid cu rotor, suflante de gaz cu rotoare profilate (cu comprimare exterioara ) . K elicoidale cu dublu sau simplu surub (cu comprimare mixta realizata partial prin variatia volumului si partial prin variatia comp exterioara) K spiral trohoidal si orbital
3-K speciale cu membrana si cu piston fara ungeri
B] K centrinstalatii frigorificeugale (turbocompresoare ) care realizeaza comprimarea pe baza fortelor exercitate de un rotor cu palete asupra gazului si transformarii energiei cinetice a rot in energie potentiala de pres la trecerea prin stator. Cele mai numeroase sunt K cu piston (70%) iar cele moderne sunt cele elicoidale.
Clasinstalatii frigorificeicarea K cu miscare rectilinie alternativa a pistonului:
1)dupa puterea frigorinstalatii frigorificeica realizata la temp de -10 grade C, t condenser 25 grade C pot fi:
a) K mici cu P Ф intre 0, 35÷6 KW
b) K medii cu P intre 6÷115KW
c) K mari cu P intre 115÷350 KW
d) K foarte mari cu P>350 KW
2)Dupa nr de cilindrii:poti fi cu 1 sau mai multi cilindrii
3)Dupa sensul de circulatie a vaporilor in cilindru:
-in echivalent cu supapele de aspiratie montate in piston
-in contracurent cu supapele de osp si refulare montate cu corpul cilin
4)dupa nr treptelor de comprimare (una sua doua trepte la comprimare)
5)dupa modul de antrenare a arborelui calit de catre motor:
-cu cuplare directa
-cu cuplare indirecta
6)dupa turatia arborelui motor n:
-cu functionare lenta cu n<600
-cu functionare rapida cu n apartine (600 – 3600)
-cu functioanre rapida cu n>3600
7)dupa modul de etansa a K in raport cu axul motor:
-deschise
-semicapsulate
-capsulate
8)dupa agentul frigorinstalatii frigorificeic folosit:
-K pt amoniac
-k pt freoni
9)dupa pozitia axelor cilindrilor:
-vertical
-orizontal
-in V sau U
-orizontal in U
-in dublu U
-in dublu W
-orizontal
Asezarile in unghi permit echilibrarea maselor si reglajul puterii mai usor.
10)dupa modul de reglaj a baterii frigorinstalatii frigorificeice
-cu reglaj
-cu reglaj nominal
-cu reglaj automat
11)dupa modul de echipare
-k simple
-agresate la care k e ansamblat pe un cadru comun cu autostabilitatea partilor componente ale INSTALATII FRIGORIFICE respective
12)dupa nr fetelor active ale pistonului
- cu simplu efect
-cu dublu effect care primesc agent vapori sip e o suprafata sip e cealalta comprimandu-le alternative;Sunt caracteristice K orizontale lente de puteri mari
13)asigura modul de distributie a cilindrilor pe monetoare :
a)in tonden
b)in compond

a)in tonden

1-cilindru
2-piston
3-biela cu bolt
4-arbori cotit cu un moneton
5-supap de aspiratie
6-supapa de refulare
7- valant de antrenare a arborelui
8-lagare de capat ale arborelui
9-moneton cu 2bile si lagarele respective
10- bloc supape
12-carer
14)dupa modul de racire a cilindrilor compresorului:
-cu apa pt pistoanele grele si lente folosite la echiparea K de puteri mari in echi current prin canale numite camasi montate la partea superioara a cilindrilor sau prin racirea capacelor de apa
-cu aer direct
-cu ajutorul vaporilor reci aspirati de K la pistoane si cilindrii mai scurti usori si simplu care permit realizarea unor uratii mari si dimensiuni de gabarit mici(K) folositi la echiparea K. Racirea lagarelor se face cu ajutoarul unui lichid de racire care raceste cric de ulei contribuind astfel si la racirea cilindrilor
15)dupa tipul pistonului:
a)cu piston greu cu cap de cruce la K orizontale de puteri mari si f mari
b)cu piston usor la K cu puteri mici mari mijlocii
c)cu piston mic la K uscate (piston cu labirinturi sau cu segmenti din material plastic)
Temp agentului frigorinstalatii frigorificeic in ciclu de referinta mormal si standard. Ptg a face posibila compararea puterilor frigorinstalatii frigorificeice ale dinstalatii frigorificeeritelor K este necesara stabililirea unor conditii identice de functionare. Astfel sau stabilit cconditiile de referinta caracterizate prin anumte temperaturi de vaporizare, aspiratie, condensare si subracirea agentului frigorinstalatii frigorificeic. De aceea cand se da puterea frigorinstalatii frigorificeica a unui K pt un anumit agent frigorinstalatii frigorificeic trebiue precizate conditiile de referinta si /sau conditiile efective de lucru. De obicei conditile de lucru (referinta) se precizeaza prin scrierea in paranteza a celor 4 temperaturi
|
Temperatura |
Simbol |
Ciclu de refeinta(grade C) Normal standard |
|
Vaporizare Aspiratie Condensare Subracire |
t0 tas tc tsr |
-10 -15 -10 -15 2530 1525 |
Notarea (simbolizarea) K cu piston fabricat in Romania
Simbolul e format dintr-un nr care indica nr de cilindri, o prima litera ce indica agentul frigorinstalatii frigorificeic cu care se lucreaza (A-pt amoniac, F-pt freon, C-pt clorura de metil CH3Cl), a 2 litera si cinstalatii frigorificera ce indica dispoziti si nr cilindrilor ce lucreaza pe acelasi moneton (V-vertical, U-in unghi , eventual litera D sau B pt K cu 2 trepte de comprimare si o cinstalatii frigorificera finala care indica diametrul sau alezajul cilindrului ori puere K in mii de Kcal /h in anumite conditii
Expl a) 2AV 20 SI Ф0=100 000 KcalN/h
a) 3ADV 20 SI Ф0=150 000 KcalN/h
b) 6AWB20 Ф=300 000 KcalN/h
c) Grupul AV -10 sunt agrgate cu puterea Ф0=10 000 KcalN/h
2AV-10 Ф0=20 000KcalN/h
4AV-10 Ф=40 000 KcalN/h
e)2FV -6, 5 Ф0=10 000 KcalN/h
f)2CU-6, 5
g)6 AW-100 =>Ф0=100 000KcalN/h
h)6FW -63 =>Ф0=63 000 KcalN/h
Clorura de metil (R40) se folosete in agregate de puteri medii si mici
Constructia principalelor parti componente si functionarea K cu piston
1) Carterul –este elementul de asmblare intre dinstalatii frigorificeerite organe ale K (cilindru, lagare, glisiere ) si care face legatura cu fundatia de beton a K. Sunt constructii de tip inchis care lucreaza cu agent frigorinstalatii frigorificeic sub presiune si constituie si rezorvorul de ulei al K. Au capace de vizitare pt accesul la bile precum si talpi de fixare pe partile laterale. Poate fi executat prin turnare sau sudare in 2 variante :
-separat de blocul cilindrilor (forma clasica ) fiind asamblat cu aceasta prin garnituri si suruburi
- monoloc impreuna cu blocul cilindrilor
Se realizeaza din fonta obisnuita sau perlitica aliata cu nicel pt a rezisrta mai bine scaparilor de agent sau de otel.
2)Pistoanele sunt organe de masini cu o miscare rectilinie alternativa in interiorul cilindrilor, producand astfel aparitia, comprimarea si evacuarea vaporilor. Se executa din fanta si otel prin turnare si presare iar la K rapide in contracurent si edin aliaje di aluminiu
Sunt de 2 tipuri constructive principale:
-pistoane grele la K in echicurent
-pistoane usoarel la K in contra curent
Ambele tipuri sunt forme de:1)corp pistoane
2)segmenti de etansare ( de presiune, de compresie) montati la partea superioara
3)segmenti de ungere montati la partea inferioara
4)boltul care e organul de legatura intre piston si biela
a)pison greu b)piston usor


Segmentii sunt piese intermediare care se monteaza intre cilindru si pston si care au rol de etansare in trepte si de ungere. Se executa din fonta cenusie prin turnare la pistoanele grele si din aliaje de aluminiu la cele usoare si trebuie sa aiba o duritate mai mica decat a cilindrilor deoarece se uzeaza si se inlocuiesc in special primul segment de etansare. Segmentii de ungere asigura un fluid de ulei intre cilindru si segment, surplusul de ulei fiind evacuat constant

3)Supapele sunt organe de inchidere a care permit comunicarea cilindrilor pe rand cu conductele de aspiratie si refulare. Supapele functioneaza pe dinstalatii frigorificeerentele de presiune dintre cilindru si conductele pe care sunt montate, care egaleaza forta de aparare a unui resort sau pe actiunea fortelor de inertie care apar la miscarea pistonlui. Trebuie sa indeplineasca mai multe conditi (de etansietate si inchidere perfecta, caderei de presiune cat mai mici la deschidere si trecerea vaporilor de inertie cat mai mica la inchidere, de rezistenta meccanica la socuri, zgomot redus )Constructiv sunt de mai multe feluri tipuru pt dinstalatii frigorificeerite K( concentric la K in contracurent separat pe piston si cilindru la K in echicurent) In exploatare supapele se verinstalatii frigorificeica dupa 4-500h de functionare
4. )Ansamblul bielei manivela format din bratul arborelui calit si biela are rolul de a transforma miscarea de rotatie a arborelui in misc arborelui pistonului rectilinie alternative si de a transmite acestuia energia mec a arborelui. Biela e formata din capul bielei cu partea de jos separata si ansamblata prin suruburi;corpul bielei cu sectiune in forma de I, ovala se monteaza boltul de la interior pt a micsora uzura boltului si a arborelui cotit. Distributia uleiului de ungere a mechanism biela-manivela se face prin cuzineti si corpul bielei care au practicate canale de ungere aflate in legatura cu canalul de ungere al arborelui cotit prin orinstalatii frigorificeicii corespondente. Bielele se confectioneaza din OLC35 forjat sau turnat, fonta speciala sau aliaje Al.
5. )Valantul e o roata de masa mare cu rolul de a uninstalatii frigorificeormiza miscarea de rotatie a masinii inmagazinarea energiei cinetice in perioada cand are loc tendinta de accelerare si prin cedarea energiei mecanice in perioada cu tendinta de scadere a turatiei. O masina are o functionare cu atat mai neregulata si necesita un solvent cu o masa mai mare cu cat turatia si nr ei de cilindrii sunt mai mici.
6). Etansarea are rolul de a impiedica scaparea vaporilor de agent in exterior precum si patrunderea aerului in K pe langa arboreal cotit la K de tip deschis. Exista dinstalatii frigorificeerite sisteme de presetupe cu materiale de etansare specinstalatii frigorificeice in functie de tipul K:presetupe cu inele de frecare, cu cutii de etansare, cu curduf cu arcuri de autoreglare.
7). Ungerea compresoarelor(K) Suprafetele care se ung la un K sunt:
-cuzinetii lagarelor arborelui cotit ale bielei, suprafata de lucru a clindrilor, suprafetele inelelor presetupei. Ca sisteme de ungere se folosesc in special ungerea prin bolbotaj la K mici si ungerea sub presiune cu pompe de ulei cu roti dintate, pompe cu piston sau cu palete rotative fiind cel mai utilizat.
Alte metode de ungere:-ungerea prin picurare
-ungerea cu ungatoare metalice cu fitil unde exista putine puncte de ungere intre piese, viteze de deplasare mici si presiuni relative mici(la Korizontale lente)
-ungerea prin efectul piesei centrinstalatii frigorificeuge la I. F mici prin montarea pe arborele cotit a unei cosete de ulei in rotatie odata cu arborele. De la pompa uleiul e impins printr-un canal prevazut in arbores au printr-o conducta speciala la lagarele arborelui cotit la fusuri, bolturi, cilindrii. Capatul circuitului e cutia presgarniturii de unde uleiul se intaorce in carter printr-o supapa cu bila Pompa de ulei asigura o supra presiune intre0, 5-1, 5 intre uleiul din cutia presgarniturii si uleiul din carter, sufficient pt ungerea tuturor articulatiilor

Verinstalatii frigorificeicarea sistemului de ungere se face cu ajutorul vizoarelor sau prin mas temp dinstalatii frigorificeeritelor piese in frecare(lagare, cilindrii)
8). Dispozitive de protectie si control
Buna functionare si preotectia a K e asigurata prin:
-manometre care indica refulare
-manometre dinstalatii frigorificeerentiale
-termometre pe conduc de aspiratie si refulare
-dopuri de plumb prevazute in camasile de racire cu apa a cilindrilor care portejeaza impotriva inghetarii cu apa
-diversi senzori pt traductoare de temeperaturi si presiuni
9). Reglajul puterii frigorinstalatii frigorificeice a K
Pornind de la relatia Q=-Qov Pid patrat/4SNn/60(w)
Qov-putere frigorinstalatii frigorificeica volumica in j. m la cub
D-diametrul cilindrului
Pid patrat/4-aria cilindrului
S-cursa cilindrului
N-nr cilindrii
Puterea se poate regal modinstalatii frigorificeicand marimile din ea. Metodele de reglaj sunt:-prin reglaj continuu si in trepte sau discontinuu. Reglajul continuu se poate face prin:
a)variatia progresiva a vitezei la K antreante cu mootare de CC
b)-lamianrea vaporilor aspirati inaintea de intrarea lui cu ajutorul unor sisteme de laminare
c)inchiderea intarziata a nipopeplor de aspiratie
d)trecerea de vapori comprimati din conduc de refulare in cea de aspiratie.
Reglajul prin trepte poate fi asigurat prin:
-porniri si opriri succesice a K la INSTALATII FRIGORIFICE mici cu ajutorul unui thermostat sau presostat. daca INSTALATII FRIGORIFICE are mai multe k in paralel acestea pot fi puse sau scoase in functiune cu un mechanism de ceasornic.
-reglajul prin mers in gol adica desi K functioneaza nu livreaza vapori comprimati. Aceasta metoda se realizeaza prin blocarea supapelor de aspiratie in pozitia deschis sau prin deschiderea unei conducte.
-reglajul prin variatia vitezei folos mat electrice cu motorul in scurtcircuit si cu statorul la care se face comutarea nr de perechii de poli si deci turatiile se readuc de 2-3-4ori.
10)Comparatie intre K pt amoniac si cele pt freoni
Deoarece freonii au capacitate frigorinstalatii frigorificeica (q0v) mai mica decat amoniacul NH3 in aceleasi conditii de lucru este necesar la K pt freoni realizarea unor sectiuni mai mari de trecere prin supape si a unor diametre ale cilindrilor mai mari deoarece debitul de vapori e mai mare. Deasemeni rapoartele de comprimare a cilindrilor sunt mai mici desi cilindrii sunt mai scurti, iar solicitarile mecanice care apar, precum si temp de refulare a vaporilor sunt mai scazute, fapt care simplinstalatii frigorificeica racirea k pt freoni. Datorita dinstalatii frigorificeuzibilitati freonilor e necesar folosirea unor materiale de constructi speciale cu nr redus de imbinari si etansari speciale. Fiind miscibil cu uleiul, se prefera constructia in contracurent cu rezistente electrice pt incalzirea uleiului inainte de pornire si un spatiu de separare a uleiului care se reantoarce o data cu vaporii aspirati K pt freoni se construiesc in variantele deschis, semideschis,, ermetic, pe cand K pt amoniac nu se executa decat sub forma deschisa deoarece amoniacul ataca materialele motorului electric
Alte tipuri de K :
a)Krotativ cu lamela culisanta in stator

1-cilindru 4-lamele glisante 7- orinstalatii frigorificeiciu de refulare
2-piston5-resort
3-arbore cu excentric 6-orinstalatii frigorificeiciu de aspiratie
Nu are supape de aspiratie. Se foloseste pana la temperaturi de vaporizare de -- -50 grade C intr-o treapta de comprimare Se cupleaza direct cu electromotorul sau curele trapezoidale si folos lagare cu rulmenti
b)K rotativ cu lamele culisante in rotor (K celular)

1-corp cilindric din fonta (stator)
2-rotor din fonta
3-canale radiale inclinate
4-lamele culisante din otel
5- ax rotor situat excentric fat de stator
6-racord de aspiratie
7-racord de refulare
K nu are supape de aspiratie si refulare . Vaporii aspirati intre 2 lamele sunt apoi comprimati prin micsorarea volumului dintre lamele, spatil respective numindu-se celula
c)K elicoidal( cu surub)
Se foloseste pt rapoarte de comprimare f mari si dinstalatii frigorificeerente de presiune intre refulare si aspiratie mari. E format din 2 piese sau rotoare de tip angrenaj elicoidal (cu roti dintate lungi, cu nr mic de dinti ) de forma unor suruburi cu filet fara sfarsit ;unul dintre rotoare fiind conducta si avand de obicei 4 dinti iar celalalt fiind condus si avand 6 dintii. Rotorul principal e antrenat de electromotor si are o turatie cu 50% mai mare decat cel secundar. Vaporii de agent sunt antrenati si golurile elicoidale dintre rotoare si comprimati prin miscarea volumului acestora. Aspirarea se face pe la un capat iar refularea pe la celalalt capat, cele 2 rotoare fiind plasate in cilindru comun. Rotoarele nu se ating intre ele si nu au nevoie de ungere dar se foloseste un circuit de ulei pt marirea randamentului compresiei (reducerea scaparilor de vapori prin spatiuldintre rotoare) si apoi racirea vaporilor comprimati precum si pt amortizarea zgomotului produs de K
Reglajul puterii frigorinstalatii frigorificeice se face continuu printr-un sertarn cu miscare de translatie amplasat la partea inferioara a rotorilor in carcasa, care deschide o fereastra pe unde o parte din vaporii aspirati se intorc in aspiratia K
K elicoidal foloseste ca agenti amoniacul si freonii
Avantaje :
1)nu are supape se elimina pierderile de agent
2)are turatii mari deci dimensiuni si mase mici
3)au fundatii usoare
4)poate fi automatizata pt anumiti parametri
Dezavantaje :
1) necesita precizie de prelucrare mare
2) se folosesc puteri frigorinstalatii frigorificeice mici
3) au zgomot ridicat

1-rotor conductor
2-rotor condus
3-sertar de reglare a puterii
4-carcasa cilindru
d)K centinstalatii frigorificeugare sau turbocompresoare
Sunt alcatuite din rotori, canal de aspiratie, dinstalatii frigorificeuzoare cu paleta si camera spirala. Vaporii sunt aspirati in rotor, apoi sunt accelerati de turbine cu palete si comprimati in rotor si in dinstalatii frigorificeuzor pe baza fortelor centrinstalatii frigorificeugale. Sunt folosite in inst frig unde sunt necesare debite mari si rapoarte de comprimare reduse (climatizare). Functioneaza cu 1 sau mai multe trepte de comprimare 1÷3 trepte pt climatizare si 2÷8 trepte (sau rotoare )pt inst frig idustriale. Pot fi axiale sau radiale dupa cum admsia si refularea vaporilor sunt paralele si perpendiculare pe axul de rotaitie. Ungerea lagarelor si presetupei se face cu o pompa de ulei cu roti dintate imersata in baia de ulei si actionata de o transmisie a arborelui
Turbocompresorul are o constructie simpla cu parti aflate numai in de rotatie de masa mica, iar la turati mari mersul lui e silentios si fara vibratii. Domeniul presiunilor de refulare e limitat de debitul aspirat ndeoarece la o anumita valoare a debitului procesul de comprimare se opreste si si incepe miscarea inversa a gazului . Dp creste => Qm scade


Capitolul 5. 2 Schimbatoare de caldura(condens si vaporizoare)
Sunt componente de baza ale INSTALATII FRIGORIFICE deoarece in interiorul lor are loc transferal caldurii intre doi agenti termici aflati in stare fluida de la cel cald la cel rece. Dupa principiul de functionare se impart in 2 categorii:-s. a cu perete despartitor(prin suprafata) la care transferul caldurii are loc printr-un perete metallic solid. Astfel de s. a in INSTALATII FRIGORIFICE sunt condensatoarele, vaporizatoarele, subracitoarele cu agenti intermediary, schimbatoarele de caldura interne(economizare)
-s. a prin amestec la care transferal caldurii se face prin contactul direct intre agenti si prin amestecarea fluidului cald cu cel rece;In INSTALATII FRIGORIFICE astfel de S. q sunt:buteli de racire interioara. Dupa sensurile de scurgere ale agentilor in Sq pot fi:
1)-S. q in echicurent(circuite paralele si de acelasi sens)
2)-S. q in contracurent
3)-S. q in current incrucisat(pe directii care se intersecteaza in general la 90 grade)
4)-mixt(simultan echivalent si contracurent)
5)mixt multiplu incrucisat
Ecuatiile fundamentale ale schimbatorului de Q sunt:
-ecuatia de transfer a calduriiQ=KSDtm
-ecuatia de bilant termic Q1bilant=Dag·CagDtag
Qtr=Qbilant[W]
k-coeficinet de transfer global
D-debit agent
C-caldura specinstalatii frigorificeica a ag
Capitolul 5. 2. 2 Condensatoare
Condensatoarele frigorinstalatii frigorificeice S. q in interiorul carora vaporii de agent frigorinstalatii frigorificeic supraincalziti se racesc pana la temp de saturatie cores presiunii respective si condenseaza cedand Q lor(de racirea vaporilor supraincalziti si de Q latenta de condensare) unui agent de racire. Condensatoarele frigorinstalatii frigorificeice se pot raci cu apa(cele de puteri mari) cu aer(cele de puteri mici si medii), mixt cu apa si aer(cele de puteri medi si mari) si cu un alt agent frigorinstalatii frigorificeic.
Ecuatia de bilant termic al condensatorului este:
Pc=P0+Pi:[W] P=multimea vida
Pc-puterea termica a conden
P0-puterea frigorinstalatii frigorificeica a INSTALATII FRIGORIFICE
Pi-puterea indicate a compresorului
Pc=KScDtm Sc-suprafata de schimb de Q al cond
Dt-dinstalatii frigorificeerenta de temp
Sc =Pc/KDtn=Pc/qc [m patrat]
qc- sacina termica
In cond pe langa racirea si condensarea vaporilor poate avea loc si subracirea lichidului daca debitul de lichid de racire sau dinstalatii frigorificeerenta de temp apa agent sunt suficient de mari
a) condensatoare racite cu apa
Constructia C racite cu apa sunt :
-cu serpentia inecata (tip vechi )
-cu conducte concentrice (teava cu teava ) si circulatie in contracurent a agentilor CMO
-multitubulare de tip orizontal sau vertical (pot fi si imersate in apa)
. La C din inst frig cu freon pt marirea suprafetei de schimb de caldura si micsorarea dimensiunilor C se folosesc conducte cu nervuri laminate (sau extudate care au o suprafata de transfer termic de 4-5 ori mai mare decat a conductelor netede. Nervurarea se face pe partea freonului, apa circuland prin tevi iar agentul printre tevi (in exterior)
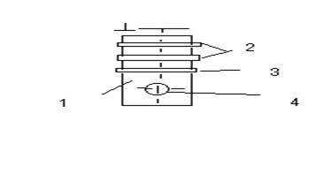
Condensator multitubular vertical C. M. V

1-corp cilindric
2-placi tubulare
3-conducte de apa
4-rezervor superior de apa
5-ventil cu flotor care alimenteaza rezervorul 4
6- Fante elicoidale (au capacitatea de distributie a apei in pelicule )
7- rezervor inferior de apa
8-evacuare apa (conducta)
9-conducta de prea plin
Asezarea tevilor in manta se face in asicer sau Ginabat

Tehnofrig Cluj const C. M. O cu suprafete cuprinse intre 50-300m patrati si pt capacitati frigorinstalatii frigorificeice pana la 500 000 Kcal/h
CMO pt amoniac sunt dotate cu termometre pe racordurile de intrare iesire a apei, monometre pt agentul vapori, sticla de nivel pt agentul lichid, aparat de dezaerisire si racord de evacuare aer , racord de purjare ulei la partea inferiora si supapa de siguranta pt amoniac
Debitul necesar de apa pt racirea condensatorului este:
Qapa =Pc/Ca(ta intrare +ta iesire)=Pc/CaDta [Kg/s]
In mod normal temperature Dta eate de 2-3 grade C cand avem apa de rcire si ajunge pana la Dta 10-15 grade C in situatiile cand nu avem duficienta apa (La CMO –Dta =5 grade C iar la CMV –Dta =4 grade C)
Viteza apei la condensare pt amoniac este este intre 0, 7÷1, 4 m/s iar pt freoni viteza apei este intre2-2, 3 m/s. K se recomanda intre 230-290W/m patrat K pt condenasatoarele imerasate, intre 700-950W/m patrat K pt condensatoare concentrice cu circulatie in contracurent si intre 700-1200 W/m patrat K pt CMO si CMV
b)condensatoare racite cu aer sunt caracteristice inst frig de puteri medii si sunt alcatuite din tevi de cupru, aluminiu sau otel fara sudura cu diametre de 3/8 -1/2” mai rar de 1” pt amoniac indoite in serpentine si prevazute cu aripioare pt marirea suprafetei de schimb de caldura.
Tevile sunt indoite pe verticala la cond mai marii fiind dispuse si pe orizontala pe mai multe randuri. La cond frigiderelor, tevile respective se monteaza pe o tabla decupata cu aripioare. Aerul de racire poate fi cu circulatie naturala la inst frig mici sau circulatie fortata (cu convectie circulara ) la inst frig medii. Viteza aerului este de 4-5 m/s iar Dt aer este recomandat 8-12 grade C. Pt K se recomanda la circulatia naturala 9-11 W/m patrat K iar K in circulatie fortata 22-25 w/m patrat K


c)Condensatoare cu racire mixta (apa+aer )
Se mai numesc cond atmosferice deoarece in general se monteaza in exterior in afara cladirilor . Consumul de apa de racire e mai redus deoarece apa e stropita prin orinstalatii frigorificeicii si raceste atat prin dinstalatii frigorificeerenta de temperatura dintre ea si ag cat si datorita evaporarii unei parti din apa pulverizata folosind pt racire caldura specinstalatii frigorificeica de vaporizare a apei.
|