Incercari specifice ale intreruptoarelor automate
Intreruptoarele automate constituind o categorie importanta de aparate electrice, problema normaliză 616j93g ;rii s-a pus inca de mult timp . Pe plan national exista norme privind intreruptoarele automate in aer si ulei pentru curent alternativ si continuu pana la 1000V c.a. si 1200 V c.c.
a) Numarul de actionari la care trebuie sa reziste mecanismul aparatului este mai redus decat la alte categorii din cauza ca intreruptoarele automate au conectari mai putin frecvente
b) Capacitatea de inchidere si de rupere este definita pentru 1,1 Un . In c.c. capacitatea nominala de inchidere este egala cu capacitatea nominala de rupere, iar in c.a. capacitatea nominala de inchidere exprimata in valoarea de varf este egala cu de n ori capacitatea nominala de rupere exprimata in valori eficace.
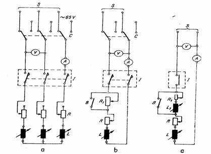
Schemele circuitului de incercare la uzura sub sarcina sunt reprezentate in figura 11.

Fig. 11. Schema circuitului de incercare a rezistentei la uzura sub sarcina a unui intrerupator automat.
a,b-pentru protectia motoarelor; c-verificarea contactelor auxiliare.
IMAGINI INTRERUPATOARE
|