Documente online.
Zona de administrare documente. Fisierele tale
Am uitat parola x Creaza cont nou
 HomeExploreaza
upload
Upload




Instalatia de ungere

tehnica mecanica







II. Constructia instalatiei de ungere.......... 3

III. Īntretinerea instalatiei de ungere........... 11


IV. Defecte īn exploatare ale instalatiei de ungere.... 14


V. Masuri de tehnica securitatii muncii, prevenire si

          ARGUMENT


Instalatia de ungere este formata dintr-un ansamblu de piese, care īmpreuna cu canalele respective, asigura ungerea organelor īn miscare ale motorului, precum si circularea, filtrarea si racirea uleiului. Prin aceasta se micsoreaza frecarea īntre suprafetelor pieselor īn miscare (deci si puterea consumata), se micsoreaza uzura si se asigura etansarea grupului cilindru-piston-segmenti, spalarea si evacuarea impuritatilor si particulelor metalice rezultate din uzura pieselor, ajuta la racirea pieselor, preīntāmpinānd oxidarea organelor cu care vine uleiul īn contact.

Metodele de ungere pot fi:

- ungerea prin presiune (fortata) prin care uleiul este trimis la locurile de ungere de catre o pompa de ulei;

- ungerea prin stropire, uleiul fiind īmproscat de catre arborele cotit, care īn miscarea lui de rotatie barboteaza uleiul din carterul inferior;

- ungerea mixta, prin care o parte din piese - cele mai solicitate - sunt unse prin presiune, iar celelalte prin barbotaj.

Motoarele de automobile au o ungere mixta. Uleiurile de ungere trebuie sa corespunda unor cerinte de calitate si de exploatare. Īmbunatatirea uleiurilor este asigurata prin adaugarea de aditivi.




















II.Constructia instalatiei de ungere.


II. 1. Baia de ulei (carterul inferior)


Este depozitul de ulei al motorului, fiind confectionata din tabla ambutisata sau turnata din aliaje de aluminiu, cu o parte profilata mai adānc pentru afundarea sorbului pompei de ulei.

Unele bai pot avea pereti despartitori pentru a se asigura mentinerea nivelului de ulei īn rampa. Īn partea inferioara este prevazuta cu buson de scurgerea uleiului, uneori cu magnet de retinerea particulelor metalice. Se monteaza pe blocul motor cu suruburi, etansarea fiind asigurata de o garnitura.


II. 2. Pompa de ulei


Din punct de vedere constructive pompele de ulei pot fi:

- cu roti dintate;

- cu palete;

- cu piston.

Cele mai utilizate sunt pompele cu roti dintate cu angrenare interioara sau exterioara (fig. 1. a. b.).

Pompa de ulei cu angrenare interioara (fig. 1. a.), folosita si la motorul D 797-05 (Saviem), functioneaza astfel: īn timpul rotirii īn sens invers a rotilor dintate 2 si 3 se creeaza o depresiune īn corpul pompei 1 si absoarbe uleiul din baie prin sorbul pompei, īn camera de aspiratie 4, de unde este preluat prin spatiile dintre dintii rotilor dintate si corp, apoi refulat īn camera de refulare 5 si trimis īn instalatie.

Pompa cu angrenare exterioara (fig. 1. b.) este utilizata si la motoarele D 2156 HMN 8, DACIA. Acest tip de pompa prezinta siguranta īn exploatare, realizeaza presiuni ridicate chiar si la turatii scazute, are constructie simpla, gabarit si masa reduse. Preītāmpinarea suprapresiunii, din cauza uleiului vāscos (mai ales pe timp rece) se face prin supapa de siguranta a pompei, care trimite o parte din ulei īnapoi īn baie. Īn felul acesta se mentine o presiune de refulare de 20 - 50 N/cm

Pinionul conducator al pompei de ulei are pe arborele sau o roata dintata care primeste miscarea direct de la arborele cotit (D 797-05, D 2156 HMN 8) sau de la un pinion de pe arborele cu came (DACIA).


a

b


Fig. 1. Pompe de ulei







II. 3. Filtrul de ulei.


Asigura retinerea impuritatilor, pentru ca uleiul sa-si mentina proprietatile de ungere nealterate. Ele pot fi pentru filtrare bruta sau fina.

Filtrul brut se monteaza īn serie īn circuitul pompei de ulei avānd o rezistenta mica de trecere, asigurānd un debit de 80 - 90 % spre sistemul de ungere.

Filtrul fin, legat īn paralel cu circuitul, are rezistenta mai mare de trecere (5 - 10 % din debitul pompei) si dupa filtrare uleiul este retrimis īn baia de ulei. Filtrele de filtrare fina pot fi statice sau dinamice.

Īn figura 2 este reprezentata constructia filtrului de ulei al motorului D 797-05. Uleiul trimis de pompa intra prin orificiul 2 din suportul 1, se filtreaza circulānd de la exterior la interior la interiorul elementului filtrant 3, apoi iese prin canalul 4 din suport si refulat īn circuitul de ungere. Supapa de scurtcircuitare 5 se deschide la circa 20 N/cm si uleiul trece nefiltrat spre radiatorul de racire cānd elemental de filtrare este īnfundat.







m, cāt si ca filtre fine, care retin particule pāna la dimensiunea de 5 m.

Filtrul dinamic, realizeaza filtrarea prin centrifugarea uleiului, elimināndu-se impuritatile mai grele.

Filtrul centrifugal 1 al motorului D 2156 HMN 8 (fig. 3) este montat īn paralel cu circuitul uleiului. Uleiul venit de la racitorul de ulei intra prin conducta 11, deschide supapa de primire 10, reglata la 10 - 20 N/cm pentru limitarea cantitatii de ulei admis la circa 20 %, trece prin interiorul axului 5 si īmpins prin canalele 7 īn spatiul dintre rotorul 4 si clopotul 3, apoi prin partea superioara ajunge īn spatiul dintre peretii rotorului, trece prin canalele 8 la duzele 9, creānd cuplul de rotire al rotorului, centrifugānd uleiul, dintre rotor si clopot prin manseta de hārtie 6; impuritatile retinute īn manseta se scurg īn jos, iar uleiul filtrat este īmpins īn sus. Uleiul filtrat ajuns īn carcasa inferioara a suportului 2 se scurge īn baia de ulei prin canalele respective.


II.4. Radiatorul (racitorul) de ulei mentine calitatile de ungere ale uleiului prin stabilizarea unei temperature optime la circa 80 C. Motoarele cu capacitate mare a sistemului de ungere sunt dotate cu racitor de ulei.

Racitorul de ulei al motorului D 797-05 (Fig. 4), este montat īn serie cu circuitul uleiului, este de tipul cu tevi simple, asezat īn pozitie verticala.

Uleiul cald de la filtru, intra prin orificiul 5, trece prin compartimentele peretilor despartitori 12 si iese prin orificiul 8 racit, de contracurentul apei care vine de la pompa de apa si intra prin teava 10 din capacul inferior 9, trece prin tevile 6 la partea superioara si iese printubul 1 din capacul superior 2.










































Fig. 5. Racitorul de ulei al motorului D 797-05







II. 5. Circuitul uleiului la motorul autoturismului Dacia 1300


Cānd motorul functioneaza, uleiul este absorbit de pompa 2, prin sorbul 3, din baia de ulei 1 si refulat cu presiune la filtrul 4 si apoi la rampa de ulei 5. Din rampa prin canalele auxiliare 6 este trimis la lagarele paliere ale arborelui cotit 7 si lagarele arborelui cu came 8 si rotile de distributie, iar prin canalul vertical 6 la axul culbutorilor 9 si la arborele ruptor-distribuitor, asigurānd ungerea suprafetelor de contact dintre culbutori, supape (inclusivarcurile lor 11 cu ulei pulverizat) si tijele īmpingatoare 10, depunāndu-se pe chiulasa. Se scurge apoi pe lānga tije, asigurānd ungerea suprafeselor de contact dintre tije, tacheti, camele arborelui cu came si se scurge īn baia de ulei. De la lagarele paliere ale arborelui cotit 7, uleiul este trimis cu presiune prin interiorul arborelui cotit la fusurile si respectiv lagarele manetoane 12, de unde este pulverizat īn picaturi foarte fine pe peretii cilindrilor 13, asigurānd semilichida a grupurilor piston-segmenti-cilindri si a bolturilor.

Alimentarea cu ulei se face pe la gura de umplere a capacului culbutorilor (prevazuta cu buson), iar controlul nivelului, cu o tija indicatoare (joja) pentru nivelul maxim si minim.

Controlul circuitului este reaslizat la bord de un bec de control (care se stinge la presiune normala) prin intermediul unui traductor 14 montat pe rampa de ulei - circuit electric (īn prezent toate automobilele sunt prevazute si cu manometru pentru masurarea presiunii uleiului).























Fig. 6. Instalatia de ungere a motorului Dacia




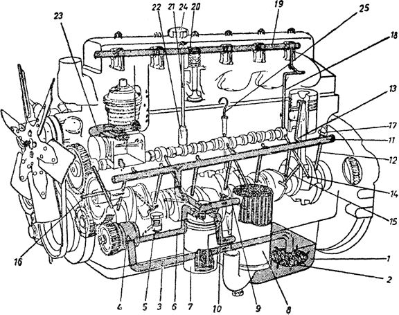
II. 6. Circuitul de ungere la motorul D 797 - 05 (Saviem)


Din baia de ulei 1, uleiul este aspirat prin sorbul 2 si conducta 3, catre pompa de ulei 4, apoi trimis cu presiune īn canalul 6, (unde se gaseste supapa 5 de reglare a presiunii care asigura o presiune a uleiului de 43 N/cm la turatia motorului de 2900 rot/min) si mai departe spre filtrul de ulei 7, si apoi racit īn radiatorul 8, intrānd prin conducta superioara 9 si iese prin orificiul canalului inferior 10 si condus la rampa de ulei 11; de aici trece prin canalele auxiliare din blocul motor 12 la lagarele paliere ale arborelui cotit si lagarele arborelui cu came; trece apoi prin canalele interioare ale arborelui 15 la lagarele manetoane, stropind si peretii cilindrilor, apoi se scurge īn baia de ulei.






Fig. 7. Instalatia de ungere a motorului D 797-05



Tot din rampa de ulei 11, prin canalele auxiliare 14, uleiul este trimis la conductele cu ajutaje de stropire 13, care se deschid la presiunea de 15 N/cm si arunca uleiul pe fundul pistoanelor pentru racirea lor si ungerea cilindrilor.

Prin canalul vertical 18, o parte din ulei ajunge la axul culbutorilor 19, pentru ungerea lagarelor culbutorilor, a suprafetelor de contact dintre culbutorii 20, supape si tijele īmpingatoare 21, se scurge pe acestea si tachetii 22 pentru ungerea suprafetelor lor de contact precum si contactele tachetilor cu camele de pe arborele cu came, apoi se scurge īn baia de ulei. O parte din uleiul de pe chiulasa se scurge pe canalul vertical si conducta 23, la lagarele arborelui cotit al compresorului de aer si apoi īn baia de ulei. Angrenajul distributiei este uns cu ulei venit pe canalul 16 de la rampa de ulei. Alimentarea se face pe la gura de umplere cu busonul 24, iar nivelul uleiului se masoara cu tija 25.























III. Īntretinerea instalatiei de ungere


Īntretinerea corecta a instalatiei de ungere contribuie contribuie īn mod substantial la marirea duratei de functionare a motorului.

Dintre lucrarile de īntretinere specifice instalatiei de ungere trebuie mentionate:

- verificarea nivelului uleiului din baia de ulei (depasirea nivelului peste semnul maxim duce la un consum inutil de ulei, ancrasarea bujiilor si depunerea de calamina īn camerele de ardere);

- curatirea periodica a filtrelor de ulei sau schimbarea la timp a celor capsulate (nedemontabile);

- folosirea unui ulei de calitate corespunzatoare starii de uzura a motorului si anotimpului (iarna si vara);

- schimbarea uleiului la periodicitatea stabilita īn functie de tipul motorului si de natura uleiului.

Pentru īnlocuirea uleiului sunt necesare operatiile:

- se aduce motorul la regimul termic normal (80 C temperatura uleiului);

- se scoate busonul de umplere din capacul culbutorilor;

- se asaza automobilul pe un elevator, rampa sau groapa;

- sub automobile se aseaza recuperatorul de ulei ars;

- se desurubeaza busonul de golire ulei (fig. 7):

- se asteapta pāna cānd se goleste tot uleiul din carter;

-se monteaza la loc busonul de golire;

















- se remonteaza busonul din capacul culbutorilor, se porneste motorul si se observa gradul de etansare a busonului de golire.









Īn tabelul urmator se prezinta periodicitatea schimbului de ulei precum si a elementului filtrant la diferite tipuri de motoare de constructie autohtona si straine.






































IV. Defecte īn exploatare ale instalatiei de ungere


Scaderea nivelului de ulei din baie, sub nivelul minim, cauzata de lipsa de etansare a īnbinarilor de la baie, filtre, busoane, slabirea busonului de golire, necompletarii la timp a uleiului consumat (admisibil circa 80-100 g la 100 Km), spargerea baii de ulei; depasirea vitezei normale a autovehicolului duce la consum exagerat de ulei.

Remedierea consta īn completarea la timp a nivelului uleiului din baie, strāngerea busonului, asigurarea etanseitatii sau sudarea baii de ulei, deplasare cu viteza moderata.



Micsorarea presiunii de ungere ca urmare a diluarii uleiului cu apa sau combustibil, modificarea calitatii uleiului, dereglarea sau neetansarea supapei de suprapresiune, scaderea nivelului de ulei sub minim, defectarea pompei de ulei.

Diluarea nivelului din baie cu apa formeaza o emulsie (spuma galbuie de tija) care īnrautateste ungerea. Este cauzata de spargerea garniturii de chiulasa, a inelelor de etasare de la cilindrii motorului, a spargerii tevilor de la racitorul de ulei, sau neetansarii garniturilor racitorului.

Remedierea consta īn īnlocuirea uleiului si īnlaturarea cauzei defectiunii.

Diluarea uleiului cu combustibil, ca urmare a perforarii diafragmei pompei de combustibil, pornirii repetate a motorului la rece, amestec carburant prea bogat, functionarii motorului la regim termic inferior din lipsa termostatului. Urmarea este īnrautatirea ungerii.

Se remediaza prin īnlocuirea diafragmei, evitarea pornirilor repetate la rece, amestec carburant normal, folosirea regimului termic normal.

Modificarea calitatii uleiului, provocata de neschimbarea la timp a uleiului sau filtrului, a utlizarii unui ulei de calitate inferioara, ceea ce micsoreaza periodicitatea schibului de ulei, sau uzurii excessive a grupului cilindru-piston - segmenti.

Remedierea consta īn respectarea periodicitatii schimbarii uleiului si filtrului, de calitate ceruta.

Dereglarea sau neetansarea supapei de suprapresiune se datoreaza slabirii sau ruperii arcului, impuritatilor din ulei care īmpietica asezarea supapei pe scaun.

Se remediaza prin strāngerea piulitei de reglarea a supapei (sau īnlocuirea arcului rupt) schimbarea uleiului si filtrului la timp.

Defectarea pompei de ulei, īndeosebi ruperea dintilor pinionului de antrenare , sau a arborelui pompei este cauzata de īnghetarea apei din ulei (cānd este diluat cu apa), accelerarilor bruste si repetate imediat dupa pornirea motorului la rece, utilizarii unui ulei vāscos. Aceasta poate duce la griparea si chiar topirea lagarelor. Se observa prin scaderea brusca a presiunii la manometru (dar trebuie controlat si traductorul cu legaturile electrice pentru identificarea corecta a defectiunii).

Remedierea consta īn īnlocuirea rotilor dintate sau arborelui defect al pompei de ulei, īn ateliere, autovehicolul fiind remorcat.

Infundarea duzelor de la ajutajele de stropire de la motorul D 797-05 si D 2156 HMN 8,din cauza impuritatilor, ceea ce impune īnlocuirea la timp a uleiului si filtrelor, inclusiv manseta de hārtie de la filtrul centrifugal. Aceeasi defectiune poate fi īntālnita si la duza din conducta de ventilatie a carterului la automobilul Dacia 1300.

Remedierea consta īn scoaterea duzei si curatirea depunerilor, dupa care se remonteaza duza si conducta.




























V. Masuri de tehnica a securitatii muncii, prevenire si stingere a incendiilor la lucrarile de īntretinere, reparare si exploatare a automobilelor


Īn scopul eliminarii pericolului de accidente la locul de munca este necesar sa se respecte urmatoarele masuri si reguli principale:

- personalul muncitor va fi echipat cu echipament de lucru corespunzator;

- piesele si sumansamblele care urmeaza sa fie demontate sau prelucrate trebuie sa fie bine fixate pe dispozitive sau suporti speciali;

- este interzisa folosirea sculelor decalibrate care pot provoca accidente prin lovire sau alunecare;

- cozile si mānerele uneltelor de māna vor fi executate din lemn de esenta tare, fiind bine fixate si vor avea dimensiuni care sa permita prinderea lor sigura si comoda;

- uneltele de māna actionate electric sau pneumatic vor fi prevazute cu dispozitive sigure pentru fixarea sculei, precum si cu dispozitive care sa īmpiedice functionarea lor necomandata;

- pentru protectia īmpotriva electrocutarii prin tensiuni accidentale de atingere, toate masinile unelte, carcasele metalice ale utilajelor electrice de actionare, comanda si control vor fi protejate prin legare la pamānt si la nul īnainte de darea lor īn exploatare;

- se interzice executarea lucrarilor pe masini unelte cu instalatii si mecanisme defecte, cu scule defecte, precum si de catre persoane care nu cunosc particularitatile constructive ale masinilor unelte respective;

- pietrele abrazive ale polizoarelor si masinilor de rectificat trebuie sa fie īngradite cu aparatoare din tabla prevazute cu ecrane transparente;

- la lucrarile care necesita ridicarea automobilului este obligatorie instalarea dupa ridicare a unor capre si suporturi, care sa īmpiedice caderea accidentala a automobilului sau a unor subansambluri ale acestuia;

- demontarea si deplasare unor subansambluri grele ale automobilului trebuie sa se faca cu ajutorul unor dispozitive si instalasii speciale; este interzisa folosirea īn acest scop a funiilor, rangilor etc.

- īnainte de demontare, toate subansamblele automobilului trebuie sa fie golite de lubrifianti si de combustibil, care se colecteaza īn rezervoare amplasate īn conformitate cu normele PSI;

- vopsirea automobileleor se va executa īn īncaperi care vor fi prevazute cu instalatii de ventilare eficiente pentru a se preveni īmbolnavirile profesionale;

- la sudarea electrica, īntreaga instalatie va fi legata la retea printr-un īntreruptor de protectie la pamānt pentru prevenirea pericolului de electrocutare;

- īn atelierul de reparatii este interzis fumatul, folosirea focului deschis, folosirea lampilor de benzina necorespunzatoare; īn caz de incendiu se va interveni pentru localizarea si lichidarea acestuia cu echipamentul din dotare iar, daca este cazul, se vor anunta pompierii.






































BIBLIOGRAFIE


1. Antonescu E. ; Fratila M. - Instalatii si echipamente auto - Editura Didactica si Pedagogica - Bucuresti 1995.


2. Cristescu D. ; Raducu D. - Automobilul: constructie, functionare, depanare - Editura Tehnica 1986.


3. Caraciugiuc Gr. ; Patrascu N. - Tractoare - Editira Ceres - Bucuresti 1980.


4. Fratila Gh. ; s.a. - Automobile sofer mecanic auto - Editura Didactica si Pedagogica - Bucuresti 1994.


5. Husein Gh. ; Tudose M. - Desen tehnic de specialitate - Editura Didactica si Pedagogica - Bucuresti 1992.


6. Mondiru C. - Autoturisme Dacia - Editura Tehnica - Bucuresti 1990.
























Document Info


Accesari: 47138
Apreciat: hand-up

Comenteaza documentul:

Nu esti inregistrat
Trebuie sa fii utilizator inregistrat pentru a putea comenta


Creaza cont nou

A fost util?

Daca documentul a fost util si crezi ca merita
sa adaugi un link catre el la tine in site


in pagina web a site-ului tau.




eCoduri.com - coduri postale, contabile, CAEN sau bancare

Politica de confidentialitate | Termenii si conditii de utilizare




Copyright © Contact (SCRIGROUP Int. 2025 )