Intreruptoare de sarcina

Fig. 1.12. Intreruptor 151f54b tripolar de sarcina
Asa cum am prezentata si in 1.1 ,interuptoarele cu parghie pot intrerupe curentul lor nominal,in circuite de curent alternativ neinductive (circuite de iluminat),la tensiunea de 220 si 380 V.Pentru circuitele inductive (cu motoare)sau in curent continuu,curentul de rupere este de numai (0,4.0,5)In .Aceste intreruptoare nu pot fi utilizate pentru a intrerupe curenti de sarcina mari.
Intreruptorul de sarcina din figura 1.12 este destinat conectarii si deconectarii circuitelor electrice de joasa tensiune din instalatiile electrice de distributie .De asemenea,intreruptorul asigura si separarea vizibila a acestor circuite.
Penru curenti mai mari se folosesc intreruptoarele de sarcina (fig 1.13.) care prezinta urmatoarele avantaje :gabarit redus,capacitate de rupere mai mare,posibilitate de etansare,durata de serviciu marita.
De regula,aceste intreruptoare sunt actionate cu ajutorul unei manete ce se afla e fata aparatului.
Intreruptoarele de sarcina de tip USOL ,se utilizeaza pentru conectarea si protectia motoarelor electrice si a retelelor de distributie de joasa tensiune.
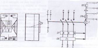
Intreruptoarele de sarcina de tip USOL sunt prevazute cu declansatoare termite DT,electromagnetice DE,de tensiune minima DTm si de deschidere DD.
Schema electrica a unui intreruptor de sarcina de tip USO-100 A este prezentata in figura 1.13 b.
In instalatiile electrice s regasesc intreruptoare de sarcina (automate)de 100,250,500 A

Fig 1.9. Intreruptor de sarcina de 100 A
a- vedere : 1 -releu termic,2-axul declansatorului ; 3-maneta de actionare
4-mecanismul de ancasare si declansare -contact mobil 6-camera de stingere
7-contact fix - carcasa,b- schema electrica

Fig. 1.14. Intreruptor de sarcina tip AMRO-100 A
a- pozitia de montaj si b- schema electrica cu urmatoarele declansatoare :
DD- de deschidrere ; DTm- de tensiune minima ; DT-termic ;De-electromagnetic
Tot ca intreruptoare de sarcina sunt utilizate si intreruptoarele de tip AMRO.Acestea sunt fabricate pentru o gama larga de curenti de sarcina (exemplu : 10,16,25,40 si 100 A) (Fig 1.14.)
|