Distribuitoare hidraulice
6.1 Notiuni generale
a) Rolul distribuitoarelor
Rolul acestora este de a dirija fluidul, de a stabili (deschide) sau a inchide una sau a mai multe cai de curgere, sub actiunea diferitelor comenzi (manuala, electrica, hidraulica, etc.).
Atunci cand aparatul are in componenta 2 electromagneti, acestia permit realizarea iesirii in A (prin pilotarea in y), sau in B (pilotare in x), sau pozitia de repaus (in abesnta pilotarii).
e) Caracteristici functionale generale
Debitul pentru care el a fost conceput;
Presiunea de functionare;
Modul in care este comandat (manual, mecanic, hidraulic, electric, pneumatic);
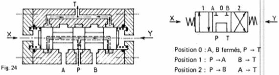
Distribuitor 4/3, A, B inchise, P→T

Fig.9
6.3 Acoperirea la distribuitoarele cu sertar de tip BOSCH
In cazul unui distribuitor cu sertar culisant, prin acoperire intelegem lungimea de etanseitate de la fanta de strangulare la diferitele camere de presiune.
Distingem doua tipuri de acoperiri : acoperirea in stare de repaus si acoperirea in stare de lucru.
b. Acoperirea in stare de lucru
Putem distinge in acest caz:
Acoperire negativa:
Acoperire pozitiva:
P A B T inchise
P A B T deschise
P inchis A B T deschise
P A B deschise T inchis
P T deschise A B inchise
P B inchise A T deschise
P A inchise B T deschise
P A T deschise B inchis
P A deschise B T inchise

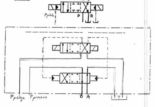
Un semnal electric de intrare , aplicat asupra electrovalvei, este transformat intr-un semnal de presiune actioneaza asupra sertarului principal.
Avantajul acestui dispozitiv este de a se evita, in cazul distribuitoarelor de mare capacitate, utilizarea unor electromagneti foarte mari.
b) Functionare
Pe valva hidraulica principala este montata electrovalva pilotata. Camerele de pilotare sunt unite cu orificiile de iesire a1 si a2 a electrovalvei.
In urma aplicarii unei unei tensiuni electrice camera de pilotaj dreapta sau stanga este supusa unei presiuni de pilotare. Atata timp cat bobinele sunt sub tensiune, cele doua camere de pilotaj sunt unite cu orificiul de drenare; deci decomprimate, sertarul principal revenind atunci in pozitia de reapaus fara efectul resortului.
c) Exemple de reprezentare
2 pozitii, comanda electrica, pilotare hidraulica, alimentare externa:

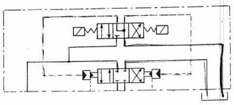
2 pozitii blocabile, comanda electrica, pilotare hidraulica, alimentare interna:

3 pozitii, centrare prin resort, pilotare hidraulica, alimentare externa:
fig.19
3 pozitii, centrare prin resort, pilotare hidraulica, alimentare interna:
2 pozitii, revenire prin resort, comanda electrica :
3 pozitii, centrare hidraulica, comanda electrica


fig.22
|