Inversoare de sens
Penru inersarea sensului de rotatie a motoarelor asincrone,este suficient sa se schimbe intre ele doua fae ale circuitului de alimentare.Pe acest principiu se bazeaza comutatoarele care au functia de 141i86b a comanda inversarea sensului de rotire a motoarelor.
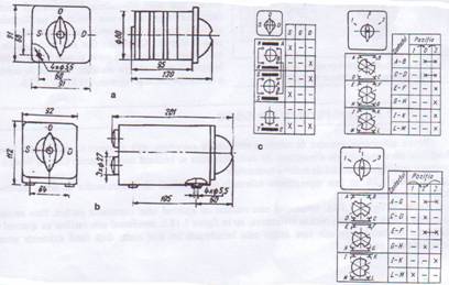
In figura 1.18. au fost reprezentate schemele conexiunii ale inversoarelor de sens,realizate in diferite constructive.
Astfel in figura 1.18.a. Inversorul este relizat cu ajutorul unui comutator pachet.Este nevoie de sase etaje pentru a se realiza inversarea,iar in figura 1.18b. inversorul este realizat cu ajutorul unui comutator cu came-solutie care astazi este imbratisata tot mai mult ,data fiind existenta numai a comutatoarelor cu came.

Fig.1.18. Scheme de conexiuni ale unor inversoare
De sens de mers,realizate in diferite solutii constructive
Inversoarele de sens se aseamana foarte mult cu comutatoarele stea-triunghi putand fi realizate sub una dintre formele de comutator cu tambur ,cu parghie sau cu came (fig 1.19.).
Montarea unui inversor de sens se face conform schemei redate in fig.1.20. Se poate constata ca in pozitia din fig 1.20.a. motorul este conectat direct (R cu A ,S cu B,T cu C)prin intermediul comutatorului a.Pentru inversare comutatorul inverseaza doua faze intre ele (R si T),in asa fel incat curentul va circula pe traseul R - C - B si T - A.

Fig1.19. Scheme ale comutatorului inversor cu revenire din doua pozitii
Fig. 1.20. Schema electrica
De inversare a sensului de rotatie la motorul asincron trifazat
|