ALTE DOCUMENTE
|
||||||||||
Notiuni introductive
In functie de puterea tranzitata prin retelele electrice de distributie (RED) si de distantele la care se distribuie, aceste retele pot fi de diferite clase de tensiuni(tab.1.1). Retelele electrice de distributie de medie tensiu 414e41e ne(RED-MT) care au rolul de a alimenta cu energie, de regula, posturile de transformare, iar in cazul unor mari consumatori industriali, pot asigura si alimentarea cu energie a unor receptori de medie tensiune.
Pentru consumatorii care au numai receptori de energie electrica a caror tensiune nominala se inscrie in clasa retelelor de joasa tensiune, sau au si asemenea receptori
( de ex.: sistemele de iluminat si receptorii electrocasnici),este necesar ca alimentarea acestor consumatori sa se asigure prin, sau si prin retele electrice de joasa tensiune(RE-JT).
In cazul RE-JT, fiecare din cele doua aspecte, are o pondere insemnata deoarece,consumatorii de joasa tensiune sunt foarte numerosi, iar receptorii de joasa tensiune din cadrul acestora sunt de nelipsit (sisteme de iluminat si prizele monofazate) si deosebit de raspanditi.
Particularitatea principala a unei RE-JT o reprezinta legtura electrica directa cu un foarte mare numar de consumatori, in primul rand si cu un imens numar de receptori in al doilea rand.
Ca urmare, structura de baza a unei RE-JT este cea din fig.1 , care cuprinde reteaua electrica de distributie de joasa tensiune(RED-JT), pentru alimentarea consumatorilor (fig.1.a) si reteaua electrica de la consumator (fig.1.b),formata din reteaua electrica de distributie la consumator, de joasa tensiune(REDC-JT) si reteaua electrica pentru alimentarea receptorilor (REAR-JT).
Elementul caracteristic al unei retele care asigura alimentarea cu energie electrica a consumatorilor il reprezinta racordul electric, iar in cadrul acestuia, punctul de delimitare (PD,fig.1.), delimiteaza domeniile de competenta in ceea ce priveste exploatarea retelei respectiv, ale furnizorului ,de cele ale beneficiarului (consumator).De regula, punctul de delimitare este constituit fizic, de contorul de tarifare a
energiei electrice, care este al furnizorului, insa beneficiarul trebuie sa aiba posibilitatea de a urmari indexul.
Constructia retelelor electrice
Datorita nivelului de tensiune mult mai redus (400 V ) in cazul LEA JT ( Linii Electrice Aeriene de Joasa Tensiune ) izolatoarele intrebuintate au un gabarit mult mai redus, sunt construite dintr-un material mai putin pretentios, mai ieftin , de obicei din portelan obisnuit , cu glazura alba , in gama de tipuri, forme si dimensiuni specifice diferitelor feluri de linii. Aceste izolatoare nu mai sunt necesare in cazul utilizarii conductoarelor torsadate ( conductoarele sunt deja izolate, nu necesita izolatoare suplimentare).
Izolatoarele de joasa tensiune ,trebuie sa asigure posibilitatea de sustinere sau intindere a conductoarelor de diferite sectiuni , si o anumita sarcina minima la rupere.
Conductoarele utilizate la LEA JT din considerente mecanice, vor avea sectiunile minime dupa cum urmeaza ;
Regimuri de functionare ale instalatiilor de distributie de joasa tensiune
rezid. cu i decl. de 500 mA)
Abaterile de la regimul normal de functionare al retelelor de distributie se refera la nerespectarea conditiilor impuse sistemului tensiunilor de alimentare; acestea apar datorita proiectarii sau dezvoltarii necorespunzatoare a retelelor (linii lungi, sectiune redusa etc.), variatiei sarcinii (inclusiv regimuri de pornire ale motoarelor electrice) si incarcarii dezechilibrate a sistemului de distributie. In primele doua cazuri apar variatii in afara limitelor admise ale tensiunii de alimentare in timp ce nerespectarea conditiei de simetrie a sistemului de tensiuni determina modificari (in sens crescator si descrescator) ale tensiunilor de faza pe cele trei conductoare active, circulatii suplimentare de curenti (inclusiv pe conductorul de nul), aparitia unor tensiuni periculoase pe conductorul de protectie etc.
Consecintele acestor abateri sunt: functionarea necorespunzatoare a unor echipamente electrice trifazate, deteriorarea unor receptoare monofazate datorita alimentarii cu tensiune mai mare decat valoarea maxim admisibila, functionarea necorespunzatoare a unor receptoare monofazate datorita alimentarii cu tensiune prea mica, posibilitatea aparitiei unor accidente prin atingeri indirecte in instalatiile de distributie si utilizare, cresterea consumurilor proprii tehnologice in instalatiile de distributie, incarcarea conductorului de nul etc.
C. Regimuri de defect ale instalatiilor de distributie de JT
Regimul de defect al unei linii electrice este regimul in care apar deteriorari ale elementelor componente insotite de intreruperea functionarii sau de trecerea la regimuri nesimetrice de functionare. In analiza defectelor se urmareste determinarea modificarilor care survin fata de situatia normala de functionare: aparitia unor fenomene nedorite (arcul electric) care produc solicitari suplimentare, modificari ale valorilor si formelor de unda ale curentilor, disparitia (anularea) unor tensiuni pe faze, aparitia unor supratensiuni etc.
Functionarea in regim de defect nu este permisa deoarece ea este insotita de o serie de efecte extrem de daunatoare dintre care se amintesc:
intreruperea alimentarii cu energie electrica a consumatorilor;
valori foarte mari ale curentilor in retea;
tensiuni de atingere peste limitele admise;
supratensiuni in circuitele de alimentare cu energie electrica a receptoarelor, cu distrugerea acestora (uneori insotita de incendii);
distrugeri ale instalatiilor de legare la pamant datorita trecerii unui curent de durata prin electrozii prizelor de pamant si prin conductoarele de legatura la acestea, curent mai mare decat cel avut in vedere la calculele de verificare a stabilitatii termice.
Defectele din retelele electrice pot fi grupate in defecte transversale si defecte longitudinale.
Defecte transversale
Este o parte a instalatiei de alimentare cu energie electrica a consumatorilor monofazati , reuneste intr-o singura incinta echipamentul de masurare si de protectie care asigura conexiunea dintre bransamentul monofazat aerian sau subteran al furnizorului si coloana individuala monofazata a instalatiei de utilizare a consumatorilor .
Functiuni . Blocul de masura si protectie monofazat asigura urmatoarele functiuni
racordarea instalatiei de utilizare a consumatorului la instalatia de alimentare a furnizorului ;
masurarea energiei electrice active ;
protectia la suprasarcina , scurtcircuit si la curenti diferentiali reziduali a coloanei generale de alimentare cu energie electrica a consumatorului ;
protectia impotriva supratensiunilor de frecventa industriala produse la consumator, prin intreruperea accidentala a conductorului de nul ;
protectia impotriva electrocutarii prin atingere directa a circuitelor si echipamentelor montate in cutia blocului de masurare si protectie, aflate in mod normal sub tensiune ;
posibilitatea realimentarii de catre consumator in cazul actionarii protectiilor la un curent de defect in instalatiile acestuia ;
posibilitatea citiri contorului sau , daca este cazul , intreruperii alimentarii cu energie electrica de catre furnizor , independent de prezenta consumatorului ;
protectia impotriva sustragerilor de energie electrica si a deteriorarii echipamentului prin actiunea unor persoane rau intentionate sau neavizate .
Parti componente . Blocul de masura si protectie monofazat se compune din :
partea mecanica ;
partea electrica .
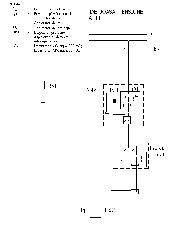
CONDTII TEHNICE
Partea mecanica se compune din :
incinta ( cutie ) ;
accesorii pentru acces circuite ;
accesorii pentru fixarea incintei .
Incinta trebuie sa asigure urmatoarele conditii :
sa fie confectionata , din metal protejat prin zincare si vopsire in camp electrostatic, sau din materiale electroizolante organice ( nemetalice ) ABS , Policarbonat , Policarbonat cu fibra de sticla sau Policarbonat transparent pentru partea inferioara a cutiei, iar partea superioara a cutiei (capacul) numai din Policarbonat transparent ;
sa fie rezistenta la foc materialul incintei sa nu intretina arderea (proprietatea de autostingere dupa indepartarea sursei de foc, in cazul utilizarii materialelor electroizolante );
sa fie rezistenta la actiunea razelor solare si la factori exteriori de mediu fara sa prezinte matuiri sau fisuri
sa fie rezistenta din punct de vedere mecanic si necasanta ;
impiedicarea accesului persoanelor neautorizate la instalatiile electrice din interior prin incuiere si sigilare (in minim doua locuri ) ;
impiedicarea accesului altor persoane la actionarea interuptorului , decat al partilor contractante ;
accesul la echipamente componente in conditii de siguranta in exploatare ;
legatura la priza de pamant proprie printr-o borna interioara (in situatia in care carcasa este metalica , usa se va lega la carcasa printr-o legatura flexibila izolata, iar carcasa se leaga la borna interioara PE
utilizarea stelajelor interioare pentru montaj reglabil , in scopul asigurarii posibilitatii montarii echipamentelor de diverse fabricatii , inclusiv contoare dublu tarif sau electronice ;
posibilitatea citirii contorului fara desigilarea sau deschiderea incintei , a vizualizarii reglajului de curent al intreruptorului (disjunctorului ) de bransament si a ceasului de comutare ;
Accesoriile pentru accesul circuitelor trebuie sa asigure :
accesul circuitelor exterioare , prin partea de jos sau/si de sus a incintei , cu asigurarea gradului de protectie cerut pentru incinta ;
decalarea sirurilor de cleme , si a bornelor de intrare in intreruptor (disjunctor) fata de orificiile de acces in interiorul BMP-ului, pentru eliminarea posibilitatii introducerii unor conductoare in vederea sustragerii de energie electrica.
Accesoriile pentru fixare trebuie sa asigure :
montarea incintei cu mentinerea gradului de protectie impus , aparenta , pe orice fel de perete ( din caramida sau similari , din beton , din materiale combustibile ), pe structuri metalice , pe stalpi din beton , pe suport metalic independent , sau semiingropata ;
rezistenta la coroziune a reperelor metalice ( prin zincare , cadmiere , etc.) pentru intreaga durata de viata a ansamblului ;
posibilitatea de sigilare, pentru preintampinarea unor interventii ulterioare.
Partea electrica se compune din :
intreruptor ( disjunctor ) de bransament monofazat cu protectie la suprasarcina , scurtcircuit , la curenti de defect ;
modul voltmetric, DPST-dispozitiv de protectie la supratensiuni de frecventa industriala (separat sau inglobat in intreruptor (disjunctor ) ) ;
contor monofazat de energie activa de inductie, electronic simplu sau pentru dublu tarif ;
ceas de comutare electronic ( in cazul in care contorul pentru dublu tarif nu are ceas incorporat ) ; (optional ) ;
placa de borne (bareta de nul)
circuite electrice interioare .
Caracteristici electrice generale
tensiunea nominala de utilizare : 230V c.a. ;
frecventa : 50 Hz ;
schema electrica, conform anexelor 2 si 3
Caracteristici ale echipamentului electric
Intreruptorul (disjunctorul ) de bransament va avea
tensiunea nominala de izolare : 660V c.a. ;
curent nominal : 10 ; 16 ; 20 ; 25 ; 32 ; 40 ; 45 A cu valoare fixa ;
semnalizarea pozitiei de functionare si buton de test ;
declansare la suprasarcina cu declansatoare termice si la scurtcircuit cu declansatoare electromagnetice, cu caracteristica de functionare tip B, C
curentul de reglaj al declansatoarelor termice se stabileste in functie de puterea maxima absorbita solicitata de consumator ;
curentul diferential rezidual nominal : 300 mA ;
capacitate de rupere : 10 kA ;
distantele de izolare intre contacte
executie : bipolar cu actionare manuala
temperatura de functionare : -20 °C +40 °C ;
rezistenta la uzura mecanica ;
rezistenta la uzura electrica :
posibilitatea de sigilare a dispozitivului de cuplare in cazul intreruperii furnizarii energiei electrice ;
Modul voltmetric (Dispozitiv de protectie la supratensiuni de frecventa industriala ) :
Incorporat in intreruptorul ( disjunctorul ) de bransament sau separat ;
Buton de test/reset ;
Tensiunea nominala de izolare : 660V c.a. ;
Sa nu functioneze la varfuri de tensiune de 300 V 50 ms, datorate supratensiunilor de comutatie;
Sa functioneze la o tensiune de alimentare Ua : 50 400 V cu un timp de declansare £ 0,2 s si anume :
Sa functioneze la o tensiune de 270 V 10 V
Sa functioneze la o tensiune de retur pe nul de 50 V 5V;
Sa functioneze la inversarea fazei cu nulul de lucru ;
Sa functioneze la intreruperea prizei auxiliare (Rpa), sau in situatia unei prize auxiliare necorespunzatoare;
In toate situatiile in care modulul voltmetric a lucrat si a determinat declansarea disjunctorului, functionarea va fi semnalizata optic (stegulet mecanic, sau led) ;
Dispozitivele de protectie care se monteaza in amonte de contactele interuptorului, vor fi prevazute cu o protectie la defecte interne ;
In cazul in care se utilizeaza schema TN modulul voltmetric necesita o priza auxiliara de impamantare (priza tehnologica) prin care circula un curent < 5 mA se va executa dupa cum urmeaza:
legatura intre priza si modulul voltmetric se va face
printr-un conductor de cupru multifilar cu sectiunea minima de 2,5
mm2;
iesirea conductorului din BMPM se va face printr-o presetupa;
conductorul va fi protejat cu tub PVC intre BMPM si priza;
legatura la priza se admite sa se execute si prin suruburi asigurate impotriva desurubarii cu contrapiulite, saibe Grower,
valoarea prizei auxiliare de impamantare va fi specificata de producatorul modulului voltmetric ;
producatorul va livra priza auxiliara de impamantare, odata cu BMPM;
Tensiunea maxima admisa pe priza tehnologica in regim normal sau la intreruperea nulului sa nu fie mai mare de 50 V;
Se interzice suntarea contactelor intrerupatorului prin legarea modulului voltmetric( DPST-ului)
Circuite electrice interioare vor fi realizate cu conductoare din cupru cu sectiunea minima 6 mm2 pentru In=6 32 A si 10 mm2 pentru In ≥ 40 A , izolate , de culori diferite si avand capetele inscriptionate ; pentru echipamentele care nu se monteaza la fabricatie , capetele conductoarelor vor fi fasonate si pregatite pentru conectarea la bornele respective .
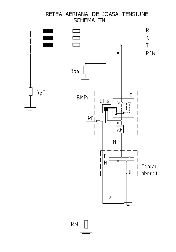
Se vor asigura legaturile necesare pentru protectia impotriva electrocutarii prin atingere indirecta prin legare la nulul retelei si la o priza locala (proprie) de pamant Rpl ( schema TN ), sau o priza locala (100 W) combinata cu PACD 30 mA (schema TT) conform Normativului pentru proiectarea si executarea instalatiilor electrice cu tensiuni pana la 1000 Vc.a. si 1500 Vc.c. indicativ I 7 2002
OBSERVATII
1. Blocul de masurare si protectie trebuie echipat cu intreruptor ( disjunctor ) de bransament care , spre deosebire de intreruptoarele obisnuite , indica pozitia deschis numai daca ambele contacte sunt deschise .
Functionarea protectiei la curenti diferentiali reziduali cu care trebuie sa fie echipat intreruptorul ( disjunctorul ) de bransament , este posibila numai daca coloana generala de alimentare cu energie electrica a consumatorului include si conductor de nul de protectie .
Protectia la curent diferential rezidual IDn = 300 mA este prevazut exclusiv pentru protejarea coloanei generale a consumatorului si este corelata cu protectia corespunzatoare din tabloul de distributie al consumatorului , pentru asigurarea selectivitatii .
Protectia electrocutarii prin atingere indirecta se realizeaza conform Normativului pentru proiectarea si executarea instalatiilor electrice cu tensiuni pana la 1000 Vc.a. si 1500 Vc.c. indicativ I 7 - 2002,
In cazul in care consumatorul doreste instalarea
unei protectii suplimentare impotriva electrocutarii prin atingere indirecta la
curenti diferentiali reziduali
( IDn =10
30 mA ) o poate realiza in tabloul propriu de distributie conform
Normativului pentru proiectarea si executarea instalatiilor electrice cu
tensiuni pana la 1000 Vc.a. si 1500 Vc.c. ( I7-2002) ; aceasta nu face parte din instalatiile furnizorului ,
punctul de delimitare fiind la bornele de iesire ale contorului montat in
blocul de masurare si protectie .
Producatorii de blocuri de masurare si protectie monofazate sunt obligati sa respecte toate conditiile de calitate impuse de prezenta specificatie tehnica , normativele , standardele , prescriptiile tehnice , ordonantele guvernamentale si deciziile referitoare la protectia muncii, proiectarea si executarea instalatiilor electrice de distributie si utilizare a energiei electrice .
Schema electrica de principiu pentru montarea BMPM

sistem TN)
![]() |
![]()
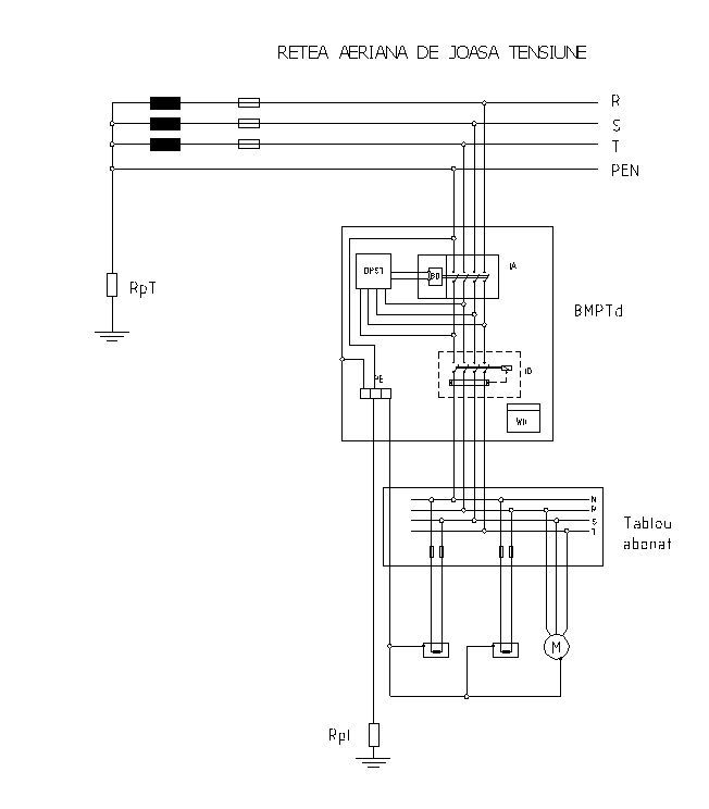
Blocul de Masurare si Protectie pentru bransament electric Trifazat
Este o parte a instalatiei de alimentare cu energie electrica a micilor consumatori , reuneste intr-o singura incinta sau in constructie modulata , echipamentul de masurare si protectie care asigura conexiunea dintre bransamentul trifazat aerian sau subteran al furnizorului si coloana trifazata a instalatiei de utilizare a consumatorilor .
Blocul de masurare si protectie BMPT se executa in urmatoarele variante :
- Varianta 1 cu conectare directa , pentru curent maxim absorbit de consumator , de pana la 16 A BMPTd 16 .
- Varianta 2 cu conectare directa , pentru curent maxim absorbit de consumator intre 16 40 ( 63) A BMPTd 40 ( 63 ) .
- Varianta 3 cu conectare directa sau indirecta , pentru un curent absorbit de consumator de maxim 100 A (200A) BMPTd /i 100 (200) .
- Varianta 4 cu conectare indirecta , prin transformatoare de curent , pentru un curent absorbit de consumator de maxim 250 A BMPTi 250 .
Toate cutiile vor fi prezentate cu posibilitatea racordarii , la una din fazele bransamentului trifazat , a unui bransament monofazat , prin intermediul unui BMPM inclus in aceiasi incinta, sau in incinta separata cu pastrarea conditiilor impuse de ST3/2003 ( conform anexei 3), caz in care simbolul celor patru variante va purta si litera m ; BMPTd/m - 16 ; BMPTd/m - 40(63) ; BMPTi/m 100 ; BMPTi/m 250 .
Blocul de masurare si protectie trifazat asigura urmatoarele functiuni :
racordarea instalatiei de utilizare a consumatorului la instalatia de alimentare a furnizorului ;
masurarea energiei electrice active si reactive cu exceptia variantei 1
care nu trebuie dotat pentru masurarea
energiei reactive ;
protectia la suprasarcina si scurtcircuit a coloanei generale trifazate si a coloanei monofazate ;
protectia impotriva supratensiunilor de frecventa industriala produse la consumator , prin intreruperea accidentala a conductorului de nul ;
protectia impotriva electrocutarii prin atingere directa a circuitelor si echipamentelor din cutia blocului de masurare si protectie aflate in mod normal sub tensiune ;
posibilitatea realimentarii de catre consumator in cazul actionarii protectiilor la un defect in instalatiile acestuia, prin prevederea unei ferestre de acces la intrerupator cu pastrarea gradului de protectie impus blocului, cu posibilitatea securizarii accesului de catre abonat ;
posibilitatea citirii contoarelor sau , daca este cazul , intreruperii alimentarii cu energie electrica de catre furnizor , independent de prezenta consumatorului ;
protectia impotriva sustragerilor de energie electrica si a deteriorarii echipamentului prin actiunea unor persoane rau intentionate sau neavizate .
Blocul de masurare si protectie monofazat se compune din :
partea mecanica ;
partea electrica .
CONDTII TEHNICE
Partea mecanica se compune din :
incinta (cutie , module , etc. );
accesorii pentru acces circuite ;
accesorii pentru fixarea incintei .
Incinta trebuie sa asigure urmatoarele conditii :
sa fie confectionata , din metal protejat prin zincare si vopsire in camp electrostatic, sau din materiale electroizolante organice ( nemetalice ) ABS , Policarbonat , Policarbonat cu fibra de sticla sau Policarbonat transparent pentru partea inferioara a cutiei, iar partea superioara a cutiei (capacul) numai din Policarbonat transparent ;
sa fie rezistenta la foc materialul incintei sa nu intretina arderea (proprietatea de autostingere dupa indepartarea sursei de foc , in cazul utilizarii materialelor electroizolante );sa fie rezistenta la actiunea razelor solare si la factori exteriori de mediu fara sa prezinte matuiri sau fisuri
sa fie rezistenta din punct de vedere mecanic si necasanta ;
impiedicarea accesului persoanelor neautorizate la instalatiile electrice din interior prin incuiere si sigilare ;
impiedicarea accesului altor persoane la actionarea interuptorului , decat al partilor contractante ;
accesul la echipamente componente in conditii de siguranta in exploatare ;
legatura la priza de pamant proprie printr-o borna interioara (in situatia in care carcasa este metalica , usa se va lega la carcasa printr-o legatura flexibila izolata, iar carcasa se leaga la borna (bara) interioara de PE) ;
utilizarea stelajelor interioare pentru montaj reglabil , in scopul asigurarii posibilitatii montarii echipamentelor de diverse fabricatii , inclusiv contoare dublu tarif sau electronice ;
incintele metalice se vor proteja prin zincare si vopsire in camp electrostatic ;
posibilitatea citirii contoarelor si ceasului de comutare fara desigilarea sau deschiderea incintei (transparenta : min. 85 % );
Accesoriile pentru accesul circuitelor electrice trebuie sa asigure :
accesul circuitelor exterioare prin partea de jos sau/si de sus a incintei , cu asigurarea gradului de protectie cerut pentru incinta ;
decalarea sirurilor de cleme , si a bornelor de intrare in intreruptor (protejate contra atingerilor direte) fata de orificiile de acces in interiorul BMPT-ului, pentru eliminarea posibilitatii introducerii unor conductoare in vederea sustragerii de energie electrica.
Se vor prevedea siruri de cleme numai la intrare in BMPT;
circuitele exterioare bransament si coloana trifazata ( si un circuit monofazat in varianta m ) pot fi conductoare de aluminiu sau cupru izolate , montate aerian , in tevi sau tuburi de protectie , cu cablu montat subteran sau cu portiuni aparente protejate in tevi , cu sectiuni corespunzatoare fiecarei variante .
Accesoriile pentru fixare trebuie sa asigure :
montarea incintei cu mentinerea gradului de protectie impus , aparenta , pe orice fel de perete ( din caramida sau similari , din beton , din materiale combustibile ), pe structuri metalice , pe stalpi din beton , pe suport metalic independent , sau semiingropata ;
rezistenta la coroziune a reperelor metalice ( prin zincare , cadmiere , etc.) pentru intreaga durata de viata a cutiei;
posibilitate de sigilare a suruburilor de fixare a cutiei.
Partea electrica se compune din :
intreruptor automat trifazat cu protectie la suprasarcina si la scurtcircuit;
dispozitiv de protectie la supratensiuni de frecventa industriala (separat sau inglobat in intreruptor ) ;
contor trifazat de energie activa de inductie sau electronic ;
contor monofazat de energie activa de inductie, electronic, simplu sau dublu tarif pentru variantele cu circuit monofazat ( indicativ m ) ;
ceas de comutare electronic ( in cazul in care contorul pentru dublu tarif nu are ceas incorporat ) ;
contor trifazat de energie reactiva ( exclusiv varianta BMPTd-16 sau BMPTd/m -16) ;
transformatoare de curent pentru montaj semidirect al grupului de masura, cu posibilitate de sigilare;
bloc suntare circuit secundar de curent;
la variantele in montaj semidirect, se prevad protectii pe tensiuni prin sigurante de 6A tip LF minion;
intreruptor automat ( monopolar , bipolar si diferential) cu protectie la suprasarcina , scurtcircuit si curent diferential , pentru variantele cu circuit monofazat ( indicativ m ) ;
intreruptor diferential tetrapolar ( optional );
placa de borne numai la intrare;
bara, nul de protectie
circuite electrice interioare .
Caracteristici electrice generale :
tensiunea nominala de utilizare : 3 × 230 / 400V c.a. ;
frecventa : 50 Hz ;
schemele electrice de principiu , conform anexei 1.
Caracteristici ale echipamentului electric :
Intreruptorul automat tripolar sau tetrapolar de valoare fixa :
tensiunea nominala de izolare : 660V c.a. ;
curent nominal : 6 ; 10 ;16 ; 20 ; 25 ; 32 ; 40 ; 50 ; 63 ; 80 ; 100 ; 125 ; 160 ; 200 ; 250 A in functie de varianta ;
declansare la suprasarcina cu declansatoare termice si la scurtcircuit cu declansatoare electromagnetice , cu caracteristica de functionare tip B , C sau D
curentul de reglaj al declansatoarelor termice se stabileste in functie de puterea solicitata de consumator (precizata prin aviz) ;
capacitate de rupere : 6 35 kA ;
distantele de izolare intre contacte
executie : tripolar ( 3Poli) sau tetrapolar ( 3+N Poli sau 4Poli ) cu actionare manuala , numar de actionari electrice: minim 1000 manevre ( 8.000 cicluri ) ;
sa fie certificate de organism certificare produse acreditat de RENAR.
Modul voltmetric ( Dispozitiv de protectie la supratensiuni de frecventa industriala - DPST ) :
tensiunea nominala de izolare : 660V c.a. ;
incorporat in intreruptorul automat sau separat ;
supratensiunea de declansare : Uf = 270 10 V ; Ul= 467 10 V
timp de declansare : 0,13 - 0,2 s ;
nu trebuie sa functioneze la varfuri de tensiune de 300 V cu timpi de 50 ms;
nu trebuie sa declanseze la sarcini inductive accentuate : cos j
In toate situatiile in care modulul voltmetric a lucrat si a determinat declansarea disjunctorului, functionarea va fi semnalizata optic (stegulet mecanic, sau led) ;
buton de test /RESET.
Se interzice suntarea contactelor intrerupatorului prin legarea modulului voltmetric ( DPST-ului) .
Dispozitivele de protectie care se monteaza in amonte de contactele interuptorului, vor fi prevazute cu o protectie la defecte interne ;
Contor trifazat de energie electrica activa
tensiune nominala : 3× 230 / 400 V ;
curent nominal de baza ( Ib ) : 5 40 A , in functie de varianta ;
clasa de precizie : 0,5 sau mai buna ;
temperatura de functionare in clasa de precizie : -30 °C +70 °C
Ceas de comutare electronic :
tensiune nominala : 230 V ;
inclus in contor sau separat .
Contor trifazat pentru energie electrica reactiva ( exclusiv la varianta BMPTd - 16 sau BMPTd/m - 16 ) :
tensiune nominala : 3× 230 / 400 V ;
curent nominal de baza ( Ib ) : 5 ÷ 40 A , in functie de varianta ;
clasa de precizie : 2 .
suprasarcina : 200 % .
Transformatoare de curent ( numai pentru varianta BMPT i/m ) :
raport de transformare : 50 ÷ 250 / 5 A , in functie de varianta ;
clasa de precizie : 0,5 sau mai buna ;
Intreruptor diferential tetrapolar ( optional ):
tensiunea nominala de izolare : 660V c.a. ;
curent nominal : 25 ; 40 ; 63 ; 80 ; 100 ; 125 ; 160 ; 200 ; 250 A in functie de varianta ;
capacitate de rupere : 6 18 kA ;
curent diferential nominal : 300mA .
Circuitele electrice interioare vor fi realizate cu conductoare din cupru , izolate :
conductoarele din circuitul primar , din cupru , flexibile ;
conductoarele din circuitul secundar , de culori diferite si avand capetele inscriptionate ;
pentru echipamentele care nu se monteaza la fabricatie , capetele conductoarelor vor fi fasonate si pregatite pentru conectarea la bornele respective ;
capetele conductoarelor de cupru multifilare sa fie prevazute cu manson de contact;
se vor asigura legaturile necesare pentru protectia impotriva electrocutarii prin atingere indirecta , prin legare la nulul retelei si la o priza de pamant , locala (proprie) de pamant Rpl ( schema TN ) sau prin legare la o priza proprie (schema TT ), si Normativului pentru proiectarea si executarea instalatiilor electrice cu tensiuni pana la 1000 Vc.a. si 1500 Vc.c. indicativ I 7 - 2002
MENTIUNI SPECIALE
- Utilizarea unui intreruptor avand si protectie la curenti diferentiali reziduali este optionala.
- Protectia electrocutarii prin atingere indirecta se realizeaza conform Normativului pentru proiectarea si executarea instalatiilor electrice cu tensiuni pana la 1000 Vc.a. si 1500 Vc.c. indicativ I 7 - 2002 .
- In cazul in care consumatorul doreste
instalarea unei protectii suplimentare impotriva electrocutarii prin atingere
indirecta la curenti diferentiali reziduali
( IDn = 10
÷ 30 mA ) o poate realiza in tabloul propriu de distributie conform
Normativului pentru proiectarea si executarea instalatiilor electrice cu
tensiuni pana la 1000 Vc.a. si 1500 Vc.c. ( I7-2002 ) ; aceasta nu face parte din instalatiile furnizorului ,
punctul de delimitare fiind la bornele de iesire ale contorului montat in
blocul de masurare si protectie .
Schema electrica de montaj BMPTd varianta 1 sistem TT

Nota:
incintele metalice se vor lega la masa prin intermediul bornei interioare;
LEGENDA :
USOL - intreruptor automat
ID - intreruptor diferential
DPST - modul voltmetric
Schema electrica de montaj a BMPTd varianta 2 sistem TT

ANEXA 4
Schema electrica de montaj a BMPTd sistem TN

8. Problema factorului de putere
In evolutia electroenergeticii, o prima masura de rentabilizare a tranzitului (dupa cresterea tensiunii de transport si distributie) a fost dimensionarea in functie de puterea ceruta de consumatori si nu cea instalata la acestia.
Cu timpul, mai intai s-a constatat ca circulatia de putere reactiva, desi necesara la consumatori, este nerentabil sa circule prin reteaua de transport, distributie si alimentare.
Astfel a aparut problema factorului de putere care trebuia rezolvata astfel:
-sa se asigure la consumator (fiecarui receptor in parte) puterea electrica reactiva (Q1) de care are nevoie (S1 =P +jQ1), dar pe reteua electrica aceasta, pentru un anumit P, sa aiba o valoare Q2 cit mai mica (S2 = P+jQ2). In prima instanta s-au cautat metodele de rezolvare a cestei probleme, iar dupa ce acestea au fost descoperite, s-au impus restrictii consumatorilor, in ceea ce priveste structura puterii absorbite din retea (S2=P+jQ2) pentru o anumita putere necesara (S1=P+jQ1) in scopul rentabilizarii tranzitului de putere prin retea, mai pe scurt, a ameliorarii factorului de putere.
8.1. Metode de ameliorare a factorului de putere
Pentru ca o anumita putere reactiva Qc = ΔQ sa nu mai circule (oscileze) prin retea, se pot folosi doua metode:
a)- producerea cu surse locale a puterii ΔQ, la consumator, folosind motoare electrice sincrone supraexcitate sau chiar generatoare electrice. Aceasta metoda se aplica mai putin la consumatori datorita dificultatilor de exploatare a motoarelor sincrone, iar generatoarele, la consumator, se utilizeaza din aceleasi motive, dar si din alte motive (asigurarea resurselor primare) cu atat mai putin.
b)-aplicarea proprietatii circuitelor L,C, paralele.
Din cele prezentate , rezulta ca intre un circuit inductiv si o sursa, pe de o parte si unul
capacitiv si sursa pe de alta parte, are loc un schimb oscilant de energie. Valorile schimbate
sunt variabile in timp, dar sunt si
compensatorii, in sensul ca in timp ce campul magnetic (de ex.) absoarbe
energie, de la sursa cel electric o cedeaza. Rezulta ca prin conectarea unei
capacitati C,

in paralel cu o inductanta
L, dupa conectarea la sursa si incarcarea uneia din ele cu energia maxima,
aceasta nu va mai oscila intre fiecare in parte si sursa, ci va oscila numai
intre ele, iar pe reteaua electrica va oscila numai diferenta puterii schimbate
intre ele.
Considerand energiile acumulate la un moment dat in fiecare din cele doua campuri :
rezulta suma lor:
In cazul acordului la rezonanta :
,rezulta:
respectiv:
Deci energia existenta in orice moment in cele doua campuri este constanta, oscileaza numai intre ele, iar puterea schimbata cu sursa pe retea este nula.
Acest fapt rezulta si din aplicarea legii I-a a lui Kirchoff in nodul 1:
iar din conditia (14.16) :
Deci prin instalarea la un consumator reactiv inductiv de putere (S1=P+jQ1) in punctul de delimitare (de ex.) a unei baterii de condensatoare ce poate absorbi o putere reactiva QC, se va reduce puterea reactiva care oscileaza pe retea, de la Q1 la Q2=Q1 QC, determinand reducerea pierderilor de putere activa pe linie respectiv, rentabilizarea tranzitului de putere.
8.2.. Mijloace de ameliorare a factorului de putere
Aceste mijloace se impart in doua categorii :
Mijloace tehnico-organizatorice (naturale)
Acestea au scopul de a diminua puterea electrica reactiva (Q1), necesara consumatorului prin:
1)Alegerea corespunzatoare sau inlocuirea motoarelor si transformatoarelor necorespunzatoare.
Asa cum s-a aratat, puterea electrica reactiva absorbita de un motor (sau transformator) nu depinde de puterea activa tranzitata (daca tensiunea de alimentare se mentine constanta), ca urmare, indiferent de valoarea lui P, Q = ct = Qn, iar
va fi variabil in
functie de P si va avea valoarea maxima pentru
,
.
Daca un motor (sau transformator) este ales necorespunzator, in sensul ca are o putere electrica activa nominala (Pn) mai mare decit cea solicitata de utilaj va absorbi permanent Q=Q1n, mai mare decit cea corespunzatoare unui motor cu puterea mai mica (corespunzatoare) (Q2n<Q1n):
2)Utilizarea limitatoarelor de mers in gol.
La limita, situatia de mai sus devine functionarea in gol, cand :
Ca urmare, s-au conceput si aplicat diferite dispozitive automate care limiteaza mersul in gol (LMG) al motoarelor electrice.
3)Inlocuirea motoarelor asincrone cu motoare sincrone.
Intrucat motoarele sincrone pot reprezenta surse de putere reactiva daca sunt supraexcitate, utilizarea lor reprezinta aplicarea metodei a) de ameliorare a factorului de putere. Acest mijloc determina exigente sporite in exploatare, specifice motoarelor sincrone .
4)Utilizarea comutatorului stea-triunghi.
Are la baza modificarea tensiunii aplicate fiecarei infasurari (in sensul reducerii) si ca urmare, reducerea puterii reactive care circula prin acestea, la o aceeasi putere activa tranzitata.
Deci daca, infasurarile motorului sunt conectate in stea (Y), puterea aparenta este :
In RE de joasa tensiune trifazate, puterea reactiva ce poate fi absorbita (acumulata) de o baterie trifazata cu reactanta XC = 1/ωC, montate in cate unul din
cele 3 elemente, depinde si de modul de montare al acestora (stea sau triunghi) .
Ca urmare, capacitatea necesara a fi instalata in cazul utilizarii conexiunii in stea , pentru a asigura valoarea QC (14.27) ,va fi :
iar pentru conexiunea in triunghi :
b) Din cele de mai sus, rezulta ca avantajoasa conectarea elementelor
unei baterii trifazate de condensatoare in
triunghi, dar , in acest caz, tensiunea ce se aplica unui element este de
ori mai mare si ca urmare, calitatile dielectricului
trebuie sa fie superioare.
Elementele capacitatilor utilizate in RE-JT sunt realizate pentru a functiona conectate in triunghi, iar la tensiuni superioare (medie tensiune) pentru a fi conectate in stea.
c) Datorita dependentei valorii puterii reactive QC, necesare ameliorarii de la cosφ1 la cosφ2 (impus si deci constant) de valoarea puterii electrice active P, rezulta ca si QC va fi variabil in functie de variatia lui P, conform curbei zilnice de sarcina.
Rezulta ca necesar controlul permanent al valorii lui QC respectiv, reglajul valorii capacitatii bateriei de condensatoare, rezulta :
Acest reglaj se poate face automat, sau manual, pe seama unor nomograme, in functie de cosφ1 , cosφ2 si P, aflate la dispozitia personalului de conducere operativa a RE-JT.
d)
Asa cum s-a aratat ,la un moment dat, intr-o capacitate exista acumulata o
energie electrica WC a carei valoare depinde de 
valoarea tensiunii in momentul respectiv. Ca urmare, in functie
de momentul deconectarii unei capacitati de la sursa, aceasta ramane incarcata
cu o energie
cuprinsa intre (
), respectiv o tensiune la borne cuprinsa intre (-Umax ÷
+ Umax).
In functie de calitatea dielectricului (pierderile din capacitate) energia, respectiv tensiunea la borne se pot mentine un timp indelungat. Daca nu exista un control al descarcarii bateriei de condensatoare, exista pericolul electrocutarii
personalului de deservire. Din acest motiv, se adopta solutii de blocare al accesului la bateria de acumulatori, daca aceasta nu este descarcata, sau al descarcarii automate a
acesteia imediat ce a fost deconectata de la retea. In fig., se prezinta aceasta ultima solutie, in care caz bateria se descarca pe o sarcina rezistiva (lampi cu incandescenta) ce permite si controlul vizual al descarcarii.
Conectarea in triunghi a lampilor asigura
descarcarea bateriei de condensatoare si in cazul intreruperii unei laturi a
triunghiului cu lampi. Se monteaza cate doua lampi pe latura, deoarece
tensiunea maxima de linie este
.

Un alt considerent care impune descarcarea bateriei este si curentul foarte mare ce rezulta la reconectarea ei la retea, datorita diferentei dintre tensiunea retelei (Umax) si tensiunea remanenta a capacitatii (ħUmax) (punerea in paralel a doua surse).
e) Prin conectarea unei baterii de condensatoare intr-un punct al RE-JT, se amelioreaza circulatia de putere pe portiunea din amonte de locul ei de montare. Ca urmare, este rentabil ca mijloacele de ameliorare sa se monteze, in principiu, la
bornele fiecarui receptor, pentru a reduce pierderile suplimentare (ΔP) si pe reteaua consumatorului.
Din considerente tehnice (valorile disponibile ale capacitatii unui element capacitiv) si economice, s-au intocmit programe de calcul care ofera informatii, privind punctele din RE-JT unde sa se monteze baterii de condensatoare cu o anumita valoare, in
functie de configuratia retelei, parametrii ei ,(R,X), puterile tranzitate si factorii de putere cosφ1 si cosφ2.
f) La conectarea unei baterii de condensatoare, care a fost descarcata, curentul initial are o valoare foarte mare (fig.14.1) suprasolicitind aparatele de conectare. Ca urmare, se utilizeaza contactoare speciale pentru comutatie de sarcina capacitiva.
Aceste contactoare au contacte auxiliare care conecteaza condensatoarele prin rezistenta serie si care se inchid inaintea contactelor principale de forta.
2. Compensatorul sincron.
Compensatorul sincron este un motor sincron, care nu antreneaza nici un utilaj, si ca urmare, absoarbe din sistemul electroenergetic doar puterea electrica activa PCS, necesara rotirii la viteza sincrona .De la sursa de excitatie proprie absoarbe un curent (Iex) pentru crearea fluxului inductor, respectiv a unei tensiuni electromotoare (E), capabila sa determine un curent reactiv inductiv (respectiv o putere reactiva Qcs ) necesara reducerii puterii absorbite din retea , de la Ql la Q2.

Utilizand compensatorul sincron (CS), factorul de putere pe retea, in amonte de locul de instalare a acestuia, va fi :
Personalul de deservire operativa a CS, va modifica manual nivelul curentului de excitatie (Iex), astfel incat sa se genereze QCS care, conform sa determine cosφ2 impus de furnizor pe RE-JT a acestuia. Evident, mentinerea unei valori constante pentru cosφ2 se poate asigura si cu un dispozitiv de reglare automata.
|