LUCRAREA EL 13
MĂSURĂRI DE PUTERI ACTIVE ÎN CIRCUITE
TRIFAZATE FĂRĂ sI CU CONDUCTOR NEUTRU
1. Scopul lucrarii
Scopul lucrarii este însusirea metodelor de masurare a puterii active si studiul valabilitatii teoremei lui Blondel în cazul masurarii puterii active în circuitele trifazate fara si cu conductor neutru.
2. Aspecte teoretice
Principiile metodei utilizate se bazeaza pe teorema lui Blondel si pe consecintele acesteia.
Teorema: "Puterea activa totala într-un circuit polifazat cu n conductoare este egala cu suma a n puteri monofazate si, în consecinta, se poate masura cu ajutorul a n wattmetre, montate astfel încât bobina de curent sa fie parcursa de curentul de linie, iar bobina de tensiune sa fie conectata între conductorul fazei respective si un punct N comun luat ca referinta, de potential oarecare" (fig.13.1.).

Fig.13.1. Montarea wattmetrelor conform teoremei Blondel
Expresia matematica a teoremei este:
![]()
Consecinta 1: Indicatia fiecarui wattmetru în parte, care depinde de alegerea potentialului punctului comun N si se schimba odata cu acesta, nu are semnificatie fizica; suma indicatiilor tuturor wattmetrelor este constanta si reprezinta puterea activa totala consumata de receptor în circuitul polifazat, deci are semnificatie fizica.
Consecinta 2: Daca se da punctului N potentialul unuia din conductoare, atunci metoda celor n wattmetre se transforma în metoda celor n-1 wattmetre, deoarece aparatul de pe conductorul la care s-a legat punctul N indica zero, (fiind alimentat cu tensiune nula).
Observatia 1. Teorema lui Blondel nu impune conditii de simetrie a tensiunilor si nici a curentilor din circuit. Re 20320c26u zulta generalitatea teoremei, valabila atât în cazul circuitelor cu tensiuni simetrice, situatie frecventa în practica, cât si în cazul circuitelor cu tensiuni nesimetrice .
Observatia 2. Metoda celor n wattmetre nu este folosita decât foarte rar, de exemplu, în unele conditii speciale de laborator. În conditii industriale se utilizeaza frecvent metoda celor n-1 wattmetre. Exista si wattmetre trifazate realizate cu 2 sau cu 3 sisteme active, în functie de absenta sau prezenta conductorului neutru.
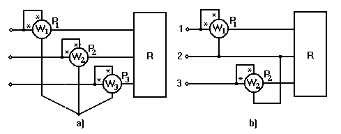
2.1 Aplicarea metodei la circuite trifazate fara conductor neutru
Într-un astfel de circuit n=3 si rezulta schemele cu n=3, respectiv cu n-1=2 wattmetre, conform fig.13.2.

Fig.13.2. Circuite trifazate fara conductor neutru:
a) schema cu 3 wattmetre; b) schema cu 2 wattmetre
În cazul masurarii cu n=3 wattmetre, relatia de calcul al puterii totale P este:
(13.1)
unde P , P , P sunt puterile indicate de cele trei wattmetre, având fiecare expresia generala:
(13.2)
unde k=1, 2, 3 reprezinta numarul de ordine al bornei si N este punctul de referinta.
Evident ca, în general, nefiind cunoscuta schema de conexiuni a sarcinii, puterile P , P si P nu au semnificatie fizica. Numai suma indicatiilor wattmetrelor are sens fizic, reprezentând puterea activa totala consumata în circuitul trifazat.
În cazul masurarii cu metoda celor n-1=2 wattmetre, punctul N este adus la potentialul uneia din cele trei faze, de exemplu la faza 2 ca în fig. 13.2.b.
În acest caz, avem relatiile:
(13.3)
(13.3a)
(13.3b)
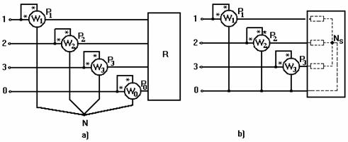
2.2. Circuite trifazate cu conductor neutru
În acest caz, n=4 si rezulta schemele cu n=4 wattmetre si cu n-1=3 wattmetre conform fig. 13.3.
Fig.13.3. Circuite
trifazate cu conductor neutru:
a) schema cu 4 wattmetre; b) schema cu 3 wattmetre.
În cazul schemei cu n=4 wattmetre s-a considerat, pentru generalitate, ca si conductorul neutru are o sarcina, de exemplu, o rezistenta, (fig. 13.3.a si fig.13.3.b). Puterea totala este, evident, data de relatia:
(13.4)
Schema frecvent utilizata practic este cu n-1=3 wattmetre si cu neutrul ales ca referinta (fig.13.3.b). Daca se presupune sarcina conectata în stea si potentialul Ns=N, atunci puterile P , P , P masurate de cele trei wattmetre au o semnificatie fizica, reprezentând - fiecare în parte - puterile active consumate de receptoarele monofazate conectate la fazele 1, 2 sau 3 (fig.13.3.b). Puterea totala este data de suma celor trei puteri, conform relatiei (13.1). În conditiile simetriei totale consumate pe fiecare faza devin egale:
(13.5)
unde k=1, 2, 3, iar neutrul sarcinii (Ns), punctul comun al celor trei wattmetre (N) si cel al retelei (0) au acelasi potential.
De asemenea, în acest caz al simetriei totale, puterile P si P indicate de cele doua wattmetre din fig.13.2.b au expresiile:
(13.5.a)
(13.5.b)
Aceste indicatii permit evaluarea defazajului din retea numai pe baza valorii celor doua puteri: P si P
3. Chestiuni de studiat
Se va masura puterea activa prin metoda celor 2 si 3 wattmetre în circuitele trifazate fara conductor neutru cu tensiuni nesimetrice între faze si curenti dezechilibrati, sarcina fiind rezistiva si apoi rezistiv-inductiva.
Se va masura puterea activa prin metoda celor 2 wattmetre în circuitele trifazate fara conductor neutru, cu tensiuni simetrice între faze si curenti echilibrati pentru j = 0°, 30°, 60°, 90°. Se va evidentia variatia sensului si a raportului indicatiilor celor doua wattmetre în functie de marimea defazajului. Se vor prezenta pe acelasi grafic indicatiile wattmetrelor 1 si 3 în functie de j =f(j =f(j) si se va explica diferenta între curbele teoretice si cele experimentale.
Se va masura puterea activa prin metoda celor 3 si 4 wattmetre în circuitele trifazate cu conductor neutru, cu tensiuni între faze întâi simetrice si apoi nesimetrice, curentii fiind dezechilibrati si sarcina rezistiv-inductiva.
4. Modul de lucru
4.1. Descrierea montajului
Se va executa montajul din fig. 13. 4 în care:
S -sigurante fuzibile;
0 -wattmetre electrodinamice monofazate de 5A- 10A;120V- 240V;
Wtr ` -wattmetru trifazat de 5A-10A, 240V;
A ,A ,A ,A -ampermetre feromagnetice de 2,5-5A;
V -voltmetru feromagnetic de 130V -260V;
R ,R ,R ,R -reostate cu cursor 100/3A sau 100/5A;
L ,L ,L -bobine de inductanta variabila;
Rh -reostat cu cursor 250/3A sau 100/5A;
C ,C ,C -întreruptoare tripolare;
C -întreruptor bipolar;
K ,K ,K ,C ,K ,K -întreruptoare monopolare;
K ,K -comutatoare voltmetrice tripolare
P.B. -placa de borne.

Fig. 13.4. Schema de montaj utilizata
4.2. Modul de experimentare
Indicatii detaliate asupra masuratorilor care trebuiesc facute si asupra pozitiilor diverselor întreruptoare ale schemei la fiecare masuratoare sunt date în tabelul 13.1.
Tabelul 13.1
|
Chestiuni de studiat |
Nr. crt. |
Tensiuni |
Curenti |
Felul sarcinii |
Potentialul punctului N' |
Pozitia lui K5 |
Observatii |
|
|
|
|
|
|
|
Rezistiva |
Oarecare |
deschis |
C ,C închise |
|
|
|
|
|
|
|
N' legat la N |
c |
C2,C5 deschise |
|
|
|
|
|
|
|
Rh pe poz. P |
a |
|
|
Circuit |
|
|
Nesime- trice |
Deze- chilibrati |
Rezistiv inductiva |
Rh pe pozitia intermediara |
a |
C1 C3 C4 C5 -închise; |
|
trifazat fara |
|
|
|
|
|
Rh pe poz. R |
a |
C2 - deschis |
|
conduc- tor |
|
|
|
|
|
La faza 1 |
a |
Se desface firul de la cursorul lui Rh si |
|
neutru |
|
|
|
|
|
La faza 3 |
|
se leaga la faza dorita a P.B.(1sau3) |
|
|
|
|
|
Echili- brati |
j |
|
|
Firul de la cursorul lui Rh se trece la |
|
|
|
|
Simetrice |
|
j |
La faza 2 |
a |
faza 2 a P.B. Pentru reglarea |
|
|
|
|
|
I1=I2= =I3=6A |
j |
|
|
curentilor se închide K ce se deschide apoi, |
|
|
|
|
|
|
j |
|
|
în momentul citirii aparatelor. |
|
Circuit |
|
|
Simetrice |
|
|
La neutrul retelei |
b |
Se leaga la loc firul la cursorul |
|
trifazat |
|
|
|
Deze- |
Rezistiv |
N' legat la N |
c |
lui Rh . Se închid |
|
cu con-ductor |
|
|
Nesime- |
chilibrati |
inductiva |
La neutrul retelei |
b |
C2 si K6 K7 deschis. |
|
neutru |
|
|
trice |
|
|
N' legat la N |
c |
|
|
|
|
|
|
|
|
La faza 3 |
a |
Se muta din nou firul la faza 3 |
4.2.1. Masurari în circuitul trifazat fara conductor neutru cu tensiuni nesimetrice
Conectarea montajului se face prin închiderea întreruptorului C Tensiunile U , U , U se citesc la voltmetru, corespunzator celor 3 pozitii ale comutatorului voltmetric K
Nesimetrizarea tensiunilor se realizeaza cu ajutorul reostatului Rh înseriat pe faza a 2-a, care, datorita caderii de tensiune, creeaza la bornele placii de borne, P.B., un sistem de tensiune între faze nesimetric. Evident, daca se pune reostatul Rh în scurtcircuit, tensiunile ramân cele de la retea, adica practic simetrice.
Sarcina rezistiva dezechilibrata se realizeaza introducând în circuit numai reostatele (se închide C ) si reglând curenti diferiti pe fiecare faza.
Se va avea grija ca la închiderea lui C , cursorul reostatelor sa fie pe maxim.
Sarcina rezistiv-inductiva dezechilibrata se realizeaza reglând curenti neegali pe faze din reostate, se introduc bobinele de inductanta si se scoate în mod inegal fierul din bobinele de pe fiecare faza.
Înainte de închiderea întreruptorului C , se va controla ca fierul sa fie complet introdus în bobine astfel ca inductivitatea lor sa fie maxima si cresterea curentului, la închiderea lui C (socul de curent) sa fie minima.
Wattmetrul electrodinamic trifazat poate fi considerat ca fiind format din 2 wattmetre monofazate, conectate dupa metoda celor 2 wattmetre; el va indica corect în circuitele trifazate fara conductor neutru (pct.3.1 si 3.2).
În timpul stabilirii sarcinii rezistive sau rezistiv-inductive echilibrate sau dezechilibrate corespunzatoare fiecarei masuratori întreruptoarele bobinelor de tensiune ale wattmetrelor K , K , K , K ramân deschise. Dupa terminarea reglajelor se închid cu precautie pentru a se vedea sensul deviatiei wattmetrelor.
Observatie: Pentru wattmetrele care deviaza în sens invers se va deschide imediat întreruptoarele bobinelor de tensiune. Se întrerupe, deschizând C1, alimentarea cu tensiune, se inverseaza polaritatea la bobinele de tensiune ale wattmetrelor care indicau în sens negativ, se închide din nou C si, apoi, întreruptoarele bobinelor de tensiune.
Puterea indicata de wattmetrele la care s-a schimbat polaritatea la bobinele de tensiune va fi trecuta în tabel cu semnul minus.
La wattmetrele care au comutator cu inversare pentru tensiuni se pune comutatorul wattmetrului pe pozitia ( - ) la tensiuni.
La toate masuratorile din prima parte se observa ca schimbarea potentialului punctului N' are drept urmare schimbarea indicatiilor wattmetrelor, însa suma indicatiilor ramâne constanta si reprezinta puterea totala consumata de receptorul trifazat.
Exceptând cazul când N' este legat la neutrul receptorului, indicatia fiecarui wattmetru în parte nu are semnificatie fizica.
La masuratoarea 2, pentru ca N' este legat la neutrul sarcinii, fiecare wattmetru va înregistra puterea efectiva consumata pe faza respectiva.
În acest caz particular, indicatia fiecarui wattmetru are o semnificatie fizica.
În cazul 3-5 se poate observa cum, pe masura ce N' se apropie de potentialul fazei a 2-a indicatia wattmetrului W tinde spre zero
Pentru alegerea ca faza de referinta a fazelor 1, 2 sau 3 (masurarile 6-11) se pune comutatorul K pe a, se dezleaga firul ce era legat la cursorul lui Rh si se leaga, pe rând, la placa de borne la faza dorita. În felul acesta N' va primi potentialul fazei respective, wattmetrul corespunzator indicând zero. Se va urmari, si în acest caz, verificarea teoremei lui Blondel.
4.2.2. Masurari în circuitul trifazat fara conductor neutru cu tensiuni simetrice
Pentru realizarea tensiunilor simetrice de alimentare necesare la pct.811 se scurtcircuiteaza reostatul Rh1, iar pentru reglajul independent al curentilor pe faza în vederea realizarii sarcinilor simetrice, se închide întreruptorul K , care conecteaza nulul receptoarelor la nulul retelei.
Dupa terminarea operatiei de reglare a curentilor, comutatorul K se va deschide.
Pentru reglarea unui anumit defazaj între curentii si tensiunile de faza se urmareste realizarea marimilor din diagrama fazoriala din fig.13.5.

Fig.13.5. Diagrama fazoriala a curentilor pe faza în cazul
reglajului defazajului sarcinii echilibrate.
Se observa ca, daca se impune curentul de faza: I =I =I =5A, atunci, din sarcina rezistiva se regleaza componenta activa: IR = I cosj iar, din bobina, se adauga componenta reactiva pâna când se obtine valoarea impusa a curentilor.
Defazajul real se poate calcula pentru cazul tensiunilor de alimentare simetrice si al curentilor echilibrati, din expresia puterilor indicate de wattmetrele W1 si W2, relatiile 13.5.a si 13.5.b, obtinându-se:
(13.6)
Datorita faptului ca bobinele de inductanta au si rezistenta proprie, defazajul jreal care se va stabili în circuit va fi putin diferit de cel impus.
Nr.
crt.
Tipul
sarcinii
U12
U23
U31
I1
I2
I3
I0
P1
P2
P3
P0
![]()
Ptr
jcalc
Obs.
V
V
V
A
A
A
A
W
W
W
W
W
W
grd.
Pentru fiecare masuratoare se va compara indicatia wattmetrului trifazat (Ptr) cu suma indicatiilor wattmetrelor monofazate si se va scrie la observatii daca wattmetrul trifazat indica sau nu corect.
Constanta acestui wattmetru se
determina cu relatia: ![]()
ANEXA 13.1.
Variatia puterii active în circuite trifazate fara conductor neutru, tensiuni simetrice, curenti echilibrati, defazajul inductiv.

Fig.A.13.1. Variatia puterilor P , P indicate de doua wattmetre,
a puterii totale P consumata de receptor, în functie de defazajul
|