
AutoCAD-ul v[ permite s[ seta\i configura\ii diferite pentru variabilele de cotare,permi\`ndu-v[ astfel definirea diferitelor moduri de cotare ce urmeaz[ a fi folosite ] 16116x231q n desen. Acest exerci\iu urm[re=te s[ v[ familiarizeze cu ]nc[rcarea unor stiluri existente =i crearea unora noi.
style
Procedura de desenare
1. Deschideti desenul "Slide. Crea\i un nou layer numit "DIMS" =i seta\i-l ca layer curent.
|
|
|
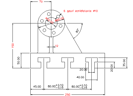
Figura 3 |
8. Selecta\i op\iunea Angular =i tasta\i <Return>. Marca\i punctele 2 =i 3 ]n ordinea ar[tat[ ]n figura 3 cre`nd cota de 60 grade.
9. Folosi\i op\iunea Curent din Style. din meniul Dimension pentru a ]nc[rca modul de dimensionare "ovall". Acest mod are set[ri diferite pentru ]n[l\imea textului, culoarea =i pozi\ia cotei f[c`nd distincte cotele de celelalte entit[\i din desen. Folosi\i comanda Update din meniul Dimension pentru a corecta toate cotele de gabarit existente conform noului mod setat ca ]n desenul final.
10. Utiliza\i Curent =i ]nc[rca\i stilul "tol". Utiliz`nd comanda Update aplica\i toloran\e celor dou[ cote de 80.00 mm ale canalului "T".
11. Utiliza\i Curent =i ]nc[rca\i stilul "circle". Selecta\i op\iunea Diameter =i marca\i cercurile respective ale flan=ei =i cota\i cercurile de diametre 40 =i 90 ca ]n desenul de referin\[.
12. Selecta\i Style. din meniul Dimension din pull down menu. Scrie\i ]n dreptul Name numele Leader =i apoi ap[sa\i Rename. Ve\i vedea c[ noul nume este introdus ]n lista de cotare fiind un nou stil. Pentru al modifica puncta\i cu cursorul pe Annotation. =i apoi alege\i Color care v[ permite s[ schimba\i culoarea textului cotei. }n fereastra Overall Scale din Geometry. introduce\i o nou[ valoare: 2.
Av`nd definit noul mod de cotare, selecta\i fereastra OK =i apoi din nou OK penru a ie=i din fereastr[.
NOT{: Atunci c`nd cotele sunt editate cu dimensionarea asociativ[ activat[ (real[), modific`nd entitatea cotat[, de exemplu cu comanda stretch, AutoCAD-ul actualizeaz[ valoarea cotei la noua dimensiune a entit[\ii.
13. Folosind op\iunea Leader ad[uga\i note pentru orificiile flan=ei ca ]n desenul de referin\[.
14. Salva\i desenul =i ie=i\i din editorul de desenare cu comanda Quit.
|