NOTIUNI GENERALE DESPRE ROBOTII INDUSTRIALI
1.1 Robotica in istoria omenirii
Domeniul de stiinta Robotica si fenomenul "robot", au aparut in cea de a doua jumatate a secolului XX. Aparitia lor se incadreaza in linia de evolutie a vietii si in acest cadru, a omenirii. Acest lucru se datoreaza cresterii productivitatii.
La inceputul omenirii actionarea asupra mediului se facea folosind energie biologica
![]()
Mai tarziu omul actioneaza cu ajutorul uneltelor asupra mediului folosind propria sa energie biologica.

![]()
O data cu evolutia omenirii si cresterii productivitatii pe plan local a dus la perfectionarea uneltelor si la necesitatea utilizarii unor energii suplimentare, aceasta energie sa gasit la animalele domestice.
![]()
![]()
![]()
![]()
![]()
![]()
Dezvoltarea societatii, cresterea complexitatii si volumului interactiunii cu mediu duce la un consum mare d 636e49g e energie, care impinge civilizatia umana spre etapa "masinismului'.
Etapa "masinismului' este cunoscuta si sub denumirea de prima revolutie tehnico - stiintifica, este cea in care tehnica incepe tot mai mult sa se dezvolte pe baza stiintei, deci a cunostintelor omenirii despre mediu, avand pe langa aspecte concrete o pondere din ce in ce mai mare de aspecte abstracte.
SURSA DE ENERGIE MECANIZATA
![]()
![]()
![]()
![]()
![]()
![]()
Mecanizarea a condus la o accelerata "crestere a productivitatii", la dezvoltarea societatii umane, la cresterea bunastarii acesteia, ceea ce a permis la randul ei dezvoltarea tehnicii.
Etapa "automatizarii" se realizeaza ca urmare a unui aport crescut al cercetarii stiintifice in dezvoltarea tehnica, a doua revolutie stiintifico - tehnica.
Se caracterizeaza prin dezvoltarea domeniilor de varf ale tehnicii prin patrunderea masiva a utilizarii calculatoarelor iar in mod paralel are loc si etapa "mecanizarii" activitatilor umane, mai ales a acelora care nu au fost suficient de afectate de acest proces.

![]()
![]()
![]()
Etapa "automatizarii" prezinta doua faze distincte, diferentiate prin natura proceselor asupra carora se aplica.
Procesele pot fi:
naturale
artificiale:sunt cauzate de interventii ale omului. "Procesele automate" sunt procese artificiale
PROCESE ARTIFICIALE


Procesele artificiale pot fi:
Continue sunt acelea care o data declansate se desfasoara in mod continuu, pana cand conditiile de mediu necesare sunt asigurate. Continuitatea este asigurata de operatorul uman in solutiile clasice iar prin diferitele mecanisme, termostate, regulatoare, presostate, etc., la cele automatizate.
Discontinue sunt acelea care prin compunerea lor din mai multe secvente cu inceput si sfarsit, ale caror derulare se interconditioneaza reciproc si a caror continut este de complexitate mai mare decat in cazul proceselor continue. Secventa este o parte distincta din proces, avand actiuni caracteristici proprii. Discontinuitatea este asigurata de operatorul uman, cand intervine in secventele procesului cu mana sa. Pentru a asigura automatizarea proceselor discontinue este necesar sa se realizeze sisteme tehnice, care sa poata realiza automat operatii inteligente de manipulare similare omului. Asemenea sisteme sunt robotii.
1.2.Clasificarea robotilor industriali conform I.S.O.

sursa principala de putere pentru actionare
pneumatica
hidraulica
electrica
comanda miscarii
punct cu punct sau fara comanda de viteza : continua sau discontinua
comanda pe traiectorie continua
modele de programare
prin invatare directa
prin generare de traiectorie
off-line
tipuri de senzori folositi
detectori de pozitie
logica liniara simpla
senzori de semnale proportionale cu abaterea
Asociatia Franceza de Robotica Industriala (A.F.R.I.) propune urmatoarea clasificare a robotilor industriali:
Manipulatoare cu :
comanda sau telemanipulatoare
automate cu cicluri prereglate: pneumatice, electrice sau electronice
Roboti :
programabili controlati in bucla de pozitie, cu traiectorie continua sau deplasare punct cu punct
inteligenti, avind senzori care exclud logica binara simpla si indeplinesc diferite sarcini cu ajutorul sistemelor de recunoastere a formelor.
1.3.STRUCTURA ROBOTULUI
Structura unui robot este, defapat, un sistem compus din mai multe subsisteme. Sistem este un ansamblu de parti componente, elemente, si legaturile dintre acestea. Elementele care compun acest sistem se numesc subsisteme. La randul lor subsistemele pot avea si ele subsisteme, din acest motiv exista o ierarhizare si anume sistemul principal se numeste sistem de rangul 1, subsistemele se numesc sisteme de rangul 2, etc.
Modul cum se compune un sistem din subsisteme si legaturile dintre aceste subsisteme definesc structura unui sistem. Aceasta compunere a sistemelor din subsisteme se evidentiaza prin scheme bloc, iar legaturile dintre subsisteme, prin matrici de cuplare (care definesc legaturile dintre 'intrarile' si 'iesirile') si matrici de structura (care ne arata care subsisteme sunt in legatura).
Robotul este un sistem de rangul 1, si se aseamana, constructiv, cu sistemul unui om, la fel si subsistemele robotului.
Schema bloc al structuri unui robot este:

In cazul robotilor avand dispozitive de ghidare cu
topologie paralela sau mixta, un modul al structurii functional - constructive este
constituit din doua platforme legate intre ele prin conexiuni . in figura de
mai jos se prezinta un modul de orientare cu doua grade de libertate actionat
electric, avand pe axa de supinatie o transmisie armonica
Structura functional - constructiva cu module tipizate a robotilor constituie o dezvoltate mai departe a conceptiei constructive cu module tipice ale acestora.
Prin modul tipizat al unui robot se intelege un modul din cadrul unei structuri constructiv - functionale, care constituie un subansamblu de sine statator, interschimbabil cu alte module, facand parte dintr-o serie de module tipizate si care poate fi asamblat cu alte module tipizate, in conformitate cu cerintele utilizatorului.
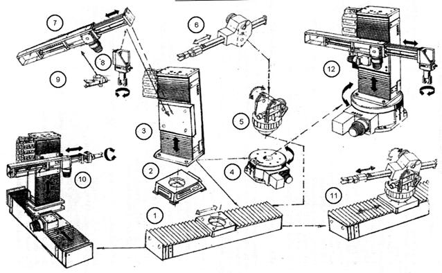
In urmatoarea figura se prezinta module tipizate din cadrul unor structuri functional-constructive de robot constituit din module. Ele pot fi asamblate in structuri diferite intr-o conceptie 'baukasten', formand o familie de roboti compusi din module tipizate.

In care:
1 - Modul de translatie de baza
2 - Batiu
3 - Modul de ridicare brat
4 - Modul de rotatie de baza
5 - Modul de basculare brat
6, 7 - Module de extensie brat
8, 9 - Module de orientare
10 - Robot cu mecanism generator de TTT, obtinut prin combinarea modulelor 1+3+7
11 - Robot cu mecanism generator de traiectorie TRRT, obtinut prin combinarea modulelor 1+4+5+6
12 - Robot RTT obtinut din modulele 4+3+7
Ideea dezvoltarii unor familii de roboti construiti din module interschimbabile a fost apreciata de constructorii de roboti in deosebi la inceputul anilor 1980. Datorita inmultirii numarului aplicatiilor industriale ale robotilor si a concentrarii fabricatiei de roboti la un numar mai redus de firme care fabrica mai multi roboti pe an, s-a ajuns dupa 1990 la diminuarii constructiei robotilor din module tipizate.
|