OBTINEREA DE NOI TOPOLOGII PE PRINCIPIUL DUALITATII
Pana acum au fost descrise convertoarele in comutatie de ordin “zero” care sunt bazate pe inductori de comutatie de ordin “zero”, L0. Ar fi posibil sa dezvoltam noi topologii bazate pe capacitatea de comutatie de ordin “zero”, C0. Aceasta sectiune examineaza astfel de posibilitati.
CONVERTOARE DE COMUTATIE DE ORDIN 252f54c APROAPE “ZERO”
BAZATE PE CONDENSATORI IN COMUTATIE DE ORDIN 252f54c “ZERO”
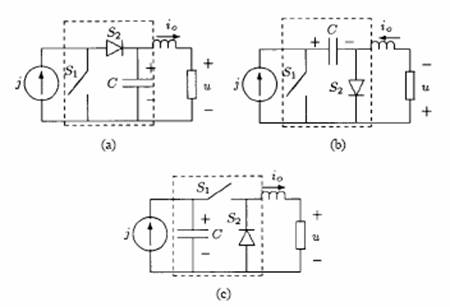
O scurtatura spre proiectarea circuitelor PFC de ordin “zero” bazate pe C0 este prin transformari duale. Figura 10 arata dualele circuitelor convertoare de baza.

Fig.10 Convertoare de comutatie de ordin “zero” si aproape “zero”
bazate pe C0. Dualitatea directa pentru convertoare:
(a) coborator; (b) inversor; (c) ridicator.
A se nota ca dualitatea inverseaza efectiv starea de comutatie, adica ”ON” devine “OFF” si invers. Astfel, daca folosim aceasi diferenta pentru factorul de umplere (procente din timp cand comutatorul este deschis), operatia in mod continuu este caracterizata de o tensiune nula pe condensator pe o portiune din perioada cat comutatorul este ‘nchis, cum se arata in figura 11.

Fig. 11 Forma de unda a tensiunii pe condensator pentru circuitul din fig. 10
Cum condensatorul C formeaza o bucla periodic cu comutatoarele inchise, este
calificat drept C0. Din teorema 1, convertoarele sunt convertoare de comutatie de ordin “zero”.
Dualitatea ne permite sa obtinem rezistenta de intrare in frecventa joasa pentru
circuitele din fig.10, schimband curentul si tensiunea, rezistenta si conductanta, capacitatea si inductanta, d si (1-d) etc., in expresiile obtinute mai inainte pentru convertoarele coborator, inversor si ridicator. Astfel, din (7), (6) si (9), conductantele de intrare ale circuitelor din fig. 10, in sensul de medie sunt:
|
|
|
|
|
|
|
|
|
unde j si i0 sunt curentii de intrare si de iesire ai convertoarelor duale. In final,
de dragul concesiei, afirmam ca toate concluziile trase la sectiunea 3.4, sunt valide aici cu conditia ca translatarile de dualitate potrivite sa fie facute in cea ce priveste marimile.
JUSTIFICAREA PRESUPUNERII SURSA DE CURENT
Desi convertoarele duale (fig. 10) mostenesc proprietatea PFC, potrivirea lor pentru aplicatiile practice este pusa sub semnul intrebarii caci intrarile principale, sunt adeseori surse de curent si o tensiune reglata este in mod normal ceruta la iesire. Astfel, circuitele duale necesita modificarea a doua aspecte: inserarea unui inductor “substantial” la intrare si a unui “unic” condensator pe sarcina ca in fig. 12.

Fig.12 Convertoare modificate dual pentru surse practice si sarcina.
Condensatorul C opereaza in mod discontinuu.
Din dualitate, factorul de putere inalt este mentinut doar la intrarea convertorului dual (adica zona punctata din fig. 12). Deci impedanta de intrare vazuta de sursa de tensiune “e” ar avea o componenta inductiva in serie, cea ce ar implica o posibila degradare a factorului de putere datorita defazarii aditionale cauzata de inductanta. Totusi daca maximul defazarii este nesemnificativ, aceste circuite pot inca fi luate in calcul.
Cum sursa de curent “j” in convertoarele duale de baza (fig. 10) trebuie sa ramana o sursa de curent pe durata unei perioade de comutatie, rata de schimb a lui “j” trebuie sa fie cu un ordin de marime mai jos decat frecventa de schimb. Sa observam ca Ls/RLT = O(1) (inseamna constant) si Rin/RL =O(1), unde RL reprezinta rezistenta de sarcina. In practica, frecventa principala este cu multe ordine de marime sub frecventa de schimb, adica O(fmT)<<1.
Este clar, defazajul ø cauzat de Ls este dat de:
|
|
|
principala si frecventa de comutatie, reactanta lui Ls poate fi considerata nesemnificativa la frecventa principala, justificand astfel posibila folosire a convertoarelor duale in aplicatiile practice PFC.
UN EXEMPLU DE OBTINERE A UNUI NOU REGULATOR DE TENSIUNE PFC PRIN DUALITATE
In aceasta subsectiune ilustram aplicarea principiului dualitatii la sinteza noilor
convertoare PFC. Pentru a detalia, luam dualul unui regulator de tensiune PFC ce consta dintr-un convertor ridicator si unul coborator.
Rezultatul este aratat in fig. 13(a). Este de retinut faptul ca in acest circuit dual, inductorul L serveste ca element de stocare in frecventa joasa, in timp ce condensatorul C1 este un C0 ce ofera PFC. Referindu-ne la fig. 13(a), inductorul de stocare L, intr-o maniera duala, mentine un curent continuu ce este mai mare in amplitudine ca cel de intrare. Condensatorul C1 opereaza in mod discontinuu cum am aratat mai inainte in fig.11.
Fig. 13 (a) Regulator PFC dual, un singur etaj cu C1 in mod discontinuu;
comutarea este sincronizata pentru operarea intr-un singur etaj
(b) versiune separata
In aceasta lucrare s-a incercat sa se deduca conditii suficiente pentru care o retea in comutatie are o impedanta de intrare de ordin “zero”. Discutiile acestea s-au invartit in jurul folosirii retelelor de ordin “zero” in corectia factorului de putere. Trebuie sa semnalam ca PFC poate fi deasemenea realizata si prin alte mijloace caci teoremele principale date aici dau numai conditiile suficiente. De exemplu convertorul ridicator ce opereaza in mod continuu nu contine nici C0 nici L0, si cu toate astea reuseste sa obtina factor de putere mare cand un control adecvat este aplicat pentru a modela curentul de intrare. Desigur, s-ar putea spune ca inductorul a trebuit sa fie cumva oprit sa se comporte ca un element reactiv in gama frecventelor joase (10). Intr-adevar, asemenea distrugere a dinamicii in frecventa joasa ramane conditia necesara pentru realizarea corectiei factorului de putere.
|