GRUP SCOLAR”PANAIT ISTRATI”
PROIECT
pentru sustinerea examenului de calificare
a componentelor profesionale nivel III
LUCRARI DE INTRETIERE ALE ECHIPAMENTELOR SI INSTALATIILOR IN DOMENIUL TRANSPORTULUI RUTIER
ARGUMENT
Parti componente
1.1.1.Motorul este alcatuit din mecanismul motor si instalatii auxiliare. Mecanismul motor este format din organe fixe si organe mobile.
1.1.2.Sasiul este compus din:
- grupul organelor de transmitere a momentului motor la rotile motoare;
- sistemele de conducere;
- organele de sustinere;
- propulsie;
- instalatiile auxiliare.
Transmisia
are rolul de a transmite momentul motor la rotile motoare,
modificandu-i, in acelasi timp, si valoarea in functie de marimea rezistentelor
la inaintare.
Transmisia este compusa din:
-ambreiaj
-cutia de viteze
-transmisia longitudinala
-transmisia principala (angrenajul in unghi),
-diferential
-arborii planetari
-transmisia finala.
Ambreiajul face
parte din transmisia automobilului si este intercalat intre motor si cutia
de viteze, permite la pornirea automobilului cuplarea progresiva a
motorului care se afla in functiune , cu celelalte organe ale transmisiei, care
in acel moment stau pe loc. Permite cuplarea si decuplarea in timpul
mersului automobilului a motorului cu transmisia, la schimbarea treptelor de
viteze. Protejeaza la suprasarcini celelalte organe ale transmisiei(Anexa
1-tipuri de ambreiaje).
Cutia de viteze are
rolul de modifica forta de tractiune autovehiculului in functie
de marimea rezistentei la inaintare. Motoarele cu ardere interna
a automobilelor permit o variatie limitata a momentului motor,
respectiv a fortei de tractiune. Din aceasta cauza, automobilele echipate cu
motoare cu ardere interna trebuie sa fie prevazute cu cutie de viteze cu
scopul:
-sa permita modificarea forfei de tractiune in functie de variatia
rezistentelor la inaintare;
-sa realizeze intreruperea indelungata a legaturii dintre motor si restul
transmisiei in cazul in catre automobilul sta pe loc cu motorul in functiune;
-sa permita mersul inapoi al automobilului, fara a inversa sensul de
rotatie al motorului(Anexa 2).
Reductorul – distributor

Fig.1.Transmisie cardanic cu
articulatie rigida cu viteza unghiulara variabila
1- furca glisanta; 2- cap canelat; 3- teava arborelui cardanic; 4-
furca; 5- flansa; 6- crucea cardanului;7- rulment; 8- inel de siguranta;
9- garnitura; 10- furca; 11- piulita; 12- garnitura; 13- inel despicat;
14- ungator; 15- furca Articulatiile
cardanice sunt mecanismele de legatura dintre doi arbori care se
rotesc, axele acestora facand un anumit unghi intre ele(Fig.2.).

Fig.2.Articulatie
cardanica sincrona cu bile
1- arbore planetar; 2- arbore condus;3, 4- furci; 5- lacas sferic; 6-
bile de actionare; 7- bila centrala; 8, 9- stifturi; 10-
orificiu;
Transmisia
principala are rolul de a mari momentul motor transmis la
rotile motoare. De asemenea, transmisia principala transmite momentul
de la arborele cardanic situat intr-un plan longitudinal al automobilului la
semiarborii planetari, situati intr-un plan transversal(Anexa3).
Diferentialul
Diferentialul este mecanismul care permite ca rotile motoare ale
aceleiasi punti sa se roteasca cu viteze unghiulare
diferite, dand astfel posibilitatea ca la deplasarea automobilului in viraje sa
parcurga spatii de lungimi diferite(Anexa3).
Arborii planetari
Arborii planetari servesc la transmiterea momentului motor
de la diferential la rotile motoare sau la pinioanele conducatoare
ale transmisiei finale.
Trasmisia finala amplifica
momentul motor transmis rotilor si in acelasi timp, contribuie
la micsorarea solicitarilor organelor transmisiei dispuse inaintea
ei.
Transmisia finala se utilizeaza la automobilele la care raportul de
transmitere al transmisiei pricipale, rezultat prin calcul, are o valoare prea
mare. Din cauza limitarii dimensiunilor de gabarit a transmisiei
principale se recurge la transmisia finala dispusa dupa
diferential. Transmisiile finale se utilizeaza la unele autotobuze
si autocamioane grele.
Operatiile de intretinere si periodicitatea acestorora sunt:
- strangerea suruburilor sau prezoanelor de fixare a suportilor axului,
culbutorilor
la fiecare
- strangerea chiuloasei, la rece la fiecare 50000
- suruburile sau prezoanele chiuloasei se strang in ordinea indicata de
fabricant, dar in general se incepe cu cele de la mijloc si apoi in cruce pana
la cele extreme
- strangerea
capacului culbutorilor, capacului tachetilor la fiecare
- strangerea colectoarelor de admisie de evacuare si a tubulaturii aferente. la fiecare
50 000km (sau la nevoie) ;
- verificarea fixarii motorului pe suponii cadrului sau a caroseriei automobilului ;
- veriticarea etansitatii imbinarilor chiulasei Capacului, baii de ulei etc.
- controlul integritatii constructiei si funcionale ale componentelor organelor fixe
2.3. Intretinerea mecanismului de distributie
Operatiile principale de intretinere sunt: verificarea vizuala a etanseitatii capacului distributiei cu blocul motor, a starii arcurilor si pozitiei culbutorilor, asigurarii supapelor, etanseitatii capacului de chiuloasa; reglarii jocului termic dintre culbutori si supape, iar la nevoie si verificarea punerii la punct a distributiei. Ultimele doua operatii necesita o atentie deosebita.
Reglarea jocului termic dintre culbutori si supape se face la rece sau la cald, pentru a permite dilatarea libera a supapei si a evita ramanerea ei deschisa cand motorul este cald. Jocul se mareste in timpul exploatari, provocand zgomote anormale, reducand timpul si cursa deschiderii supapelor, inrautatind umplerea cilindrilor cu amestec carburant sau aer si evacuarea gazelor arse.

1- arbore cu came; 2-cama; 3-tachet; 4-tija impingatoare; 5-culbutor; 6-ax culbutori cu suport; 7;piulita; 8-surub reglaj; 9-supapa;10-arc supapa.
La motoarele cu arborele cu came in chiuloasa, reglarea este realizata in ordinea de functionare, actionandu-se asupra surubului de reglaj pentru culbutorii (de forma adecvata) comandati direct de came; asigurarea suruburilor impotriva dereglarilor se face cu piulitele corespunzatoare.
Sunt motoare la care acest reglaj se realizeaza prin intermediul unor pastile de grosimi adecvate, intre culbutori si came (in interiorul unor tacheti speciali).
Punerea la punct a dsitributiei se face de constructorul motorului pentru totdeauna, marcandu-se pinioanele cu semne, astfel incat la reparare sa se respecte reglajele. Aceasta consta in pozitionarea arborelui cu came fata de arborele cotit si reglarea jocului dintre culbutori si supape, sau dintre tacheti si supape (la distributia laterala).
Punerea la punct a distributiei se executa astfel: se demonteaza una din rotile de la angrenajul distributiei sau lantul de distributie, se aduce piston cilindrului 1 in pozitia in care supapa de admisie va fi la inceputul deschiderii, prin rotirea arborelui cotit si a arborelui cu came: acest moment se determina cu ajutorul unui ceas comparator montat pe chiuloasa, palpatorul lui fiind contact cu supapa. Se imobilizeaza arborele cu came in aceasta pozitie, apoi se cupleaza pinionul de distributie sau lantul, astfel incat reperel;e de pe ele sa coprespunda pozitiei indicate (cel de pe arborele cotit cu cel de la angrenajul distributiei). Se regleaza din nou jocul supapelor.
Intretinerea instalatiei de alimentare (Anexa 5 ):
- la
Reguli de exploatare:
Pentru
asigurarea exploatarii automobilelor si remorcilor in conditii de sigu¬ranta a
circulatiei, precum si pentru realizarea de catre acestea a normelor de
parcurs, cu minimum de cheltuieli, este necesar sa se execute o serie de
lucrari de prevenire si inlaturare a defectiunilor tehnice. Acestea sunt
lucrari de intretinere si lucrari de reparatii curente care impreuna formeaza
„deservirea tehnica auto'.
Lucrarile
de intretinere a automobilelor si remorcilor se executa periodic la termenele
prevazute in normative, iar lucrarile de reparatii curente se executa atunci
cand apare necesitatea lor.
Automobilului reparat, ca oricarui alt
obiect, ii este proprie determi¬narea calitativa. Prin calitatea repararii
automobilelor se intelege gradul de refacere a capacitatii de functionare
pierdute in procesul de oxplontniv. in cazul consumului normat de munca,
materiale si resurse financiare.
In
procesul de exploatare, proprietatile si caracteristicile automobil u! ui se
inrautatesc, ajungind ca, in anumite conditii care pot decurge din motive
tehnice, tehnologice sau complexe, automobilul sa fie trimis pentru repa¬ratie,
in reparatie, automobilului si
ansamblurilor lui i se refac principalele proprietati si caracteristici, in
limitele prevazute in tehnologia de repararii.
Verificarea,
realizarii indicatorilor calitatii aiitombo bilelor reparate se asigura prin
efectuarea controlului calitatii la nivel de intreprimiere, ramura sau
ministere, cu participarea reprezentantilor unitatilor di u alte ramuri ale
economiei nationale.
Pentru fiecare fel de control se poate, folosi-una din directiile de apreciere
a calitatii automobilelor reparate: de productie, de consum si de
productie-consum.
Pe baza celor mentionate, sistemul de realizare a calitatii reparatiei
automobilelor se poate prezenta sub forma unui model grafic care consta din
intrare (fluxul fondului de reparatie), proces, iesire (automobile reparate),
conducere, legaturi, in compozitia conducerii intra si aparatul de control
tehnic.
Pentru
functionarea cu succes a procesului, este necesar sa se stabileasca periodic
masuri pentru crearea conditiilor care sa asigure obtinerea la produsele supuse
reparatiei a indicatorilor de calitate la cheltuieli optime de munca, materiale
si financiare.Printre masurile orientate spre rezolva¬rea problemei, se pot
enumera urmatoarele : reconstructia intreprinderii in scopul introducerii
proceselor tehnologice avansate, a utilajelor de mare productivitate, a noilor
metode de organizare a productiei, pregatirea productiei pentru repararea
automobilelor si a ansamblurilor de anumite marci, aprovizionarea
tehnico-materiala a productiei, studierea caracteris¬ticilor fluxului de
intrare, selectia si instruirea cadrelor de productie si tehnico — ingineresti.
Calitatea superioara a reparatiei automobilelor cu cheltuieli minime de munca
si mijloace materiale se poate asigura respectand urmatoarele conditii:
folosirea formelor avansate de organizare a muncii, a metodelor in flux de
organizare a productiei; introducerea-utilajului de inalta productivitate
mecanizat si automatizat si a proceselor tehnologice noi;
3.2.Intretinerea preventiva auto
Lucrarile de intretinereau un character de prevenire a uzurilor anormale si a defectiunilor tehnice ce pot interveni in timpul exploatarii
precum si de asigurare a unui aspect estetic corespunzator circulatiei pe drumurile publice
3.2.3.Revizia tehnica de gradul I (RT-1)
3.2.4 Revizia tehnica de gradul II (RT-2)
3.3. Reparatiile curente
4.1. Masuri de tehnica a securitatii muncii, prevenire si stingere a incendiilor la lucrarile de intretinere, reparare si exploatare a automobilelor
1. Antonescu E. ; Fratila M. – Instalatii si echipamente auto – Editura Didactica si Pedagogica – Bucuresti 1995.
2. Cristescu D. ; Raducu D. – Automobilul: constructie, functionare, depanare – Editura Tehnica 1986.

Anexa 2
Cutia de viteze
1- arbore ambreiaj;
2-arbore primar;
3- arbore secundar;
4,5,6,8- roti pentru treptele de mers inainte solidare pe arborele primar;
7,12- roti pentru treapta de mers inapoi;
9,10,11,13- roti pentru treptele de mers inainte, libere pe arborele secundar;
14- sincronizator pentru treptele a I-a si a II-a;
15-sincronizator pentru treptele a III-a si a IV-a;
16- pinionul conic al transmisiei principale;
17- diferential;
Reductorul – distributor
Reductorul
distribuitor
1- flansa; 2- arbore primar; 3- pinionul arborelui primar; 4-
pinionul arborelui secundar pentru puntea spate; 5- arbore secundar;6- tamburul
franei de mana; 7, 11- roti dintate de pe arborele intermediar; 8-
roata dintata de pe arborele secundar al puntii fata;
9- carter;
10- arborele secundar; 12- arborele intermediar
13- mufa de cuplare a puntii fata;

Anexa 3
Transmisia principala
Schema cinematica de organizare a transmisiei
principale simple
1- rulment; 2- pinion conic (pinion de atac); 3- coroana dintata;
4- lagar de rulmenti; 5, 8- arbore planetar; 6- ssuruburi;
7- carcasa diferentialului; 9- flansa;


Schema diferentialului
1- coroana diferentialului; 2- caseta satelitilor; 3- axa
satelitilor; 4- satelitii; 5- pinioane planetare;6- axe planetare; 7-
roti motoare; 8- pinion de atac
Anexa 4
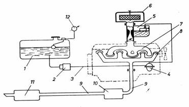
Instalatia de ungere a motorului Saviem

Schema instalatiei de
alimentare
rezervor de combustibil; 2- filtru decantor; 3 - conducta combustibil; 4 - pompa de alimentare; 5- carburator ; 6 filtru de aer ; 7 - colector (galerie) de admisie;
colector (galerie) de evacuare; 9- teava de evacuare;10 - toba de esapament (destindere); - toba de esapament (amortizare); 12- indicator nivel combustibil
Instalatia de racire
Anexa 6
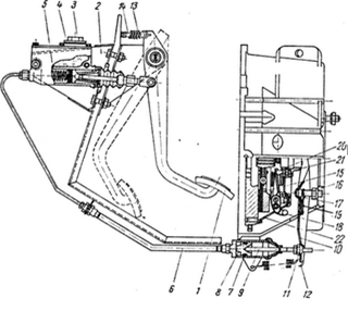
Insatalatia de franare

|