PROTHERM LEOPARD 24 BTV (BOV)

INSTRUCŢIUNI DE UTILIZARE, INSTALARE sI SERVICE
Numarul de serie al cazanului este īnscris pe eticheta fixata pe cutia electrica ce contine panoul de comanda - cutia este accesibila cānd panoul frontal al cazanului este īndepartat.
"Instructiunile de utilizare" descriu functiile principale ale cazanului si folosirea lui īn conditii de siguranta.
"Instructiunile pentru instalare si service" sunt destinate personalului de la companiile specializate.
1.2. Comanda si semnalizare
1.3. Pornirea si oprirea cazanului
Fara alimentarea electrica, cazanul este oprit prin supraīncalzire datorata nefunctionarii pompei.
- porniti cazanul
- activati starea de baza a cazanului.
Fixarea modului "IARNĂ" (AT + ACM)
- porniti cazanul;
- activati starea de baza a cazanului
a.) Functionarea fara termostat de camera - controlul prin mentinerea temperaturii AT
Fixare
fixati "E -" prin "modul izoterm - panta curbei";
fixati "P -" prin "modul izoterm - schimbarea curbei paralele";
fixati valoarea temperaturii dorite īn modul "temperatura AT";
termostatul de camera nu este conectat - īn locul lui se foloseste un sunt.
b.) Functionarea cu un termostat de camera - controlul prin mentinerea temperaturii AT, cu īntreruperi īn functionare īn functie de temperatura camerei īn care termostatul este instalat. Radiatorul din aceasta camera nu trebuie sa fie echipat cu robinet cu cap termostatic.
Fixare: la fel ca si īn cazul functionarii fara termostat de camera, dar suntul este īnlaturat si īnlocuit cu legaturile de la termostatul de camera.
c.) Functionarea cu reglare izotermica - temperatura AT este modificata īn functie de temperatura exterioara.
ATENŢIE: acest mod necesita instalarea unui senzor de temperatura exterioara. Acest senzor este instalat pe peretele cel mai rece al casei (nord sau nord-vest) aproximativ la 2,5 sau 3 m deasupra nivelului solului. Nu trebuie sa existe factori care sa influenteze senzorul cum ar fi: ferestre deschise, deschideri pentru ventilatie sau radiatie solara directa.
Īn ceea ce priveste alegerea pantei curbei, īn general, cu cāt izolatia termica a cladirii este mai buna si īn consecinta diferenta de temperatura mai mare, cu atāt numarul curbei este mai mic si viceversa.
Diagrama curbei este numai pentru a fi folosita la fixarea initiala care trebuie modificata prin observatiile pe parcursul a mai multor zile a temperaturilor exterioare si interioare.
Cea mai potrivita fixare initiala este "E6".
Cānd se face modificarea, deschideti toti robinetii de pe radiatoare la maxim; daca exista robineti cu cap termostatic pe radiatoare, ei trebuie reglati la temperatura maxima. Toate usile si geamurile trebuie īnchise. Schimbati panta si curba paralela cu pasi marunti; dupa fiecare modificare asteptati aproape 2 ore pentru a evalua efectul modificarii. Cele mai bune conditii pentru fixarea parametrilor sunt atunci cānd temperatura exterioara se modifica.
Ajustarea finala trebuie facuta cānd temperatura exterioara scade sub 0 C.
Procedura de fixare a parametrilor:
fixati "E6" prin "modul izotermic - panta curbei";
fixati "P -" prin "modul izotermic - schimbarea curbei paralele";
verificati ca modul "VARĂ" sa nu fie fixat ("- - ") īn modul de temperatura AT - nu este important ce valoare a temperaturii este fixata" (aceasta fixare nu afecteaza modul izotermic), dar "- -" nu trebuie sa fie fixat.
activati starea de baza a cazanului.
Dupa cāteva zile (cānd cladirea este īncalzita), modificati panta dupa necesitate:
daca temperatura interioara nu se modifica substantial cānd temperatura exterioara se modifica, alegerea curbei este corecta. Temperatura poate fi marita sau micsorata prin modificarea curbei paralele, conform "Control si semnalizare - Modul izotermic - schimbarea curbei paralele".
daca temperatura din interiorul cladirii se modifica, si anume este mai mare cānd temperatura exterioara scade, selectati o valoare mai mica a pantei si invers.
d.) Functionarea cu reglare izotermica si un termostat de camera (cu īntrerupator īn functie de timp) - reglarea izotermica este combinata cu un control al temperaturii īn functie de timp, īn mod obisnuit o scadere a temperaturii pe timp de noapte.
Procedura de fixare:
- fixati reglarea izotermica corespunzator punctului c.) de mai sus;
- conectati termostatul de camera la cazan (scoateti suntul dintre contacte); valoarea īnalta a temperaturii cerute (de "zi") de pe termostat este fixata la o valoare cu aprox. 5 C mai mare decāt temperatura obtinuta prin reglarea izotermica.
Temperatura scazuta (de "noapte") este fixata la valoarea reala ceruta (care trebuie sa fie īntotdeauna cu 3 C mai scazuta decāt valoarea "īnalta").
Exemplu
C.
- valoarea "īnalta" a termostatului de camera este fixata la 26 C, valoarea "joasa" dupa cerinte (sa zicem 16 C)
Nu utilizati niciodata materiale abrazive.
II. INSTRUCŢIUNI DE INSTALARE sI SERVICE
Astfel o retea de service a producatorului asigura instalare, īntretinere si reparatii.
Cazanul este proiectat sa functioneze īntr-un cadru normal, categoria AA5/AB5 īn concordanta cu standardele CSN 33 2000-3 si CSN 33 200-5-51 (temperaturi īntre +5 si +40 C, umiditate pāna la 85%, īn functie de temperatura).
Cazanul poate fi instalat īn zonele permise de normativele īn vigoare.
Cazanul poate fi instalat īn camere de locuit si sociale īn ceea ce priveste nivelul zgomotului (īn conformitate cu MZ Decretul no. 13/1977 Coll.)
Apa din circuitul de īncalzire trebuie sa fie īn conformitate cu standardul CSN 077401 (nu trebuie sa fie acida, pH > 7, duritatea cāt de mica posibil).
Utilizarea amestecurilor anti-īnghet nu este recomandata datorita proprietatilor necorespunzatoare īn functionarea cazanului. Aceste proprietati se refera la: reducerea transferului termic, expansiunea ridicata a volumului la caldura, īmbatrānirea si deteriorarea partilor din cauciuc. Chiar daca nu au fost gasite alte solutii pentru īmpiedicarea īnghetarii sistemului, caderile parametrilor īn functionare si/sau defectele cauzate de folosirea amestecurilor antiīnghet nu vor fi acoperite de garantia cazanului.
Īnaintea asamblarii finale, conductele sistemului de īncalzire trebuie suflate cu apa sub presiune, de mai multe ori. Pentru circuite mai vechi (care au fost deja īn utilizare) sensul curentului de spalare trebuie sa fie opus sensului de circulatie a agentului termic.
Instalarea unui separator de namol este recomandata pe ramura de retur a sistemului de īncalzire. Forma separatorului trebuie sa faca posibila īnlaturarea cu regularitate a namolului fara a fi necesara golirea unor cantitati mari de apa din sistemul de īncalzire.
Separatorul de namol poate fi combinat cu un filtru; oricum, un singur filtru nu asigura o protectie suficienta. Atāt filtrul cāt si separatorul trebuie cu regularitate verificate si curatate.
Standardele CSN 830616 pentru apa menajera si CSN 757111 pentru apa potabila furnizeaza cerinte pentru calitatea apei: daca suma concentratiilor de calciu si magneziu este mai mare de 1,8 mmol/litru, trebuie luate alte masuri īmpotriva depunerilor de piatra (protectie cu cāmp magnetic sau electrostatic).
Garantia cazanului nu acopera defectele mecanice cauzate de corpuri straine si impuritati (ex. schimbator colmatat sau pompa blocata).
Temperatura de lucru a partilor superioare ale cazanului (īn special panoul superior si lateralele) poate fi cu pāna la 50 C mai mare decāt temperatura ambianta.
Urmatoarele distante de amplasament sunt prescrise (īn termenii standardelor CSN 061008 si CSN 730823):
100 mm de la materialele ignifuge si cu inflamabilitate moderata;
200 mm de la materialele inflamabile (cum ar fi panouri lemnoase, poliuretan, polistiren, polietilena, PVC expandat, fibre sintetice, celuloza, carton asfaltat, cauciuc etc.)
Spatiul minim de manipulare din jurul cazanului trebuie sa fie astfel īncāt o munca usoara si īn siguranta cu māinile goale si/sau cu scule sa fie posibila.
Pentru modelul 24 BTV, eliminarea gazelor de ardere si aspiratia aerului pentru combustie se fac printr-un tub dublu concentric special.
Traseele acestor tuburi de evacuare si aspiratie pot fi adaptate fiecarei situatii īn parte. Traseul tubulaturii trebuie astfel proiectat īncāt sa faca posibila eliminarea condensului din gazele de ardere. Elemente speciale de eliminare a condensului pot fi folosite pentru acest scop. Daca defectele sunt cauzate de existenta condensului, ele nu vor fi acoperite de garantie.
Datorita variatiei conditiilor locale, elementele de tubulatura dubla nu sunt incluse īn furnitura cazanului. Principiile pentru completarea traseului sunt cuprinse īn capitolul "Tubulaturi pentru aer si gaze".
Modelul 24 BOV este proiectat pentru eliminarea gazelor de ardere la un cos de fum cu un tiraj constant. Cazanul este legat la cosul de fum printr-o tubulatura a carei diametru corespunde diametrului racordului de pe cazan. Nu este permisa introducerea de elemente de reducere a tirajului (cum ar fi diferite schimbatoare pentru utilizarea caldurii reziduale) īn tubulatura pentru gaze arse. Tubulatura de evacuare a gazelor nu este inclusa īn furnitura cazanului.
Instalarea atāt a cazanului cāt si a tubulaturii pentru gaze trebuie sa fie īn concordanta cu standardele CSN 061610, CSN 734201 si CSN 734210. Cerintele acestor standarde īmpiedica aparitia efectelor adverse cum ar fi racirea excesiva a gazelor de ardere, patrunderea umiditatii īn peretele cosului de fum si variatii īn tirajul cosului, lucruri care ar afecta functionarea cazanului īntr-un mod nedorit.
Cazanul īsi ia aerul pentru ardere din spatiul din jurul lui. Trebuie sa existe un volum suficient de aer pentru a asigura aerul necesar combustiei; minim 0,8 m³ pe fiecare kW putere a cazanului. Daca ventilarea directa este imposibila, volumul necesar este de 2 m³ pentru fiecare kW putere instalata.
Protherm 24 BTV/BOV este un cazan de perete combinat care furnizeaza agentul termic pentru īncalzire si apa calda menajera īn regim instantaneu.
Cazanul este din categoria II2H3+ pentru utilizarea pe gaz natural (G20) sau pe gaz Butan Propan (G30/G31) cu chitul de conversie corespunzator.
Conversie ...............Part no.
Gaz natural (G20) la G30/G31 .....3906 )92321165).
Modificarea poate fi facuta numai de un inginer calificat īn astfel de activitate.
Cazanele functionānd pe LPG sau gaze similare nu trebuie instalate īn pivnite sau sub nivelul terenului.
Aceste instructiuni trebuie urmate cu atentie pentru utilizarea economica si īn siguranta a cazanului dvs.
Cazanul 24 BTV este prevazut cu un ventilator si un chit tubulatura prin care produsele de ardere sunt eliminate īn exterior, iar aerul necesar arderii este aspirat din exteriorul cladirii. Cazanul 24 BTV este din categoria C12, C32.
Modelul 24 BOV este cu evacuarea gazelor de ardere la un cos cu un tiraj constant. Cazanul este conectat la cos prin intermediul unei tubulaturi a carei diametru corespunde diametrului de iesire a gazelor din cazan. Nu este permisa introducerea īn tubulatura pentru gaze arse a nici unui element reducator de tiraj (cum ar fi diverse schimbatoare pentru folosirea caldurii reziduale). Tubulatura pentru gazele de ardere nu este inclusa īn furnitura cazanului. Cazanele 24 BOV fac parte din categoria B11BS.
O gama larga de accesorii incluzānd componente verticale pentru tiraj este disponibila. Pentru informatii detaliate contactati cel mai apropiat depozit.
Pentru siguranta utilizarii instalatiei de gaz, legea prevede ca toate aparatele sa fie instalate si service-ate de o persoana competenta conform reglementarilor de mai sus.
Daca exista sau se suspecteaza o scurgere de gaz sau o defectiune, opriti cazanul si alimentarea cu gaz si consultati Regionala de Gaz Locala sau furnizorul de instalatii/service.
Panoul de comanda situat la partea de jos a panoului frontal, permite pornirea, oprirea, controlul si monitorizarea cazanului īn timpul utilizarii.
Cazanele sunt echipate cu un dispozitiv de siguranta de descarcare a produsilor de combustie care va opri cazanul daca exista o īmprastiere a produsilor de ardere la divertorul de tiraj.
Acest dispozitiv de siguranta nu trebuie sub nici o circumstanta scos din functiune. Dispozitivul de siguranta trebuie īnlocuit cu componente PROTHERM.
Cazanul nu trebuie instalat īntr-o īncapere care serveste ca si camera de dormit.
Cazanul nu este adecvat instalarii īn exterior.
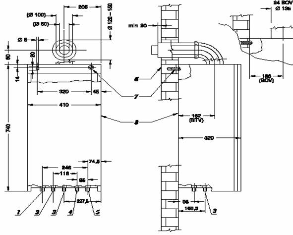
2.1. DIMENSIUNI DE BAZĂ

Fig .3. Dimensiunile de baza si de legatura ale cazanelor Protherm Leopard BTV (BOV)
1 - iesire AT (filet exterior G3/4") 5 - intrare AT (filet exterior G3/4")
2 - iesire ACM (filet exterior G1/2") 6 - perete
3 - intrare gaz (filet exterior G3/4") 7 - suport fixare pe perete
4 - intrare apa rece (filet exterior ½") 8 - manta

Fig.4. Curba caracteristica a pompei
2.3. PARAMETRII TEHNICI
24 BTV - ZP
Categorie ............................II2H3P
Tip ...................... C12, C32, C42, C52, C62, C82
Gaz ..................G 20 .........G30 .......G31
Caldura max. absorbita....kW.......24,5 ......23,5 ......23,6
Caldura min. absorbita.....kW......10,8 .....11,1 ........10,9
Caldura max. cedata .....kW ......22,3 ........20,8 .......21,5
Caldura min. cedata....kW ........9,2 ......9,1 ..........8,9
Nivel de zgomot (la distanta de 1 m fata de cazan
si la īnaltime de 1,5 m ...dB(A) ....................pāna la 55
Debit masic ........g/s.......................14
Presiunea la arzator max./min. mbar.......12/2,5.....27,5/7,1.....35,1/7,1
Presiunea nominala.....mbar........20......28-30........37
Diametrul duzelor .....mm........1,2........0,71 ........0,71
Q max............m³/h........2,6 ...1,84 kg/h .....1,66 kg/h
Q min ............m³/h ......1,14 ....,85 kg/h .... 0,77 kg/h
Randament nominal .....%.......................90
Īncalzire
Domeniul de temperatura ....ŗC .....................40 - 80
Vasul de expansiune ...... l .......................5
Presiunea īn vasul de expansiune bar......................1
Presiunea max. de lucru ....bar ......................3
Presiunea min. de lucru ....bar ......................1
Temperatura max. de ..... ŗC .....................80
Cantitatea max. de apa
din circuitul de īncalzire....l ......................95
Apa calda menajera (ACM)
Debit la Dt = 25 ŗC......l/min......................12,5
Debit la Dt = 30 ŗC......l/min......................10,6
Debit la Dt = 35 ŗC......l/min.....................8,8
Debit minim .........l/min.....................2,3
Presiunea max. de intrare ....bar .......................6
Presiunea min. de intrare ....bar ........................1
Domeniul de temperatura ...ŗC .................... 40 - 60
Tensiune/frecventa .....V/Hz .................. 230/50
Curent ............A ................... ..0,6
Putere .............W ....................135
Gradul de protectie .......IP ..................X4,D
Latime ...........mm ..................... 410
Īnaltime ............mm .................... 740
Adāncime .........mm ..................... 320
Greutate ...........kg .....................35
AT (tur, retur) ........tol .................... ¾"
ACM (intrare, iesire) .......tol .................... ½"
Gaz .............tol .................... ¾"
Iesire gaze/intrare aer .....mm .......... ..... ...... ................... f
Lungime tubulatura orizontala ..m ...................0,3 - 4
Lungime tubulatura verticala ....m ...................0,5 - 9
Categorie ............................II2H3P
Tip .......... ..... ...... ... B11BS
Gaz ..................G 20 ......G30 .......G31
Caldura max. absorbita....kW.......24,5 ....23,5 .....23,5
Caldura min. absorbita.....kW......10,8 ....10,5 ......10,9
Caldura max. cedata .....kW ......22,1 ......20,7 ......21,4
Caldura min. cedata....kW ........9,2 .....8,6 .......8,9
Nivel de zgomot (la distanta de 1 m fata de cazan
si la īnaltime de 1,5 m ...dB(A) ................pāna la 55
Debit masic - gaze de ardere...g/s...................14
Presiunea la arzator max./min. mbar......12/2,5.....27,5/7,1....35,1/7,1
Presiunea nominala.....mbar......20....28-30.......37
Diametrul duzelor .....mm........1,2.....0,71 ........0,71
Q max............m³/h.......2,6 ...1,84 kg/h ..1,66 kg/h
Q min ............m³/h .....1,14 ..0,85 kg/h .... 0,77 kg/h
Randament nominal .....%....................90
Domeniul de temperatura ....ŗC ...................40 - 80
Vasul de expansiune ...... l .....................5
Presiunea īn vasul de expansiune bar....................1
Presiunea max. de lucru ....bar ....................3
Presiunea min. de lucru ....bar ....................1
Temperatura max. de lucru..... ŗC ...................80
Cant. max. de apa din circuit..l ...................95
Apa calda menajera (ACM)
Debit la Dt = 25 ŗC......l/min...................12,5
Debit la Dt = 30 ŗC......l/min...................10,6
Debit la Dt = 35 ŗC......l/min..................8,8
Debit minim .........l/min..................2,3
Presiunea max. de intrare ....bar ....................6
Presiunea min. de intrare ....bar ....................1
Domeniul de temperatura ...ŗC ................. 40 - 60
Tensiune/frecventa .....V/Hz ................ 230/50
Curent ............A ................. ...0,42
Putere .............W ....................95
Gradul de protectie .......IP .................X4.D
Latime ...........mm .................. 410
Īnaltime ............mm ................. 740
Adāncime .........mm .................. 320
Greutate ...........kg ..................35
AT (tur, retur) ........tol ................... ¾"
ACM (intrare, iesire) .......tol ................... ½"
Gaz .............tol ................... ¾"
Racord gaze ardere ... .....mm ...................f

Fig. 5.
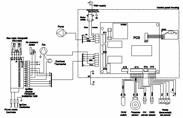
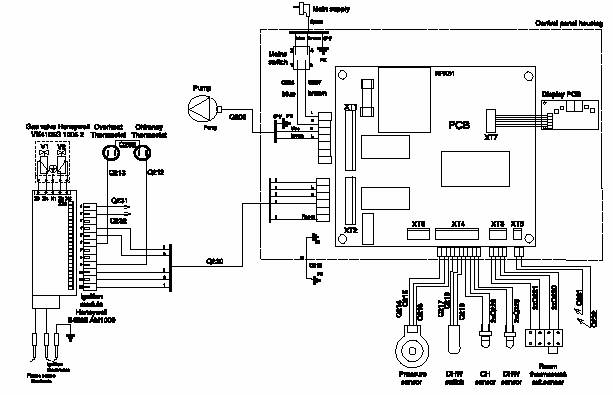
1. presostat diferential de aer (BTV)/termostat gaze arse (BOV) 11. supapa de siguranta (protectie lipsa apa)
2. ventilator (BTV)/* separator picaturi din gazele de ardere (BOV) 12. intrare AT
3. schimbator bitermic 13. intrare ACM
4. arzator 14. intrare gaz
5. armatura combinata de gaz 15. iesire ACM
6. vas de expansiune 16. iesire AT
7. pompa cu purjor automat 17. senzor ACM
8. senzor de debit (Holl) 18. termostat supraīncalzire
9. robinet de completare cu apa (umplere/golire) 19. senzor AT
10. senzor de presiune (protectie lipsa apa)
2.4. SECŢIUNEA INSTALARE
- Distante:
Pentru a permite accesul īn timpul service-ului, cazanul trebuie instalat tinānd seama de urmatoarele distante de montaj:
50 mm de fiecare parte laterala a cazanului
600 mm de la partea frontala a cazanului
300 mm sub cazan
200 deasupra cazanului
- Pozitia terminalului tubulaturii:
Spatele minim acceptate de la terminal la obstacole si deschideri de ventilare sunt aratate īn fig. 6 de mai jos.
Distante minime (īn mm) pentru pozitionarea terminalelor
a. Sub o fereastra .................300
b. Sub o deschidere de ventilatie ............300
c. Sub o streasina .................75
d. Sub un balcon ...................300
e. De la o fereastra adiacenta ...............300
f. De la o deschidere de ventilatie adiacenta ......300
g. De la tevi verticale de scurgere sau tevi īn pamānt ...75
h. De la un colt exterior al cladirii ...........300
i. De la un colt interior al cladirii ...........300
j. De la sol sau un alt nivel .............300
k. Īntre 2 terminale pe verticala ...........1500
l. Īntre 2 terminale pe orizontala .............300

Fig. 6.
- Tipul sistemului de īncalzire:
Cazanele Protherm 24 BTV (BOV) sunt compatibile cu orice sistem īnchis de īncalzire (radiatoare, aeroterme etc.).
Sectiunea conductelor trebuie determinata īn conformitate cu metodologia īn vigoare, folosind curba pompei (vezi Datele tehnice). Sistemul de distributie trebuie calculat īn conformitate cu cerintele de caldura ale sistemului īn cauza, nu cu puterea maxima cedata de cazan. Oricum trebuie luat īn calcul un coeficient de siguranta pentru a asigura debit suficient, astfel īncāt diferenta de temperatura dintre tur si retur sa fie mai mica sau egala cu 20 ŗC. debitul minim este 500 l/h.
Sistemul de tevi trebuie configurat astfel īncāt sa se evite formarea pungilor de aer si sa se usureze permanenta dezaerare a instalatiei. Robinete de dezaerare trebuie prevazute īn fiecare punct īnalt al instalatiei si pe fiecare radiator.
Volumul total de apa permis pentru sistemul de īncalzire depinde, īntre alte lucruri, de presiunea statica īn stare rece. Vasul de expansiune al cazanului este presurizat la 1 bar (corespunzator unei presiuni statice de 10 m coloana) si permite un volum maxim al sistemului de 100 litri corespunzator unei temperaturi medii de 75 ŗC si o presiune maxima de lucru de 3 bari. Aceasta fixare a presiunii poate fi modificata īn faza punerii īn functiune daca presiunea statica difera.
Pentru golirea sistemului, īn punctul cel mai de jos trebuie montat un robinet de golire.
Sunt permise robinete cu cap termostatic pe radiatoare cu conditia ca cel putin 1 radiator sa fie echipat cu un robinet īntotdeauna deschis, īn particular acolo unde este montat termostatul de camera.
Pentru umplerea corecta a sistemului se prevede o derivatie cu un robinet corespunzator pentru umplere.
Īn toate cazurile, este ESENŢIAL ca sistemul sa fie complet suflat īnaintea instalarii noului cazan.
Ţevi de cupru sau polibutilena (Hep2O=) pot fi folosite pentru sistemel de ACM. Pierderile de presiune inutile trebuie evitate.
Presiunea de furnizare a ACM trebuie sa fie īntre 1 si 6 bari. Daca presiunea depaseste 6 bari, trebuie montat un reductor de presiune.
Īn zonele cu apa dura este recomandata montarea pe alimentarea cu apa rece a cazanului un filtru dedurizator.
ATENŢIE: cazanul nu trebuie sa descarce apa deasupra unei intrari sau ferestre sau unui loc cu acces public. Conectati teava de descarcare a supapei de siguranta; aceasta descarcare poate fi extinsa folosind nu mai putin de de teava de Ų15 mm pentru a elimina surplusul de apa īntr-un loc vizibil īn exteriorul cladirii, īn sens descendent, de preferat la o canalizare. Ţeava de descarcare trebuie sa aiba o panta continua si sa fie condusa la o pozitie īn care orice descarcare de apa, posibil fierbinte sau aburi, sa nu prezinte pericol pentru persoane, proprietati sua componente (fire electrice) exterioare.
Strāngeti toate fitingurile de legatura ale tevilor.
Alimentarea de la contor trebuie sa aiba sectiunea corespunzatoare sa asigure o presiune de intrare de 20 mbar pentru gaz natural (28-30 mbar pentru butan sau 37 mbar pentru propan).
Pentru a evita problemele unei presiun scazute de gaz, este recomandata folosirea pe cāt posibil a unei tevi de alimentare a cazanului cu diametrul de ¾".
Instalatia de gaz trebuie verificata folosind metoda pierderii de presiune si purjata īn conformitate cu prevederea īn vigoare I6/96.
Īn interesul si pentru siguranta dvs., conform legii, toti consumatorii de gaz trebuie instalati si verificati de o persoana autorizata, īn conformitate cu reglementarile de mai sus.
Instalarea acestui cazan trebuie facuta de o persoana competenta īn conformitate cu cerintele relevante stipulate īn:
Reglementarile pentru instalarea si utilizarea īn siguranta a instalatiilor de gaz
Reglementarile pentru constructii
Reglementarile companiei locale de apa si termoficare
Reglementarile privind sanatatea si siguranta īn timpul muncii (protectia muncii)
Īnaintea montarii cazanului, sistemul trebuie īn īntregime suflat pentru a elimina orice corp strain sau impuriati sum ar fi: pilitura, resturi de sudura, partciule, ulei, grasime etc.
Nota: Produsii solventi pot cauza daune sistemului.
MONTAREA CAZANULUI
Conform normativ I 6 - 1996.
TUBULATURA ORIZONTALĂ PENTRU GAZE
A - teava intrare aer
B - terminal (tub evacuare gaze arse)
C - colier si peisa etansare
D - cot
E - garnitura
F - suruburi
G - guler de etansare exterior din cauciuc
H - guler interior din plastic
J - inele de cauciuc (O-ring)
K - distantier (vezi fig. 9)

Fig. 7.
Montati garnitura (E) sub cotul (D)
Inserati cu grija inelele O-ring (J) īn cele 2 parti interioare ale cotului
Plasati distantierul (K) (livrat īmpreuna cu cazanul) īn partea superioara a cazanului (vezi fig. 9)
Montati cotul pe inelul distantier asigurānd corecta etansare pe racordul de iesire a ventilatorului
Fixati gulerul exterior de etansare din cauciuc (G) pe tubulatura de aspiratie a aerului (A)
Introduceti tubulatura īn gaura din perete astfel ca gulerul exterior (G) sa fie orientat "īmpotriva" peretelui exterior
Montati colierul si pesa de etansare (C) pe cot si tubulatura, asigurāndu-va ca atāt tubul interior cāt si exterior sunt etansate corespunzator.
Nota: lungimea maxima pe orizontala fara coturi este de 4 m. Pentru tubulaturi cu lungimi de pāna la 1 m, piesa de reducere a sectiunii (restrictorul) trebuie lasat pe refularea ventilatorului. Pentru lungimi pe orizontala īntre 1 si 4 m, īnlaturati restrictorul (R).
Strāngeti colierul folosind suruburile livrate.
Nota: daca este necesara taierea tubulaturii, īntotdeauna taiati lungimi egale atāt din tubul interior cāt si exterior.
Īntotdeauna taiati capatul cel mai īndepartat de terminal. Pentru fiecare cot la 90ŗ montat, reduceti lungimea totala a tubulaturii cu 1 m. pentru fiecare cot la 45ŗ montat, reduceti lungimea totala a tubulaturii cu ½ m.
Kit orizontal pentru gaze 85090
Prelungitor tubulatura 85091
Cot concentric la 90ŗ 85092
Cot concentric la 45ŗ 85093
Nota: 1. Pentru asamblarea tubulaturii garniturile de etansare se vor gresa cu sapun lichid;
2. Dupa asamblare tubulatura de evacuare si cea de admisie trebuie sa fie perfect concentrica si etansa.
Fig. 8. Tubulatura orizontala
TUBULATURA VERTICALĂ
Montati garnitura (E) la partea de jos a adaptorului vertical (O) - vezi fig. 9
Introduceti cu grija inelul "O" (J) īn canalul interior al adaptorului vertical
Plasati distantierul (K) la partea de sus a cazanului
Montati adaptorul vertical (O) pe distantierul (K) cu asezarea corecta pe refularea ventialatorului
Pentru acoperisuri plate (terasa), montati un colier īmpotriva fulgerului (No 85107)
Montati prelungitoare (M) pentru tubulatura conform cerntelor
Pentru acoperisurile īn panta fixati un colier īmpotriva fulgerului
Montati terminalul (L) pe acoperis
Nota: īnaltimea maxima verticala fara coturi este de 9 m.
Daca este necesar sa taiati din tubulatura, īntotdeauna taiati lungimi egale atāt din tubul interior cāt si exterior.
Conectati colectorul pentru condens (furnizat) la adaptorul vertical cānd lungimea tubulaturii depaseste 3 m.
Conectati o teava de plastic f15 mm (nu este furnizat) la o scurgere corespunzatoare.
Pentru trasee verticale pāna la 4 m restrictorul poate fi lasat pe refularea ventialtorului, vezi fig. 9.
Pentru trasee verticale īntre 4 si 9 m, īnlaturati restrictorul (R); pentru fiecare cot la 90ŗ montat, reduceti īnaltimea totala cu 1 m. pentru fiecare cot la 45ŗ montat, reduceti īnaltimea totala cu ½ m.
Terminal vertical (negru) 85103
Terminal vertical (caramida) 85104
Paratraznet pentru acoperis īn panta 85105
Paratraznet pentru acoperis plan 85107
Prelungitor tubulatura 85099
Cot concentric la 90ŗ 85101
Cot concentric la 45ŗ 85102

Fig. 9. Tubulatura verticala

Fig. 10. Detalii de montaj pentru tubulatura de evacuare/admisie
2.6. CONECTAREA ELECTRICĂ
Atentie: cazanul se va conecta la o priza cu pamāntare īn mod obligatoriu.
Toate componentele sistemului trebuie sa fie de tipul aprobat.
Legarea īntregului sistem electric si a comenzilor oricarui sistem de īncalzire la alimentarea electrica trebuie facuta printr-un izolator comun.
Izolarea trebuie sa fie facuta, preferabil, printr-o cutie de sigurante bipolare avānd o separare minima de contact de 3 mm pe fiecare pol. Cutia trebuie sa fie accesibila si de preferat situata lānga cazan. Ea trebuie identificata pentru tipul de folosire ales.
O fisa cu 3 pini si o priza pot fi folosite īn locul cutiei de sigurante cu conditia:
a). sa nu fie folosite īntr-o īncapere cu cada de baie sau dus;
b). atāt priza cāt si fisa sunt īn concordanta cu normativele nationale īn vigoare.
Alimentarea electrica principala trebuie mentinuta tot timpul pentru a furniza ACM si protectia la īnghet.
Este recomandata montarea unui termostat de camera.
Robinete cu cap termostatic pot fi montate aditional montarii termostatului de camera.
NU ĪNTRERUPEŢI ALIMENTAREA ELECTRICĂ A CAZANULUI CU UN ĪNTRERUPĂTOR DE TIMP SAU PROGRAMATOR.
Cazanul PROTHERM 24 BTV este furnizat cu un cordon electric de 1 metru echipat cu fisa electrica care se introduce īn priza.
Daca exista cerinta pentru un termostat de camera, el trebuie legat asa cum se arata mai jos, iar suntul trebuie īnlaturat.
Orice termostat de camera folosit nu trebuie sa īntroduca o tensiune suplimentara.
ATENŢIE: legaturile electrice la acest cazan trebuie facute īn concordanta cu aceste instructiuni. Orice greseala rezultata din legaturi electrice gresite nu este acoperita de garantia cazanului.
ATENŢIE: nu este permisa introducerea unei tensiuni electrice pe nici unul din terminalele conectorului exterior de comanda.

Fig. 11. Legatura electrica a termostatului de camera si a senzorului exterior
2.7. PUNEREA ĪN FUNCŢIUNE A CAZANULUI
Numai profesionisti autorizati au permisiunea sa puna īn functiune cazanul. Scoateti panoul frontal dupa cum urmeaza:
desfaceti surubul care fixeaza panoul de la partea inferioara a cazanului;
īnclinati marginea de jos a panoului spre īnainte si īmpingeti panoul īn sus pentru a-l scoate afara din pinii de la marginea de sus a camerei.
Umplerea sistemului de īncalzire cu apa
verificati ca alimentarea cu gaz este oprita.
Slabiti capul purjorului automat de pe pompa.
Conectati cazanul la reteaua electrica.
Fixati īntrerupatorul principal pe pozitia pornit (pozitia "I") - (1 īn fig. 1.). va fi afisat mesajul "F0", iar pompa va īncepe sa functioneze pentru aproximativ 1 minut.
Apasati butonul Bar/Mode (9 īn fig. 1). Va fi afisat "O.O" (valoarea presiunii) si indicatorul (2) este aprins. (conform fig. 1).
Nota: valoarea presiunii ramāne afisata pentru aproximativ 25 secunde. Apoi modul de afisaj de baza revine automat. Citirea valorii presiunii este activata apasānd butonul Bar/Mode din nou (9 īn fig. 1).
Umpleti sistemul cu apa, pāna la presiunea de 1,2 - 2 bari;
Purjati cu grija toate radiatoarele (vāna de apa trebuie sa fie continua, fara aer);
Mentineti capul de la purjorul automat slabit tot timpul (si cānd cazanul functioneaza);
Deschideti robinetele pentru ACM pentru a purja sistemul ACM;
Verificati pentru a fi siguri ca citirea presiunii este īntre 1,2 - 2 bari - daca e necesar, presurizati.
Atentie: cānd purjati cazanul, nu utilizati valva de pe vasul de expansiune - nu este o valva pentru purjare!!!
Pornirea cazanului
Īnaintea pornirii cazanului, verificati daca:
Robinetul principal pentru gaz este deschis;
Robinetul pentru gaz de pe cazan este deschis;
Robinetii pentru apa (ACM, īncalzire) sunt deschisi;
Fisa electrica a cazanului este introdusa īn priza.
Prima īncalzire
Fixati īntrerupatorul principal pe pozitia pornit (pe pozitia "I") - (1 īn fig. 1.)
Fixati temperatura AT la 85 ŗC (max.) si opriti reglarea izoterma ("E -" - conform "Control si semnalizare")
Verificati daca termostatul de camera (daca exista unul) este īn modul "cere caldura";
Lasati temperatura AT sa ajunga la valoarea maxima (cu toti robinetii de pe radiatoare īn pozitia deschis la maxim). Aerul ramas īn sistemul de īncalzire este purjat "via" purjorul automat. Nu trebuie sa ramāna aer īn sistem (verificati radiatoarele si cel mai īnalt punct al sistemului).
Presurizati apa pāna la 1,2 bari;
Reporniti cazanul si īncalziti pāna la temperatura maxima din nou;
Opriti cazanul. Daca este necesar, purjati sistemul de īncalzire si recompletati cu apa. Verificati daca valoarea presiunii este 1,2 bari (cānd sistemul de īncalzire este rece).
Daca presiunea īn sistem este īn mod semnificativ (aprox. 0,5 bari) mai mare īn stare calda decāt īn stare rece, verificati ajustarea vasului de expansiune.

Fig. 12. Vana de gaz
Verificarea presiunii de intrare a gazului
Opriti cazanul.
Slabiti surubul de la punctul de verificare intrare gaz (1) de pe valva de gaz (fig. 12).
Conectati un aparat de masura corespunzator.
Verificati daca presiunea de gaz corespunde gamei prescrise - daca presiunea este prea mica, verificati instalatia de gaz.
Opriti cazanul.
Deconectati aparatul de masura, strāngeti surubul de la punctul de masurare (fara forta excesiva) si verificati etansarea.
Reglarea puterii transmise sistemului de īncalzire
Puterea cazanului trebuie sa corespunda cerintelor sistemului de īncalzire. Puterea este reglata dupa cum urmeaza:
Apasati butonul Bar/Mode si tineti-l apasat pentru cel putin 8 secunde, afisajul va fi comutat pe modul de service indicat prin afisarea "n -".
Fixati valoarea īntre n1 si n9, sau n -, folosind butoanele (8) sau (7), conform fig. 13, cum este indicat īn tabelul de mai jos (dupa modelul gaz natural/LPG). Graficul arata dependenta puterii cedate īn functie de presiunea de intrare a gazului.
|
n1 |
|
kW |
|
n2 |
|
kW |
|
n3 |
|
kW |
|
n4 |
|
kW |
|
n5 |
|
kW |
|
n6 |
|
kW |
|
n7 |
|
kW |
|
n8 |
|
KW |
|
n9 |
|
KW |
|
n- |
|
kW (puterea maxima) |

Fig. 13. Fixarea puterii termice
Validati alegerea apasānd butonul Bar/Mode; dupa 25 secunde afisajul va reveni la modul de baza.
Sistemul de control al gazelor de ardere
24 BTV
Daca calea de evacuare a gazelor de ardere este partial sau complet blocata (sau ventilatorul a cazut), sistemul de control (manostatul) va opri functionarea cazanului. Cazanul poate fi repornit dupa īnlaturarea obstacolului sau reparatia ventilatorului.

Fig.14. Resetarea cazanului
24 BOV
Daca cosul de fum este partial sau complet blocat, sistemul de control va decupla cazanul, iar codul defect "F1" va fi afisat.
Cazanul poate fi repornit de la butonul RESET dupa resetarea īn prealabil a butonului de pe termostat.
Termostatul de siguranta
Daca cazanul se supraīncalzeste, termostatul de siguranta va decupla cazanul, iar codul defect "F1" este afisat.
Dupa ce cazanul se raceste, termostatul poate fi resetat folosind butonul care este pe el (Fig. 20). Cazanul poate fi repornit prin butonul RESET (6 īn diagrama 14) de pe panoul de comanda.
Īnaintea repornirii cazanului, īntotdeauna depistati cauza defectiunii. Cazanul nu poate functiona cu termostatul de siguranta la supratemperatura defect sau īnlocuit cu un element diferit de cel specificat de producator. Functionarea corecta a termostatului trebuie verificata dupa instalare si de asemenea dupa fiecare interventie asupra lui.
Īn general, o inspectie facuta de un centru specializat de service trebuie efectuata cel putin o data pe an.
Orice interventie asupra cazanului trebuie facuta de un centru de service autorizat de producator.
Testati functionarea cazanului sub diferite moduri.
Scoateti fisa cazanului din priza si īnchideti alimentarea cu gaz.
Cānd inspectia este terminata, verificati toate etansarile pe partea de gaz folosind lichide detectabile.
Demontarea panourilor cazanului
Panoul frontal
Desfaceti surubul care fixeaza panoul de partea de jos a cazanului;
Īnclinati partea de jos a panoului spre īnainte si īmpingeti panoul īn sus pentru a-l scoate din pinii de la marginea de sus a camerei de ardere.
Panoul camerei etanse (24 BTV)
Īnlaturati cele 2 clipsuri de sārma care tin partea de jos a panoului;
Trageti panoul īn sus pentru a-l scoate din pinii de la marginea superioara a camerei.
Panourile laterale
Desfaceti surubul care tine panoul de partea de jos a cazanului si īnca 2 suruburi de pe partea frontala a panoului; scoateti panoul afara din "pini".

Fig.15.
Curatarea arzatorului
Desfaceti cele 6 suruburi care fixeaza panoul camerei de ardere si īnlaturati panoul;
Deconectati cablurile de la electrozii de ionizare (1) si aprindere (2) de pe modulul electronic de aprindere;
Scoateti mansonul de cauciuc cu cabluri: (pentru BTV) de la deschizatura īn partea de jos a camerei interioare; sau (pentru BOV) de la suportul tijei;
Desfaceti piulita (A) si pozitionati tubul īntre arzator si vana de gaz;
Desfaceti suruburile (B) care sustin platforma arzatorului;
Scoateti arzatorul;
Curatati corpul arzatorului si duzele.
Curatarea schimbatorului de caldura
Scoateti ventilatorul si colectorul de gaze (24 BTV) sau amortizorul (umezitorul) de tiraj (24 BOV) pentru a avea acces la schimbator;
Verificati spatiile dintre aripioarele schimbatorului pentru sedimente sau alte impuritati;
Curatati schimbatorul cu o pensula moale sau cu aspiratorul;
Verificarea sistemului pentru gaze arse
Verificati daca traseele pentru gaze arse sunt lipsite de obstacole;
Verificati daca toate partile sistemului corespund cerintelor unei functionari īn siguranta;
Verificarea ventilatorului (numai pentru modelul 24 BTV)
Scoateti placa frontala si placa camerei de ardere din interior;
Porniti cazanul;
Verificati daca ventilatorul īntotdeauna porneste cānd flacara este aprinsa si se opreste cānd flacara se stinge.
Pompa blocata
Daca pompa este blocata de sedimente, rotorul pompei poate fi rotit cu ajutorul unei surubelnite īn directia de rotatie a pompei;
Accesul cu surubelnita se poate face dupa ce surubul (C) este demontat de pe partea terminala frontala a statorului;
Atentie: Nu loviti axul; este din material ceramic;
Scoateti fisa cazanului din priza;
Scoateti placa superioara si daca este necesar si alte parti: placa camerei din interior, placa camerei de combustie si placile laterale (conform "Demontarea cazanului");
Basculati spre īnafara panoul de comanda;

Fig. 16.
Īnlocuirea ventilatorului (modelul 24 BTV)
Scoateti placa superioara si placa camerei din interior;
Desfaceti legaturile electrice si cablul de īmpamāntare de la ventilator (fig. 16);
Slabiti surubul (A) - conform fig. 16;
Īmpingeti ventilatorul īn jos si scoateti-l afara din cazan;
Instalati un ventilator nou printr-o procedura inversa (fiti atenti la garnituri!);
Nota: cānd īnlocuirea ventilatorului se considera terminata, verificati etanseitatea legaturii ventilatorului cu celelalte elemente ale sistemului de evacuare a gazelor de ardere.
Īnlocuirea manostatului (modelul 24 BTV)
Scoateti placa superioara si placa camerei din interior;
Manostatul este situat īn partea stānga a ventilatorului;
Luati tubul de plastic jos de pe iesirea manostatului;
Deconectati cablurile de la contactele manostatului (marcati contactele);
Nota: acordati atentie legarii corecte a cablurilor la contacte īn timpul procedurii inverse!
Desfaceti suruburile (accesibile din partea de sus), scoateti manostatul din cazan si puneti altul nou;
Conectati cablurile electrice si tubul de plastic (la iesirea "L") la noul manostat;
Nota: daca ventilatorul nu va porni cānd cazanul este cuplat, probabil ca ati schimbat cablurile (pozitia lor) la manostat.
Īnlocuirea termostatului pentru gaze arse (numai modelul 24 BOV)
Atentie: scoateti fisa cazanului din priza - cablurile conectate la termostat se afla la tensiunea de 230 V.
Scoateti placa superioara si placa laterala stānga;
Termostatul este situat la partea stānga a amortizorului (umezitorului) de tiraj (conform fig. 17);
Desfaceti cele 2 suruburi autofiletate, detasati termostatul, īnlaturati protectia lui din silicon;
Desfaceti legaturile de la termostat;
Montati noul termostat urmānd procedura inversa;
Nota: polaritatea cablurilor termostatului poate fi modificata.

Fig. 17.
Īnlocuirea modulului de aprindere
Scoateti placa frontala si basculati spre exterior panoul de comanda;
Conectorul de aprindere este legat la valva de gaz (conform fig. 18);
Desfaceti suruburile (a, b) care fixeaza modulul de aprindere pe vana de gaz;
Desfaceti protectia din plastic siscoateti conectorii de la pinii nr. 12 si 2 de pe modulul de aprindere;
Deconectati cablurile electrozilor de aprindere si ionizare si scoateti modulul din conectorul sau;
Montati un modul de aprindere nou urmānd procedura inversa;
Nu loviti modulul de aprindere!

Fig. 18.
Īnlocuirea vanei de gaz
Scoateti placa frontala si basculati spre exterior panoul de comanda;
Verificati ca alimentarea cu gaz a cazanului sa fie īnchisa;
Desfaceti surubul (a) si scoateti modulul de aprindere de pe vana de gaz;
Desfaceti piulita (A), slabiti piulita (B) si pozitionati tubul īntre arzator si vana de gaz;
Atentie: nu pierdeti inelele de etansare si saibele! Īnaintea folosirii lor din nou, verificati daca nu sunt degradate.
Deconectati conectorii de la bobina de modulatie (polaritatea cablurilor poate fi schimbata);
Deconectati tevile de alimentare cu gaz de la cazan;
Desfaceti cele 2 suruburi care sustin vana de gaz;
Miscati vana de gaz usor īn sus si scoateti-o din cazan - nu pierdeti inelul de etansare!
Montati o vana noua de gaz, urmānd procedura inversa;
Cānd īnlocuirea se considera terminata, verificati etanseitatea īmbinarilor pe partea de gaz.
Īnlocuirea arzatorului
Scoateti placa superioara, placa camerei din interior si placa camerei de combustie, basculati spre exterior panoul de comanda;
Demontati arzatorul urmānd procedura descrisa la "Curatirea arzatorului";
Montati un arzator nou urmānd procedura inversa;
Verificati pentru a fi siguri ca diametrul duzelor corespunde tipului de gaz folosit.
Īnlocuirea pompei
Scoateti placa frontala si basculati spre exterior panoul de comanda;
Īnchideti robinetii de pe ramurile de tur si retur;
Deschideti robinetul de golire din partea stānga jos a blocului hidraulic si goliti apa din cazan.
Recomandare: pentru demontarea si montarea mai usoara puteti desface modulul de aprindere si placa laterala dreapta.
Desfaceti conectorul pompei;
Trageti afara clemele de fixare din sārma cum se arata īn fig. 19;
Desfaceti cele 2 suruburi care fixeaza pompa pe placa inferioara a cazanului;
Trageti usor pompa īn sus si scoateti-o din cazan;
Montati o pompa noua urmand ordinea inversa.
Recomandare: ungeti inelele "O" cu pasta de silicon īn timpul procedurii inverse de montare a pompei.
Deschideti robinetii de pe ramurile de tur si retur, reumpleti cu apa, presurizati sistemul la valoarea recomandata a presiunii, verificati etanseitatea īmbinarilor, purjati īntregul sistem.

Fig. 19.
Īnlocuirea supapei de siguranta
Scoateti placa frontala si placa laterala stānga, basculati spre exterior panoul de comanda;
Verificati pentru a fi siguri ca alimentarea cu gaz a cazanului este oprita;
Demontati pompa (conform celor descrise mai sus);
Demontati tubul de la vasul de expansiune;
Slabiti tubul de drenaj de la supapa de siguranta;
Dezsurubati supapa de siguranta;
Montati o noua supapa de siguranta, urmānd procedura inversa.
Nota: etansati filetul supapei de siguranta (1/2") cu o pasta de etansare corespunzatoare.
Deschideti robinetii de pe ramurile de tur si retur, completati sistemul cu apa, presurizati sistemul la valoarea recomandata a presiunii, verificati etanseitatea īmbinarilor, purjati īntregul sistem;
Deplasati īn sus suportul clemei cu termostatul (a. īn fig. 20) pe partea laterala a schimbatorului si īnlaturati protectia din silicon a termostatului;
Deconectati cablurile de la contactele termostatului si deplasati termostatul īn suport;
Instalati un nou termostat urmānd procedura inversa; termostatul trebuie sa fie echipat cu un buton de reset.
Nota: polaritatea firelor poate fi modificata.

Fig. 20.
Īnlaturati placa frontala, placa camerei de ardere (numai pentru BTV) si panoul lateral stānga;
Termistorul este situat la partea superioara a ramurii de iesire ACM de pe schimbator ( (b) īn fig. 20);
Deconectati firele de la contactele termostatului - fiti atenti sa nu confundati firele pentru ACM si AT!
Desurubati termistorul din locul de fixare;
Instalati un nou termistor urmānd procedura inversa - fiti atenti sa-l etansati corespunzator cānd il īnsurubati īnapoi īn locul de fixare de pe schimbator;
Deschideti ramura de alimentare cu apa a cazanului.
Folosind aceeasi procedura ca cea de la īnlocuirea senzorului ACM, deconectati si dezsurubati senzorul AT ( (C) īn fig. 20);
Montati un nou termistor urmānd procedura inversa - fiti atenti la etansarea corespunzatoare īn locul de fixare de pe schimbator;
Deschideti robinetii de pe sistemul de īncalzire, umpleti sistemul cu apa, presurizati sistemul la valorea presiunii recomandata, verificati etanseitatea, purjati īntregul sistem.
Nota: polaritatea firelor poate fi modificata.

Fig. 21.
Scoateti placa frontala si basculati spre exterior panoul de comanda;
Desfaceti cele 4 suruburi care fixeaza protectia de plastic a cutiei electrice;
Sigurantele sunt situate īn coltul din stānga jos a panoului;
Desfaceti conectorii de la panou;
Desfaceti cele 4 suruburi care asigura placa īn cutia electrica;
Montati o noua placa urmānd procedura inversa.
Īnlocuirea afisajului electronic
Scoateti placa frontala si basculati īn exterior panoul de comanda;
Desfaceti cele 4 suruburi care asigura protectia din plastic a cutiei electrice;
Desfaceti conectorul afisajului de pe placa electronica;
Desfaceti cele 4 suruburi care fixeaza placa electronica pe cutia electrica, scoateti placa electronica afara;
Desfaceti cele 4 suruburi care fixeaza afisajul de cutia electrica.
Scoateti afisajul cu grija;
Montati un nou afisaj urmānd procedura inversa.
Īnlocuirea senzorului de presiune (1 īn fig. 22)
Scoateti placa frontala si basculati spre exterior panoul de comanda;
Goliti apa din cazan urmānd procedura descrisa la "Īnlocuirea pompei";
Scoateti clema de fixare rapida si manometrul;
Scoateti conectorul de la senzor;
Montati un nou senzor de presiune urmānd procedura inversa;
Deschideti robinetii sistemului de īncalzire, completati cu apa, presurizati sistemul la valoarea recomandata a presiunii, verificati etanseitatea īmbinarilor, purjati īntregul sistem.

Fig. 22.
Īnlocuirea senzorului Hall (a debitului ACM)
Scoateti placa frontala si basculati spre exterior panoul de comanda;
Scoateti senzorul Hall situat pe blocul hidraulic (fig. 22);
Scoateti conectorii;
Montati noul senzor urmānd procedura inversa.
Atentie: daca demontati senzorul (ca atunci cānd verificati miscarea libera a magnetului) marcati orientarea magnetului pentru a garanta corecta lui pozitionare īn momentul reasamblarii.
Īnlocuirea schimbatorului de caldura
Īnchideti ramurile ACM si AT spre cazan; daca e necesar, goliti apa din cazan conform celor specificate la "Īnlocuirea pompei";
Scoateti placa frontala, placa camerei interioare (numai pentru modelul KTV) si placile laterale;
Demontati termostatul de siguranta din partea stānga a schimbatorului, deconectati cablurile de la contactele senzorilor de temperatura ale ACM si AT, desfaceti piulitele īnfundate (A si B) din ambele parti ale schimbatorului;
Demontati senzorii ACM si AT de pe schimbator si montati-i pe noul schimbator - fiti atenti ca ei sa fie etansati corespunzator;
Montati noul schimbator īn cazan urmānd procedura inversa.
2.10. CONVERSIA LA LPG
Nota: converisa trebuie facuta numai de o persoana competenta.
Izolati cazanul de la alimentarea cu gaz si electrica;
Scoateti mantaua cazanului, panoul camerei etanse urmānd instructiunile de istalare si service;
Deconectati electrodul de ionizare;
Deconectati cablul de aprindere del a modulul vanei de gaz;
Deconectati cablul de aprindere care e condus la īmpamāntare;
Desfaceti piulitele care fixeaza teava de alimentare cu gaz dintre arzator si vana de gaz si scoateti teava;
Desfaceti doua piulite care fixeaza arzatorul pe suportul camerei etanse;
Trageti arzatorul principal īn sus si spre īnainte afara din cazan.
Nota: garnitura de etansare dintre arzator si teava de alimentare cu gaz trebuie pastrata pentru a fi folosita la reasamblare.
Desfaceti si scoateti 2 tije cu duze pastrānd suruburile si separati tija cu duze de arzator.
Montati noua tija cu duze cu diametrul marcat al injectoarelor f0,71 mm īn cazan urmānd procedura inversa;
Reajustati vana de gaz.

Fig. 23. Vana de gaz
REGLAREA VANEI DE GAZ
Pentru a regla fixarile la minim si maxim, procedati īn felul urmator:
Cāstigati acces la punctele de reglare;
Conectati un manometru la punctul de testare a presiunii gazului la arzator de pe vana de gaz.
Reglati presiunea minima la vana de gaz folosind surubul (C) de pe vana de gaz. Rotiti īn sensul acelor de ceasornic pentru a creste, īn sens antiorar pentru a descreste.
Reglati presiunea maxima la vana de gaz folosind surubul (B). rotiti īn sens orar pentru a creste si īn sens antiorar pentru a descreste.
Nota: este necesar prima data sa īnlaturati protectia (A) pentru a avea acces la surubul (B).
Verificati etansarea pe partea de gaz;
Repozitionati cutia PCB si toate panourile;
Lipiti eticheta adeziva (furnizate cu kit-ul de converise pe LPG) cu informatiile despre tipul de gaz si presiunea de alimentare cu gaz īntr-un loc vizibil īn interiorul cazanului.
2.11. DIAGRAME ELECTRICE
Diametrul injectoarelor Pmin Pmax
G20 (20 mbar) 1,2 mm 2,5 mbar 12 mbar
G30 (29 mbar) 0,71 mm 7,1 mbar 27,5 mbar
G31 (37 mbar) 0,71 mm 7,1 mbar 35,1 mbar

24 a

24 b
toate valvele (robinetii) pentru gaz sunt deschise si presiunea de gaz este suficienta;
presiunea īn sistemul de īncalzire este īntre 1,2 - 2 bari;
cazanul este conectat la reteaua electrica;
sigurantele de pe panoul de control sunt īn ordine;
toti senzorii de exterior si termostatele sunt conectate corespunzator si īn stare "activa" (īn particular termostatul de camera).
Daca presiunea AT scade sub 1 bar, indicatorul (3) lumineaza intermitent. Daca presiunea scade īn continuare la 0,6 bar, cazanul este oprit si codul defect "F0" este afisat.
Daca īntrerupatorul principal este pe pozitia "pornit", iar pe display nu este afisat nimic si nu functioneaza pompa, ventilatorul si aprinderea, verificati siguranta de 1,6 A de pe placa electronica de baza.
Diagnosticarea defectelor
|
Cod |
Defect |
Remediu/actiune |
Comentariu (observatii) |
|
F0 |
Pierdere a apei īn sistem (scadere de presiune) |
Completati cu apa, ajustati presiunea, verificati etanseitatea |
Cazanul este oprit. Pompa functioneaza pentru 1 minut. Cazanul este repornit comutānd |
|
|
Un defect al senzorului de presiune |
Verificati senzorul |
īntrerupatorul principal pe pozitia off si on. |
|
F1 |
Lipsa flacara |
Verificati alimentarea cu gaz. Verificati senzorul de flacara. Verificati electrodul de aprindere. Verificati unitatea de aprindere de pe valva de gaz. Verificati ventilatorul (numai modelul 24 BTV) |
Cazanul este oprit si blocat. El poate fi repornit prin butonul RESET. |
|
|
Cazan supraīncalzit |
Resetati termostatul de siguranta. Verificati pompa. |
|
|
|
Tiraj scazut la cos (numai modelul 24 BOV) |
Verificati eventualele obstacole īn calea de gaze arse si/sau īn cos. |
Cazanul este oprit. |
|
F2 |
Un defect al senzorului AT, sau temperatura AT sub 3 C. |
Verificati termistorul. Verificati pentru a vedea daca sistemul este īnghetat. |
Cazanul este oprit. |
|
F3 |
Temperatura AT este mai mare de 95 C |
Verificati schimbatorul primar. Verificati schimbatorul cu placi. Verificati turatia pompei. |
Cazanul este oprit si pompa functioneaza. Cazanul porneste automat dupa ce se raceste. |
|
F4 |
Un defect al senzorului ACM |
Verificati termistorul si tevile ACM |
ACM este īncalzita, dar temperatura ei fluctueaza. |
|
F5 |
Un defect al senzorului de temperatura exterioara |
Verificati legatura senzorului. Verificati senzorul. |
Cazanul furnizeaza īncalzire cu temperatura constanta a agentului termic corespunzator presetarii īn modul AT. |
|
Lipsa cod |
Debit scazut al ACM |
Verificati miscarea libera a magnetului īn senzorul Hall, curatati filtrul. Verificati presiunea ACM. |
Cazanul nu va porni cānd se deschide un robinet de apa calda. |
Valorile rezistentei senzorilor de temperatura sunt:
C 16 kW
C 12,7 kW
C 10 kW
|