FACULTATEA INGINERIA SI MANAGEMENTUL
SISTEMELOR TEHNOLOGICE
PROIECT
TEHNOLOGII SI UTILAJE DE
DE DEFORMARE
Profesor indrumator
Tema de proiectare
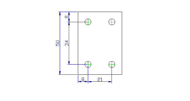
Sa se proiecteze stanta necesara executiei piesei din figura alaturata :
A![]()
A![]()
+ A
= 12,56 + 12,56 + 12,56 + 12,56 = ![]()
= 1750 - 50,24 = ![]()
Proprietatile mecanice ale tablelor de otel folosite la stantare:
|
Denumirea otelului |
Marca otelului |
Rezistenta la forfecare [daN/mm2] |
Rezistenta la rupere σr [daN/mm2] |
Alungirea relativa δ [min%] |
|
Tabla subtire de otel carbon obisnuit STAS 500 G = 0.2 - 4 [mm] |
OL 10 |
|
|
|
|
OL 34 |
|
|
|
|
|
OLC 35 |
|
|
|
|
|
OLC 42 |
|
|
|
|
|
OLC 50 |
|
|
|
|
|
OLC 60K |
|
|
|
|
|
OLC 70K |
|
|
|
Din tabel rezulta ca rezistenta la forfecare =33 - 40 daN/mm2 si Rezistenta la rupere
σ = 38 - 47 daN/mm2, materialul este considerat moale.
Formele si dimensiunile de livrare a tablelor
|
Table subtiri din otel laminate la race conform STAS 9624 - 80 |
||
|
Grosimea [mm] |
Latimi [mm] |
Lungimi [mm] |
|
|
|
|
Se alege o tabla cu dimensiunile : L=
A1.3 Tehnologicitatea piesei
Se vor verifica conditiile minime impuse la operatiile prin care se realizeaza piesa; conditii privind forma pieselor perforate, decupate si retezate[fig. 2.].
Intindere
Compresiune
Incovoiere
Forfecare
Elemente active
OSC 8 -10 cu
HRC
Suporti, reazeme de placi active, tije impingatoare, fixatoare
OL 50
OLC 40-50
Extractoare , suruburi, tije, tije de amortizare, port poansoane
OLT 37
OLC 10
Placi inferioare si superioare, console
OT 50 - 55
FC 20 - 40
Stifturi, cautatoare, pene de forma simpla
OSC 7 cu 52-56 HRC
Pene, opritoare, cautatoare, fixatoare
OL 50 cu 50-54 HRC
Verificarea poansoanelor
a) Verificarea la compresiune se face cu relatia:
σc =
≤ σac
σc = efort la compresiune
σac = 1000 N/mm2, efortul unitar admisibil de compresiune
Amin = aia sectiunii transversale minime a poansonului
F1= forta la compresiune
b) verificarea la flambaj [cap13.2.1 / 2]
Se calculeaza coeficientul de zveltete cu formula:
λ =
λ
= coeficient de zveltete,
λ < λ0 ; λ 0 = 90 pt. oteluri dure
If =
lf
= lungimea poansonului supusa la solicitare
l = 15mm, constructiv
imin =
imin
= raza minima de inertie
Amin = aia sectiunii transversale minime a poansonului
Imin =
pentru
sectiuni dreptunghiulare
Imin =
pentru
sectiuni circulare
σf = 577 - 3,74λ [N/mm2] pentru oteluri dure
c =
= > caf caf = 1 - 5
c) Verificarea la strivire se face pentru a vedea daca exista pericolul patrunderii poansonului in placa de capat.

σstr ≥ 120 - 180 N/mm2 pentru placi din OL.
Valorile efective rezultate din calcul, prezentate in tabelul urmator, arata ca elementele poansoanele rezista solicitarilor de functionare:
|
Poanson |
F [N] |
Amin [mm2] |
σc [N/mm2] |
Imin [mm4] |
imin [mm] |
lf [mm] |
|
σf [N/mm2] |
c |
Ss [mm4] |
σc [N/mm2] |
|
Perforare d = 5mm |
|
|
|
|
|
|
|
|
|
|
|
|
Perforare d = 10mm |
|
|
|
|
|
|
|
|
|
|
|
|
Decupare Profilata |
|
|
|
|
|
|
|
|
|
|
|
|
Retezare bilaterala |
|
|
|
|
|
|
|
|
|
|
|
Verificarea placii active
Se face cu relatia:
[cap 13.1 / 2]
σi =
10,42N/mm2 < 500 N/mm2
F = 124669,23 N
H = 57mm
a =
b =
Verificarea placii de baza
Placa de baza este supusa la incovoiere. Calculul se face conform [cap13.4.a /2]
σi =
σi = 57 < 150 N/mm 2 => Placa rezista
H = 57,
grosimea placii
= 6,46 k = 2
a = 368,25mm
A =
p forta
repartizata pe contur p
=
sau p =
F = 124669,23N
L = lungimea conturului de sprijin L = 140
p =
= 890,49 N/mm 2
A.10 Normarea executie piesei si stantei proiectate
Norma de timp pentru stanta la rece se determina cu relatia:
Nr =
+ Tu [min/buc]
Tpi = timpul de pregatire - incheiere Tpi = 11 min.
Tu = timpul unitar
N = marimea lotului N = 30000 buc/an
Tu = (tb +
)*k1 [min]
Tb =
[min]
Ncd = 110 cd/min
q = coeficient cetine seama de cuplajul presei q = 1,05
Tb =
= 0,0086 min
Ta1 = 0,015 timp ajutator pentru pornirea presei
Ta2 = 1,9 timpul de aducere ti asezarea semifabricatului
Ta3 = 2,8 timp pentru asezarea semifabricatului pe stanta
Ta4 = 0,5 timp pentru avansarea benzii
Ta5 = 0,5 timp pentru indepartarea deseurilor
Ta6 = 1,3 timpul pentru extragerea piesei
Nm = 12 numarul de curse duble in cazul avansului manual
Z = 2 numarul de piese obtinute la o cursa dubla a culisoului presei
K1 = 1,05 coeficient care tine cont de timpul de deservire a locului de munca
Tu = 0,081+
*1,5 = 0,081+0,75*1,5 = 1,24 min
Nr =
+1,24 = 1,24 min/buc
Norma de productie pentru un schimb de 8 ore se calculeaza cu relatia:
Np =
[buc]
Np =
= 387 buc
A.11 Calculul pretului de cost al piesei
Pretul unei piese se calculeaza cu relatia :
C = Cmat + Cman + Cr + Cap + Cas
a) Cmat - costul materialului necesar pentru o piesa
Cmat =
[lei/buc]
f = 646,25mm2, aria piesei
g = 2mm, grosimea materialului
= 7,8 kg/dm3,
greutatea specifica a materialului
p = 15000lei/Kg, pretul unui Kg de material
kf = 71, coeficient unitar al materialului
Cmat =
= 874,01[lei/buc]
b) Cman - costul manoperei pentru o piesa
Cman =
[lei/buc]
Sp retributia medie orara a presatorului Sp = 45000lei/h
Sr retributia medie orara a reglorului Sr = 55000lei/h
Tu timpul unitar Tu = 1,24min
Tpi timp pregatire incheiere Tpi = 11min
no numarul de piese din lot no = 300000buc/an
Cman =
= 930lei/buc
c) Cr - cota parte din cheltuielile de regie ce revin unei piese
Cr = Cman *
[lei/buc]
R regia totala sectiei R = 30%
Cr = 930 * 0,3 = 279 lei/buc
d) Cap - cota parte din amortizare ce revine unei piese
Cap =
[lei/buc]
Vp valoarea initiala a presei Vp = 300 000 000 lei
Ap norma de amortizare a presei Ap = 5%
no numarul de piese din lot no = 52000 buc/an
gradul de incarcare al presei
Cap =
= 5lei/buc
e) Cas = cota parte din amortizarea stantei ce revine unei piese
Cas =
[lei/buc]
K constanta k = 3
Vs valoarea (costul) stantei Vs = 2500000 lei
no numarul de piese din lot no = 3000000buc/lei
Cas =
= 25lei/buc
C = Cmat + Cman+Cr+ Cap+Cas
C =874,0+ 930 + 279 + 5 + 25 =2113lei/buc
C= 2113 lei/buc
A.12 Indicatii privind executia piesei exploatarea si intretinerea stantei
Piesa se executa din materialul recomandat de proiectant cu respectarea stricta a tehnologiei de fabricatie si a masurilor de protectia muncii specifice fiecarei operatii
Inainte de montarea stantei trebuie executate urmatoarele:
|