FACULTATEA ENERGETICA
CATEDRA ELECTROENERGETICA
PROIECT
LA
RETELE ELECTRICE
Cuprins:
Dimensionarea posturilor de transformare.
Dimensionarea tromsoanelor de medie tensiune.
Alegerea sectiunii economice.
Alegerea sectiunii tehnice.
Schema echivalenta a retelei de distributie.
Calculul regimului de functionare prin utilizarea metodei de tip "ascendent-descendent".
Compensarea puterii reactive la factorul de putere neutral.
Eficienta economica a compensarii puterii reactive.
Calculul curentilor de scurtcircuit.
1.Dimensionarea posturilor de transformare
Proiectarea unei retele de distributie
Retea electrica - ansamblu de linie electrica si transformatoare.
Consumator - ansamblu de mai multe receptoare.
Post de transformare - transformator ce face legatura între medie si joasa tensiune alimentând consumatorii.
Statie de transformare - transformator ce face legatura între foarte înalta tensiune si înalta tensiune,sau înalta tensiune si medie tensiune.
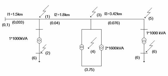
Caracteristicile consumatorilor si lungimile tronsoanelor liniilor de medie tensiune sunt prezentate în tabelul 1.
|
P.T. |
S kVA |
p kW |
q kVAr |
l km |
cosj |
|
|
|
|
|
|
|
|
|
|
|
|
|
|
|
|
|
|
|
|
|
Pentru postul de transformare PT1
Si = pi +jqi
cosj j = arccos 0.83 j
tg j =
q1 = p1 tg j
tg j q1 =630 0.672 = 423.4 kVAr
s1 =
=
= 759.03 kVA
Pentru postul de transformare PT2:
cosj j = arccos 0.82 j
tg j =
q2 =p2 tg j 0.684 = 1245.1 kVAr
s2 =
= 2205.1 kVA
Pentru postul de transformare PT3:
cosj j = arccos 0.91 j
tg j =
q3 = p3 tg j 0.46 = 239.2 kVAr
s3 =
= 576.9 kVA.
Dimensionarea posturilor dr transformare consta în
stabilirea puterii nominale aparente a transformatoarelor si a
numarului acestora pentru fiecare post de transformare. Se vor folosi
transformatoare trifazate cu doua înfasurari cu bobinaje
din Aluminiu , de tip TTU - NL. Puterile nominale fac parte dintr-o progresie
geometrica cu ratia
Scara domenilor transformatoarelor produse în România : 100kVA; 160kVA;250kVA;400kVA;630kVA;1000kVA;1600kVA.
Pentru dimensionarea posturilor de transformare se utilizeaza lucrarea RE - 3Ip 51/2 - 93 : " Instructiuni privind stabilirea puterilor nomi-
nale economice pentru transformatoarele din posturi ".
Conform acestei lucrari se au în vedere urmatoarele :
gradul de siguranta al utilizatorului;
putere maxima aparenta ceruta de consumator în primul an de functionare sM ;
durata de utilizare a puterii maxime anuale : TSM.
Se considera ca puterea maxima ceruta în primul an nu se modifica în anii urmatori.
TSM multiplu de 1000.
Tabel 2
|
Sn [kVA] |
TSM [h/an] |
TSM |
||
|
|
|
|
||
|
|
|
|
|
|
|
|
|
|
|
|
|
|
|
|
|
|
|
|
|
|
|
|
TSM = 4150 +60 8 = 4630 h/an.
În cazul în care TSM este diferit de multiplu de 1000 pentru determinarea domeniului de încarcare pentru transformatoare corespunzator acestui TSM se utilizeaza interpolare liniara.
1.
Sn = 211+7.7 =218.7 kVA
2. ![]()
Sn = 333 + 11.8 = 344.8 kVA
3. ![]()
Sn = 570 + 20.3 = 590.3 kVA
4. ![]()
Sn = 717 + 25.1 = 742.1 kVA
În urma calculelor am ales urmatoarele tipuri de transformatoare pentru
|
posturile de transformare : |
pentru PT 1 TTU cu Sn = 1000 kVA - 1 transformator
pentru PR 2 TTU cu Sn = 1600 kVA - 2 transformatoare
pentru PT 3 TTU cu Sn = 1000 kVA - 1 transformator
Parametrii nominali ai transformatoarelor folosite în posturile de transformare sunt urmatorii,si se iau din lucrarea "Retele electrice probleme" - Ed. Didactica si Pedagogica Bucuresti 1977 - de G.H.Iacobescu si altii.
|
Sn kVA |
Usc |
io |
DPsc kW |
DPo,nom kW |
|
|
|
|
|
|
|
|
|
|
|
|
|
|
|
|
|
|
Aceste transformatoare au Un =20/0.4 kV.
Pentru reprezentarea transformatoarelor din punctele de transformare se utilizeaza schema echivalenta în G cu operator de transformare. Folosirea acestei scheme este justificata de faptul ca tranzitul de putere prin transfor-
matoare se realizeaza antotdeauna de la medie tensiune la joasa tensiune.

Y - admitanta;
Z - impedanta;
ZPT = Rpt + jXpt
YPT = GPT + jBpt
ZPT - se calculeaza raportata la Unom JT ;
YPT - se calculeaza raportata la Unom MT.
Calculul parametrilor longitudinali si transversali.
Pentru postul de transformare PT 1 :
Sn = 1000 kVA
RT
=
=
= 2.16 mW
ZT
=
=
= 9.6 mW
XT
=
=
= 9.35 mW
ZPT = RT + jXT = ( 2.16 + j9.35 ) mW
GT
=
=
= 6.75 ms
YT
=
ms
BT
=
=
= 49.5 ms
YPT = (6.75 - j49.5) ms
N = 
Pentru postul de transformare PT 2 :
Sn = 2 1600 kVA


Z1 = Z2
ZPT =
; YPT = 2YT
RT =
mW
ZT =
mW
XT =
mW
ZPT = RT + jXT =
(1.2 + j5.9) mW =
(0.6 +j2.95 ) mW
YT =
ms
GT =
ms
BT =
ms
YT = 2 ( 10 - j67.1 ) = 2YT = (20 - j134.2 ) ms
N = 
2. Dimensionarea tronsoanelor de medie tensiune .
Prin aceasta se urmareste stabilirea sectiunii conductoarelor pe fiecare faza si a numarului de circuite în paralel. Pentru dimensionarea sectiunii conductoarelor tronsoanelor de medie tensiune se fac urmatoarele ipoteze :
a) se considera aceeasi sectiune pe toate tronsoanele ( s=ct. );
b) se neglijeaza pierderile de putere pe tronsoanele de medie tensiune.
c) se considera ca tensiunea pe barele de medie tensiune ale posturilor de transformare este egala cu Un a retelei ( 20 kV ) ;
În vederea alegerii sectiunii conductoarelor se calculeaza circulatia de puteri în posturile de transformare si se determina curentii pe barele de medie tensiune ale posturilor de transformare.
DPPT =n DPnom +
DSPT = DPPT + jDQPT
DQPT = n![]()
Pentru postul de transformare PT 1 :
Sn = 1000 kVA
a = 
DPpt = 1*2.7 +
kW
DQpt =1*
kVAr
DSpt = ( 10.5 + j54.7 ) kVA
Pentru postul de transformare PT 2 :
a = 
DPpt = 2*4.35 +
kW
DQpt = 2*
kVAr
DSpt = ( 27.6 + j145.8 ) kVA
Pentru postul de transformare PT 3:
Sn = 1000 kVA
a = 
DPpt = 1*2.7 +
kW
DQpt 1*
kVAr
DSpt = ( 7.6 + j41.6 ) kVA.
s' = s +DSpt
|
PT |
DSpt [ kVA ] |
|
|
10.5 + j 54.7 |
|
|
27.6 + j 145.8 |
|
|
7.6 + j41.6 |
s'pt1 = (630 + j 423.4 ) + ( 10.5 + j 54.7 ) = ( 640.5 + j 478.1 ) kVA
s'pt2 = ( 1820 + j 1245.1 ) + ( 27.6 + j 145.8 ) = (1847.6 + j 1391 ) kVA
s'pt3 = ( 525 + j 239.2 ) + ( 7.6 + j 41.6 ) = (532.6 + j 280.8 ) kVA.
Pentru aceasta retea se transforma puterile s'1 , s'2 , s'3 în curenti :

i'k
=
i' =
i1' =
A
i2' =
A
i3' =
A
Prin aplicarea teoremei I Kircckof succesiv în fiecare nod se obtine circulatia de curenti pe tronsoanele de medie tensiune.
I3
= i3' = 15.4 - j 8.1 =
A
I2
= i2' + i3' = 53.3 - j40.2 + 15.4 - j8.1 = 68.7 - j48.3 =
A
I1
= i1'+i2'+i3' = 68.7 - j48.3 + 18.5 - j13.8
=87.2 - j62.1 =
A
2.1 Alegerea sectiunii economice
Pentru alegerea sectiunii economice se utilizeaza normativul PE 135/91 - "Instructiuni privind determinarea sectiunii economice a conductoarelor în instalatii electrice de distributie pe 1÷ 110 kV.În functie de tensiunea,TSM,materialul conductor si tipul liniei electrice (LEC sau LEA)
din tabelul 1,pagina 12 se determina densitatea economicade curent notata cu jec. [A/mm2].
|
TSM |
|
|
|
|
LEA |
|
|
|
|
LEC |
|
|
|
1.Pentru TSM diferit de multiplu de 1000 jec se calculeaza prin interpolare liniara.
Jec
= 0.7 +
2. Se calculeaza sectiunea economica de calcul :
scec
= ![]()
Iech.
=
A
scec =
mm2
3. Se alege ca sectiune a conductoarelor sectiunea standardizata,imediat superioara valorii scec.
Conform tabelului se alege scec = 95mm2.
|
snom [mm2] |
|
|
|
|
|
|
|
|
|
|
4. Se calculeaza numarul optim de calcul al circuitelor în paralel :
Nc
=
KjNc - reprezinta coeficient de crestere a densitatii economice de curent pentru determinarea numarului economic de conductoare fazice al unui circuit. (tabel 2,pag.13).
|
Tip |
KjNc |
smax [mm2] |
|
LEA |
|
|
|
LEC |
|
|
Nc
= ![]()
Deoarece NC < 1.41 rezulta un singur circuit 1 95mm2 sec = 1 95mm2
2.2 Alegerea sectiunii tehnice.
Se utilizeaza criteriul încalzirii în regim permanent de lunga durata.Pentru determinarea sectiunii tehnice prin acest criteriu,pleaca de la conditia :
,unde :
Imax. - curentul maximprin tronsoanele de medie tensiune;
Iadm - curentul admisibil pentru tipul de conductor folosit;
K - coeficient de corectie pentru abaterea conditiilor de functionare fata de conditiile normate.Pentru LEC kLEC = k1*k2*k3 , unde :
k1 - coeficient de corectie în functie de rezistivitatea termica a solului ( conditii normate rt
k2 - coeficient de corectie în functie de numarul de cabluri pozate alaturat. (pentru n = 1 k2 = 1);
k3 - coeficient de corectie în functie de temperatura solului (pentru t = 20 C k3 = 1 ).
Considerând conditii normate de pozare ( rt C cm/w ) si temperatura mediului 20 C,k1 si k3 = 1,si k2 pentru un circuit egal cu 1,pentru alegerea sectiunii tehnice se pleaca de la valorile curentului admisi-
bil în functie de sectiunea nominala Iadm = f (snom) si se cauta prima valoare a lui Iadm>Imax; Imax = 1.
Parametrii LEC :
|
sn [mm2] |
r0 [W/km] |
x0 [W/km] |
b0 [ms/km] |
Iadm [A] |
|
|
|
|
|
|
|
|
|
|
|
|
|
|
|
|
|
|
|
|
|
|
|
|
|
|
|
|
|
|
Imax = I1 =107.1 A
k1 = k2 = k3 = 1.
st 50 mm2
sec = 1 95 mm2
st = 1 50 mm2 s = 1 95 mm2.
2.3 Schema echivalenta a retelei de distributie.
Pentru reprezentarea liniilor electrice se foloseste schema echivalenta în P,iar pentru reprezentarea posturilor de transformare se foloseste schema echivalenta în G

Cap. III Calculul regimului de functionare prin utilizarea metodei de tip "ascendent - descendent".
În urma proiectarii retelei electrice este necesara verificarea functionarii.Se impune respectarea urmatoarelor restrictii : I<Iadm pentru fiecare tronson al liniei electrice,si DU<DUadm pentru cele trei tronsoanele de linie.
Calculul regimului permanent urmareste determinarea marimilor de stare necunoscute,asociate nodurilor si laturilor retelelei.
La nivelul nodurilor se cunoaste tensiunea nodului de alimentare (A) si se determina tensiunile la consumatori.La nivelul laturilor nu se cunosc curentii prin acestea. Ţinând seama de caracterul arborescent al retelei de distributie,pentru calculul regimului permanent se utilizeaza metoda de tip ascendent - descendent. În cazul reprezentarii consumatorilor prin puteri complexe constante (s=ct) pentru calculul regimului permanent este necesara efectuarea mai multor iteratii.La fiecare iteratie se parcurg urmatoarele etape : a) etapa ascendent,în care se pleaca de la nodul consumator cel mai îndepartat de nodul sursa si se merge catre nodul sursa calculând circulatia de puteri.
b) etapa descendent,în care plecând de la nodul sursa si mergând pâna la cel mai îndepartat nod consumator se calculeaza caderile de tensiune pe laturi si respectiv tensiunile la noduri.
La începutului calcului iterativ tensiunile la nodurile consumatoare se initializeaza cu valoarea tensiunii nodului sursa : UA. Pentru simplificare se considera doar tronsoanele de medie tensiune ale retelei considerând puterile pe barele de medie tensiune ale postului de transformare calculate anterior.
Calculul parametrilor liniei :

UA = 21 kV
r0 = 0,370 [W/km faza]
x0 = 0,098 [W/km faza]
b0 = 58 [mS/km faza]
z1 = R1 + jX1 = r0l1 + jx0l1 = 0,370 1,5 + j0,098 1,5 = (0,56 + j0,15) W
z2 = R2 + jX2 = r0l2 + jx0l2 = 0,370 1,8 + j0,098 1,8 = (0,67 + j0,18) W
z3 = R3 + jX3 = r0l3 + jx0l3 = 0,370 3,42 + j0,098 3,42 = (1,27 + j0,34) W
B1 = b0l1 = 58 mS
B2 = b0l2 = 58 mS
B3 = b0l3 = 58 mS
. Initializarea tensiunilor la noduri :
U1o = U2o = U3o = UA = (21 + j0) kV

Etapa ascendenta (calculul circulatiei de puteri ) .
SB = s'3 - jQcap33
Qcap33 =
kVAr
SB = 532,6 + j280,8 - j43,73 = (532,6 + j237,07) kVA
SC = SB + DS3
DS3 =
kVA
SC = 532,6 + j237,07 + 0,97 + j0,26 = (533,6 + j237,3) kVA
SD = SC +s'2 - jQcap32 - jQcap22
Qcap32 =
kVAr
Qcap22 =
kVAr
SD = 533,6 + j237,3 + 1847,6 + j1391 - j43,73 - j23 = (2381,2 + j1561,6) kVA
SE = SD + DS2
DS2 = Z2 
(0,67 + j0,18) 18387,1 = (12319,3 + j3309,6) VA = (12,31 + j3,3) kVA
SE = 2381,2 + j1561,6 + 12,31 + j3,3 =2393,5 + j1565) kVA
SF = SD + s'1 - jQcap21 - jQcap11
Qcap21 =
kVAr
Qcap11 =
kVAr
SF = 2381,6 + j1561,6 + 640,5 + j478,1 - j23 - j19,18 = (3022,1 + j1998) kVA
SG = SF + DS1
DS1 = Z1
(0,56 + j0,15)
16666,7 + j4464,3 = (16,6 + j4,4) kVA
SA = SG - jQcap1A
Qcap1A =
kVAr
SA = 3038,7 + j2002,4 - j19,18 = (3038,7 + j1983,2) kVA
SG = 3022,1 + j1998 + 16,6 + j4,4 = (3038,7 + j2002,4) kVA
.Etapa descendenta (calculul tensiunilor la noduri ).
DUA1 =
+
j
95,3 - j31,7 = (0,095 - j0,031) kV
U1 =UA - DUA1 = 21 - 0,095 + j0,031 = (20,9 + j0,031) kV U1 =20,9 kV
DU12 =
+
j
90,2 - j30 = (0,09 - j0,03) kV
U2 = U1 - DU12 = 20,9 + j 0,031 - 0,09 + j0,03 = (20,8 + j0,061) kV U2 = 20
,8 kV
DU23 =
+
j
(36,5 - j5,8) V = 0,036 - j0,0058) kV
U3 = U2 -DU23 = 20,8 + j0,061 - 0,036 + j0,0058 = (20,7 + j0,066) kV.
Cap IV. Compensarea puterii reactive la factorul de putere neutral.
j = 
Pi si Qi - reprezinta componentele puterii complexe a fiecarui receptor al consu-
Matorului;
Wa si Wr - energia activa,respectiv reactiva consumate într-un interval de timp.
Consecinte :
- functionarea la un factor de putere redus are urmatoarele consecinte :
a) cresc caderile de tensiune;
b) cresc pierderile de putere si energie;
c) creste valoarea curentului de scurtcircuit;
d) scade capacitatea de încarcare a instalatiei cu putere activa.
Compensarea puterii reactive se face în scopul obtinerii factorului de putere neutral,notat cos jn care reprezinta aceea valoare a factorului de putere la care marii consumatori de energie electrica platesc doar energia activa con-
Sumata.La o valoare a lui cos j < cos jn acesti consumatori platesc pe lânga energia activa si diferenta de energie reactiva pâna la cosjn. Valoarea lui cosjn depinde de nivelul de dezvolatre tehnica si economica al societatii. Pentru România cosjn
Îmbunatatirea factorului de putere se poate face pe mai multe cai , respecti: - prin mijloace naturale;
- prin amplasarea de surse de putere reactiva.
Etapele compensarii puterii reactive prin amplasarea de noi surse de energie reactiva sunt :
Stabilirea puterii ce trebuie compensata :
tg j =![]()
tgjn =
Ptgjn
QC = Q - Ptgjn sau QC = P(tgj - tgjn
Alegerea tipului sursei de compensare.Se pot utiliza urmatoarele mijloace de compensare : bateriile de condensatoare, compensa-toarele statice (SVC),compeensatoarele sincrone (motoare sincro-
ne functionând în gol).
Utilizarea compensatoarelor sincrone este justificata din punct de vedere economic doar pentru puteri mari respectiv ordinul 10MV
Ar.În cadrul proiectului se vor utiliza baterii de condensatoare.Aces-
tea prezinta urmatoarele avantaje :
pierderi de putere mici;
- nu contribuie la cresterea puterii de scurtcircuit;
sunt instalatii relativ simple care nu necesita echipamente complicate pentru functionare si control.
De obicei functioneaza în trepte.
Stabilirea locului de amplasare a sursei de compensare.
În functie de locul de amplasare a sursei de putere reactiva exista urmatoarele posibilitati :
a) Compensarea individuala pe barele de joasa si medie tensiune ale unui consumator;
b) Compensarea de grup pe barele de joasa si medie tensiune în cazul în care se alimenteaza mai multi consumatori;
tM = 0.15 TSM = 0.15
tMe = tM + f(TSM - tM) = 694.5 + 0.25(4630 - 694.5) = 1678.4
t = tMe + 
t - durata de calcul a pierderilor de energie;
tM - timpul de functionare la sarcina maxima;
tMe - durata echivalenta de functionare.
DEar = (DP + DPinf) t DPo t
DEab = DPb TSM DErb = DQb TSM
Eas = Eac + DEar + DEab Ercap = Qcap t
tgjs = 
Erss = Eas (tgjs - tgjn
tgjscom. = 
Ersscomp. = Eascomp.(tgjscomp. - tgjn
Investitii :
Ii = ai + biQbi
ai - investitii independente de marimea bateriei unde intra costul întreuptoa-
relor si a echipamentelor de protectie.
bi - costul unui kVAr.
ai = 1600000 lei;
bi = 16000000 lei/kVAr
I
= (a1 + b1Q1)
+ (a2 + b2Q2) + (a3 + b3Q3)
= (1600000 + 16000000
Cheltuieli totale :
Ceas - costul energiei active de la sistem.
Ceas = cea Eas = 1000
Ceascomp. = cea Eascomp. = 1000
cea = 1000 lei/kWh
Cerss = cers Erss = 100
Cerss = cers Ersscomp. = 100
cers = 100 lei/kVArh
Cîntretinere = 0.11 I = 0.11
Ct = Ceas + Cerss + Cîntr. = 14136087100 + 325130000 + 1346928000 = 15808145100
Ct = Ceascomp. + Cersscomp. + Cîntr. = 14099087100 - 422972610 + 1346928000 =15023042490
Tr - durata de recuperare a investitiei.
Tr =
[ani]
Solutii obtinute : - Tr < 0 investitie nerentabila;
- Tr > 0 investitie rentabila (obtin profit).
Investitie rentabila daca Tr
5.Calculul curentilor de scurtcircuit.
Pentru calculul scurcircuitului trifazat se foloseste doar schema de secventa directa :

U1 = 0 I2 = I0 = 0
I1 =
Ia = Ib = Ic
= ![]()
Schema de calcul :

I1
= I2 = I0 = 
Ia = I1 + I2 + I0 = 
g =
În cazul proiectului se va calcula curentii de scurtcircuit trifazat pe barele de medie tensiune si joasa tensiune ale fiecarui post de transformare.
Schema se compune din nodul de alimentare de la sistem,tronsoane de linii electrice si transformatoare.Calculul curentiilor de scurtcircuit se realizeaza în unitati relative prin considerarea unor marimi de baza.
m = ![]()
Starea electrica a unui nod este caracterizata de patru marimi : S,U,I,Z. Doua se aleg ca marimi independente,iar celelalte doua rezulta pe baza relatiilor care exista între acestea. Se aleg ca marimi independente :
Sb = 104 MVA. În particular : Sb = 100 MVA.
Ub = 1.05 Undefect.
Sistemul se echivaleaza printr-o tensiune electromotoare e = 1 si o reactanta de secventa directa care se calculeaza cu formula :
X1s = ![]()
Pentru cazul nostru Ssc = 1000 MVA.
Liniile electrice se reprezinta printr-o reactanta de secventa directa :
x1l = x0 l 
Umed,n = 1.05 Un.
Transformatoarele se reprezinta :
x1T = 

SSC = 1000 MVA.
Xo = 0.098 [W/km]
usc1000 = 6%
usc1600 = 6%
sb = 100 MVA.
ub = 1.05 Un 1.05 20 kV = 21 kV
Ib =
kA
X1s =
u.r.
X1l1 =
u.r.
X1l2 =
u.r.
X1l3 =
u.r.
X11000
= 
X11600
= 
Pentru scurtcircuitul (1) :


i1 =
u.r.
Ia = I1 = i1 Ib = 7.51 2.75 = 20.7 kA
Pentru scurtcircuitul (2) :
Ib =
kA
Schema echivalenta :

i2
= ![]()
Ia = I2 = i2 Ib = 137.5 0.16 =22 kA
ISC PT1JT
=
kA
Pentru scurtcircuitul (3) :
Schema echivalenta :
i3 = ![]()
Ia = I3 = ib Ib = 5.8 2.75 = 16 kA

Pentru scurtcircuitul (4) :
Schema echivalenta :

i4
=
kA
Ia = I4 = i4 Ib = 0.5 137.5 = 69 kA
ISC PT2JT
=
kVA..
Pentru scurtcircuitul (5) :
Schema echivalenta :

I5
=
kA
Ia = I5 = i5 Ib = 4 2.75 = 11 kA
Pentru scurtcircuitul (6) :
Schema echivalenta :

i6
=
kA
Ia = I6 = i6 Ib = 0.16 137.5 =22 kA
ISCPT3JT
=
kA.
Bibliografie :
Poeata Al.,Arie A. etc. : Transportul si distributia energiei electrice - Editura Didactica si Pedagogica Bucuresti 1981.
Balaurescu D.,Ieremia M. : Îmbunatatirea factorului de putere - Editura Tehnica Bucuresti 1981.
Rucareanu C. si altii : Linii electrice aeriene si în cablu - Editura Tehnica Bucuresti 1989.
Iacobesu G.H. si altii : Retele elctrice probleme - Editura Didactica si Pedagogica Bucuresti 1977.
Prescriptii energetice :
PE 135/91 - Instructiuni privind determinarea sectiunii economice în instalatii electrice de distributie pe 1 110 kV.
RE - 3IP 51/2 - 93 : Instructiuni privind stabilirea puterilor nominale economice pentru transformatoarele din posturi.
|