ALTE DOCUMENTE |
Universitatea Politehnica Bucuresti
Facultatea: Inginerie Mecanica si Mecatronica
PROIECT
-TEHNOLOGIA FABRICATIEI-
Aspecte practice ale elaborarii procesului tehnologic
de prelucrare prin aschiere
Elaborarea procesului tehnologic de prelucrare
prin aschiere a pieselor de tipul arborilor
Debitarea semifabricatului
operatia ce se executa in cazul cand semifabricatul supus prelucrarii este laminat, calibrat sau necalibrat, sau chiar forjat.Operatia de debitare se refera si la taierea capetelor semifabricatului in cazul in care acesta este forjat sau matritat la dimensiunile aproximative ale piesei finite.Operatia se executa pe masini de taiat ca fierastraie mecanice cu panza sau freze disc, cu ghilotina sau strunguti special.
Indreptarea semifabricatului
Se executa la cald sau la rece , find necesara in scopul reducerii deformatiilor spatial ale arborilor. Operatia se executa pe masini de indreptat cu role inclinate pentru calibrare si indreptarea cilindrilor. Semifabricatele forjate sau matritate se indreapta pe ciocane sau prese hidralice.
Strunjirea suprafetelor frontale
Este operatia prin care se genereaza suprafete ale piesei care constituie neori baze de cotare sau generare.
La strunjirea suprafetelor plane frontale se disting doua situatii, in functie de directia de avans a sculei si de modul de generare a suprafetei:
Generarea suprafetelor plane prin forma si pozitia taisului sculei
Generarea cu avans generator
Strunjirea de degrosare:
Strunjirea reprezinta procedeul de prelucrare prin aschiere,cu cea mai frecventa utilizare, fiind metoda de baza pt obtinerea corpurilor de revolutie.In constructia de masini piesele care contin suprafete de revolutie au o pondere insemnata, cele mai caracteristice fiind arborii si bucsele, fapt care justifica raspandirea pe care o au in prezent prelucrarile prin strunjire.
Strunjirea de finisare :
Se realizeaza prin mai multe treceri, prima trecere de prefinisare pentru a obtine o anume precizie si forma semifabricatului si un adios uniform pe toata suprafata acestuia. A doua trecere este de finisare si asigura marimile de forma si rugozitate.
Prelucrarea canalelor de pana sau a canelulilor.
Tratament termic
Rectificarea
Rectificarea este un procedeu de prelucrare prin aschiere care consta in detasarea de pe suprafata de prelucrat a unor aschii subtiri cu ajutorul unor scule abrazive.
Prelucrarea prin rectificare asigura o precizie dimensionala mare si o buna netezime a suprafetelor. in general, rectificarea se aplica in vederea finisarii pieselor, de regula, dupa alte prelucrari executate in prealabil, ca: strunjire, frezare etc.
Tema proiect:
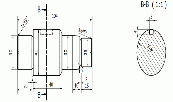
Sa se proiecteze procesul tehnologic de prelucrare prin aschiere a reperului *Arbore in trepte* prezentat in anexa 1.1 .Materialul prelucrat este OL. 60 STAS 500 / 2 –
OPERATIA 1
A. Orientarea si fixarea semifabricatului pe (MU) masina-unealta:
1.a Strunjirea frontal baza tehnologica de masurate.
Se alege semifabricatul bara laminata Ø 50 x 110 mm.
Pntru operatia de strunjire fronltal se foloseste Sn 400 iar semifabricatu este prins intre bacurile (falcile ) MU . ca in fig 1:semifabricatul are rotatie,
Cutitul strungului are avas.
3.a Strunjireacilindrica exterioara Ø 40 x 40 mm.
Fig 2.
Pentru stunjirea cilindrica se utilizeaza cutitul de strung universal .
4.a Centruirea gaura de centrare A2 –STAS 1361 - 83
Centruirea se face pentru a fixa si orienta spatial semifabricatul pentru a putea efectua operatiile de prelucrare aferente obtineri piesei finite.
Acestea pot asigura orientarea cat si fixarea dar pot fi considerate si baze de cotare.
Daca fixarea se face in universal si varful papusii mobile, este necesara o prelucrare a portiunii ce va fi fixata in universal Fig 3.
5.b Strunjirea la cota frontal 104mm si
8.8 Centruirea gaura de centrare A2 –STAS 1361 - 83
Pentru a asigura lungimea finala a piesei se va face a doia gaurire pentru centruire astfel se va asigura a doua baza de generare si cotare.
Desprinderea piesei
La desprinderea piesei se vor actiona falcile mandrinei de prindere a strungului SN 400.
D. Controlul intreoperational
Controlul interoperational se va face cu ajutorul unui subler pentru a se asigura gama de dimensiuni prestabilite in urma procesului de aschiere, urman a se efectua operatia de finisare.
Fisa film a proceselor tehnologice:1243254343.20321.0
|
Numarul de ordine si denumirea operatiei |
Schita simplificata a operatiei |
Utilajulsi SDV-urile (ca tip) |
|
Strunjire de degrosare |
|
U: Strung SN 400 D: Falcile MU S: Cutite de strung , bara de alezat V: Subler |
|
Strunjire de finisare |
|
U: Strung SN 400 D: Falcile MU S: Cutite de strung pentru finisare V: Subler |
|
Frezare canal pana |
|
U: Strung SN 400 D:Falcile MU S: Freza cilindro frontala V: Subler |
Alegerea sculei aschietoare :
In functie de natura si de proprietatile fizico-mecanice ale materialului semifabricatului se alege materialul partii active a cutitului, pentru realizarea unei prelucrari in conditiile date.
Materialul partii active poate fi otel carbon pentru scule, otel aliat pentru scule, otel rapid, carburi metalice si mineraloceramine, diamante industriale etc.
O raspandire foarte larga (~80%) au cutitele armate cu placute din carburi metalice, care pot fi alese din STAS-ul 6374-80.
T a = 90 min
*Cutit drept pentru strunjire interioara prevazut cu placuta din carburi metalice P20 STAS 6384 – 80, cu geometria 45o ; α 10o ; γ 120 ; r 2 mm
In functie de adaosurile de prelucrare se alege cutitu de degrosat si cutitul de finisare din dotarea SN 400.

Stabilirea avansului de aschiere:
Avansurile pentru strunjirea de finisare se adopta conform tabelului :

Viteza, forta si puterea de aschiere :
V = 19 [ m/min ]; Fz = 344,0 [daN]; P = 1,38 [kW].
Turatia piesei:


Puterea de aschiere :
unde :
Mai = momentul de aschiere [daN×m
nS = turatia sculei [rot/min] ;
OPERATIA 2
Strunjirea de finisare:
A. Orientarea si fixarea semifabricatului pe (MU) masina-unealta:
1.a Strunjirea cilindrica exterioara de finisare.
Procedeul este asemanator strunziri de degrosare insa rugozitatea scade si se pastreaza dimensiunile stabilite de constructor in cadrul desenului de executie si asiguratea tolerantelor.
Deosebirea este cutitul folosit care poate fi de mai ulte feluri:
Cutitul este unu classic dar se pot folosi si cutite cu geometrie diferita ,cu cap rotund pentru o finisare prin tasare. Necesar este de asigura campul de tolerante .
V-= 14.8 / T1.38*p1.3*t0.7
Astfel V= 23.8 /min
Controlul interoperational al semifabricatului:
Se va face cu ajutorul unui micromere sa cu
sublerul pentru a verifica clasa de precizie.

OPERATIA 3
Frezarea canal pana.
A. Orientarea si fixarea semifabricatului pe (MU) masina-unealta
1.a Frezarea canalului de pana de dimensiunea 5mm cu respectarea cotei de 40mm.

Frezarea canalului de pana se face pe o MU masina-unealta de frezat universal folosint o freza cilindro frontal de dimensiunea Ø 10 mm.
in care: v- viteza de aschiere corecta,
Valorile recomandate pentru viteza de prelucrare a otelului si coeficientii de corectie sunt date in tabelul:
Pentru, materialul de prelucrat OLC 60,
calitatea otelului, duritatea marerialului HB= 207, materialul taisului: Rp3
rezulta coeficientul k2 de corectie a vitezei de aschiere la gaurire,
adancire si tesire in functie de adancimea de prelucrare a
otelului din tabelul ;
Viteza de aschiere corectata:
V= 18·1·1 =23,4 [m/min]
În continuare se calculeaza turatia
sculei ns [rot/min] cu rela in care:
v- viteza de aschiere in [m/min];
D- diametrul
sculei in [mm];
-Tabel adaosuri de prelucrare
Abateri limita pentru otelul rotund laminat.
ANEXA 1 (Desen executie)
|