REZERVAREA BARELOR
DE MT DIN STATIILE DE TRANSFORMARE 110/MT DIN COMANDA OPERATIVA A CENTRELOR
OPERATIVE DIN SCMR
1. SCOP
Stabileste modul de lichidare a incidentelor in situatia disparitiei tensiunii pe barele de MT ale unei statii de transformare 110/MT din comanda operativa a centrelor operative din ScCMR Banat, atunci cand nu este posibila realimentarea cu energie electrica din sursele initiale in conformitate cu III-AV- DED-101.
2. DOMENIUL DE APLICARE
Instructiunea se aplica in toate entitatile DirER si DirR Banat ce intervin in gestionarea evenimentelor din instalatiile aflate in comanda operativa a centrelor operative din structura ScCMR Banat ( centre operative din cadrul ScCMR, unitati operative de AT si MT, personal tehnic si de conducere din suprastructurile unitatilor zonale, personalul tehnic din suprastructurile DirER si DirR Banat.
3. DOCUMENTE DE REFERINTA
3.1 Codul Tehnic al RET- Ord. ANRE nr.20 /27.08. 2004, completat cu Ord. ANRE nr.35 /06.12.2004; Regulament pentru conducere prin dispecer in Sistemul Energetic National-RCD Codul Tehnic al RED – Ord. ANRE nr.128 / 2008.
3.3. III-AV-DN-81 - Principii generale privind lichidarea avariilor in reteaua de 110-750kV
III-IN-DED-101 - Lichidarea incidentelor in retelele de MT din copmanda operativa a centrelor operative din ScCMR Banat
3.5. III-IN-DED-102 - Lichidarea incidentelor in statiile de transformare 110 kV/MT din comanda operativa a centrelor operative din SCMR Banat
3.6. Manual de Utilizare STUX – Manual in care sunt detaliate procedurile de realizare prin sistem a operatilor de comanda, citiri, supraveghere, inregistrare si altele in statiile 110/MT
3.7. Manual de Utilizare STM – Manual in care sunt detaliate procedurile de realizare prin sistem a operatilor de comanda, citiri, supraveghere, inregistrare si altele in retelele de MT
4. DEFINITII SI ABREVIERI
4.1. DEFINITII
4.2 ABREVIERI
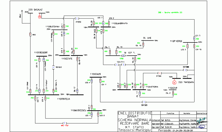
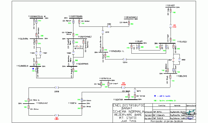
ANEXA 2 – Schema rezervare bare mt din statii judet Timis
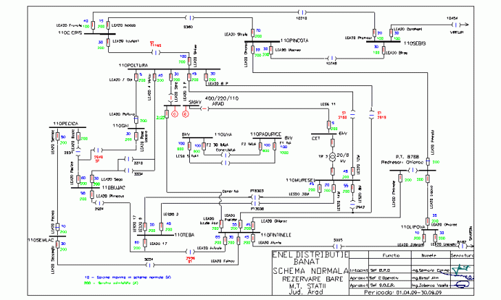
Anexa 3 – Schema rezervare bare mt din statii judet Arad

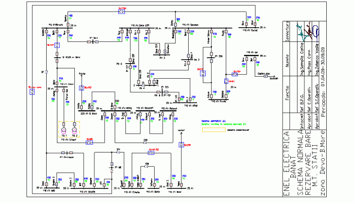
Anexa 4 – Schema rezervare bare mt din statii zona Deva-Baru Mare

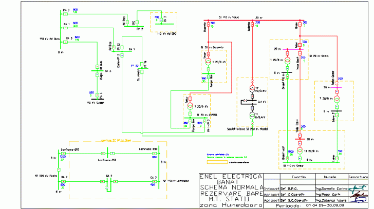
Anexa 5 – Schema rezervare bare din statii zona Hunedoara

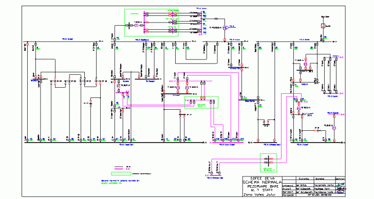
Anexa 6 – Schema rezervare bare 6kV din statii zona Valea Jiului

Anexa 7 – Schema rezervare bare 20kV din statii zona Valea Jiului

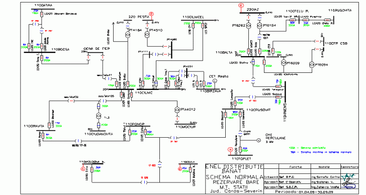
Anexa 8 – Schema rezervare bare mt din statii judet Caras Severin
|