Documente online.
Zona de administrare documente. Fisierele tale
Am uitat parola x Creaza cont nou
 HomeExploreaza
upload
Upload




CIRCUITE FILIFORME LINIARE SI NELINIARE DE CURENT CONTINUU

tehnica mecanica


CIRCUITE FILIFORME LINIARE SI NELINIARE DE CURENT CONTINUU


Lucrarea are ca scop verificarea experimentala a teoremei generatorului echi-valent de tensiune (a lui Thévenin), a teoremei generatorului echivalent de curent (a lui Norton), precum si verificarea experimentala a metodei grafice de rezolvare a circuitelor neliniare.



In unele cazuri se cere determinarea doar a unui anumit curent dintr-o latura de retea sau a tensiunii dintre doua puncte a retelei. In aceste cazuri, pentru a evita calculul intregii retele, este avantajos de utilizat teorema generatorului echivalent de tensiune si, respectiv, teorema generatorului echivalent de curent. In cazul circuitelor electrice liniare, datorita existentei unor relatii de proportionalitate intre curenti si tensiuni, putem inlocui reteaua activa avand o structura oarecare, fie printr-un generator echivalent de tensiune ue si rezistenta interioara ri, fie printr-un generator echivalent de curent isc si conductanta interioara gi, in functie de ceea ce se doreste sa se determine .

Conform generatorului echivalent de tensiune, curentul intr-o latura este (fig.1):


(1)


in care: u0 reprezinta tensiunea in gol intre bornele a si b (fig.1b));

R reprezinta rezistenta laturii;

Ri reprezinta rezistenta echivalenta fata de bornele a si b a restului de circuit pasivizat (fig.1d)).

Fig.1


Conform teoremei generatorului echivalent de curent, tensiunea la bornele unei laturi pasive de circuit u, este (fig.1):


(2)

unde: isc reprezinta curentul intre bornele a si b scurtcircuitate (fig1.c);

G reprezinta conductanta laturii;

Gi reprezinta conductanta echivalenta fata de a si b a restului de circuit pasi-vizat (Gi=1/Ri).

Cele doua scheme sunt echivalente, acest lucru rezultand din conditia, ca pe baza lor sa rezulte aceiasi curenti si aceleasi tensiuni la borne. Astfel rezulta urmatoarele conditii de echivalenta:

(3)

unde: (Rab)p reprezinta rezistenta echivalenta fata de bornele a si b a restului de circuit pasivizat.

Circuitele neliniare de curent continuu contin cel putin un element de circuit neliniar, element de-a lungul caruia conductivitatea este dependenta de densitatea de curent J. Pentru fiecare element neliniar trebuie cunoscuta caracteristica volt-amper (CVA) care exprima dependenta curentului prin elementul neliniar functie de tensiunea la borne. Pe baza caracteristicii volt-amper, pentru aceste elementele de circuit se defineste rezistenta statica Rst si rezistenta diferentiala sau dinamica Rd.

Prin rezistenta statica se intelege raportul dintre tensiunea la borne si curent, corespunzatoare unui punct de functionare P: . Se observa ca Rst nu este constanta ci depinde de pozitia punctului P pe caracteristica (fig.4), adica de valorile tensiunii si ale curentului.

Rezistenta dinamica reprezinta derivata tensiunii in raport cu intensitatea curentului in punctul considerat: . Aceasta marime este proportionala cu tangenta trigonometrica a unghiului pe care tangenta la caracteristica in punctul P il face cu abscisa (fig.4): , unde k este raportul scarilor grafice pentru tensiune si curent. Spre deosebire de rezistenta statica care intotdeauna este pozitiva, rezistenta dinamica poate sa fie si negativa, pe portiunile descendente ale CVA.




MERSUL LUCRARII

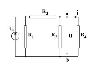
1.1 Rezistentele R1, R2, R3, R4 din circuitul din fig.2 se masoara cu puntea sau cu un instrument digital.

1.2 Folosind teorema generatorului echivalent de tensiune si teorema genera-torului echivalent de curent se vor determina prin calcule, marimile ce intervin in aceste relatii (i, u0, Ri, u, isc, Gi ), alegand o valoare de lucru pentru tensiunea Ue. Rezultatele se trec in tabelul 1.

1.3 Se realizeaza montajul din fig.2 in care rezistentele R1, R2, R3, R4 si tensiunea Ue au valorile din tabelul 1.

Fig.2

1.4 Pentru masurarea curentului i se inseriaza cu rezistenta R4 un ampermetru. Valoarea citita pe ampermetru se trece in tabelul 2.

1.5 In schema din fig.2, intre bornele a si b se conecteaza un voltmetru, a carei indicatie va arata tensiunea u. Rezultatul se trece in tabelul 2.

1.6 Masurarea curentului de scurtcircuit intre bornele a si b (isc) se face inlo-cuind latura de retea formata din rezistenta R4 cu un ampermetru. Indicatia amper-metrului va reprezenta curentul de scurtcircuit, valoare care se trece in tabelul 2.

1.7 Masurarea tensiunii u0 in lipsa laturii de retea formata din rezistenta R4 se face inlocuind aceasta latura cu un voltmetru. Indicatia voltmetrului u0 se trece in tabelul 2.

1.8 Determinarea experimentala a rezistentei restului de circuit pasivizat (Ri) se realizeaza folosind puntea de la 1.1, cu deconectarea sursei Ue si scurtcircuitarea bornelor acesteia. Valoarea obtinuta pentru Ri si cea calculata pentru Gi se trec in tabelul 2.

1.9 Valorile curentului i si a tensiunii u din tabelul 2, determinate experimen-tal, se compara cu cele corespunzatoare din tabelul 1, care au fost stabilite prin calcul.


Tabelul 1

Ue

[V]

R1

R2

R3

R4

u0

[V]

Ri

i

[A]

Gi

[S]

G4

[S]

isc

[A]

u

[V]
















Tabelul 2

u0

[V]



Ri

i

[A]

Gi

[S]

isc

[A]

u

[V]








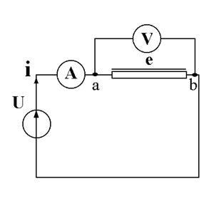
2.1 Se ridica caracteristica volt-amper (CVA) a elementului neliniar e cu aju-torul montajului din fig.3. Se masoara tensiunea Uab si curentul i pentru diferite valori ale tensiunii de alimentare U si se traseaza pe hartie milimetrica caracteristica Uab=f(i) a elementului neliniar (e).

Fig.3 Fig.4

2.2 Cu datele obtinute se calculeaza . Rezultatele se trec in tabelul 3, trasandu-se graficul Rst=Rst(i).


Tabelul 3

NR.

CRT.

U

[V]

i

[A]

Rst

Rd
































Se determina rezistenta dinamica Rd (fig.4): in care: este scara la care se reprezinta tensiunea;

este scara la care se reprezinta curentul;

reprezinta raportul scarilor de tensiune si de curent.

Se traseaza grafic Rd=Rd(i) si se compara cu Rs=Rs(i).

2.3 Schema electrica din fig.5 se obtine daca in schema din fig.2 se inlocuies-te rezistorul R4 cu elementul neliniar (e) a carui CVA a fost ridicata la punctul 2.1, iar restul retelei se inlocuieste cu o latura echivalenta formata din conexiunea serie a generatorului ideal de tensiune U0 cu rezistenta Ri, valori luate din tabelul 1.

2.4 Schema electrica din fig.5 se rezolva prin metoda grafica, pe hartie milimetrica. Se vor determina i si Uab.

Fig.5

2.5 In schema din fig.2, rezistenta R4 se inlocuieste cu elementul neliniar (e) a carui CVA a fost ridicata la punctul 2.1. In serie cu elementul neliniar se va monta un ampermetru a carui indicatie va arata curentul prin elementul neliniar i, iar intre punctele a si b se va conecta un voltmetru a carui indicatie va arata tensiunea Uab pe elementul neliniar (e). Valorile masurate se vor compara cu cele obtinute prin metoda grafica de rezolvare a circuitelor neliniare de curent continuu de la punctul 2.4.














Document Info


Accesari: 2547
Apreciat: hand-up

Comenteaza documentul:

Nu esti inregistrat
Trebuie sa fii utilizator inregistrat pentru a putea comenta


Creaza cont nou

A fost util?

Daca documentul a fost util si crezi ca merita
sa adaugi un link catre el la tine in site


in pagina web a site-ului tau.




eCoduri.com - coduri postale, contabile, CAEN sau bancare

Politica de confidentialitate | Termenii si conditii de utilizare




Copyright © Contact (SCRIGROUP Int. 2025 )