Redresoare semicomandate monofazate cu punct median pentru elimentarea pe rotor a motoarelor asincrone
1. Scopul lucrarii
este de a studia functionarea redresoarelor comandate in regim de curent
intrerupt si in regim de curent neintrerupt.
2. Consideratii teoretice. Redresorul
comandat monofazat cu punct median are schema de principiu data in figura 1a. El se compune dintr-un transformator
monofazat cu punct median si din doua tiristoare V1, V2. Dioda D0 numita
dioda recuperatoare poa 727c26h te lipsi in unele cazuri din circuit.
|
|
|
In cazul sarcinilor pur rezistive redresorul functioneaza numai in regim de curent intrerupt; curentul redresat Id are momente cand se anuleaza.
Raportul,
reprezinta. caracteristica de comanda a
redresorului in regim de curent intrerupt ( figura 2a ).
In cazul sarcinilor rezistiv
inductive sau pur inductive, regimul poate fi de curent intrerupt (figura lc)
sau de curent neintrerupt (figura 1d ). Chiar in cazul sarcinii inductive
ideale, existenta diodei recuperatoare D0 face ca regimul sa fie de curent
intrerupt din punctul de vedere al redresorului .
Functionarea in regim de curent
neinntrerupt este conditionata de existenta unei inductivitati de valoare mare
pe sarcina si de limitarea unghiului de comanda la valori mai mici decit
unghiul de comanda limita
1=90 grade, unghi la care pentru regimul de curent
neintrerupt, tensiunea medie redresata Udm se anuleaza (vezi relatia 2) .
Pentru regimul de curent neintrerupt
, tensiunea medie redresata se poate scrie:

In acest caz caracteristica de comanda este reprezentata in figura 2b , si este data de relatia :
![]()
|
|
|
Functionarea
la unghi de comanda
> 90 grade in regim de curent neintrerupt
presupune .trecerea in regim global de invertor, ceea ce se poate f.ace doar atunci
cand pe partea de curent continuu exista surse capabile sa furnizeze energie,
cum ar rotorul unei masini de curent continuu. Comparind cele doua
caracteristici de comanda, obtinute pentru caz.ul functionarii in curent
intrerupt si in curent neintrerupt observam ca la trecerea dintr-un regim in
celalalt apare un salt de tensiune (dU) lucru nepermis intr -un sistem de
reglare. Un motor alimentat cu astfel de redresoare poate functiona la fel de
bine in oricare din cele doua regimuri, dar nu este permisa trecerea in timpul
functionarii dintr-un regim in celalalt. Unghiul de comanda este limitat la
aproximativ 150 grade datorita necesitatii ca tiristorul care intra in
conductie sa fie polarizat corect un timp suficiennt pentru a prelua intregul
curent de sarcina .
Redresoarele monofazate semicomandate in punte pentru alimentarea pe rotor a motoarelor asincrone
Se executa dupa schemele prezentate in figura 4a si 5a .

Tensiunile
redresate sunt identice (vezi fig. 4b si 5b). Valoarea tensiunii medii
redresate este data de relatia (1). Diferentele intre cele doua scheme constau
in modul de functionare, respectiv in timpii de conductie pe durata unei
perioade a ventilelor si diodelor din schema .
In schema prezentata in figura 5a se
observa ca diodele Dl si D2 joaca rol de dioda recuperatoare atunci cind sunt
ambele in conductie.
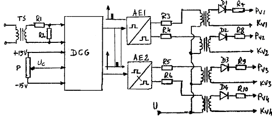
Pentru comanda unui redresor
monofazat complet comandat se poate utiliza un singur DCG (de exemplu cu
circuitul BA 145 ). O schema bloc pentru exemplificarea modului de
conectare a DCG este data in figura 6.

Redresoarele comandate trifazate sunt frecvent folosite in alimentarea alimentarea pe rotor a motoarelor asincrone precum si in alte aplicatii care necesita tensiuni continue
reglabile.
La puteri de peste 10 KVA se folosesc aproape exclusiv redresoarele comandate
polifazate deoarece furnizeaza o tensiune redresata mai neteda, asigura incarcarea simetrica a
retelei trifazate industriale, cu un factor de utilizare a transformatorului este mai redus.
In laborator se va studia un redresor trifazat cu punct median comandat, alimentat la
reteaua trifazata industriala, de joasa tensiune. (Ulinie-linie = 380V)
Circuitul de forta al redresorului
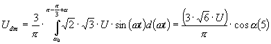
In figura 1 este reprezentat circuitul de forta al redresorului trifazat cu punct median,
in care R S T sunt fazele sistemului trifazat industrial, iar N este nulul retelei. In figura 2 sunt
reprezentate formele de unda ale unora dintre marimile care intervin in functionarea
redresorului..
Se numeste unghi de comanda, unghiul electric masurat din momentul in care un
tiristor ar intra in conductie daca ar fi dioda si pana in momentul in care i se aplica impulsul
de comanda.
Redresorul trifazat comandat cu punct median are schema de principiu data in figura 1a.

Pentru
cazul sarcinilor pur rezistive (figura 1b) si pentru unghiuri de comanda
a³T/ 6 ( u.nghi masurat din punctul de comutatie naturala A - punct in
care cele doua tensiuni de faza se intersecteaza ) ventilele se blocheaza la
trecerea prin zero a curentului ( simultan cu trecerea prin zero a tensiunii pe
faza respectiva, deci ne aflam in situatia unui regim de curent intrerupt.
Valoarea tensiunii medii
redresate este in acest caz:

pentru
.
In cazul sarcinilor rezistiv
inductive sau pur inductive regimul de functionare poate fi de curent intrerupt
sau de curent neintrerupt in functie de marimea inductivitatilor de pe sarcina
si de valoarea unghiului de comanda. (vezi figura 1b+1c). Pentru unghiuri de
comanda mai mici decat unghiul de comanda limita ( a1), daca inductivitatea
este suficient de mare se poate functiona numai in regim de curent neintrerupt.
In acest caz valoarea
medie a tensiunii redresate este:

unde
este tensiunea
medie redresata ideala obtinuta pentru unghi de comanda egal cu zero.
Se observa aceeasi forma a
caracteristicii de comanda Udm/Udmo = cos
, ca si la
redresorul monofazat comandat in regim de curent neintrerupt, dar avand origini
diferite pentru masurarea unghiului de comanda.
Functionarea in regim de curent neintrerupt la unghiuri de comanda
>
1, presupune si in acest caz trecerea redresorului
in regim global de invertor, adica existenta pe sarcina a unei surse de
tensiune continua capabila sa cedeze energie reteei de a1imentare a
redresorului trifazat.
Se remarca si in acest caz o
diferenta intre valorile medii ale tensiunilor redresate in cazul functionarii
in regim de curent intrerupt, de aceea este interzisa trecerea in timpul
functionarii dintr-un regim in celalalt.
Redresorul comandat trifazat in
punte este prezentat in figura 2.a.
In figura 2b este prezentata
forma tensiunii redresate pentru un unghi de comanda mai mic decat unghiul de
comanda limita (
<
l).
Pentru sarcini rezistive si
unghi de comanda
>
/3, ventilele se blocheaza la trecerea curentului
prin zero. In acest caz ne aflam in situatia functionarii in regim de curent
intrerupt. Valoarea medie a tensiunii redresate este in acest caz:

Pentru sarcina inductiva sau rezitiv inductiva si functionare in curent neintrerupt valoarea tensiunii medii redresate este:

![]()
Redresorul trifazat semicomandat in punte are schema de principiu in figura 3a.

In figura 3b este prezentata forma tensiunii redresate pentru acest caz. Tensiunea redresata Ud nu poate lua valori negative, deoarece diodele din punte pot functiona ca diode de recuperare, acest redresor neputand trece in regim global de invertor. Valoarea medie a tensiuni redresate este:
![]()
Caracteristica de comanda este asemanatoare cu cea de la redresoarele semicomandate monofazate. In acest caz tensiunea medie redresata ideala este:
![]()
Pentru comanda redresoarelor trifazate se poþ folosi trei DCG realizate spre exemplu cu circuite integrate BA 145, sincronizate cu reteaua de alimentare printr-un transformator de sincronizare trifazat in conexiune Dyl, ca cel din figura 4a.
|
|
|
|
Comanda
redresoarelor trifazate se poate face utilizand blocuri de comanda pe grila
realizate pe un singur modul. Acest modul este conectat pe de o parte la
transformatorul de sincronizare trifazat iar pe de alta parte la circuitele de
poarta ale tiristorului.
In figura 4b sunt
prezentate diagramele fazoriale pentru tensiunile de sincronizare Us1, Us2,
Us3.
Tensiunea Us12 este in urma
tensiunii U12 cu 30 grade electrice iar tensiunea Us1, pentru sincronizarea lui
DCG1, este in urma tensiunii retelei U1 tot cu 30 de grade electrice. Acest lucru este necesar datorita faptului
ca unghiul de comanda se masoara din punctul de comutatie naturala, la
redresoarele trifazate, punct defazat in urma cu 30 de grade electrice fata de
momentul trecerii prin 0 a tensiunii pe faza respectiva.
|
|
|
|
a. Se realizeaza montajul
pentru redresorul trifazat comandat cu punct median, unind 1 cu 4, 2 cu 5, 3 cu
6 iar sarcina intre 8 si 12. Se oscilografiaza formele de unda ale curentilor
si tensiunior. Se obtine regimul de
curent intrerupt.
b. Se realizeaza montajul de
redresor trifazat comandat in punte, unind 1 cu 4 , 2 cu 5, 3 cu 6, iar sarcina
intre bornele 8 si 9. Se urmareste functionarea redresorului in regim de curent
intrerupt si in regim de curent neintrerupt. Se obtine regimul global de
invertor utilizind un M.C.C. ca sarcina.
c. Se realizeaza montajul de
redresor sernicomandat in punte, unind 1 cu 4, 2 cu 5, 3 cu 6, iar sarcina
conectata intre 7 si 9. Se observa imposibilitatea trecerii in regim global de
invertor.
d. Daca este posibila
aproximarea ungiu1ui de comanda, se traseaza caracteristicile de comanda. Se
trag concluzii comaparative intre aceste tipuri de redresoar
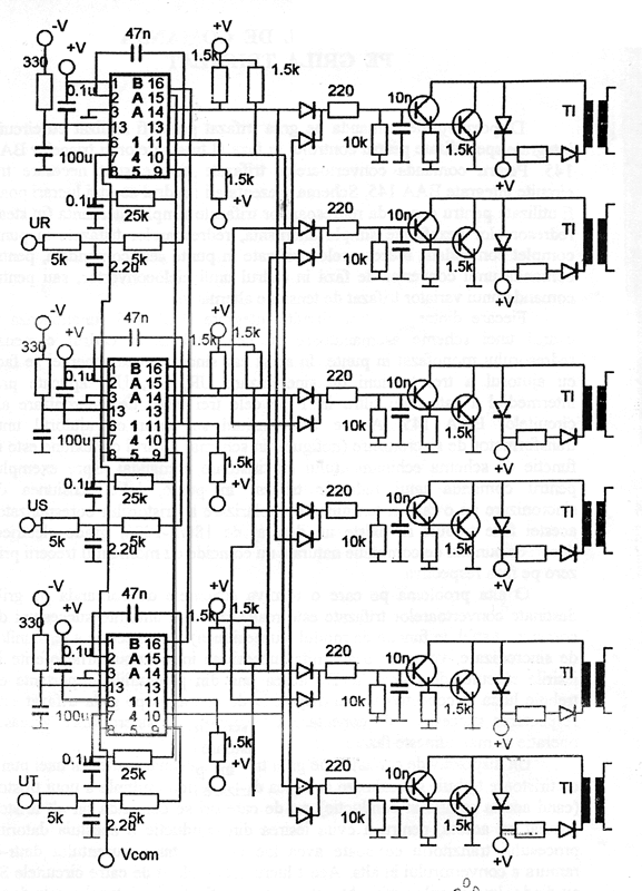
Dispozitivul de comanda pe grila trifazat
Dispozitivul de comanda pe grila
trifazat poate fi realizat cu circuite integrate specializate pentru controlul
in faza al tiristoarelor si triacelor BAA 145. Pentru comanda convertoarelor
trifazate uzuale sunt necesare trei circuite integrate BAA 145. Schema prezentata
in cadrul acestei lucrari poate fi utilizata pentru comanda redresoarelor
trifazate simpla alternanta (in stea), redresoarelor hexafazate simpla
alternanta, redresoarelor trifazate in punte complet comandata, redresoarelor
trifazate in punte semicomandata, pentru comanda unui convertor de faza in
cadrul unui cicloconvertor, sau pentru comanda unui variator trifazat de
tensiune alternativa.
Fiecare dintre cele trei circuite
integrate BAA 145 functioneaza in cadrul unei scheme asemanatoare cu cea studiata
in cadrul comenzii redresorului monofazat in punte. In acest caz sincronizarea
schemei se face cu ajutorul a trei tensiuni de sincronizare
O alta problema pe care o rezolva schemele
de comanda pe grila destinate convertoarelor trifazate este realizarea unei
anumite succesiuni de comenzi. Astfel, in functie de modul (succesiunea) de
conectare a tensiunilor de sincronizare, va apare o anumita succesiune intre
impulsurile oferite la iesirile blocului de comanda. De aceea una din
precautiile importante ce trebuie luata la conectarea unui dispozitiv de
comanda pe grila trifazat este respectarea succesiunii de conectare a tensiunilor
de sincronizare. Aceasta operatie se mai numeste fazare.
Un dispozitiv de comanda pe grila trifazat,
destinat comenzii unei punti cu tiristoare trebuie sa realizeze si logica de
comanda multipla a unui tiristor (cand acesta se afla in conductie) ori de cate
ori se comanda un alt tiristor inseriat cu acesta, pentru a evita iesirea din
conductie a acestuia datorita procesului tranzitoriu ce poate avea loc la
comutarea curentului dintr-o ramura a convertorului in alta. Acest lucru este
realizat de catre circuitele SI cu diode. Impulsurile astfel obtinute sunt
amplificate cu ajutorul a cate doua tranzistoare bipolare si sunt aplicate
infasurarii primare a cate unui transformator de impuls TI.
Modelarea redresorului
Redresorul trifazat cu tiristoare este prezentat in fig.
1.

Fig. 1. Redresorul trifazat cu tiristoare
Consideram urmatoarele ipoteze:
- tiristoarele sunt ideale, ceea ce inseamna ca caderea de
tensiune in starea de conductie este nula, iar curentul in stare de blocare
este nul;
- comanda de
deschidere se face cu o intarziere unghiulara a
;
- regimul de lucru considerat este stationar pentru o
sarcina cu impedanta infinita.
In fig. 2 se arata modelul unui tiristor T.

a) Tiristorul b) Reteaua Petri
Fig. 2. Modelul tiristorului T
Pozitia PT cu un punct reprezinta tiristorul T in stare
de conductie, iar pozitia PT goala reprezinta tiristorul T blocat. In dreptul celor doua tranzitii sunt
trecute conditiile electrice care trebuiesc indeplinite ca tiristorul sa se
deschida, respectiv sa se blocheze. Conditia pentru tranzitia tr1
este ca tensiunea v la bornele tiristorului sa fie pozitiva si pe poarta
G sa se aplice un impuls de deschidere, iar conditia pentru tr2 este
ca curentul i sa treaca prin 0.
Reteaua Petri care modeleaza functional redresorul
este prezentata in fig. 3.

Fig. 3. Modelul (reteaua Petri) redresorului trifazat
Pozitiile PTi si PTi¢, i=1 3 reprezinta
tiristoarele redresorului modelat. Pozitia PC simbolizeaza comanda
tiristoarelor Ti si Ti¢.
Cand pozitia PC primeste un punct, un impuls de aprindere trebuie sa fie trimis
pe poarta unui tiristor si acesta se va aprinde dupa o intarziere unghiulara a . Intarzierea aprinderii tiristoarelor este
modelata prin pozitia Pa , pozitie la
care se asociaza o temporizare di datorata intarzierii unghiulare
(relatia (1)).
(1)
f fiind frecventa tensiunii retelei de alimentare.
Punctul care ajunge in pozitia Pa este indisponibil pe durata di si de cand devine
disponibil, tranzitia trj, j = 2.7, poate fi valida si asadar
executata (fig. 4).

Fig. 4. Detaliu din modelul redresorului care arata modul de executie a tranzitiei trj, j=2..7
Tranzitiile tr2.. tr7 sunt
executate cand sunt validate conform retelei Petri si cand are loc amorsarea
evenimentului corespunzand unui impuls primit pe poarta tiristorului Ti+1.
Pozitia Pe
asigura generarea de puncte de fiecare data cand exista egalitate intre doua
tensiuni simple pozitive sau negative ale retelei trifazate de alimentare.
Asadar, tranzitia tr8 devine executabila cand se realizeaza
evenimentul Du=0. Modelul reprezentat prin reteaua petri cu pozitii temporizate permite
sa se tina cont de realizarea evenimentului Du=0 prin asocierea la pozitia Pe
a unei temporizari d. Temporizarea d are o valoare cunoscuta, constanta, pe
cand temporizarea di are o valoare variabila dependenta de valoarea dorita a
tensiunii redresate.
Pentru a putea descrie functionarea redresorului conform secventelor
de conductie a tiristoarelor, este necesar sa se defineasca un ciclu de
executare a tranzitiilor trj in ordinea tr2, tr3,
tr4, tr5, tr6, tr7. De asemenea,
impunem urmatoarele prioritati tranzitilor: 5 pentru tr2, 4 pentru
tr3, 3 pentru tr4, 2 pentru tr5, 1 pentru tr6
si 0 pentru tr7, unde 5 este prioritatea cea mai puternica,
iar 0 este prioritatea cea mai slaba.
Pozitiile a1 si a2 ajuta la anularea
conflictului structural intre tranzitiile tr7 si tr2 si
asigura trecerea de la ultima secventa de conductie, cea a tiristoarelor T3
si T1¢, la prima secventa de conductie, cea a
tiristoarelor T1 si T2¢.
Modelul, prezentat in ciclul sau de evolutie, descrie
functionarea electrica a redresorului pe o perioada t
, perioada a carei valoare minima de determina conform
3. Concluzii
Modelul realizat, folosind un software special de tratare a retelelor Petri (de exemplu Petri Maker), poate fi transformat intr-un program de comanda a unui redresor real.
BIBLIOGRAFIE
Aubry, J.F., Sawicki, J.P., Zanne C., Exemple
d¢ un convertisseur statique: la
modélisation hybride améliore la fiabilité, Revue génerale d¢ éléctricité,
1, 1995.
2 Banaszak, Z., Modelling and Control of FMS. petri Net
Aproach, Wroc?aw Technical University Press, Wroc?aw, 1991.
Berrue, J., Ferrier, J.L., Sechilariu, M., Faisabilité
et limites d¢ une comande interactive de convertisseurs
statiques, Revue génerale
d¢ éléctricité, 1, 1995.
|