Am uitat parola
x
Creaza cont nou
Home
Exploreaza
Upload
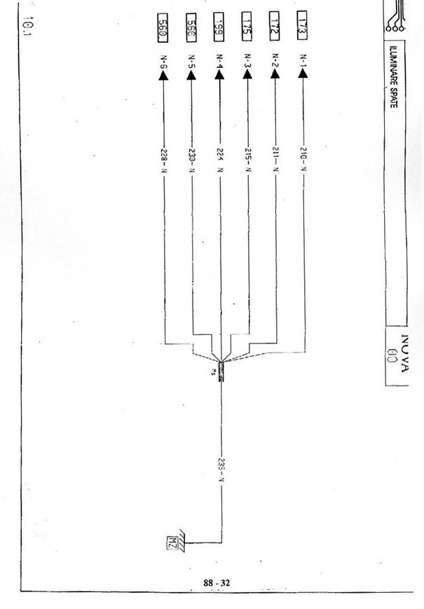
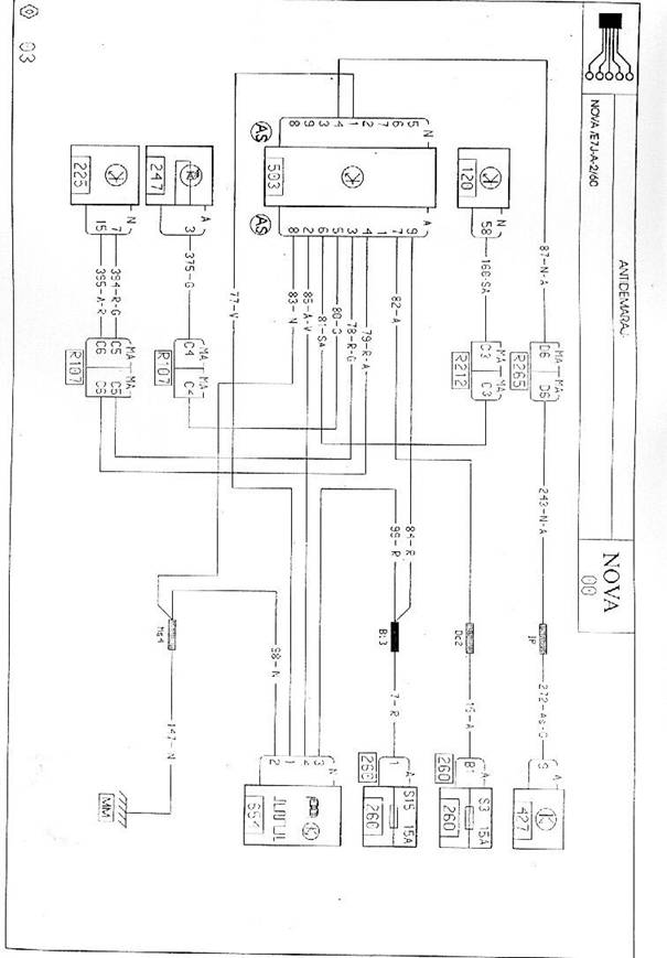
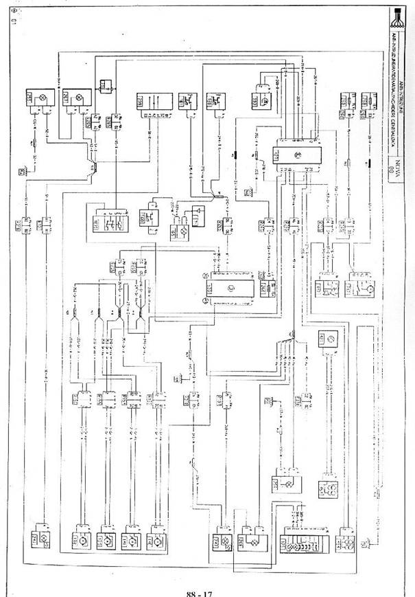
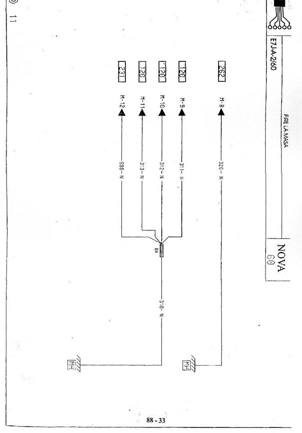
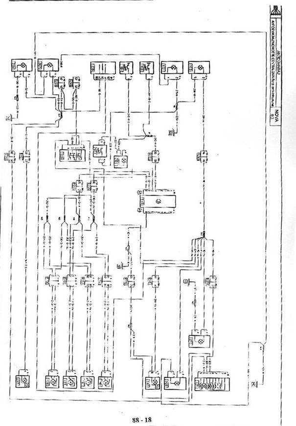
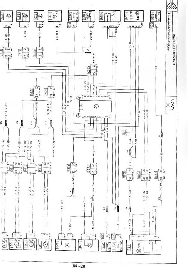
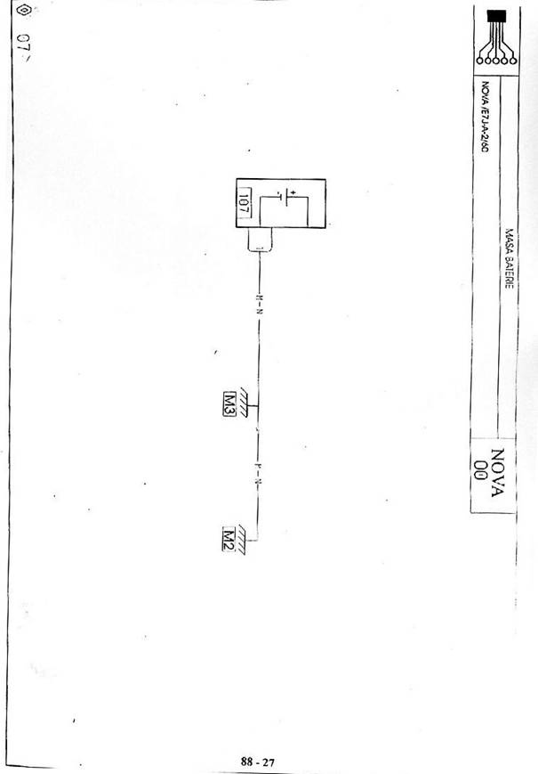
Scheme electrice
tehnica mecanica
ALTE DOCUMENTE
ÎNCERCAREA DE AMBUTISARE DUPĂ METODA ERICHSEN
INMARSAT (International Maritime Satellite Organization)
MASURAREA PUTERII ACTIVE IN CIRCUITE DE CURENT ALTERNATIV MONOFAZAT
Managementul dezvoltarii durabile a sistemelor energetice
Modelarea sistemului de manipulare in raport cu dana
Limbajul de programare de tip “Lista de instructiuni” (IL)
Limbajul de programare de tip “Scheme cu contacte” (LD)
Materiale electrotehnice utilizate in constructia convertoarelor cu energie magnetica intermediara
Proiect - cutit de strung
Document Info
Accesari: 2032
Apreciat:
Comenteaza documentul:
Nu esti inregistrat
Trebuie sa fii utilizator inregistrat pentru a putea comenta
Creaza cont nou
A fost util?
Daca documentul a fost util si crezi ca merita
sa adaugi un link catre el la tine in site
Copiaza codul:
in pagina web a site-ului tau.
Scheme electrice
eCoduri.com - coduri postale, contabile, CAEN sau bancare
Politica de confidentialitate
|
Termenii si conditii de utilizare
Copyright
©
Contact
(
SCRIGROUP Int. 2025
)