SEPARATORUL DE SANTINA . CONSTRUCTIE , ROL , SCHEMA
Conform MARPOL 73 toate navele peste 400TRB sunt obligate sa foloseasca instalatii separatoare de reziduuri petroliere astfel incat in apa evacuata peste bord continutul de hidrocarburi sa se mentina sub anumite valori limita
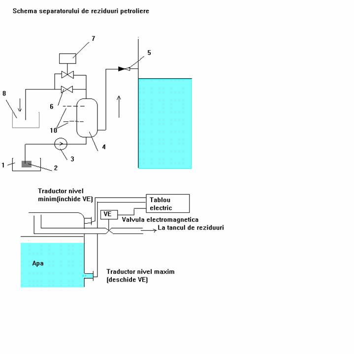
In schema de ami jos este prezentata functionarea instalatiei de separare.Amestecul de apa si hidrocarburi petroliere colectate in tancul 1 este aspirat prin sorbul 2 de catre pompa 3 si trimis in separatorul de reziduuri petroliere 4.Apa curatata de hidrocarburi este evacuata peste bord prin armatura cu clapet 5.Intrucat concentratia de reziduuri petroliere din apa aspirata nu este constanta debitul de hidrocarburi poate varia intre 0 si debitul maxim al pompei.Rezulta ca evacuarea reziduurilor din separator nu poate fi facuta in mod continuu ci intermitent pe masura acumularii lor in partea superioara a separatorului prin deschiderea armaturii amnuale 6 sau a ventilului electromagnetic 7 montate pe tubulatura de legatura cu tancul de sludge 9.Valvula electromagnetica este deschisa atunci cand suprafata de separatie ulei / apa este la nivel minim si este inchisa cand acesta ajunge la nivel maxim.Pentru comanda se pot folosi un singur traductor capacitiv sau doi rezistivi 10

|