Documente online.
Zona de administrare documente. Fisierele tale
Am uitat parola x Creaza cont nou
 HomeExploreaza
upload
Upload




STABILIREA TEHNOLOGIEI DE OBTINERE A SEMIFABRICATELOR MATRITATE

tehnica mecanica


Stabilirea TEHNOLOGIEI DE OBŢINERE A SEMIFABRICATELOR Matritate





Lucrarea prezinta modul de realizare a procesului tehnologic de obtinere a semifabricatelor matritate.

Pentru ca un semifabricat sa treaca de la forma initiala (laminat) la cea finala (matritat), trebuie sa se realizeze o serie de operatii, care prin ordinea lor conduc la o succesiune tehnologica. Īn vederea realizari 24424r179y i unui semifabricat prin matritare sunt necesare urmatoarele operatii:

Succesiunea operatiilor de matritare propriu-zisa depinde si de utilajul pe care se realizeaza: matritare pe ciocane, matritare pe prese (cu frictiune, mecanice cu excentric, hidraulice) sau pe masini de forjat orizontale.

Īn fig. 1 este prezentata schema procesului de matritare īntr-un singur locas, pe ciocan. Semifabricatul brut (bara laminata), debitat la dimensiunile necesare, este īncalzit si refulat, dupa care se aseaza īn locasul semimatritei inferioare, fiind lovit de berbecul ciocanului de care este fixata semimatrita superioara. Surplusul de material este īmpins īn directie laterala īn canalul de bavura. Dupa matritare urmeaza debavurarea.

Spre deosebire de ciocane, unde umplerea locasului matritei se face prin mai multe lovituri succesive, la presele mecanice cu excentric procesul de matritare are loc la o singura cursa a berbecului. Berbecul se deplaseaza īn directie verticala. Pe masa presei se pot instala mai multe posturi de lucru, ceea ce permite executarea simultana a mai multor operatii (refulare, prematritare, matritare).

1- berbecul ciocanului;

2- semimatrita superioara;

3- canalul de bavura;

4-semimatrita inferioara;

5-suportul matritei;

6- semifabricat refulat;

7-semifabricat matritat;

8-bavura.

Fig. 1


Operatiile de finisare (debavurare, īndreptare, calibrare, curatire) se executa dupa matritarea propriu-zisa, īn vederea obtinerii unei calitati corespunzatoare a suprafetelor semifabricatului matritat sau a unei precizii dimensionale mai mari.

Debavurarea pieselor matritate se executa pe matrite de debavurat pentru a īndeparta bavura rezultata īn urma matritarii deschise. Operatia consta īn asezarea piesei matritate cu bavura īntr-o matrita care are o muchie taietoare identica cu conturul semifabricatului matritat. In fig. 4 se prezinta debavurarea exterioara, iar īn fig. 5 debavurarea interioara (perforarea). Neregularitatile ramase pe locul unde a fost bavura se pot īnlatura prin polizare.

Fig. 4

Fig. 5

1-poanson;

2-semifabricat;

3-placa de taiere;

4-bavura.

Īndreptarea se aplica semifabricatelor care s-au deformat īn timpul procesului de matritare, a debavurarii sau tratamentului termic primar.

Calibrarea este o operatie finala de deformare a semifabricatului matritat, īn vederea obtinerii unor dimensiuni mai exacte si a unor suprafete mai netede. Calibrarea se face īn matrite speciale de calibrare.

In urma procesului de matritare-debavurare, dar mai ales īn timpul īncalzirii, semifabricatele matritate ramān la suprafata cu arsura si alte defecte superficiale, fapt pentru care ele se supun curatirii.

Pentru a īntelege modul de stabilire a unui proces tehnologic de matritare se prezinta īn continuare un exemplu.

Succesiunea operatiilor pentru matritarea pe ciocane a unei roti dintate este prezentata īn tabelul 1.

Tabelul 1

Nr. crt.

Denumirea operatiei

Schita operatiei

Utilaj / scula / verificator


Debitarea semifabricatului

Ferastrau mecanic / pānza sau disc / subler de exterior




Incalzirea semifabricatelor

Fara schita

Cuptor de īncalzit


Refulare

Ciocan pneumatic / set de nicovale / subler de exterior


Forjarea īn matrita

Presa cu manivela / set de semimatrite / subler de exterior si interior


Curatire

Fara schita

Instalatie de curatat cu jet de bile


Debavurarea semifabricatului matritat

Presa cu manivela / stanta de debavurat / subler de exterior


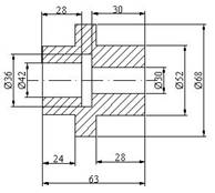
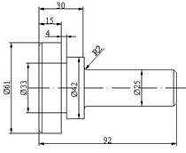
Dupa īnsusirea modului īn care s-a stabilit procesul tehnologic pentru obtinerea semifabricatului matritat prezentat īn lucrare, se trece la stabilirea tehnologiei de obtinere a semifabricatelor matritate pentru piesele finite prezentate īn fig. 6, 7 si 8.

Fig. 6

Fig. 7

Fig. 8


Pentru aceasta se parcurg urmatoarele etape:

īn functie de utilaj, se stabilesc operatiile simple care alcatuiesc procesul tehnologic de matritare si se prezinta īntr-un tabel asemanator celui prezentat īn lucrare.





















Document Info


Accesari: 9048
Apreciat: hand-up

Comenteaza documentul:

Nu esti inregistrat
Trebuie sa fii utilizator inregistrat pentru a putea comenta


Creaza cont nou

A fost util?

Daca documentul a fost util si crezi ca merita
sa adaugi un link catre el la tine in site


in pagina web a site-ului tau.




eCoduri.com - coduri postale, contabile, CAEN sau bancare

Politica de confidentialitate | Termenii si conditii de utilizare




Copyright © Contact (SCRIGROUP Int. 2026 )