Stabilirea TEHNOLOGIEI DE OBŢINERE A SEMIFABRICATELOR FORJATE LIBER
Lucrarea urmareste sa prezinte modul de realizare a procesului tehnologic de forjare libera.
Procesul de forjare libera consta în combinarea unor operatii tehnologice simple, numite operatii de baza. Acestea sunt: refularea, întinderea, gâtuirea, gaurirea, îndoirea, rasucirea si sudarea.
|
Fig. 1 |
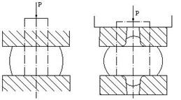
Refularea este operatia de forjare libera prin care se mareste sectiunea transversala a semifabricatului prin micsorarea înaltimii ei, în urma aplicarii de lovituri sau a unei apasă 414r172e ;ri în lungul axei sale fig. 1 (a - refulare plana, b - refulare cu doi cepi). |
Întinderea este operatia prin care se micsoreaza sectiunea transversala a semifabricatului si se mareste lungimea acestuia (fig. 2).
Operatia de întindere consta din aplicarea de lovituri, pe doua directii perpendiculare, asupra materialului încalzit, în urma carora materialul devine subtire în locul lovit, însa creste lungimea acestuia.
Piesa se rastoarna mereu cu 90 în jurul axei longitudinale pentru ca, în urma loviturilor repetate, sa se ajunga pe toata lungimea la sectiunea necesara.
Din când în când, fetele piesei trebuie netezite cu o scula numita planator, îndepartându-se astfel neregularitatile de pe suprafete.
|
Daca întinderea se începe de la o anumita cota, se executa mai întâi marcarea cu o scula de marcat si apoi se executa deformarea cu întinzatoare, de la linia de marcare spre exterior, urmând apoi netezirea. În functie de scopul urmarit si de configuratia semifabricatului se deosebesc mai multe variante ale operatiei de întindere: |
Fig. 2 |
- întindere simpla (fig. 2);

Fig. 3

Fig. 4
Gâtuirea este o operatie ajutatoare la întindere. În unele cazuri, este necesar ca o piesa sa fie întinsa numai pe o anumita portiune sau numai la un capat, restul ramânând cu sectiunea nemodificata. Portiunea care trebuie întinsa este marcata cu ajutorul gâtuitoarelor si apoi întinsa (fig. 5).
Gaurirea este operatia de forjare libera prin care se obtine, cu ajutorul unuia sau mai multor dornuri, o gaura patrunsa sau înfundata în semifabricat, fig. 6.
|
Fig.5 |
Fig. 6 |
Îndoirea este operatia prin care semifabricatul se curbeaza, modificându-si axa longitudinala (fig. 7).
Rasucirea este o operatie de forjare libera prin care o parte a unui semifabricat este rotita cu un anumit unghi fata de restul semifabricatului. Rasucirea se realizeaza astfel: se fixeaza bara la unul din capete iar celalalt capat se roteste cu ajutorul unei pârghii sub un anumit unghi (fig. 8).
|
Fig. 7 |
Fig 8 |
Se constata o rasucire a fibrelor care începe din planul de prindere si creste spre punctul unde s-a aplicat forta de rasucire. Partile semifabricatului care se rasucesc se vor încalzi. Rasucirea la temperaturi joase produce fisuri si ruperi ale materialului.
Sudarea este operatia prin care pot fi îmbinate semifabricatele încalzite pâna la curgere plastica prin presare. Aceasta operatie este în prezent foarte rar utilizata în practica.
La întocmirea procesului tehnologic de obtinere a unui semifabricat prin forjare libera se stabileste o succesiune logica de operatii.
Pentru a întelege modul de stabilire a unui proces tehnologic de forjare libera, prin combinarea diferitelor operatii de baza, se prezinta în continuare un exemplu.
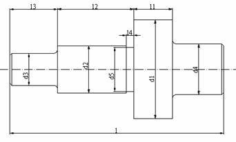
Piesa finita este prezentata în fig. 9, iar procesul tehnologic de obtinere a semifabricatului forjat liber se prezinta în tabelul 1.
Fig. 9
Tabelul 1
|
Nr. crt. |
Schita operatiei |
Denumirea operatiei |
|
|
Semifabricatul laminat si debitat la lungimea necesara |
|
|
|
|
Refulare cu cep de prindere pentru obtinerea diametrului D1=D3 (diametrul cepului este mai mare decât diametrul D4) Nota: cepul de prindere se foloseste numai când nu este posibila prinderea semifabricatului. |
|
|
|
Întindere pâna la diametrul D1. |
|
|
|
Gâtuire |
|
|
|
Întindere pâna la diametrul D5. |
|
|
|
Gâtuire la lungimea L1 |
|
|
|
Întindere pâna la diametrul D2 |
|
|
|
Gâtuire la lungimea L3 |
|
|
|
Întindere pâna la diametrul D4 |
|
|
|
Debitare |
3 Modul de lucru
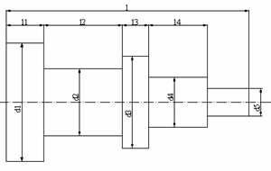
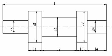
Dupa însusirea modului în care s-a stabilit procesul tehnologic pentru obtinerea semifabricatului forjat liber prezentat în lucrare, se trece la stabilirea semifabricatelor si a proceselor tehnologice pentru piesele prezentate în figurile 10, 11, 12.


Fig. 10
Fig. 11
Fig. 12
|