
STABILIZATOARE LINIARE
DE TENSIUNE CONTINUĂ
8.1 Parametrii stabilizatoarelor
DVi , curentul a devenit I0 + DI , iar temperatura s-a modificat de la T la T +DT
Diferentialele functiei f pondereaza variatiile marimilor, având valori dependente de topologia circuitului electronic si de valorile elementelor componente.
DV sa aiba valori mici se impune ca stabilizatorul sa fie caracterizat prin valori cât mai mari ale factorului Su si valori cât mai mici ale factorilor R0 si ST.
DV a tensiunii de iesire se poate obtine daca se modifica tensiunea de intrare Vi cu o valoare DVi corespunzatoare.
Conform celor de mai sus rezulta ca se poate studia functionarea schemei numai la modificarea tensiunii de intrare, rezultatele fiind valabile si pentru modificarea celorlalti parametri.
e = VER - kV e este abaterea.
e si elaboreaza o comanda catre elementul EC în scopul modificarii tensiunii V0 asa încât sa se anuleze abaterea.
Aceasta teorie este valabila pentru sistemele din figura 8.2 în cazul regimului dinamic.
e = 0 atunci AE nu da nimic la iesire, EC nu primeste nimic la intrare (si cum, de regula, este un tranzistor acesta va fi blocat) si rezulta ca, în cel mai bun caz, EC nu consuma nimic si avem tensiunea V = 0 (la schema serie), iar curentul I = 0 (la schema paralel).
În aceste conditii sistemul nu va functiona decât crescând V si I, ceea ce înseamna ca nu va functiona si la scaderea tensiunii Vi.
Corectia se refera la faptul ca se impune o eroare stationara, ceea ce înseamna ca atunci când tensiunea de iesire este la valoarea prescrisa la intrarea amplificatorului vom avea o tensiune e 0 care sa asigure tensiunea V pentru ERS sau curentul I pentru ERP.
sunt stabilizatoare de tensiune continua care nu au în componenta nici un circuit integrat. Principiile de functionare pe baza carora au fost realizate schemele cu componente discrete se aplica si în cazul stabilizatoarelor cu circuite integrate.
.
De unde se obtine
,
care spune ca tranzistorul din schema are rolul de extindere a domeniilor de curenti ai stabilizatorului parametric format din rezistorul R si dioda DZ, coeficientul de stabilizare modificându-se.
Rezistenta interna a stabilizatorului se obtine pentru tensiune de intrare constanta, adica pentru variatii Vi ale tensiunii nule
,
Scurcircuitând intrarea schemei echivalente din figura 8.4,b se constata ca rezistenta interna are expresia:
,
din care rezulta ca introducerea tranzistorului în schema stabilizatorului parametric scade puternic rezistenta interna a stabilizatorului, astfel constant.
8.4 Stabilizatorul în bucla deschisa cu element de reglaj paralel
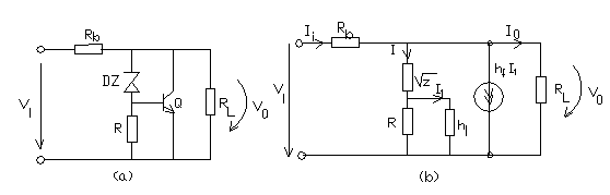
Pentru a obtine o topologie cu element de reglaj paralel se utilizeaza stabilizatorul parametric format din R, DZ si un tiristor Q2 conectat ca în figura 8.3,a.
Fig. 8.3.
Tensiunea de iesire
V0 = VZ + VBE
stabileste expresia coeficientului de variatie cu temperatura
ST = V'0Z aZ aVBE
Pentru schema echivalenta din figura 8.3,b se scriu mai întâi expresiile curentilor
,
iar apoi se aplica teorema lui Kirchhoff în nodul de iesire
Ii
= I + hfIi + I0 
Factorul de stabilizare va avea expresia
.
Determinarea expresiei rezistentei interne se face schema din figura 8.5,b cu Vi = 0, obtinând
.
Se constata ca stabilizatorul cu element de reglaj paralel are factorul de stabilizare si rezistenta interna dependente de factorul de amplificare al tranzistorului.
Performantele nu sunt mult deosebite de stabilizatorul cu element de reglaj serie, tinând seama ca tranzistorul este de putere ceea ce înseamna ca are un factor de amplificare hf în curent mic. Totusi este caracterizat prin faptul ca tranzistorul se autoprotejeaza în cazul scurcircuitarii bornelor sarcinii RL (tensiunea VCE 0 ceea ce face ca tot curentul sa se închida prin bornele scurcircuitate si nu prin tranzistor), scurtcircuitul conducând la distrugerea rezistorului Rb sau la întreruperea sigurantei fuzibile montate în serie cu Rb.
În cazul stabilizatorului cu element de reglaj serie, din figura 8.4, scurtcircuitul de la iesire conduce la VCE = Vi si curentul prin tranzistor creste pâna la distrugerea termica a acestuia, daca nu se iau masuri de protectie.
8.5 Stabilizatorul în bucla închisa de reactie si element de reglaj serie
Functionarea stabilizatorului cu reactie si element de reglaj serie poate fi explicata prin rearanjarea blocurilor functionale din figura 8.2,a ca în figura 8.4.
Fig. 8.4.
Elementul de esantionare este realizat de regula cu un divizor de tensiune rezistiv, în acest caz format din R1 si R2, caracterizat prin factorul de divizare (sau de reactie)
.
Deducerea relatiilor de calcul a parametrilor stabilizatorului se face luând în considerare ca reactia modifica parametrii stabilizatorului fara reactie negativa.
Tensiunea de intrare este formata dintr-o componenta de regim stationar VI (tensiunea de c.c. aplicata la intrare nu când nu actioneaza perturbatii) peste care se suprapune o componenta variabila vi datorata perturbatiilor (care în cazul stabilizatoarelor constau în modificarea valorilor V0, T si
VI
VI = VI + vi
Variatia
vi determina
modificarea tensiunii de pe sarcina de la valoarea V0 la
.
Stabilizatorul fara reactie este format din
rezistenta de iesire
a ERS în serie cu
sarcina
, ceea ce înseamna ca avem relatia
,
(unde R'L este constituit din RL (R1 + R2) care conduce la un coeficient de stabilizare fara reactie

Amplificatorul de eroare AE elaboreaza o comanda catre elementul de reglare ERS care determina la iesire o variatie v"0. În aceste conditii variatia tensiunii de iesire este formata din doua componente
v0 = v'0 + v"0
prima v'0 fiind datorata sistemului fara reactie, iar a doua datorata amplificatorului de eroare v"0 (prin intermediul ERS).
Pentru ca variatia tensiunii de iesire sa fie cât mai mica se impune ca v"0 sa fie de semn opus si apropiata de v'0 (variatie de tensiune datorata modificarii intrarii de la VI la VI + vi). Acesta este principiul stabilizarii cu reactie.
Pentru a stabili relatiile de calcul luam în considerare tensiunea aplicata la intrarea amplificatorului de eroare
Ve = VR- fv (V0 + v'0)
a carui variatie este
e DVe = - fv v'0
Sistemul cu reactie negativa este caracterizat prin factorul se amplificare în tensiune
,
care stabileste expresia tensiunii de corectie
v"0 = AVRe AVR fv v'0
Variatia tensiunii de iesire, în conditiile aplicarii reactiei
v0 = v'0 + v"0 = v'0 AVRfv v'0
Conform teoriei reactiei avem
,
care înlocuite în relatia de mai sus conduc la expresia variatiei tensiunii de iesire a sistemului cu reactie
,
care evidentiaza faptul ca reactia a actionat în sensul micsorarii de (1+T) ori a variatiilor tensiunii de la iesire fata de stabilizatorul fara reactie.
În relatiile de mai sus av este factorul de amplificare în bucla deschisa de reactie a sistemului iar T este transmisia pe bucla.
Coeficientul de stabilizare în prezenta reactiei este
.
Pe de alta parte, tinând seama de relatia dintre v'0 si vi , factorul de stabilizare al sistemului cu reactie se poate scrie si sub forma
.
Rezistenta interna a stabilizatorului
,
este de fapt rezistenta de iesire a amplificatorului cu reactie negativa de tipul esantionare în nod si comparare pe bucla, care, conform teoriei reactiei are expresia
.
8.6 Stabilizatorul cu tranzistori bipolari în bucla închisa de reactie
Pe baza schemei de principiu din figura 8.4 poate fi realizat un stabilizator cu element de reglaj serie, utilizând tranzistori bipolari, ca în figura 8.5.
Elementul de reglaj serie este constituit din tranzistorul T0, care actioneaza asupra tensiunii VCE pentru a modifica valoarea tensiunii de iesire
![]()
Elementul de referinta îl constituie stabilizatorul parametric cu dioda Zener DZ si R3. Alimentarea stabilizatorului parametric se face din tensiunea stabilizata (V0 de la iesire) si nu din tensiunea de intrare VI care este mai putin stabila, fiind afectata de perturbatiile transmise prin linia de alimentare.
Esantionarea tensiunii de la iesire este realizata de divizorul de tensiune format din rezistoarele R1 si R2 - furnizeaza la iesire tensiunea
VB= fvV0,
unde
care relatie se deriveaza în raport cu temperatura pentru a obtine
.
S-a considerat o variatie cu temperatura a tensiunii de pe dioda Zener
![]()
si o tensiunea o scadere cu αBE = 2mV la fiecare grad Celsius de crestere a temperaturii a tensiunii VBE1.
Pentru calculul celorlalti parametrii ai stabilizatorului se tine seama de faptul ca se pot obtine aceleasi variatii ale tensiunii de iesire la modificarea tensiunii VI sau la modificarea altui parametru.
Spre exemplu putem considera constanta tensiunea de intrare VI si studiem variatia tensiunii V0 la modificarea tensiunii VZ.
Pe baza acestei observatii se deseneaza în figura 8.7 schema echivalenta a montajului in regim variabil de semnal mic.
Constatam ca schema din figura 8.7 este schema de curent alternativ a unui amplificator cu reactie negativa, format din amplificatorul T1, T0 si reteaua de reactie 11 - 22.
Reactia este de tipul cu esantionare în nod si comparare pe bucla.

Fig. 8.7.
Separând reteaua de reactie se obtine factorul de reactie
.
Schema amplificatorului în bucla deschisa de reactie este prezentata în figura 8.8. Pe latura cu sursa de curent de indice 1, exista o notatie ( I2) ceea ce conduce la egalitatea
.
Fig. 8.8.
Consideram
, ceea ce permite sa scriem, conform primei teoreme a
lui Kirchhoff
![]()
Înlocuind I2 avem
.
Curentul I1 se determina pe ochiul de intrare pe baza rezistentei echivalente
,
cu ajutorul caruia se determina expresia tensiunii de iesire poate fi exprimata
Protectie cu variator de tensiune alternativa
În figura 8.15 este prezentata o schema de protectie cu variator de tensiune alternativa.

Fig. 8.15.
Variatorul de tensiune, format din tiristorii T1 si T2, permite controlul tensiunii de alimentare a stabilizatorului prin modificarea unghiului de comanda. În conditii de scurcircuit în stabilizator se întrerup impulsurile de comanda a tiristorilor, separând stabilizatorul de sursa de alimentare.
Vi -Vout < 40V).
|
Fig. 8.21. |
Tranzistorul Q16 intra în conductie când tensiunea baza - emitor devine 0,65V
Extinderea domeniului de stabilizare a tensiunii se face ca în figura 8.23, figura în care se prezinta un stabilizator flotant.

|
Fig. 8.26. |
Stabilizatorul de tensiune pozitiva furnizeaza la iesirea V0+ o valoare a tensiunii care este corelata cu valoarea tensiunii V0-.
Tensiunea diferentiala de la intrarea AO este foarte mica, motiv pentru care avem egalitatea
,
dar tensiunea VR poate fi exprimata în functie de tensiunea de la iesire
![]()
![]()
Conform relatiei de mai sus, constatam ca , prin alegerea potrivita a rezistentelor putem avea diverse relatii între tensiunea de iesire negativa si tensiunea de iesire pozitiva. La borna ECH poate fi conectat un potentiometru.
La borna ADJ a stabilizatorului se conecteaza un divizor rezistiv prin intermediul caruia se fixeaza valoarea tensiunii V0-.
|