Simple Class A Amplifier
A 10-W Design giving subjectively better results than class B transistor amplifiers
During the past few years a number of excellent designs have been published for domestic audio amplifiers. However, some of these designs are now rendered obsolescent by changes in the availability of components, and others intended to provide levels of power output which are in excess of the requirements of a normal living room. Also, most designs have tended to be rather complex.
In the circumstances it seemed worth while to consider just how simple a design could be made which would give adequate output power together with a standard of performance which was beyond reproach, and this study has resulted in the present design.
Output power and distortion
In view of the enormous popularity of the Mullard '5-10' valve amplifier, it appeared that a 10-watt output would be adequate for normal use; indeed 545h72f when two such amplifiers are used as a stereo pair, the total sound output at full power can be quite astonishing using reasonably sensitive speakers.
* For today's speakers and expectations, this is
clearly not the case.
The original harmonic distortion standards for audio were laid down by D. T. Williamson in a series of articles published in Wireless World in 1947 and 1949; and the standard, proposed by him, for less than 0.1% total harmonic distortion at full rated power output, has been generally accepted as the target figure for high-quality audio power amplifiers. Since the main problem in the design of valve audio amplifiers lies in the difficulty in obtaining adequate performance from the output transformer, and since modern transistor circuit techniques allow the design of power amplifiers without output transformers, it seemed feasible to aim at a somewhat higher standard, 0.05% total harmonic distortion at full output power over the range 30Hz-20kHz. This also implies that the output power will be constant over this frequency range.
Circuit design
The first amplifier circuit of which the author is aware in which a transformerless transistor design was used to give a standard of performance approaching that of the 'Williamson' amplifier, was that published in Wireless World in 1961 by Tobey and Dinsdale. This employed a class B output stage, with a series connected transistors in quasi-complementary symmetry. Subsequent high-quality transistor power amplifiers have largely tended to follow the design principles outlined in this article.
The major advantage of amplifiers of this type is that the normal static power dissipation is very low, and the overall power-conversion efficiency is high. Unfortunately there are also some inherent disadvantages due to the intrinsic dissimilarity in the response of the two halves of the push pull pair (if complementary transistors are used in asymmetrical circuit arrangement) together with some cross-over distortion due to the I c /V b characteristics. Much has been done, particularly by Bailey, to minimise the latter.
An additional characteristic of the class B output stage is that the current demand of the output transistors increases with the output signal, and this may reduce the output voltage and worsen the smoothing of the power supply, unless this is well designed. Also, because of the increase in current drive with output power, it is possible for a transient overload to drive the output transistors into a condition of thermal runaway, particularly with reactive loads, unless suitable protective circuitry is employed. These requirements have combined to increase the complexity of the circuit arrangement, and a well designed low- distortion class B power amplifier is no longer a simple or inexpensive thing to construct.
* The thermal runaway referred to is now known to be secondary breakdown, where the transistor suffers from a localised heating on the silicon die. This effect is very rapid, and can lead to almost instantaneous destruction of a transistor. This is one reason that MOSFETs are preferred by many amplifiers designers (the editor is not one of these!).
An alternative approach to the design of a transistor power amplifier combining good performance with simple construction is to use the output transistors in a class A configuration. This avoids the problems of asymmetry in quasi- complementary circuitry, thermal runaway on transient overload, crossover distortion and signal-dependent variations in power supply current demand. It is, however less efficient than a class B circuit, and the output transistors must be mounted on large heat sinks.

The basic class A construction consists of a single transistor with a suitable collector load. the use of a resistor, as in Fig 1(a), would be a practical solution, but the best power-conversion efficiency would be about 12%. An l.F. choke, as shown in Fig1(b), would give much better efficiency, but a properly designed component would be bulky and expensive, and remove many of the advantages of a transformerless design. The use of a second, similar, transistor as a collector load, as shown in Fig 1(c), would be more convenient in terms of size and cost, and would allow the load to be driven effectively in push-pull if the inputs of the two transistors were of suitable magnitude and opposite in phase. This requirement can be achieved if the driver transistor is connected as shown in Fig. 2.

This method of connection also meets one of the most important requirements of a low distortion amplifier :- that the basic linearity of the amplifier should be good, even in the absence of feedback. Several factors contribute to this. There is the tendency of the Ic / Vb non-linearity of the characteristics of the output transistors to cancel, because during the part of the cycle in which one transistor is approaching cut-off the other is turned full on. There is a measure of internal feedback around the loop Tr1 Tr2 Tr3 because of the effect which the base impedance characteristics of Tr1 have on the output current of Tr3. Also, the driver transistor Tr3, which has to deliver a large voltage swing, is operated under conditions which favour low harmonic distortion :- low output load impedance, high input impedance.
* A potentially worthwhile improvement to this circuit is the addition of a 0.1 ohm resistor in the emitter circuit of Tr1. This applies local feedback to the entire gain stage, providing a significant reduction in distortion. If used, this should be a 5 Watt wirewound type to handle the current.

A practical power amplifier circuit using this type of output stage is shown in Fig. 3.
* The upper transistor (Tr2) is operating as a current source, whose output current is modulated. This allows the circuit to operate at about half the quiescent current that would be required if no modulation were applied. The values for R1 and R2 must be selected, based on the gain of Tr3. For a 40 Volt supply, if Tr3 were to have a gain of 50 at 1A, then
(R1 + R2) = 20V / 20mA (base current) = 1000 ohms.
One problem with this approach is that the current provided by Tr2 will vary with temperature. Readers wishing to experiment with this circuit should ensure that the current is checked at normal operating temperature (i.e. HOT). There is no mechanism in the circuit to prevent thermal runaway, other than the use of a suitably large heatsink. At some point, the circuit should stabilise the quiescent current. If it does not (and the current continues to increase), then the heatsink is too small. To ensure a useful life for the transistors, they should not operate at greater than 50o C, which in normal conditions should be quite achievable. Since each transistor operates at (or near) 25 Watts, the heatsink for each transistor should have a thermal capacity of about 1o C / Watt. A better (i.e. larger) heatsink will do absolutely no harm, and will ensure freedom from thermal runaway.
There is also a newer version of this amp, but I have no plans to re-publish at any time.
The open loop gain of the circuit is approximately 600 with typical transistors. The closed loop gain is determined, at frequencies high enough for the impedance of C3 to be small in comparison to R4, by the ratio (R3 +R4)/R4. With the values indicated in Fig. 3, this is 13. This gives a feedback factor of about 160 milliohms.
Since the circuit has unity gain at D.C., because of the inclusion of C3 in the feedback loop, the output voltage Ve, is held at the same potential as the base of Tr4 plus the base emitter potential of Tr4 and the potential drop along R3 due to the emitter current of this transistor. Since the output transistor Tr1 will turn on as much current as is necessary to pull Ve down to this value, The resistor R2, which together with R1 controls the collector current of Tr2, can be used to set the static current of the amplifier output stages. It will also be apparent that Ve can be set to any desired value by small adjustments to R5 and R6. The optimum performance will be obtained when this is equal to half the supply voltage. (half a volt or so either way will make only a small difference to the maximum output power obtainable, and to the other characteristics of this amplifier, so there is no need for great precision in setting this.)
* Not mentioned is the purpose of C1 (in conjunction with R1 and R2). This capacitor provides 'bootstrapping', which attempts to maintain a constant voltage across R2. If the voltage remains constant across a resistor, it follows that the current through the resistor must also remain constant. The performance of this circuit will be severely impaired if the value of C1 is too small - based upon the lowest frequency of operation, and the parallel value of R1 and R2. For operation down to 20Hz (assuming R1 + R2 = 1000 ohms), the capacitor should be at least 220uF.
Likewise, the reactance of C1 must be low with respect to the speaker impedance (preferably less than 1/2 of the speaker impedance at the lowest frequency of interest - 20Hz is assumed). This works out to be about 2,000uF. A working voltage of not less than 50V is suggested for all electrolytic capacitors, and for optimum h.f. performance, a 1uF polyester may be paralleled with each electro. In my experience this is not needed, but many will disagree, so if you want it, add it.
Silicon planar transistors are used throughout, and this gives good thermal stability and a low noise level. Also, since there is no requirement for complementary symmetry, all the power stages can use n-p-n transistors which offer, in silicon, the best performance and lowest cost. The overall performance at an output level of 10 watts, or at any lower level, more than meets the standards laid down by Williamson. The power output and gain/frequency graphs are shown in Figs. 4 and 5, and the relationship between output power and total harmonic distortion is shown in Fig. 6. Since the amplifier is a straight-forward class A circuit, the distortion decreases linearly with output voltage. (This would not necessarily be the case in a class B system if any significant amount of cross- over distortion was present.) The analysis of distortion components at levels of order of 0.05% is difficult, but it appears that the residual distortion below the level at which clipping begins is predominantly second harmonic.
Stability, power output and load impedance
Silicon planar NPN transistors have in general, excellent high frequency characteristics, and these contribute to the very good stability of the amplifier with reactive loads. The author has not yet found a combination of L and C which makes the system unstable, although the system will readily become oscillatory with an inductive load if R3 is shunted by a small capacitor to cause roll-off at high frequencies.
The circuit shown in Fig. 3 may be used, with very little modification to the component values, to drive load impedances in the range 3-15 ohms. However, the chosen output power is represented by a different current/voltage relationship in each case, and the current through the output transistors and the output voltage swing will therefore be different. The peak-voltage swing and mean output current can be calculated quite simply from the well-known relationship W=I2R and V=IR, where the symbols have their customary significance. (it should be remembered, however, that the calculation of output power is based on RMS values of current and voltage, that these must be multiplied by 1.41 to obtain peak values, and that the voltage swing measured is the peak to peak voltage, which is twice the peak value.)
When these calculations have been made, the peak-to-peak voltage swing for 10 watts power into a 15-Ohm load is found to be 34.8 volts. Since the two output transistors bottom at about 0.6 volts each, the power supply must provide a minimum of 36 volts in order to supply this output. For loads of 8 and 3 ohms, the minimum h.t. line voltage must be 27V and 17V respectively. The necessary minimum currents are 0.9, 1.2 and 2.0 amps. Suggested component values for operation with these load impedances are shown in table 1. C3 and C1 together influence the voltage and power roll-off at low audio frequency performance is desired than that shown in figs. 4 and 5.
* I suggest a power supply voltage of 40 Volts, which will actually allow close to 20 Watts into an 8 ohm load. Make sure that the heatsinks are sufficient to handle the additional power dissipation caused by the higher supply voltage. Those suggested in the construction notes are probably too small for operation at this supply voltage.



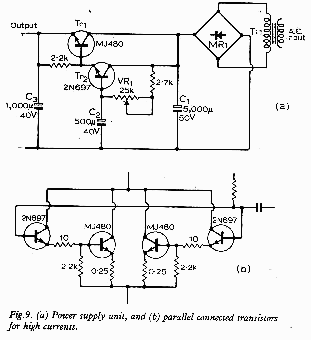
Since the supply voltages and output currents involved lead to dissipation in the order of 17 watts in each output transistor, and since it is undesirable (for component longevity) to permit high operating temperatures, adequate heat sink area must be provided for each transistor. A pair of separately mounted 125mm by 100mm (5' by 4') finned heatsinks is suggested. This is, unfortunately, the penalty which must be paid for class A operation. For supplies above 30V Tr1 and Tr2 should be Mj481s and Tr3 a 2n1613.

If the output impedance of the preamplifier is more than a few thousand ohms, the input stage of the amplifier modified to include a simple f.e.t. source follower circuit shown in fig 8. This increases the harmonic distortion to about 0.12%, and is therefore (theoretically) a less attractive solution than a better pre- amplifier.
A high frequency roll-off can be obtained, if necessary by connecting a small capacitor between the gate of the f.e.t and the negative (earthy) line.
Suitable transistors
Some experiments were made to determine the extent to which the circuit performance was influenced by the type and current gain of the transistors used. As expected the best performance was obtained when high-gain transistors were used, and when the output stage used a matched pair. No adequate substitution is known for the 2N697 / 2N1613 type used in the driver stage, but examples of this transistor type from three different manufacturers where used with apparently identical results. Similarly, the use of alternative types of input transistor produced no apparent performance change, and the Texas Instuments 2N4058 is fully interchangeable with the Motorola 2N3906 used in the prototype.
The most noteworthy performance changes were found in the current gain characteristics of the output transistor pair, and for the lowest possible distortion with any pair, the voltage at the point from the loudspeaker is fed should be adjusted so that it is within 0.25 volt of half the supply line potential.
The transistors used in these experiments
were Motorola MJ480/481, with one exception, in which
When the distortion components were found prior to the onset of waveform clipping, these were almost wholly due to the presence of second harmonics.
Constructional notes
Amplifier
The components necessary for a 10 + 10 watt stereo amplifier pair can be conveniently be assembled on a standard 'Lektrokit' 4' X 4.75' s.r.b.p. pin board, with the four power transistors mounted on external heat sinks. Except where noted the values of components do not appear to be particularly critical, and 10% tolerance resistors can certainly be used without ill effect. The lowest noise levels will however be obtained with good quality components, and with carbon-film or metal-oxide resistors.
* Metal film resistors should be used throughout, as these are superior to carbon film types in all respects. These are generally only available as 1% or better tolerance, which will not pose any problems.
Power supply
A suggested form of power supply unit is shown in Fig. 9(a). Since the current demand of the amplifier is substantially constant, a series transistor smoothing circuit can be used in which the power supply output voltage may be adjusted by choice of the base current input provided by the emitter follower Tr2 and the potentiometer VR1. With the values of the reservoir capacitor shown in table 3, the ripple level will be less than 10mV at the rated output current, provided that the current gain of the series transistor is greater than 40. For output currents up to 2.5 amps, the series transistors indicated will be adequate, provided that they are mounted on heat sinks appropriate to their loading.

However, at the current levels necessary for operation of the 3-ohm version of the amplifier as a stereo pair, a single MJ480 will no longer be adequate, and either a more suitable series transistor must be used, such as the Mullard BDY20, with for example a 2N1711 as Tr2, or with a parallel connected arrangement as shown in Fig. 9(b).
The total resistance in the rectifier 'primary' circuit, including the transformer secondary winding, must not be less than 0.25 Ohms. When the power supply, with or without an amplifier, is to be used with an r.f. amplifier-tuner unit, it may be necessary to add a 0.25uF (160V) capacitor across the secondary windings of T1 to prevent transient radiation. The rectifier diodes specified are International Rectifier potted bridge types.
* This supply is not a regulated supply, but is a simple capacitance multiplier. For a more complete description of a better circuit, see Capacitance Multiplier Power Supply Filter in these pages.
Current Limiting
* Although there was no mention of this in the original article (and I managed to 'lose' the schematic file for a time), a current limiter was included. This will ensure that the current through the output devices does not exceed a preset value, although I believe that the concept is flawed, and is of limited value in this overall design.

The circuit above shows the way the current limiter is connected. It will not stabilise the quiescent (no signal) current, but is only capable of ensuring that the absolute maximum current does not exceed the value determined by the 100 Ohm pot. To be useful, a current stabiliser is needed, which will ensure that the no-signal operating current remains constant regardless of temperature or supply voltage variations. No information is provided to achieve this goal.
|
Author |
Views |
Views Today |
Rank |
Comments |
|
|
|
|
|
|
|
This is a handy, easy to build general purpose 50 watt amp. The amp has an input for a radio, TV, stereo or other line level device. It also has a phono input for a record player, guitar, microphone or other un-amplified source. With the addition of a low pass filter at the input, it makes a great amp for a small subwoofer. |
Schematic |

Parts |
|
|
|
|
60 Watt Into 8
Ohms Power Amplifier
Rod Elliott - ESP
Updated 06 Feb 2000
Please Note: PCBs are available for the updated version of this project
(P3A)
Introduction
This amplifier does not claim to be 'state of the art', and in fact the base design is now over 20 years old. It is a simple amp to build, uses commonly available parts and is stable and reliable. The design featured is a slight modification of an amp I originally designed many years ago, of which hundreds were built. Most were operated as small PA or instrument amps, but many also found their way into home hi-fi systems. The amp is capable of driving 4 Ohms, but it is starting to push the limits of the transistors, however, even when used at 4 Ohms, very few failures were encountered.
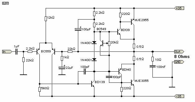
The Circuit
Note that there is no output short circuit protection, so if speaker leads are shorted while the amp is working (with signal), there is a very real risk of the transistors being destroyed. Since this amp was built commercially, the savings were worth the risk - most of these amps were installed in the speaker box, so shorting was not likely (unless the loudspeaker voice coil shorted as happened a few times). Because of the cost of the devices used (minimal), it is a cheap amp to fix even if you do manage to blow it up.

Figure 1 - 60W Power Amplifier Original
Circuit Diagram (Don't Use This Circuit!)
Basic specs on the amp are as follows
Changes made from the original design are
** It is conceivable that with some transistors, the value of 560 Ohms may not be correct. If this is found, you might need to 'tweak' this resistor to obtain minimum DC offset. If you really wanted to, you could even use a trimpot (2k), and adjust this for minimum DC offset. Best to wait until the temperature has stabilised first, but it won't change very much anyway.
Apart from these changes, the amp is pretty much original, and with a +/-35V (loaded voltage) supply as shown, will provide 70W into 8 Ohms quite happily. In its lifetime, many of the mods mentioned above were made anyway, since I could never find the circuit diagram when I needed it, so often made it up as I went along! It is a fair testament to the amp that all sorts of resistor and capacitor substitutions can be made, and it still works fine.
The noise and distortion figures are somewhat pessimistic - there is so little distortion at 1V (or 20V for that matter) that my distortion set has great difficulty in getting a readable measurement. The oscilloscope output indicates that most of what I see is noise - even integrating the output (my 'scope can do that) to eliminate the noise reveals very little at all.
07 Dec Update
I have had a few constructors comment on the quiescent current, which is somewhat higher than they expected. Indeed, my test amp (photo below) runs (ran) with a quiescent of about 350mA. This requires a fairly hefty heatsink to keep it cool, but mine is fine as long as it is not lying on the bench top. With little or no airflow, it gets hot.
I have carried out a few more experiments, and have a few values for you. The amp is intended to use 0.22 Ohm emitter resistors in the output stage. With these, Iq (quiescent current) is about 350mA at +/-35V supply.
Increasing the emitter resistance will reduce Iq, and with 0.5 Ohm resistors it drops to about 150mA. Although this reduces output power by a very small amount, the reduction is worthwhile from a thermal perspective. Measured distortion and other characteristics are unchanged. A tiny increase in output impedance might occur, but I did not test for this, and it will be far less than that of speaker leads anyway.
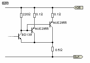
I also included a bias servo, using a pot and transistor. This was not mounted on the heatsink, since this would cause an instant negative thermal coefficient - as the amp gets hotter, Iq will fall, potentially so far that crossover distortion will occur. This is not a good thing, and I do not recommend it. The bias servo I used was done for convenience - I had a 20k trimpot to hand (well, a bag full actually), and the transistor is a standard BC549. I know its not elegant, and the values are not worked out properly, and , and, etc, but it works.
I then tested the amp with Iq from zero mA (crossover distortion was very evident) right up to the new maximum of 150mA - I left the 0.5 Ohm resistors in circuit. The circuit for the bias servo (actually the whole amp, with some of the other mods I have mentioned elsewhere) is shown in Figure 1a - notice that I left the diodes in circuit as a fail-safe, since the servo I used will go open circuit if the pot wiper becomes disconnected (I strongly suggest that you do the same). In practice this works extremely well, and I can set bias current to anything I like.

Figure 1a - Modified Version Of 60W Power Amp
Changes from Figure 1
Overall, these changes effect quiescent current and simplify the circuit a little. There are no discernible performance changes from the original. The variations I was able to chronicle are as follows :
I found that the crossover distortion is very low with only a few mA, and all but disappears at about 40mA, leaving a barely visible 'glitch' on the oscilloscope channel monitoring the output of the distortion meter. (I always use one channel for the output signal, and the other is pretty much permanently connected to the distortion measuring set.) Further increases in Iq made very little difference, but overall I found that at about 100mA, the amp seems happiest (or maybe that was me - seeming happiest, that is).
Variations in supply voltage will have an effect on Iq as well. I
hadn't actually considered this much (I have never had one of these amps self
destruct, and normally don't even bother measuring the quiescent
current). The variation is caused because the Class-A driver current is
not derived from a true current source, but is a simple bootstrapped
circuit. Since the current must change with voltage, so must the voltage
across the diodes (or bias servo). At about 25 degrees C, I set Iq to
20mA with a supply voltage of +/-35V .
|
Supply Voltage |
Quiescent Current |
|
+/-35 V |
20mA |
|
+/-40 V |
53mA |
|
+/-45 V |
78mA |
Bias current also changes with temperature, so as the amp heats up, Iq will
increase. This is not serious, and will only ever cause grief if the
heatsink is too small. Such grief will ensue anyway in this case,
regardless of whether the bias current is stable or not.
|
|
Please Note: One of the things you will read about on various web pages, is that distortion measurements are invalid, since they do not usually take into account the very 'spiky' nature of crossover distortion, and simply average it so it looks (on paper) much better than it sounds. This denouncing activity is most common amongst Class-A enthusiasts. I cannot speak for others, but when I measure distortion I look at the residual signal from my meter on an oscilloscope. There are no distortion spikes evident in this design - the distortion is a smooth waveform with no part of the signal able to be misinterpreted by human or instrument. |
Construction
I do not propose to provide constructional details for this amp. If you want to build it, a simple PCB could be made, or it can be built on 'Veroboard' or similar. Layout is not especially critical, and in fact if the components are laid out on a board much as they are seen in the diagram, you should have no problems. 3 Amp fuses should be fitted to each supply rail - these will not prevent output transistors from failing with a shorted speaker lead, but they will prevent further damage (wiring melting, transformer burning out, PCB catching on fire, etc).
100uF 50V bypass capacitors should be installed on the board, as close as possible to the driver circuits. These may optionally be bypassed using 100nF polyester caps. As an indication of the stability of this amp, I have used it with 1 metre power supply leads with no on-board bypass caps whatsoever. Power is reduced because of the instantaneous peak currents causing voltage drop on the leads, but the amp remains completely stable. (Don't do this, because although the amp will work fine, too much power is lost in the leads.)
The input capacitor should be a polyester type. If an electrolytic is to be used, the positive end goes to the amplifier (there is about +230mV on the bases of the long tailed pair transistors).
When wiring, ensure that the feedback connection is taken from the speaker output terminal, immediately before the inductor. Any track which is carrying half-wave audio from one or the other power transistor resistors will cause distortion of the feedback signal, degrading sound quality.
The photo shows one of my test amps (built on a PCB I designed over 15 years ago for a bridge / stereo version - these are the ones that hundreds of were made). This is the amp all the tests were conducted on, and it will be noted that there is no output inductor. Please don't ask if I have any of the PCBs to sell, because I don't.

The Complete Amp (My Test Unit)
Power Supply
A suitable power supply is presented in the Project Pages. This will also be quite suited to any other power amp of similar specifications (such as the 'New Improved' version of this one, P3A).
Passive Components
Transistors
Only the output transistors must be on a heatsink, which should have a thermal rating of no more than 0.5 degree Celsius per Watt for 'normal' home listening, or half that if the amp is going to be pushed hard (PA or instrument amp, for example). If you really want to, a small 'flag' type heatsink can be used for the drivers, but this is not necessary. The Class-A driver dissipates only about 1/4 Watt, while the power drivers vary. I have never used a heatsink on any of them.
The TIP2955/3055 have a lower thermal resistance than the MJE types, and are preferred for this reason. Other power transistors may be substituted, but it is up to you to determine their suitability. Aim for devices with a high fT (gain transition frequency), low thermal resistance, and good power ratings. I am using 200W TO-3 case devices in my own biamp system.

Figure 2- Output Transistors in Parallel
If you wish, additional output transistors may be connected in parallel to provide better gain at high current (reducing 'gain droop'), and higher output current capacity. This will also provide lower transistor die operating temperatures, because of the effective doubling of case to heatsink contact area. Figure 2 shows the arrangement (one side only, the other is a mirror image).
Note that if transistors are paralleled, the emitter resistors must be used as shown to force current sharing. If these are ignored, one transistor will provide most of the current while the other does little or nothing. You may then be lulled into a false sense of security until the output stage blows up.
NOTE: Although the silicone pads now available are a less messy alternative to mica or Kapton washers and thermal grease, I still have my reservations about them. If transistors must be replaced, replace the washers as well, or the thermal resistance is likely to be too high if the old ones are re-used.
Powering Up
If you do not have a dual output bench power supply - Before power is first applied, temporarily install 22 Ohm 5 W wirewound 'safety' resistors in place of the fuses. Do not connect the load at this time! When power is applied, check that the DC voltage at the output is less than 1V, and measure each supply rail. They will be different, because of the zener diode feed resistance, but both should be no less than about 20V. If widely different from the above, check all transistors for heating - if any device is hot, turn off the power immediately, then correct the mistake.
If you do have a suitable bench supply - This is much easier! Slowly advance the voltage until you have about +/- 20V, watching the supply current. If current suddenly starts to climb rapidly, and voltage stops increasing then something is wrong, otherwise, continue with testing. (Note: as the supply voltage is increased, the output voltage will increase - up to about 6V, then quickly drop to near 0V. This is normal.)
Once all appears to be well, connect a speaker load and signal source (still with the safety resistors installed), and check that suitable noises (such as music or tone) issue forth - keep the volume low, or the amp will distort badly with the resistors still there if you try to get too much power out of it.
If the amp has passed these tests, remove the safety resistors and re-install the fuses. Disconnect the speaker load, and turn the amp back on. Verify that the DC voltage at the speaker terminal does not exceed 100mV, and perform another 'heat test' on all transistors and resistors. Turn off the power, and re-connect speaker and music source.
|